Hallo Zusammen, Ich habe mit einem ATTiny2313 mir eine Schaltung aufgebaut, die ein paar LED in den vordefinierten Mustern ansteuert (so eine Art Lichtcomputer mit festen Programmen). Das klappt auch und funktioniert wie gewünscht. Jetzt möchte ich aber statt der LED 12V/20W Glühlampen aus dem KFZ Bereich ansteuern. Meine bisherigen Versuche mit einem BD337 funktionieren auch, jetzt kommt das ABER: Die Lampen sind zu träge für die Steuerung, läuft das Programm mit (gerade noch) akzeptabeler Geschwindigkeit leuchten die Lampen nicht. Hat jemand eine Idee, wie ich das lösen kann? (Leider hat die Suche nichts zutage gefödert, vermutlich habe ich die falschen Suchbegriffe verwendet.) Bei Fragen bitte Fragen. LG Kay
Zum Schalttransistor einen Widerstand parallelschalten, der gerade so viel Strom durchlässt, daß der Glühfaden schon dunkelrot glimmt.
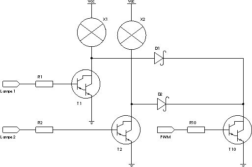
@ Phillip Hier den Teil vom BD337. Leider habe ich kein Schaltzeichen für die Leuchte in Eagle gefunden, der Vorwiderstand ist 1K. @Mawin Gibt es da irgendwelche Formeln für die Berechnung des richtigen Widerstands? Lg Kay
Du könntest alternativ einen PWM-Ausgang (PB2-PB4, PD5) verwenden, den Du so betreibst, dass die Birne vorglüht, wenn sie aus sein soll, und vollen Wert liefert, wenn die Birne an sein soll. Dann kannst Du auch ein Power-Save-Feature einbauen, wenn die Birne mal nicht flackern soll und Du musst Dir nicht extra einen Leistungswiderstand besorgen. Edit: Ich sehe gerade, dass es sich um "ein paar" LEDs handelt. Wie viele sind es denn?
Falls Du mehr als 4 Birnen ansteuern willst, könntest Du einen PWM-Kanal nehmen, um alle Birnen vorzuglühen. (Ich habe die Schaltung nicht ausprobiert, aber so könnte es gehen.)
20Watt Glühlampen haben nun mal einen fetten Glühdraht, der ordentlich Leistung zieht, bevor er zu glimmen beginnt und 2 Sekunden nachleuchtet, wenn er aus voller Helligkeit abgeschaltet wird. Das ist Physik. Dieselbe Helligkeit kannst Du mit ordentlichen 1Watt PowerLEDs erreichen und die sind dann auch sofort an bzw. aus. Haste dann auch keine Heizung gebaut ;-)
> Gibt es da irgendwelche Formeln für die Berechnung des richtigen > Widerstands? Nein, hat man dir als Kind ausgetrieben etwas auszuprobieren, welches du zuvor nicht mit 3 mathematischen Formeln theoretisch durchgerechnet hast ?
Hallo zusammen, @Phillip: Ich benötige 5 Kanäle mit je 1 Leuchte, ich schaue mir mal deinen Ansatz mit PWM an. @Knut: Die Leuchten sind gegeben und ich kann die nicht gegen andere Leuchtmittel austauschen. @MaWin: Dann suche ich mal meine Widerstandskaskade und versuche das auch mal.
Hallo Zusammen, Ich bin mit meinen Tests nicht weiter gekommen, sodaß ich jetzt anstatt der BD337 auf ein Relais umsteigen will. Die Freilaufdiode ist klar, aber muß ich eine Transistorstufe vorschalten? Bei Pollin habe ich folgendes Relais gefunden : http://www.pollin.de/shop/dt/Mzc1OTU2OTk-/Bauelemente/Mechanisch/Relais_Zugmagnete/Relais_AXICOM_FP2_D3009.html Den Daten nach müßte es doch direkt mit den 5V vom Tiny2313 angesteuert werden können, oder? LG Kay
Kay V. schrieb: > Die Leuchten sind gegeben und ich kann die nicht gegen andere > Leuchtmittel austauschen. Das ist ein Designproblem. Niemand, der etwas von Technik versteht, versucht, mit derart dicken Glühwendeln eine schnelle Anzeige hinzubekommen. Beim KFZ sind diese Dinger in den Blinkern, und diese gehen bei 1Hz Blinkfrequenz nie ganz aus und bei manchen Karren nichtmal ganz an. Beobachte das mal an der nächsten roten Ampel auf der Abbiegerspur. Es wäre möglich, stattdessen 5W-Lampen zu nehmen. Diese sind zwar nicht ganz so hell, dafür aber viel schneller und sie haben dieselbe Fassung.
@Knut: Ist alles richtig, gilt aber auch nur, wenn man frei ist in der Wahl seiner Komponenten. In meinem Fall will ich bereis vorhandene Leuchten, welche aus Gründen der STVO nicht geändert werden dürfen, mit meiner Schaltung ansteuern. Das Projekt soll auf dem Campingplatz an einem Wohnwagen zum Einsatz kommen. Somit sind die Leuchten eine Konstante, auf die ich meine Schaltung anpassen muß. Außedem werden solch "Dicken" Glühwendel durchaus für schnelle Anzeigen verwendet, beinahe die ganze Lichttechnik für Musikveranstalltungen besteht aus solchen Glühwendeln. LG Kay
Kay V. schrieb: > Außedem werden solch "Dicken" Glühwendel durchaus für schnelle Anzeigen > verwendet, beinahe die ganze Lichttechnik für Musikveranstalltungen > besteht aus solchen Glühwendeln. Nope. Tut sie nicht. Vielleicht vor 20 Jahren. Außerdem wird dort, wo sich (ultrahelle) Glüh- oder Entladungslampen nicht vermeiden lassen, mit Shuttern gearbeitet, um Geschwindigkeit zu bekommen. Kay V. schrieb: > In meinem Fall will ich bereis vorhandene Leuchten, welche aus Gründen > der STVO nicht geändert werden dürfen, mit meiner Schaltung ansteuern. > > Das Projekt soll auf dem Campingplatz an einem Wohnwagen zum Einsatz > kommen. Dann habe ich keine Lösung für Dich. Das Vorglügen bringt lediglich beim Einschalten einen Geschwindigkeitsvorteil, nicht aber beim Ausschalten, dessen Zeit durch die glühende Materie vorgegeben ist. Somit würde sich das bisherige Bild umkehren und Du hättest statt lauter nichtleuchtender Lampen halt lauter mehr oder weniger hell vor sich hinglimmende. Der Wischeffekt bleibt.
> Autor: Kay V. (kay1971) > Datum: 24.10.2010 02:47 > > Hallo Zusammen, > ... > Autor: Kay V. (kay1971) > Datum: 24.10.2010 18:36 > > Hallo Zusammen, > > Ich bin mit meinen Tests nicht weiter gekommen, sodaß ich jetzt anstatt > der BD337 auf ein Relais umsteigen will. Von viertel vor 3 nachts bis abends um halb 7.. Das tut mir persönlich richtig weh, wie schnell Du aufgibst!
@Philipp: Nun, 8 Stunden am Stück sich mit einem "popligen" Transistor herumschlagen dafür, das auch eine simple Relaislösung erledigen kann ist für meinen Geschmack genügend Zeit meines Wochenendes. Außerdem darf man nicht außer acht lassen, das ich vor meiner Anfrage hier schon einen ganzen Tag damit verbracht habe; Ich halte das nicht für "schnell Aufgegeben". Außerdem wollte ich die Relais nur vermeiden um die Geräuschentwicklung gering zu halten. LG Kay
Kay V. schrieb: > Bei Pollin habe ich folgendes Relais gefunden : > http://www.pollin.de/shop/dt/Mzc1OTU2OTk-/Baueleme... > > Den Daten nach müßte es doch direkt mit den 5V vom Tiny2313 angesteuert > werden können, oder? Das Relais ist viel zu schwach ausgelegt. Die maximale Kontaktbelastung beträgt 2A. Der Einschaltstromstoss deiner Glühllampen ist aber wesentlich höher. Die werden nicht lange halten. Auch beträgt der Spulenstrom rund 28mA bei diesem Relais. Unter normalen Betriebsbedingungen sollte man aber nicht mehr als 20mA aus einem Prozessorpin fliessen lassen.
Siehe ein Problem als einen Berg, den Du besteigen darfst, und nicht als Riff, das Du umschiffen musst, wenn Du weiter kommen willst. Ich frickele seit mehr als einem halben Jahr daran herum, aus einer alten Fernbedienung eine Orgel für meine (noch ganz kleine) Tochter zu bauen. Das ist quasi mein Einsteigerprojekt. Das Teil könnte schon längst soweit sein, dass meine Tochter Tasten drückt und Töne herauskommen, und ich hätte gerade mal ein wenig AVR-Assembler gelernt und ein wenig Praxis mit SMD-Löten bekommen. Stattdessen bin ich gerade dabei, mal wieder alles umzuschmeißen, diesmal um die Soft- und Hardware auf einen anderen Timer umzustellen und im Layout schon mal Platz für einen EEPROM zu machen, damit die Kleine später mehr als 512 Bytes hat, um eigene Lieder abzuspeichern. Dadurch, dass ich mich in jedes Problem 'rein gekniet habe und lieber nächtelang Datenblätter, Artikel und Forenbeiträge studiert habe, als eine sicher funktionierende aber mein technisch-ästhetisches Empfinden störende Lösung vorzuziehen, habe ich bestimmt schneller gelernt, als wenn ich mich von Projekt zu Projekt gehangelt hätte, ohne in die Tiefe zu gehen. Wenn Dich ein Problem ankotzt, mache an einem Parallelprojekt weiter oder tummele Dich hier im Forum als Ausweichhandlung (wie ich ;)). Wenn etwas funktioniert, und Du verstehst nicht warum, begnüge Dich nicht damit. Ein paar Tage oder Wochenenden sind jedenfalls - sorry - nichts.
@Philipp Ich verstehe deine Einstellung und teile diese sogar - bei Projekten, die mir wichtig sind. Das aktuelle Projekt ist nur aus einer Bierlaune geboren worden und soll entsprechend 'Quick 'n Dirty' umgesetzt werden. Der Source ist nicht der schönste, die Schaltung sollte aus meiner Grabbelkiste realisierbar sein. Mich ärgert schon genug, das ich die Relais jetzt extra bestellen mußte... Übrigends: bei meinem Dauerprojekt Uhr mit DCF77, KS107 und Temperatursensor bin ich schon seid Wochen dran, das wird immer wieder mal zur Seite gelegt, wenn ich feststecke... @Knut Gut, also doch eine kleine Transistorstufe. Da die Relais nur 1-2 mal im Jahr zum Einsatz kommen werden dürften die Kontakte nicht so schnell abbrennen. lg Kay
Ich würd das mit den Relais nochmal überdenken. Bei reichelt gibts fette transistoren bdx33c hab ich grad im Kopf der kann glaub 10A oder warens 2? egal gibts in allen erdenklichen Variationen. Dann würde ich einmal den einen Pol aller Glühlampen zusammenfassen und auf einen Transistor legen (Achtung muss dementsprechend alle Lampen schalten können!) damit kannst du dann das vorglühen regulieren. Und dann nochmal so große Transistoren zum schalten vom anderen Pol der Glühbirne. Ich arbeit gern spontan einfach mit 1k Wiederständen an der Basis, jedenfalls aufem Testbrett, wenn ich ne Platine mach rechne ich mir das schon aus. Da du anscheinend nicht weißt wie man das rechnet erklär ichs mal. Jeder Transistor hat nen Stromverstärkungsfaktor, wir gehen mal von 100 aus. Der Beispieltransistor kann 10A schalten und betrieben werden soll er mit 5V vor dem Basiswiderstand. Wenn du also 10A schalten möchtest muss über die Basis 1/100 des Schaltstroms fließen, also 0,1A, das wären wenn wie in: R=U/I einsetzen: R=5V/0,1A=50 Ohm Hoffe man verstehts. Gruß
Knut Ballhause schrieb: > Das ist ein Designproblem. Niemand, der etwas von Technik versteht, > versucht, mit derart dicken Glühwendeln eine schnelle Anzeige > hinzubekommen. Giant Vu Meter / Control Box Build http://www.inventgeek.com/2009-Projects/Giant-Vu-Meter-HV-Controller/OverView.aspx (mit Solid State Relais) Blinkenlights http://blinkenlights.net/blinkenlights (mechanical relais, später elektronische Relais)
Kay V. schrieb: > Ich verstehe deine Einstellung und teile diese sogar - bei Projekten, > die mir wichtig sind. Das freut mich. :) Wenn man die bei einer Problemlösung aufgeworfenen Fragen im Hinterkopf behält, ist gegen ein quick n' dirty Provisorium ja auch nichts einzuwenden, aber das mit den Relais hat sich ja erst mal sowieso erledigt. Das mit dem Vorglühen müsste man sich schenken können, wenn man die Zeit, die die Lampe braucht, um hell zu werden in das Timing mit einbezieht. Ich hatte mir eigentlich überlegt, dass man mit Soft-PWM die Lampen einzeln PWM-mäßig ansteuern könnte, um in der Abkühlphase nach dem Leuchten durch das Deaktivieren des Vorglühens die Verdunklung zu beschleunigen, bin aber zu dem Schluss gekommen, dass die Temperatur, die beim Vorglühen gehalten wird, ja auch beim Einschalten von 0 auf Vcc nach einer gewissen (kurzen) Zeit erreicht bzw. passiert wird, und dass es eigentlich reichen sollte, dieses Zeitfenster im Timing zu berücksichtigen. - Ebenso beim Ausschalten: Das muss einfach um die Zeitspanne vor der gewünschten Verdunklung geschehen, die der Glühfaden braucht, um auf eine Temperatur abzukühlen, bei der er nicht mehr leuchtet. Das ganze Vorglühen müsste man sich also schenken können. Selbst wenn das Vorglühen die Lampe schneller zum leuchten bringt, weil evtl. der Sockel, der die Wärme des Glühfadens ableitet, im warmen Zustand weniger Wärme ableitet, wobei ich mir nicht vorstellen kann, dass das einen relevanten Effekt hätte, so würde die gleiche Wärme eine schnelle Verdunklung beim Abschalten verhindern. Vielleicht ist das Problem also rein Softwaremäßig zu lösen. P.S. Ich finde übrigens, die Idee, klingt ziemlich witzig. Was wird das denn jetzt genau?
Mann mann, Relais für Lampensteuerung... Die Lampen lassen sich locker mit dem IRF7413 ansteuern, das ist ein SO-8 Logic-Level MOSFET. Der kann mit einem langsamen (100Hz, wegen Schaltverlusten, aber vollkommen ausreichend) PWM auch das Vorglühen erledigen. Habe ich im KFZ schon erfolgreich bei einer Showanwendung mit 20W-Lampen verbaut. Allerdings ging es bei dieser Anwendung nicht um Geschwindigkeit, sondern um simples Blinken.
David .. schrieb: > Da du anscheinend nicht weißt wie man das rechnet erklär ichs mal. > Jeder Transistor hat nen Stromverstärkungsfaktor, wir gehen mal von 100 > aus. > Der Beispieltransistor kann 10A schalten und betrieben werden soll er > mit 5V vor dem Basiswiderstand. > > Wenn du also 10A schalten möchtest muss über die Basis 1/100 des > Schaltstroms fließen, also 0,1A, das wären wenn wie in: > R=U/I einsetzen: R=5V/0,1A=50 Ohm Das ist in der Tat ein ganz anderer Wert als den ich errechnet habe, basierend auf http://www.mikrocontroller.net/articles/Basiswiderstand komme ich auf rund 1300 Ohm, weswegen ich auf 1K heruntergegangen bin. Werde ich mit den 50 Ohm nochmal versuchen. @Philipp Da ich häufig auf Autotreffen fahre bei denen es die Tradition gibt, sich mit den Warnblickern bei dem Veranstalter zu bedanken wollte ich mit meinem Wohnwagen nicht hinten anstehen. Aber einfach Blinken kann jeder. :-) Das Projekt soll über den WohnwagenAnschlußstecker laufen (deswegen auch keine Änderung an den verwendeten Leuchten) und die "Light-Show" auf den Rückleuchten des Wohnwagens abspielen. Wenn sich das so umsetzen läßt ist eine denkbare Steigerung, entweder mehrere Schaltungen zu synchronisieren und damit mehrere Wohnwagen zeitgleich steuern zu können oder (Wahnsinn läßt grüßen) das ganze soweit aufzublasen, das man die "Show" auf mehrere Wohnwagen ausbaut und quasi jeden Wohnwagen als weitere Beleuchtungseinheit ansieht (also aus meinen 5 Kanälen je Wohnwagen 5 Kanäle macht). Wie gesagt - Bierlaune - ;-) Aber ersteinmal muß mein "Master" laufen. Schon einmal Danke an alle für die Hilfe, ich komme erst heute abend zum testen.
Das klingt geil, und vor allen Dingen ausbaufähig. :D Lass Dich von Davids Beispiel nicht verwirren. Es ist nur ein Beispiel, mit einem Verstärkungsfaktor von 100, wie er bei einfachen Transistoren zu finden ist. Du benutzt etwas ganz anderes, nämlich Darlington-Transistoren.
Das Vorglühen mit einem Basiswiderstand und Gleichstrom zu realisieren, ist nicht nur stark Bauelemente- und temperaturabhängig, sondern auch unklug, wenn nicht fahrlässig. Der Transistor muss die gesamten Linearverluste wegstecken. Was für eine Verschwendung. Dafür gibt es PWM. Dort wird nur der Strom durch die Lampen geschickt, den diese auch brauchen. Somit bleibt die Elektronik kalt und die Batterie Deines WoMos voll.
Kay V. schrieb: > Werde ich mit den 50 Ohm nochmal versuchen. Du glaubst doch jetzt nicht im Ernst das die 100mA aus einem Prozessorpin kommen oder ? Da baut man einen Logig Level Mosfet ein.
Helmut Lenzen schrieb: > Du glaubst doch jetzt nicht im Ernst das die 100mA aus einem > Prozessorpin kommen oder ? Nein, ich dachte eher an eine Vorstufe, mit der ich dann die eigendlichen Transistroren ansteuere. lg Kay
Ich wiederhole nochmal, dass ich Vorglühen für sinnlos halte. (Argumentation siehe oben.) Möglicherweise bekommt man eine steilere Helligkeitsflanke beim Einschalten hin, wenn man mal einen Blick auf schnelle LCD-Displays wirft, bei denen ein geringer Helligkeitswechsel nur langsam stattfände, wenn nicht eine Schaltung einen kleinen Impuls abgeben würde, der die Ladungsänderung schneller vornimmt. Ähnlich könntest Du die Glühbirnen beim Einschalten mit einem Impuls höherer Spannung, die Du mit einer Ladungspumpe generierst, versorgen, so dass die Glühfäden schnell auf Leuchttemperatur gebracht werden. (Für die Experimente zur Ermittlung der optimalen Energiemenge wirst Du Dir wohl einen 10er-Pack Birnen besorgen müssen.)
Aus gehen sie trotzdem langsam. Es sei denn, der OP intalliert noch ein paar Magnetventile und schließt flüssigen Stickstoff an.
Knut Ballhause schrieb: > Aus gehen sie trotzdem langsam. Das stimmt wohl. Dann muss man sie entsprechend früher ausschalten. (S.o.) Ich kann mir vorstellen, dass man mit Finetuning beim Timing kombiniert mit Einschaltimpulsen eine gute Lichtshow hin bekommt. So sehr langsam gehen die Teile nicht aus.
Philipp Klostermann schrieb: > Das stimmt wohl. Dann muss man sie entsprechend früher ausschalten. > (S.o.) Erst einmal müssen sie an sein, damit man sie ausschalten kann. Guck Dir mal die Szene mit dem Informations-Helikopter bei "Independence-Day" an, dann weisst Du, was ich meine.
Philipp Klostermann schrieb: > Ähnlich könntest Du die Glühbirnen beim Einschalten mit einem Impuls > höherer Spannung, die Du mit einer Ladungspumpe generierst, versorgen, > so dass die Glühfäden schnell auf Leuchttemperatur gebracht werden. Damit bekommt man kalte Glühfäden besonders schnell kaputt.
Hallo Zusammen, ich wollte kurz mitteilen, wie ich das Projekt abgeschlossen habe. Trotz der Vielen guten Ratschläge habe ich es mit Transistoren (welche Art auch immer) nicht hinbekommen, sodaß ich doch bei meinen Relais geblieben bin. Funktioniert gut, wer sich das Ergebnis einmal in Funktion ansehen will: http://www.youtube.com/watch?v=yD6DdRRUwQA LG Kay
Bitte melde dich an um einen Beitrag zu schreiben. Anmeldung ist kostenlos und dauert nur eine Minute.
Bestehender Account
Schon ein Account bei Google/GoogleMail? Keine Anmeldung erforderlich!
Mit Google-Account einloggen
Mit Google-Account einloggen
Noch kein Account? Hier anmelden.

