Ich habe einen Dimmer mit einem 16F628A gebaut. Anbei ein Video. http://www.megavideo.com/?d=YVGNXLR7 Laut Quellcode sollte nämlich die Helligkeit linear ansteigen. Was passiert, kann man auf dem Video sehen. Ich glaube nicht, daß es am Quellcode liegt, da ansonsten alles linear weitergeht. Wenn er dennoch nötig ist - und nur dann - kann ich ihn auch hier veröffentlichen. Vieleicht haben schon einige Ideen, wo der Fehler zu suchen ist. Merke: Der PIC macht immer das Gleiche, es gibt keine längere High-Zeit, sondern er erhöht den Wert inkrementell.
WICHTIG: Problem sind NUR die Stellen, an denen das Licht flackert. Nicht der generelle Verlauf.
> Vieleicht haben schon einige Ideen, wo der Fehler zu suchen ist. In der Physik und in deinem Hirn. Sowohl Gluehbirnen wie auch LEDs nicht stark nichtlinear. Und deine Augen haben ebenfalls eine eingebaute Blende die von deinem Hirn nachgeregelt wird. Olaf
Vielleicht erhöht er ja die Helligkeit linear.... Dein Auge arbeitet aber logarithmisch.
WICHTIG: Problem sind NUR die Stellen, an denen das Licht flackert. Nicht der generelle Verlauf.
Die Empfindlichkeitskurve des Auges ist logarithmisch. Deswegen scheit eine linear gesteuerte Lichtquelle einen nichtlinearen Helligkeitsverlauf zu haben.
Lothar Miller schrieb: > Schaltplan? > Und Aufbau? Was kannst du bereits jetzt erkennen? Ist das Flackern ein Problem aneinanderliegender 230V und 5V-Kabel? Ist es ein Softwareproblem? Ist es ein Lampenproblem?
> Die Empfindlichkeitskurve des Auges ist logarithmisch.
Allerdings ist ein Video wiederum linear.
Was man mit Gamma-Kurven auszugleichen versucht.
Und die wiederum sind nicht standardisiert,
schon gar nicht bei Verwendung solch abstruser
Videoplattformen, also ist das Ergebnis auf
dem Bildschirm der Benutzer (ich sah übrigens
nichts, hier geht diese Videoplattform nicht)
eher zufällig.
WICHTIG: Ich habe das Problem besser unter Beitrag "Baustrahler flackert" formuliert. Bitte hier antworten.
8undzwanzigs schrieb: > Was kannst du bereits jetzt erkennen? Ich kann nichts erkennen, aber ohne Schaltplan kann man nur raten. Ich sehe es so: Du brauchst Hilfe. Dann solltest du anderen wenigstens helfen, dir zu helfen... (Dazu gehört z.B. auch die Info, an welcher stelle des 5 min. Videos irgendwas interessantes passiert...) Nur mit einem Lampenvideo allein sehe ich nicht, wie ich dir weiterhelfen sollte.
Lothar Miller schrieb: > an welcher stelle des 5 min. Videos > > irgendwas interessantes passiert...) Du bist also ebenfalls auf diese "mouse trap" reingefallen?
Andrew Taylor schrieb: > Du bist also ebenfalls auf diese "mouse trap" reingefallen? Nicht ganz, ich habs minutenweise vorgespult... ;-)
Ja, das flackert. Womit wir wieder beim Anfang wären: Lothar Miller schrieb: >> Ich habe einen Dimmer mit einem 16F628A gebaut. > Schaltplan? > Und Aufbau?
Ich kann zwar das Video nicht sehen, aber zuerst hiess es 'nicht linear', nun heisst es 'flackert', das klingt nach Synchronisationsproblemen (keine Synchronisation) mit der Netzfrequenz.
MaWin schrieb: > Ich kann zwar das Video nicht sehen, > aber zuerst hiess es 'nicht linear', > nun heisst es 'flackert', > das klingt nach Synchronisationsproblemen > (keine Synchronisation) mit der Netzfrequenz. Genau dafür habe ich ja einen neuen Thread unter Beitrag "Baustrahler flackert" aufgemacht, den dieser Depp von Rufus t. Firefly (rufus) geschlossen hat.
Auch aus dem Thread kann ich das Video nicht sehen. MegaVideo ist nicht sehr 'kompatibel'.
Code:
Während folgender Code ausgeführt wird
While Aktuell = 0
Pauseus Zeit - Ausgleich
If Welle = Ein Then
Triac = Ein
While Welle = Ein
WEnd
Pauseus Ausgleich
EndIf
Triac = Aus
If Welle = Aus Then
While Welle = Aus
Wend
Endif
Wend
wird gleichzeitig von Zeit regelmäßig ein bestimmter Betrag abgezogen
und irgendwann Aktuell = 1 gesetzt.
Nulldurchgang = High-zu-Low-Level-Änderung + 286µs und umgekehrt.
Nulldurchgang = High-zu-Low-Level-Änderung + Ausgleich(in µs) und Low-zu-High-Level-Änderung - Ausgleich(in µs) Ausgleich = 286µs
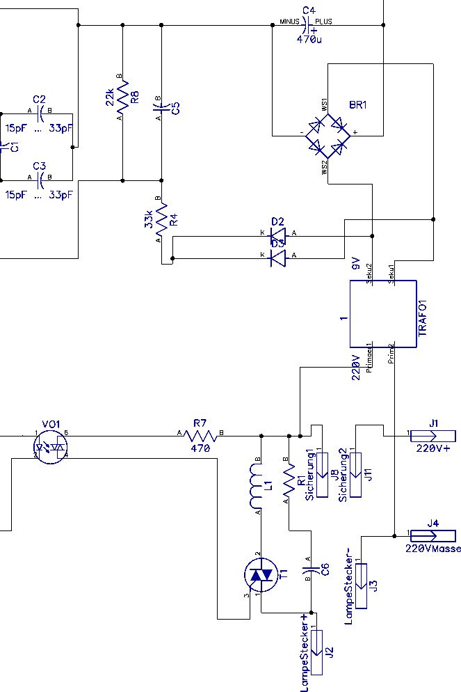
Ich hoffe mal das der Schaltungaufbau nicht so aussieht wie der Schaltplan. Auch sehe ich keine Enstoerbauteile fuer den Triac. Jeder Peak bringt deine Nulldurchgangserkennung ausser Tritt.
Würdet ihr bitte aufhören, diesem unverschämten Typen zu antworten! Offenbar kann oder will er nicht sein Problem beschreiben, und Rufus einen Depp zu nennen machts nicht besser.
8undzwanzigs schrieb: > Genau dafür habe ich ja einen neuen Thread unter > Beitrag "Baustrahler flackert" aufgemacht, den dieser Depp > von Rufus t. Firefly (rufus) geschlossen hat. Ja klar, weil man nicht zwei Threads für ein und dasselbe Thema aufmacht. Bevor du hier mit Schulhofausdrücken um dich wirfst, solltest du erstmal darüber nachdenken, wer denn hier Hilfe haben möchte und wie du mit denjenigen umspringst, von denen du die Hilfe erwartest.
Helmut Lenzen schrieb: > Ich hoffe mal das der Schaltungaufbau nicht so aussieht wie der > Schaltplan. > Auch sehe ich keine Enstoerbauteile fuer den Triac. > Jeder Peak bringt deine Nulldurchgangserkennung ausser Tritt. Was sollte ich also wo zufügen?
> Was sollte ich also wo zufügen? Du hast Glück, dass du nicht der Erste bist, der sowas macht: sieh dir einfach mal an, wie andere das um den Triac herum so machen mit Spulen und Snubbern und Entstörmaßnahmen... (Das waren jetzt drei Stichworte für Google). Das da was faul ist, war von Anfang mein Verdacht. Du hättest leichter gleich den Plan gepostet... 8undzwanzigs schrieb: > Genau dafür habe ich ja einen neuen Thread unter Beitrag > "Baustrahler flackert" aufgemacht Das hättest du auch hier posten können... 8undzwanzigs schrieb: > den dieser Depp von Rufus t. Firefly (rufus) geschlossen hat. Naja, niveaulos, das... Schlecht aufgestanden, heute? Mag sein, dass ich mich wiederhole: >>> Ich sehe es so: Du brauchst Hilfe. >>> Dann solltest du anderen wenigstens helfen, dir zu helfen...
8undzwanzigs schrieb: > Was sollte ich also wo zufügen? In reihe zum Triac eine Entstoerdrossel parallel dazu einen Snubber. An deiner Nulldurchsgangserkennung (R4 , R8) ein kleines C um Stoerspitzen abzufangen.
Helmut Lenzen schrieb: > In reihe zum Triac eine Entstoerdrossel parallel dazu einen Snubber. > An deiner Nulldurchsgangserkennung (R4 , R8) ein kleines C um > Stoerspitzen abzufangen. Welche Werte sollten L1, C6, R1 und C5 haben?
Als Bezugswerte mal sowas: http://www.elektronik-kompendium.de/public/schaerer/phasecnt.htm Siehe "Praktisch umsetzbare hysteresefreie Schaltung"
8undzwanzigs schrieb im Beitrag #1942091: > Welche Werte sollten L1, C6, R1 und C5 haben? Das ist wie ein Suchbild: Schau mal nach, ob du so ähnliche Bauteile in dieser Schaltung findest... http://www.elektronik-kompendium.de/public/schaerer/bilder/phase_02.gif Und dann übersetze es auf deine Bauteile: L1 = L R1 = R5 C6 = C3 C5 = 10nF
Hallo Lothar, du bist echt zu nett. Der Typ hat sich noch nicht mal entschuldigt, keinerlei Danke für die vorherigen Hinweise und fordert dann auch noch ziemlich unfreundlich daß andere ihm die notwendigen Werte nachsehen/ausrechnen.
U.R.Schmitt schrieb: > Der Typ hat sich noch nicht mal entschuldigt, keinerlei Danke für die > vorherigen Hinweise und fordert dann auch noch ziemlich unfreundlich Ja, manche Leute sind eben so. Leider... Aber das wars jetzt von mir. Habe die Ehre... ;-)
Lothar Miller schrieb: > L1 = L > R1 = R5 > C6 = C3 > C5 = 10nF Das hilft mir weiter. U.R.Schmitt schrieb: > Der Typ Nicht in diesem Ton!
Was ist eigentlich unter > über den TRIAC im Satz > Ein zusätzlicher Varistor 410V..460V z. B. S10K460 über den TRIAC schafft die nötige Sicherheit gegen Überspannungspeaks. von http://www.mikrocontroller.net/articles/Snubber#Dimensionierung zu verstehen?
Anstatt dich bei U.R.Schmitt einzuschmeicheln solltest du die Frage beantworten. Dann wäre mehr Leuten geholfen.
Lies mal alles komplett durch und überlege dann, ob meine Reaktion auch in deinen Augen gerechtfertigt ist.
42 Die Antwort auf alle deine Fragen. Oder zumindest die Antwort, die du deinem Benehmen nach verdient hast.
Da ist ein genereller Fehler drin: Einen Dimmer kann man nicht einfach mit pseudo PWM betreiben. Um Wechselstrom korrekt zu dimmen braucht man. Phasenanschnitt- bzw. Phasenabschnittssteuerung Hilfe zur Auswahl gibt Wikipedia. Da sind auch Animationen zu finden wie entsprechend der Spannungsverlauf ist. Am PIC fehlen alle Entstörkondesatoren und Quarz schreibt man ohne 'tz'
http://www.spiegel.de/wissenschaft/mensch/0,1518,729437,00.html Kleinkinder strafen Fieslinge ab
1 | "Bist du gemein, helfe ich dir nicht": Kleinkinder haben sehr genaue |
2 | Moralvorstellungen |
3 | |
4 | Von wegen naiv: Wer anderen schadet, braucht von Dreijährigen keine |
5 | Hilfe zu erwarten. Forscher konnten zeigen, dass schon die Kleinsten |
6 | unterscheiden können, wer ihre Hilfe verdient und wer nicht. |
lässt sich hier schön beobachten
8undzwanzigs schrieb: > Anstatt dich bei U.R.Schmitt einzuschmeicheln solltest du die Frage > beantworten. Dann wäre mehr Leuten geholfen. Ich glaube das hat Jörg nicht noetig.
Sollte man diesen Thread nicht besser komplett loeschen? Gast
Lehrmann Michael schrieb: > Da ist ein genereller Fehler drin: > > Einen Dimmer kann man nicht einfach mit pseudo PWM betreiben. Um > Wechselstrom korrekt zu dimmen braucht man. > > Phasenanschnitt- bzw. Phasenabschnittssteuerung Du hast den Code nicht verstanden.
sorry Leute keine Ahnung wie meine Antwort einem anderem Beitrag zugeordnet wurde, habe ein Löschen beantragt.
Bitte melde dich an um einen Beitrag zu schreiben. Anmeldung ist kostenlos und dauert nur eine Minute.
Bestehender Account
Schon ein Account bei Google/GoogleMail? Keine Anmeldung erforderlich!
Mit Google-Account einloggen
Mit Google-Account einloggen
Noch kein Account? Hier anmelden.

