Hallo ! Kann ich obige Schaltung mit einem Digital-Potentiometer, wie hier : http://www.produktinfo.conrad.com/datenblaetter/175000-199999/179493-da-01-en-X9C103_104_503.pdf anstelle des mechanischen Potis von 100K steuern ? Das sollte doch gehen oder ? LG Frank
Ich würde da eher einen LDR mit PWM-Helligkeutsgesteuerter LED nehmen. Da es bei der Anwendung ja nicht auf schnelle Werteänderungen ankommt, die einfachere und billigere Lösung. Oder gleich die Triacansteuerung mit dem Controller machen.
Hmmm...verstehe. Ich möchte das auf der Seite des Poti's mit einem C64 steuern also digital. Deshalb die Lösung mit dem Digi-Poti. da kann ich den Userport des Cevi "anflanschen" - das Digi-Poti lässt sich theoretisch mit 3 Bit steuern. Aber die LDR Lösung ist auch cool, das könnte ich auch mit einem D/A-Wandler, der dann die LED immer "heller" steuert, regeln. Wäre aber mehr Aufwand. Aber machbar wäre meine Version mit Digi-Poti doch -oder ? LG
Steffen Warzecha schrieb: > Oder gleich die Triacansteuerung mit dem Controller machen. Was meinst Du damit ? LG Frank
Theoretisch ja, wenn du eins findest was +/-24V abkann und Masse der Schaltung mit Masse der Schaltung verbunden werden darf, dir das Poti steuern soll. Aber wenn du sowieso Digitaltechnik (einen uC ?) hast, der so ein Poti steuern könnte, wozu dann diese unsäglich uneffektive Schaltung ? Du kannst mit einenm uC direkt die PWM ausgeben und mit einem MOSFET die benötigte Leistung steuern, mit der die Wechselstromlok betzrieben wird, es muss nicht mal Wechselstrom sein, sondern es reicht gepulster Gleichstrom (es sind ja Allstrommmotoren). Vergiss die Schaltung, die nur Ärger macht und Verluste mit sich briungt.
Sehe gerade mit dem Teil, wird es neben anderen Problemen, ohnehin nicht
gehen da:
Voltage on VH and VL Referenced to VSS –8V to +8V
> Was meinst Du damit ?
Siehe MaWin
MaWin schrieb: > Theoretisch ja, wenn du eins findest was +/-24V abkann > und Masse der Schaltung mit Masse der Schaltung verbunden > werden darf, dir das Poti steuern soll. > > Aber wenn du sowieso Digitaltechnik (einen uC ?) hast, > der so ein Poti steuern könnte, > wozu dann diese unsäglich uneffektive Schaltung ? > > Du kannst mit einenm uC direkt die PWM ausgeben und mit einem > MOSFET die benötigte Leistung steuern, mit der die > Wechselstromlok betzrieben wird, es muss nicht mal > Wechselstrom sein, sondern es reicht gepulster Gleichstrom > (es sind ja Allstrommmotoren). > > Vergiss die Schaltung, die nur Ärger macht und Verluste > mit sich briungt. hmmm, ja, aber so hatte ich wenigstens eine Vorgabe. Das , was du mir sagst , sind bömische Dörfer für mich. So hatte ich den Fahrregler und brauchte nur noch die Möglichkeit, den irgendwie zu steuern... Wie müsste ich den sowas Schaltungstechnisch umsetzen ?? Aber ich möchte die Loks nicht aud Gleichstrom umbauen (falls das gemeint war)... LG Frank
Was ich möchte - da kann ich auf einen anderen Thread verweisen : Beitrag "AC-Phasenanschnitt mit DC steuern ?" Oder anders: ich möchte einen Wechselstrom von eben 16V digital,mit einem 8-Bit Port (Userport des C64) steuern, und zwar im Bereich ca. 0V - ca. 13V. Also wie kombiniere ich das ? was das "Entsetzen" angeht - verstehe ich nicht ?? Worüber entsetzt ? 1970-1980 und GRUNDIG ? was bedeutet das wiederum ? Ist aus einem Buch von "Köhler" --> irgendwas mit Modellbahn von 199x LG Frank
Frank H. schrieb: > So hatte ich den Fahrregler und brauchte nur noch die Möglichkeit, > den irgendwie zu steuern... Iczh würde auch zur LDR-Lösung tendieren: eine LED angesteuert mit einem PWM-Signal aus einem uC ist hier die simpelste Lösung. Und zudem erhältst du hier die notwendige Potentialtrennung für umsonst... BTW: Es gibt auch DA-Wandler, die mit nur 2 Leitungen angesteuert werden. Frank H. schrieb: > Aber machbar wäre meine Version mit Digi-Poti doch -oder ? Nein. Du findest keines, das diese Spannungen aushält. Ein Digipoti ist kein Bauteil, das aus einem Poti und einer davon komplett getrennten Steuerelektronik besteht! Es hat immmer einen GND-Anschluss, und auf diesen sind die Pegel für die Ansteuerung und auch (!) die Maximalwerte für das Poti (Anfang, Schleifer, Ende) bezogen.
Hallo, ja- das verstehe ich. Schade-wäre so schön gewesen. Eine Frage noch : das Poti ist ja in der Schaltung einmal an 16V und der Schleifer an 24V angeschlossen ... was bewirkt das (warum ist das so?) und wie setzte ich das mit dem LDR um ? LG Frank
Frank H. schrieb: > das Poti ist ja in der Schaltung einmal an 16V und der > > Schleifer an 24V angeschlossen Nein ist der nicht, sieh die Schaltung genau an. Potiende und Schleifer sind zusammengeschaltet -> veränderlicher Widerstand. Also einfach gegen einen LDR mit passenden Wert ersetzen.
> Wie müsste ich den sowas Schaltungstechnisch umsetzen ??
Brückengleichrichter
v
+--+---|>|-+---+---o
| | | ^ Gleis (^ ist eine schnelle Diode wie BYV27)
o | +-|>|-+ +---o
14V~ | | |
o +-(-|<|-+ I|--+ (I ist LogicLevel N-Kanal MOSFET wie IRLZ34)
| | | S| |
+----+-|<|-+---+ |
| |
Trafo Masse Signal Userport des C64
Du willst genau EIN Signal steuern, nämlich ob Strom zur Lok fliesst
oder nicht. Dazu brauchst du auch nur EINE Ausgangsleitung von Computer.
Die wird so lange eingeschaltet, wie die Lok Strom bekommen soll, und so
lange ausgeschaltet, wie sie ohne Strom bleiben soll. Das macht man
prozentual, also z.B: 20% ein und 80% aus, und wiederholt das so
schnell, daß die Lok durch ihre Massetrögheit nichts davon merkt, bei
deinem Dimmer waren das 100 Hz, also 100 mal pro Sekunde. Das kann dein
Computer auch. Du brauchst keine Dimmerschaltung und keinen TRIAC mit
seinen Verlusten.
Gegen Kurzschluss der Bahn sollte man noch was tun, damit der MOSFET
nicht kaputt geht wenn die Lok mal entgleist, denn der Trafo wird nicht
schnell genug abgesichert sein. Eventuell nimmt man einen BTS133 als
MOSFET.
Mit einem C64 steuern? Reden wir jetzt von nem Commodore?? Gruß, Sven
Hmmm, das klingt super gut. Im Prinzip brauche ich die Schaltung als "Anfahr- und Bremsverzögerung" nur auf kleinen Teilstrecken vor Signalen und im Bahnhof. Das ganze muss halt Wechselstrom bleiben , weil mein Vater (70) sonst die Welt nicht mehr versteht...Das mit den 100Hz sollte klappen. Ich werde das mal angehen. Habe noch 3 so ältere Elektronik Kästen von Philips, die eignen sich prima zum Versuchsaufbau...und mit dem Cevi kann ich ja Programm-technisch einiges machen um das "Pulse" schon auszutesten. Vielen Dank !! & LG - Frank
Sven W. schrieb: > Mit einem C64 steuern? Reden wir jetzt von nem Commodore?? > > Gruß, Sven Ja richtig ! Oldschool. Die Kiste lüppt und lüppt und...
Steffen Warzecha schrieb: > Frank H. schrieb: >> das Poti ist ja in der Schaltung einmal an 16V und der >> >> Schleifer an 24V angeschlossen > > Nein ist der nicht, sieh die Schaltung genau an. > Potiende und Schleifer sind zusammengeschaltet -> veränderlicher > Widerstand. Also einfach gegen einen LDR mit passenden Wert ersetzen. Autsch !! Ja das hab ich falsch gesehen... Das ist auf dem Bild aber wirklich blöd gemacht. Die 24V (Bezeichnung) sollte etwas höher... ;-) Jetzt passt's auch im Kopf wieder. Konnte mir da keinen Reim drauf machen. THX !
MaWin schrieb: > Brückengleichrichter > v > > +--+---|>|-+---+---o > | | | ^ Gleis (^ ist eine schnelle Diode wie BYV27) > o | +-|>|-+ +---o > 14V~ | | | > o +-(-|<|-+ I|--+ (I ist LogicLevel N-Kanal MOSFET wie IRLZ34) > | | | S| | > +----+-|<|-+---+ | > | | > Trafo Masse Signal Userport des C64 Super vielen Dank !! Was bedeutet die Klammer am Brückengleichrichter ? Oder nur "Vertipper"...? Kannst Du mir per PN ,oder so, noch ein Exemplar mit durchgezogenen Linien zukommen lassen ? - ich komm' mit dem Schema nicht gut zurecht... ich erkenne da immer Verbindungen wo keine sind und umgekehrt... :-( Wäre toll.
> Was bedeutet die Klammer am Brückengleichrichter ? Dort ist KEINE Verbindung. > ich erkenne da immer Verbindungen wo keine sind Eben drum. Lern ASCII-Schaltungen zu lesen.
> Brückengleichrichter > v > > +--+---|>|-+---+---o > | | | ^ Gleis (^ ist eine schnelle Diode wie BYV27) > o | +-|>|-+ +---o > 14V~ | | | > o +-(-|<|-+ I|--+ (I ist LogicLevel N-Kanal MOSFET wie IRLZ34) > | | | S| | > +----+-|<|-+---+ | > | | > Trafo Masse Signal Userport des C64 Wenn "(" keine Verbindung ist, dann verstehe ich nicht, warum da die Striche hinführen - bitte erklär mir das so, dass ich es verstehe... Ich komme damit nicht klar ! Und : Ist "I" im Plan das "Gate" (da geht der C64 dran ?) und der untere Gleisanschluss ist "D" vom MOS-FET ? LG Frank
Es ist die senkrechte Leitung nicht mit der horizontalen verbunden, sondern sie hüpft drüber. Beim + gibt es jeweils Verbindungen.
Ja - ich hab das gerade so fast selber doch noch verstanden. Problem : ich hatte noch nie mit den ASCII-Plänen zu tun UND es ist schon 1.30h nachts - und ich war 11h arbeiten (gestern auch) -Ich bin platt und kann kaum noch denken... Muss aber leider alles nachts machen. Tags keine Zeit. Danke nochmals !!!!
Ist das die richtige Diode ? http://www.reichelt.de/?;ACTION=3;LA=444;GROUP=A413;GROUPID=2989;ARTICLE=6376;START=0;SORT=preis;OFFSET=500;SID=29hFQXfqwQAR0AAFK5XxE24d74dd28bf73f0f33cb0c414fa3cad4 BTS 133 gibt es scheinbar nimmer, BTS141 auch ok ? LG Frank
> +--+---|>|-+---+---o > | | | ^ Gleis (^ ist eine schnelle Diode wie BYV27) > o | +-|>|-+ +---o > 14V~ | | | > o +-(-|<|-+ I|--+ (I ist LogicLevel N-Kanal MOSFET wie IRLZ34) > | | | S| | > +----+-|<|-+---+ | > | | > Trafo Masse Signal Userport des C64 MaWin schrieb: > Lern ASCII-Schaltungen zu lesen. Ich mach das immer so, wie in "normalen Plänen auch: Punkte, wo Verbindungen sind und einfache Kreuzungen ohne Punkte
1 | .----o--->|-o---o---o |
2 | | | | - |
3 | | | | ^ Gleis (schnelle Diode wie BYV27) |
4 | o | .->|-' o---o |
5 | 14V~ | | | |
6 | o '-+-|<-. I|--. (LogicLevel N-Kanal MOSFET wie IRLZ34) |
7 | | | | S| | |
8 | '------o-|<-o---o | |
9 | | | |
10 | Trafo Masse Signal Userport des C64 |
Allerdings würde ich hier mal die Frage aufwerfen, ob eine Wechselstromlok mit dem in dieser Schaltung erzeugten Gleichstrom noch zurechtkommt... :-o Warum nicht so:
1 | Gleis |
2 | .-o o---o--->|-o---o----. |
3 | | | | | ,- |
4 | o | .->|-' | ^ Z-Diode 30V |
5 | 14V~ | | | | |
6 | o '-+-|<-. I|--o LogicLevel N-Kanal MOSFET wie IRLZ34 |
7 | | | | S| | |
8 | '----------o-|<-o---o R ca. 2k2 |
9 | | | |
10 | Trafo Masse Signal Userport des C64 |
Und dann natürlich den Mosfet passend zu den Nulldurchgängen ansteuern...
> Ist das die richtige Diode ? Ja. > BTS 133 gibt es scheinbar nimmer, BTS141 auch ok ? BTS133 wird durchaus aktuell hergestellt, aber wenn Reichelt nur BTS141 hat geht der auch (ist leistungsstärker, also kein Nachteil). > Warum nicht so: Gute Idee ! > Und dann natürlich den Mosfet passend zu den Nulldurchgängen > ansteuern... Wenn man weit genug weg von 100Hz ist, so daß die Schwebung nicht im Sub-Hertz-Bereich liegt, kann man auch asynchron takten.
>> Und dann natürlich den Mosfet passend zu den Nulldurchgängen >> ansteuern... > > Wenn man weit genug weg von 100Hz ist, so daß die Schwebung nicht > im Sub-Hertz-Bereich liegt, kann man auch asynchron takten. oje - jetzt verstehe ich gar nichts mehr ...! ;-(
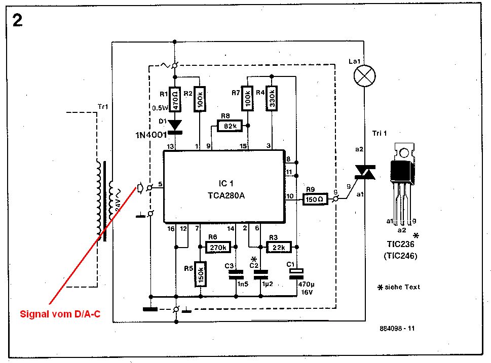
Ich habe da nochmal was als Schaltplan, aaaaber der TCA280A ist so alt uns teuer... wie kann man das denn (möglichst genau so) mit heutigen Bauteilen aufbauen ?? Und : was ist die gestrichelte Linie im Plan ? LG Frank
Lothar Miller schrieb: > Und dann natürlich den Mosfet passend zu den Nulldurchgängen > ansteuern... Wie mache ich das ? Und warum ist das nötig ? Bitte um Hilfe
Bitte melde dich an um einen Beitrag zu schreiben. Anmeldung ist kostenlos und dauert nur eine Minute.
Bestehender Account
Schon ein Account bei Google/GoogleMail? Keine Anmeldung erforderlich!
Mit Google-Account einloggen
Mit Google-Account einloggen
Noch kein Account? Hier anmelden.

