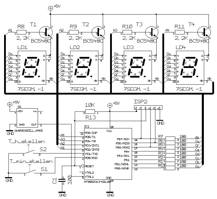
Hallo zusammen Ich habe mir heute 100mm 7-Segment LED-Anzeige gekauft. Diese haben pro Led einen Nenn-Durchlassstrom von 20 mA. Die Schaltung im Anhang ist für Segmentanzeigen gebaut die nur 10ma brauchen. Ich glaube auch nicht das der Attiny das aushält wen mehrere Segmente leuchten. Meine Frage an euch ist ob mir jemand helfen kann etwas einzubauen damit das kein problem wird zb. ein Transistor oder sont etwas
>Ich habe mir heute 100mm 7-Segment LED-Anzeige gekauft. Diese haben pro >Led einen Nenn-Durchlassstrom von 20 mA. Und vermutlich eine Nennspannung von mehr als 5V;)
Mente Fabian schrieb: > Meine Frage an euch ist ob mir jemand helfen kann etwas einzubauen damit > das kein problem wird zb. ein Transistor oder sont etwas Schau mal nach CMOS Buffern. Die könnten vielleicht ohne großen Aufwand genau das machen, was Du willst. Du würdest den dann an den Port anschließen, quasi als Verstärker.
> Ich habe mir heute 100mm 7-Segment LED-Anzeige gekauft. > Diese haben pro Led einen Nenn-Durchlassstrom von 20 mA. Und sicherlich einen Nennspannungsbedarf von mehr als 5V, z.B. 10V wie diese Anzeige http://www.produktinfo.conrad.com/datenblaetter/150000-174999/160164-da-01-en-7_Segmentanzeige_100mm_SC40_19EWA.pdf aber du verschweigst uns lieber welche du verwendest und was sie braucht und ob es sich um ein MOdell mit gemeinsamer Anoder oder Kathode handelt. tTrotzdem erwartest du besondern gute Tipps. > Die Schaltung im Anhang ist für Segmentanzeigen gebaut > die nur 10ma brauchen. Nein. Die Schaltung bringt keine 10mA, sondern nur 5mA. Sie alst also gnadenlos unterdimensioniert und kann auch die notwendige Spanunng nicht. > Meine Frage an euch ist ob mir jemand helfen kann etwas einzubauen > damit das kein problem wird zb. ein Transistor oder sont etwas Für eine 20mA Anzeige mit 4-fach Multiplex brauchst du einen Segmentstrom von 80mA und einen Digitstrom von 560mA. Keine davon kann ein AVR direkt schalten. Du btauchst also Verstärker. Handelsüblich sind ULN2003 und UDN2982, der schaltet auch gleich die höhere Spannung. Natürlich kannst du die Schaltungen auch aus einzelnen Transistoren aufbauen, Schaltung steht im Datenblatt. Eventuell musst du das Programm des uC ändern, so daß die Ausgänge anders gepolt geliefert werden, also ausgeschaltet statt eingeschaltet und umgekehrt.
https://www.distrelec.ch:443/7-segment-led-anzeige-grün-100-mm/kingbright/sa40-19gwa/661234 Das ist das einzige was ich von dem hab
https://www.distrelec.ch/ishop/Datasheets/euSA40-19GWA.pdf Da steht das ein Segment min 8.8V benötigt. Vier LEDs in Reihe. Ausnahme der Dezimalpunkt. Der braucht nur 4.4V. Zwei LEDs in Reihe.
Falk Brunner schrieb: > Wär ja auch völlig unsinnig, den Artikel LED-Martix zu lesen. Ähm...: Zitat aus dem Artikel >LED-Martix >Diese Seite enthält momentan noch keinen Text. Du kannst diesen Titel auf den >anderen Seiten suchen, in den zugehörigen Logbüchern suchen oder diese Seite >bearbeiten. Mfg
Also Wir haben ein dateblatt und eine schaltung. Wie geht es nun weiter? Was muss ich wie abändern?
Wenn man keine so hohen Anforderungen an die Helligkeit hat, kann es noch mit dem Strom reichen. Das Mindeste was man ändern muss, ist mehr Spannung an der Anoden Seite und entsprechend passende Treiber dazu. Wenn man die Spannung gut abpasst (und ein paar dioden beim DP dazu) kann das auf der µC Seite trotz des höheren Spannung noch gehen, ist aber etwas riskant für den µC - die Umschaltung erfolgt dann an den Segmenten zwischen etwa 10 V und 5 V. Besser also auch noch da ein Treiber IC, das auch 12 V oder so verträgt.
Würde es auch gehen wenn ich statt eine direkte verbindumg ein relai schalten Oder ein schieberegister (weiss nicht ob das so heist)
@ Mente Fabian (attiny_fan) >Würde es auch gehen wenn ich statt eine direkte verbindumg ein relai >schalten Damit schaltet man keine LED-Anzeigen. >Oder ein schieberegister (weiss nicht ob das so heist) Naja, wenn du auf dem Wissensstand bist, musst du noch VIIIIELL lernen, ehe du selber so eine Anzeige bauen kannst. MFG Falk
Ich weiss eben noch nicht alles was weleche bauteile können. Aber ich bin auf dem Wissenstand dise schaltung zu bauen und zu verstehen.
Mente Fabian schrieb: > Hallo zusammen > > Ich habe mir heute 100mm 7-Segment LED-Anzeige gekauft. Diese haben pro > Led einen Nenn-Durchlassstrom von 20 mA. > > Die Schaltung im Anhang ist für Segmentanzeigen gebaut die nur 10ma > brauchen. Ich empfehle TPIC6B595 Schieberegister mit Leistungstreibern. So habe ich das gemacht. Diese Displays haben nämlich mehrere LEDs hintereinander pro Segment, und damit brauchst Du schon im statischen Betrieb mit 20 mA etwa 9V. Die TPICs benutzt Du wie 74HC595 Schieberegister. Die Anode der Displays kommt an 12V, Vorwiderstände nicht vergessen (der Punkt braucht einen höheren, weil da weniger LED-Chips drin sind), und dann geht das. Wenn Du den TPIC6B595 nicht bekommst: die Kombination aus 74HC595 und ULN2803 macht das gleiche, halt nur in zwei Chips pro Stelle anstelle einem. An Deinem Attiny brauchst Du dann nur noch 3 Pins (Sout, SCK, RCK), mit den Enable des TPICS könntest Du die Anzeige dimmen. fchk
Ulrich schrieb: > Wenn man keine so hohen Anforderungen an die Helligkeit hat, kann es > noch mit dem Strom reichen. Naja, da im Datenblatt nicht von Tausendstel Kerzen, sondern von Millionstel Kerzen gesprochen wird, wird die Anzeige selbst bei Nennstrom recht dunkel sein. Gruss Harald
Mente Fabian schrieb: > Würde es auch gehen wenn ich statt eine direkte verbindumg ein relai > schalten Mente Fabian schrieb: > Ich weiss eben noch nicht alles was weleche bauteile können. Aber ich > bin auf dem Wissenstand dise schaltung zu bauen und zu verstehen. Ähm ja... Das widerspricht sich meiner meinung nach ein bisschen... Meiner Meinung nach, MUSS man wissen, was die im Schaltplan benutzten Bauteile können. Weil wenn ich das Bauteil XY nicht kenne bzw. seine Funktion mir unbekannt ist, dann kann ich die Schaltung nicht verstehen oder Umändern/Verbessern. Wie gesagt, das ist meine Meinung. Mfg
@Harald Wilhelms (Gast) >Naja, da im Datenblatt nicht von Tausendstel Kerzen, sondern >von Millionstel Kerzen gesprochen wird, wird die Anzeige selbst >bei Nennstrom recht dunkel sein. Wenn das mal kein Irrtum ist. Ich hab hier die Dinger in Rot, betrieben mit ~ 20mA effektip pro Segment! Ergebnis. Wenn die Anzeige auf 88:88 steht, kommt man sich vor wie vor einem FLAK-Scheinwerfer! Und die roten haben "nur" 44mCd, die grünen aus dem Link vo Distrelec haben 66mCd. Ergo. Passt schon! MFG Falk
Es hängt sehr Stark von der Umgebungshelligkeit ab, wie viel Helligkeit man benötigt. Bei Tageslicht draußen kann man gut und gerne 50 mal mehr Helligkeit gebrauchen als drinnen im eher düsteren Zimmer. Draußen sind dann selbst 20 mA eher zu wenig und in eher dunkler Umgebung reicht auch weniger als 1 mA. Für das Auge ist der Unterschied zwischen 20 mA und 10 mA Strom durch die LED nicht so groß das Täuscht etwas. Eine Farbfilterfolie vor der Anzeige kann auch noch einen Unterschied machen - mit Filter wird der Kontrast höher und man kommt ggf. mit weniger (z.B. die Hälfte bei roten Anzeigen) Helligkeit aus. Eventuell sollte man es erstmal mit einer kleineren Anzeige Probieren, die kann man dann so ähnlich (besser PNP statt NPN Transistoren) wie gezeigt ansteuern.
Falk, du bist offenbar zu jung und hast den Krieg offensichtlich nicht miterlebt, sonst wüsstest du, daß diese Displays KEINEM Vergleich mit Flak-Scheinwerfern standhalten, ja, es ist geradezu grotesk auch nur ansatzweise daran zu denken. Vermutlich lebst du nur in abgedunkelten Räumen, schon bei Helligkeit sid 66mcd nämlich unablesbar. Dimmen kann man ja immer noch.
@ MaWin Dein Humordetektor ist defekt, geh mal zum TÜV. >Vermutlich lebst du nur in abgedunkelten Räumen, schon bei Helligkeit >sid 66mcd nämlich unablesbar. Dimmen kann man ja immer noch. Und geh auch mal zum Augenarzt, dann klappt das vielleicht mit dem ablesen. Denn im Gegensatz zum allwissenden MaWin, der jedes Thema zu 120% erfasst und erklären kann, selbst wenn er es nie real behandelt hat, hab ich so ein Teil hier vor meiner Nase stehen. Schrieb ich bereits. Schönen Sonntag noch, Sonne scheint. Falk
Mente Fabian schrieb: > Wie geht es nun weiter? > Was muss ich wie abändern? Die Frage kannst nur Du beantworten. Du kannst meinen Schaltplan und meine Software unverändert übernehmen und ausprobieren. Aber keiner weiß, ob eine Uhr das ist, was Du willst. Peter
Ja eine Uhr ist schon das was ich will. welchen schaltplan meinst du ? Kannst du den mal schicken?
Mente Fabian schrieb: > welchen schaltplan meinst du ? Kannst du den mal schicken? Schon längst geschehen. Lies einfach mal die Antworten. Peter
Bitte melde dich an um einen Beitrag zu schreiben. Anmeldung ist kostenlos und dauert nur eine Minute.
Bestehender Account
Schon ein Account bei Google/GoogleMail? Keine Anmeldung erforderlich!
Mit Google-Account einloggen
Mit Google-Account einloggen
Noch kein Account? Hier anmelden.
