Hallo zusammen, ich setze Traco DC/DC Schaltregler (TES5 und TES2N) ein um verschiedene Spannungen für den Analogteil meiner Schaltung zu erzeugen. Ein Linearregler hätte ggf. ein sauberes Ausgangssignal, ist aber auf Grund der auftretenden Verlustleistung nicht praktikabel. Die Schaltfrequenz der Regler beträgt 200 - 350kHz, es wird ein Strom von max. 300mA fließen. Um möglichst präzise messen zu können möchte ich hinter dem Regler eine geeignete Filterung vorsehen. Könnt ihr mir bezüglich der Realisierung des Filters einige praktische Tipps geben? Nach meiner Recherche ist ein LC-Filter in Pi-Schaltung sehr gut geeignet. Das Filter würde ich so dimensionieren, dass bei 200kHz eine Dämpfung von 40dB erreicht werden. Ist der Q-Faktor der SMD-Drosseln kritisch? Sollten Keramik-Kondensatoren (X7R) eingesetzt werden? Weiterhin noch eine Frage zum Schaltregler. Dieser ist galvanisch getrennt, ich benötige die Trennung jedoch nicht. Macht es Sinn die eingangs- und ausgangsseitigen Massen zu verbinden? Grüße, Bastian
> Nach meiner Recherche ist ein LC-Filter in Pi-Schaltung sehr gut > geeignet. Ja. > Das Filter würde ich so dimensionieren, dass bei 200kHz eine Dämpfung > von 40dB erreicht werden. Ok. > Ist der Q-Faktor der SMD-Drosseln kritisch? Schlechtes Q durch hohen Widerstand ist unkritsich, aber schlechtes Q durch hohe Windungskoppelkapazität bedeutet, daß die Spule hohe Frequenzen nicht mehr dämpft. Suche also Spule mit hoher Eigenresonanz. > Sollten Keramik-Kondensatoren (X7R) eingesetzt werden? Sind in Ordnung. > Weiterhin noch eine Frage zum Schaltregler. Dieser ist galvanisch > getrennt, ich benötige die Trennung jedoch nicht. Macht es Sinn die > eingangs- und ausgangsseitigen Massen zu verbinden? Wenn beide Seiten GAR NICHT verbunden sind, hat man ein Hf-Problem und müsste extra einen Kondenstaor zwischen beide schalten um Hf-mässig Ableitungsmöglichkeit vorzusehen. Da verbindet man doch lieber beide ohne ein Bauteil.
> Nach meiner Recherche ist ein LC-Filter in Pi-Schaltung sehr gut > geeignet. > Das Filter würde ich so dimensionieren, dass bei 200kHz eine Dämpfung > von 40dB erreicht werden. > Ist der Q-Faktor der SMD-Drosseln kritisch? Du solltest beachten, dass aus dem Wandler kein Sinus mit 200 kHz rauskommt, sondern ein relativ breites Stör-Spektrum mit vielen Oberwellen. Deshalb ist es nicht so einfach, die Dämpfung mit einer Formel zu berechnen. Wie groß die Dämpfung tatsächlich wird, hangt auch sehr stark vom Layout ab. Es ist sehr wichtig, dass die Störungen aus dem Wandler auf einem möglichst direkten Weg auch wieder dorthin zurückfließen und dass die Masseverbindung zur Analogschaltung erst hinter dem Filter gemacht wird. Für hochfrequente Störugnen verwendet man meistens statt einer Spule mit hohem Q eher EMV-Ferrite, die bei hohen Frequenzen geziehlt ein ziemlich niedriges Q und einen hohen ohmschen Widerstand haben. Da wird dann im Datenblatt in der Regel gar nicht die Induktivität angegeben sondern die Impedanz bei einer bestimmten Frequenz, z.B. 100 MHz. Zusätzlich gibt es eine Kennlinine mit dem Impedanz-Verlauf über der Frequenz. Für deine Anwendung würde ich einen mit relativ hoher Impedanz suchen. Von Würth gibts z.B. die WE-CBF-Serie, das sind SMD-Ferrite. Die "Wide Band"-Typen haben auch noch bei relativ niedrigen Frequenzen eine recht hohe Impedanz. z.B. 742792141: Die hat 600 Ohm bei 100 MHz und ca. 30 Ohm bei 1 MHz. Datenblatt: http://catalogue.we-online.com/kataloge/eisos/media/pdf/742792141.pdf
Danke euch beiden für eure Hinweise, haben mir schon sehr weiter geholfen. Anbei das Schirmbild einer Messung der Ausgangsspannung des Schaltreglers. Beide Kanäle haben direkt den Ausgang gemessen, wobei die Prüfspitze beim gelben Verlauf eine günstige und beim grünen Verlauf eine ungünstige Masseanbindung der hatte. Man erkennt deutlich eine 347kHz Schwingung. In diesem Frequenzbereich wäre der Einsatz eines EMV-Ferrites noch nicht wirksam, oder? Wäre eine Kombination für ein Filter mit EMV-Ferrit und Spule in diesem Falle ggf. sinnvoll?
Das Signal sieht eigentlich gar nicht so schlecht aus... > ... Man erkennt deutlich eine 347kHz Schwingung. Ja, aber man kann auch noch höhere Frequenz-Anteile erkennen. Die Frage ist jetzt, was kommt vom Oszi selber (Rauschen) und was ist real am Schaltregler. Wie hast Du denn gemessen? War das ein 1:10 - Tastkopf oder 1:1? Ich würde mal das Oszi auf AC-Kopplung stellen und die Messung mit einem 1x und 10x - Taskopf machen. Das Eingangs-Rauschen des Oszis wirkt sich beim 10x-Tastkopf wesentlich stärker aus als beim 1x-Tastkopf; damit kann man ungefähr abschätzen, wo das Signal herkommt. > In diesem Frequenzbereich wäre der Einsatz eines EMV-Ferrites noch nicht > wirksam, oder? EMV-Ferrite sind nach meiner Erfahrung eigentlich immer sinnvoll. > Wäre eine Kombination für ein Filter mit EMV-Ferrit und Spule in diesem > Falle ggf. sinnvoll? Ja, das ist dann sinnvoll, wenn die untere Grenzfrequenz des Ferrits nicht tief genug ist. Aber meistens ist ein EMV-Ferrit zusammen mit einigen Keramik- und Tantal-Kondensatoren ausreichend, um Störungen > 100 kHz zu dämpfen. Das hängt aber auch mit der konkreten Schaltung zusammen; vor allem damit, wie empfindlich und in welchem Frequenzband der Rest der Schaltung auf diese Störungen reagiert. Deshalb kannst Du das für deine Anwendung nur durch Versuche herausfinden.
Was du brauchst sind Pi-Filter. Über die Dimensionierung findest du hier was: Beitrag "Dimensionierung LC Tiefass füe 12V Versorgung" Und vergiß nicht, auch die Eingänge zu filtern, wieder mit Pi-Filtern. >Weiterhin noch eine Frage zum Schaltregler. Dieser ist galvanisch >getrennt, ich benötige die Trennung jedoch nicht. Macht es Sinn die >eingangs- und ausgangsseitigen Massen zu verbinden? Auf jeden Fall, mit einer Massefläche. Am besten nimmst du einen nicht galvanisch getrennten Schaltregler, der schon eine interne Verbindung hat. >EMV-Ferrite sind nach meiner Erfahrung eigentlich immer sinnvoll. Richtig! Die 5-Loch-Ferrit-SMD-Drosseln von Würth (siehe oben) haben einen ordentlichen Bumms und gehen gleichzeitig hoch hinaus!
Johannes schrieb: > Wie hast Du denn gemessen? War das ein 1:10 - Tastkopf oder 1:1? > > Ich würde mal das Oszi auf AC-Kopplung stellen und die Messung mit einem > 1x und 10x - Taskopf machen. Das war ein 1:1 Tastkopf in DC-Kopplung, einen 1:10 habe ich aktuell leider nicht hier. > Ja, das ist dann sinnvoll, wenn die untere Grenzfrequenz des Ferrits > nicht tief genug ist. Aber meistens ist ein EMV-Ferrit zusammen mit > einigen Keramik- und Tantal-Kondensatoren ausreichend, um Störungen > > 100 kHz zu dämpfen. Hättest du eine erprobte Dimensionierung für ein Filter für mich, die ich als Grundlage für meine Untersuchung nehmen könnte? Ina schrieb: > Auf jeden Fall, mit einer Massefläche. Am besten nimmst du einen nicht > galvanisch getrennten Schaltregler, der schon eine interne Verbindung > hat. Ich habe die Traco-Schaltregler schon hier und bis jetzt haben diese gut funktioniert, daher würde ich gerne bei diesen bleiben. Dann werde ich einfach die beiden Massen mit einer Fläche verbinden. Ist es zusätzlich sinnvoll Vin+ und Vout+ des Reglers mit einem C zu verbinden? Unter dem Reglergehäuse hatte ich ursprünglich komplette Masseflächen vorgesehen. Sollte ich diese lieber vermeiden um induktive Einkopplungen zu reduzieren?
Ich hab auch mal solche Messungen gemacht. Das Oszilloskop hatte die passende Bandbreite (!). Die Umschaltspitzen waren 2ns lang und hatten sich mit den 500kHz wiederholt. Ein 500kHz Filter bringt da dann wenig. Das Filer muss effektiv 500MHz machen. Was nicht trivial ist. Seither arbeite ich mit expliziten Low Noise Switchern ab DC, zB dem LTC1777, oder einem Ultra low noise switcher, dem LTC1683. Was 500MHz Noise in einer Analogschaltung macht ? Wird in der Eingangsstufe gleichgerichtet und produziert Offsets, die man nicht erwartet.
> Hättest du eine erprobte Dimensionierung für ein Filter für mich, die > ich als Grundlage für meine Untersuchung nehmen könnte? Das hängt wie gesagt von der Platine ab. Aber mit jeweils 100 nF Keramik und 10 µF Tantal auf beiden Seiten und dazwischen ein EMV-Ferrit bzw. Drossel würde ich mal beginnen. Wenn man sich nicht so sicher ist, dann ist es sinnvoll, im Layout noch etwas Platz zu lassen für weitere Kondensatoren und/oder Induktivitäten. Du könntest z.B. ein SMD-Footprint und eines für einen 5-Loch-Ferrit parallel anlegen und dann beide Varianten ausprobieren. Das Layout selber, also die Leiterführung auf der Platine ist aber auch sehr wichtig. Wenn man hier Fehler macht, dann helfen Ferrite und Kondensatoren auch nicht viel. Hier gilt prinzipiell, dass der räumliche Abstand zwischen DC/DC-Wandler und dem Analogteil möglichst groß sein sollte. Die Masse-Pins der Filterkondensatoren möglichst direkt mit der Masse des Spannungsreglers verbinden. Die Analogmasse muss direkt (und nur an diesem Punkt) am Massepin des hinteren Kondensators angeschlossen sein, also hier darf keine zusätzliche Masseverbindung zum Spannungsregler vorhanden sein. Die Masse-Pins des DC/DC-Wandlers müssen direkt miteinander verbunden werden. Und wie Ina schon gesagt hat, mach auch am Eingang des DC/DC-Wandlers einen Filter rein, oft sind die Störungen am Eingang schlimmer als die am Ausgang.
>Ist es zusätzlich sinnvoll Vin+ und Vout+ des Reglers mit einem C zu >verbinden? Äh, nein, eher unüblich. Oder hast du das irgendwo gesehen? Manche Hersteller geben etwas kuriose Empfehlungen, um den CE-Test zu bestehen. Pi-Filter an den Ein- und Ausgängen und eine sorgfältige Masseführung ist eigentlich eine ausreichende Maßnahme. Kritisch kann es werden bei galvanisch getrennten Ein- und Ausgängen. Hier müssen in jedem Fall ein oder mehrere Caps her, die die Ausgangsmasse HF-mäßig auf die Eingangmasse klemmen. Problematisch ist hierbei, daß man dort oft gerne eine große Spannungsfestigkeit haben will und man deshalb nicht immer Caps mit sehr niedriger Serieninduktivität einsetzen kann. Der CE-Tester hat dann seine helle Freude...
Johannes, danke für deine Hinweise. Ich werde mich gleich ans Layouten setzen. Sobald ich fertig bin lade ich einen Screenshot hoch. Ina schrieb: > Äh, nein, eher unüblich. Oder hast du das irgendwo gesehen? Manche > Hersteller geben etwas kuriose Empfehlungen, um den CE-Test zu bestehen. > Pi-Filter an den Ein- und Ausgängen und eine sorgfältige Masseführung > ist eigentlich eine ausreichende Maßnahme. Im Anhang ein Ausschnitt aus einer Traco App Note mit so einer Beschaltung. Du hast Recht, scheint in erster Linie wirklich zum Bestehen des Tests zu sein.
Ich habe jetzt einen Entwurf für das Layout fertig: 2 Schaltregler mit jeweils einem Pi-Filter, wahlweise 5-Loch-Ferrit von Würth oder Standard-Ferrit (http://de.farnell.com/jsp/search/productdetail.jsp?SKU=1635759) und wie empfohlen jeweils 10µF sowie 100nF Kondensatoren. Macht es Sinn im Bereich der Regler bzw. Filterung schon Masseflächen vorzusehen? Oder erst in Richtung der weiteren Beschaltung? (Im Layout mit den Leitungen nach rechts angedeutet)
>und wie empfohlen jeweils 10µF sowie 100nF Kondensatoren. Mit den Caps mußt du ein wenig experimentieren. Ich hatte ja 100µF Elkos vorgeschlagen, weil dann mit dem ESR der Elkos die Resonanz ausreichend bedämpft werden kann, ohne einen zusätzlichen Serienwiderstand einfügen zu müssen. Der andere Aspekt ist, daß du mit den Caps bei 200...350kHz natürlich eine sehr niedrige Impedanz realisieren solltest. Da wäre ein keramischer HighCap von 10µF/25V/1206 von Vorteil. Am besten parallel zum 100µF Elko, dann hast du beides, Resonanzfreiheit und niedrige Impedanz bei 200kHz. Oder du akzeptierst ein wenig Resonanz und nimmst nur den 10µF. >Macht es Sinn im Bereich der Regler bzw. Filterung schon Masseflächen >vorzusehen? Auf jeden Fall! Deine dünnen Leiterbahnen zwischen der Eingangs- und Ausgangsmasse unter den Switchern wirken sonst als wunderbare Antenne!
Elena schrieb: > Mit den Caps mußt du ein wenig experimentieren. Ich hatte ja 100µF Elkos > vorgeschlagen, weil dann mit dem ESR der Elkos die Resonanz ausreichend > bedämpft werden kann, ohne einen zusätzlichen Serienwiderstand einfügen > zu müssen. In welchem Zusammenhang meinstest du genau die 100µF Elkos? Konnte ich weder in diesem noch in dem verlinken Thread finden.
Du solltest auch am Eingang des DC/DC-Wandlers noch Filter einbauen! Die Stör-Signale, die am Eingang abgestrahlt werden, sind meistens stärker als am Ausgang und ohne Filterung gelangen die dann garantiert auch zu deiner Analog-Schaltung, die am Ausgang angeschlossen ist.
>In welchem Zusammenhang meinstest du genau die 100µF Elkos? Konnte ich >weder in diesem noch in dem verlinken Thread finden. L und C bilden einen Tiefpaß mit Resonanzüberhöhung. Damit die Resonanz ausbleibt oder zumindest vernachlässigbar klein ist, müssen genügend ohmsche Verluste (R) vorhanden sein, entweder in Serie zu L, "intrinsisch" oder in Form eines extra Serienwiderstands, oder als ESR von C, was nicht ganz so vorteilhaft ist, aber auch den Zweck der Resonanzverhinderung erfüllt. Für Resonanzverhinderung muß R > SQRT(2L/C) gelten. Damit man nicht allzugroße R benötigt, die ja wieder unerwünschte Spannungsabfälle bewirken können, sollte L nicht zu groß und C nicht zu klein gewählt werden. Führt man C als Elko aus, dann hat man nicht nur ein sehr großes C, sondern in der Regel auch noch nennenswertes ESR, was alleine schon die Resonanz ausreichend bedämpfen kann. Dann ist oft kein zusätzliches R in Serie zu L mehr notwendig. Damit der relative ausgeprägte ESR eines Elkos dann nicht bei der Rippleunterdrückung deines Switchertaktes zum Bumerang wird, sollte diesem Elko auf jeden Fall noch ein C parallelgeschaltet werden, der bei der Switchertaktfrequenz möglichst niederohmig ist, also gerade ein niedriges ESR besitzt. Wenn du also ein recht großes L in Gestalt der 5Loch-Ferritdrossel verwenden willst, würde ich hier einen 100µF Elko nehmen und ihm einen 10µF keramischen Highcap parallelschalten. Dann hast du beides, Resonanzfreiheit durch den relativ hohen ESR des Elkos und hervorragende Rippleunterdrückung durch den sehr niedrigen ESR des keramischen Highcaps.
Elena, danke für die Erklärungen. Ich werde das Filterverhalten mit 100µF Elkos in einem Testaufbau untersuchen. Johannes, ich werde auch am Eingang ein Filter vorsehen. Der gleiche Aufbau wie zuvor besprochen für den Wandler-Ausgang sollte auch am Eingang geeignet sein? Ich setze auf der Platine drei DC/DC-Wandler ein, die an der selben Versorgung (Spannungseinspeisung auf der Platine) hängen. Jeder der drei Wandler bekommt somit ein eigenes Filter um die Einspeisung zu entkoppeln?
>Johannes, ich werde auch am Eingang ein Filter vorsehen. Der gleiche >Aufbau wie zuvor besprochen für den Wandler-Ausgang sollte auch am >Eingang geeignet sein? Ich setze auf der Platine drei DC/DC-Wandler ein, >die an der selben Versorgung (Spannungseinspeisung auf der Platine) >hängen. Jeder der drei Wandler bekommt somit ein eigenes Filter um die >Einspeisung zu entkoppeln? Genau, weil diese Wandler am Eingang gerne Stromspikes ziehen. Ein Pi-Filter hier direkt am Eingang plaziert, liefert ihm diese Spikes, aber läßt nicht zu, daß sie bis zum Versorger weiterfließen.
> Der gleiche Aufbau wie zuvor besprochen für den Wandler-Ausgang sollte > auch am Eingang geeignet sein? Je nach Höhe der Eingangsspannung brauchst du hier evtl. andere Kondensatoren (Spannungsfestigkeit) und für die Drossel braucht man in der Regel keinen so großen Strom wie am Ausgang. Ansonsten ist es gleich.
Ich habe mich weiter in die Thematik eingelesen. In einigen App Notes zur Reduzierung der Ripplespannung habe ich Induktivitäten auch in der Masseleitung gefunden (z.B. http://www.murata-ps.com/datasheet/?http://www.murata-ps.com/data/apnotes/dcan-30.pdf). Wäre eine solche Erweiterung ggf. sinnvoll?
Hallo Bastian, habe ein ähnliche Anforderung für den DC/DC Wandler mich interessiert wohl dein Schaltbild mit den Eingangsfiltern. Könntest du dieses nochmal hochladen??
Ein Eingangsfilter habe ich noch nicht aufgebaut, werde aber den gleichen Aufbau wie bei dem Ausgangsfilter einsetzen. Aktueller Stand des Ausgangsfilters: Ich habe das Pi-Filter zum Test auf Lochraster aufgebaut und mit dem Oszilloskop vermessen. Schaltplan und Schirmbild mit eingezeichneten Messpunkten sind im Anhang zu finden. Leider hatte ich für die Messung keinen 1:10 Tastkopf, die Empfindlichkeit des Oszilloskops wurde voll aufgedreht. Die beiden Cursor im oberen Verlauf bitte ignorieren. Der Verlauf an Messpunkt 1 zeigt deutlich die Schaltfrequenz des Schaltreglers. An Messpunkt 2 ist die Schaltfrequenz nicht mehr zu erkennen. Das Filter besteht aus folgenden Bauelementen: C40, C42: 10µF Tantal (Farnell Best.-Nr. 1702717) C41, C43: 100nF Keramik (Farnell Best.-Nr. 1288255) L4: 5-Loch Ferrit (Farnell Best.-Nr. 1635782) Was haltet ihr von diesem Ergebnis?
Welche Last hängt da dran? Leerlauf?? Mach ein paar Bilder mit verschiedenen Lastzuständen. Grüße Gebhard
Klassische Frage: Wie hast du gemessen? Mit Masseklemme am Tastkopf? Wo angeklemmt?
>Was haltet ihr von diesem Ergebnis?
Warum hast du keinen keramischen 10µF Highcap verwendet?
Tausch mal C40 und C42 durch einen Keramik aus und häng einen Tantal
10uF hinten ran.
Ich würde dir für einen Test Ferrite empfehlen 100Ohm.
OUT+ --+--+--+--FB--+--+--
C1 C2 C3 C4 C5
OUT- --+--+--+--FB--+--+--
C1,C2 2x10uF Keramik C7R oder schlechter C5R
C3,C4 2x10nF oder 100nF Keramik C7R
C5 1x10uF Tantal
C1,C2 und C5 musst du je nach Last anpassen.
Damit habe ich mit Schaltreglern ganz gute Erfahrungen gemacht. Den
Eingang habe ich oft ähnlich (rückwärts) aufgebaut.
Sieht echt gut aus. Ich wollte mit dem Traco +/-5V erzeugen und damit meinen AD620 fahren! Ist diese Beschaltung nötig oder könnte ich etwas "abspecken". Der AD620 soll ein 20mV Signal von Wägezellen für einen PICAXE28X2 verstärken. Wäre für einen guten Rat dankbar! Gruß Matgast
>Ich wollte mit dem Traco +/-5V erzeugen und damit meinen AD620 fahren! >Ist diese Beschaltung nötig oder könnte ich etwas "abspecken". Der AD620 >soll ein 20mV Signal von Wägezellen für einen PICAXE28X2 verstärken. >Wäre für einen guten Rat dankbar! Pi-Filter an den Ein- und Ausgängen von DC/DC-Wandlern sind in jedem Fall sinnvoll, weil die Störungen dort schon teilweise extrem sind. Eventuell kannst du dort ja größere Serienwiderstände verwenden, dann entkrampft sich die Situation ganz erheblich. Speist du noch mehr mit dem Wandler, oder nur den AD620? Welchen Wandler verwendest du? Konkret für deinen AD620 kannst du natürlich in den Versorgungsspannungsleitungen mit ordentlichen Serienwidersänden arbeiten, weil der AD620 nur geringe Versorgungsströme zieht und eine hervorragende PSRR hat. Also machst du in die Versorgungsleitungen des AD620 RC-Filter mit 100R und 100µF//100nF, zusätzlich zu den Pi-Filtern beim Wandler.
Ihr hattet Recht, das oben gezeigte Schirmbild wurde bei Leerlauf aufgenommen. Im Anhang nun zwei Bilder bei Belastung des Schaltreglers mit 280 bzw. 500mA ohmscher Last. Messpunkt 1 ist wie zuvor vor dem Filter, Messpunkt 2 dahinter. Einstellung des Oszilloskopes: 2mV/div bzw. 0,5µs/div Simon K. schrieb: > Klassische Frage: Wie hast du gemessen? Mit Masseklemme am Tastkopf? Wo > angeklemmt? Ich habe Koaxialleitung an die entsprechenden Messpunkte direkt auf das Lochraster gelötet. Elena schrieb: > Warum hast du keinen keramischen 10µF Highcap verwendet? Es wurden sehr viele mögliche Dimensionierungen erwähnt, Tantal, Keramik, Aluminium mit 10nF, 100nF, 10µF, 100µF, ich musste einfach eine Auswahl treffen. Eigentlich bin ich mit der aktuellen Auslegung in den unterschiedlichen Lastzuständen zufrieden. Was haltet ihr davon?
>Es wurden sehr viele mögliche Dimensionierungen erwähnt, Tantal, >Keramik, Aluminium mit 10nF, 100nF, 10µF, 100µF, ich musste einfach eine >Auswahl treffen. Ich würde einen 100µF Standard-Elko und einen keramischen 10µF Highcap kleiner Bauform parallel schalten. >Eigentlich bin ich mit der aktuellen Auslegung in den unterschiedlichen >Lastzuständen zufrieden. 1mV sieht nach wenig aus. Wenn du allerdings weiter hinten eine sehr niedrohmige Betriebsspannungsentkopplung hast, können beachtliche Ströme auf der Masse fließen, was in empfindlichen Analogschaltungen nicht so gut kommt.
Ja, das sieht sehr gut aus. 2mVpp Störspannung ist jetzt wirklich fast nix. Allerdings sollte man auch einen Versuch machen bei dem der Strom schlagartig von 10% auf 90% zu bzw. abnimmt, um auch das Ausregelverhalten zu überprüfen. Grüße
Elena schrieb: > Konkret für deinen AD620 kannst du natürlich in den > Versorgungsspannungsleitungen mit ordentlichen Serienwidersänden > arbeiten, weil der AD620 nur geringe Versorgungsströme zieht und eine > hervorragende PSRR hat. Also machst du in die Versorgungsleitungen des > AD620 RC-Filter mit 100R und 100µF//100nF, zusätzlich zu den Pi-Filtern > beim Wandler. Ich denke das Ich den Tel 2 - 1221 verwenden werde. Von den +5V werde ich wahrscheinlich noch den µC versorgen. Ich muss dazu sagen das wir für den Anwendungsfall schon eine Platine mit den o.g Funktionen haben. Diese besitzt nur ein paar Stab IC`s und nicht einen Kondensator!! Bei dem Testlauf mit unserem µC ist und dann die gewaltige Toleranz aufgefallen. Ich denke das dies an der Versorgung/ allgemeinen Verschaltung der Platine liegt und suche daher intensiv nach Lösungen! Werde den Ein-/Ausgangsfilter und das RC Glied umsetzten, des weiteren werde ich der Referenzspannung des µC einen Kondensator zur Masse schalten. Danke Matgast
>Von den +5V werde ich wahrscheinlich noch den µC versorgen. Über einen Stabi? Dann kannst du eventuell in das Pi-Filter eine Serieninpedanz einfügen. Ein Schaltplan deinerseits wäre jetzt ganz hilfreich... >Bei dem Testlauf mit unserem µC ist und dann die gewaltige Toleranz >aufgefallen. Ich denke das dies an der Versorgung/ allgemeinen >Verschaltung der Platine liegt und suche daher intensiv nach Lösungen! Habt ihr gesehen, daß das Datenblatt des Wandlers eine Mindestlast vorschreibt?? >Werde den Ein-/Ausgangsfilter und das RC Glied umsetzten, des weiteren >werde ich der Referenzspannung des µC einen Kondensator zur Masse >schalten. Achtung, manche Referenzen mögen keine Caps direkt am Ausgang! Zeig mal deinen Schaltplan.
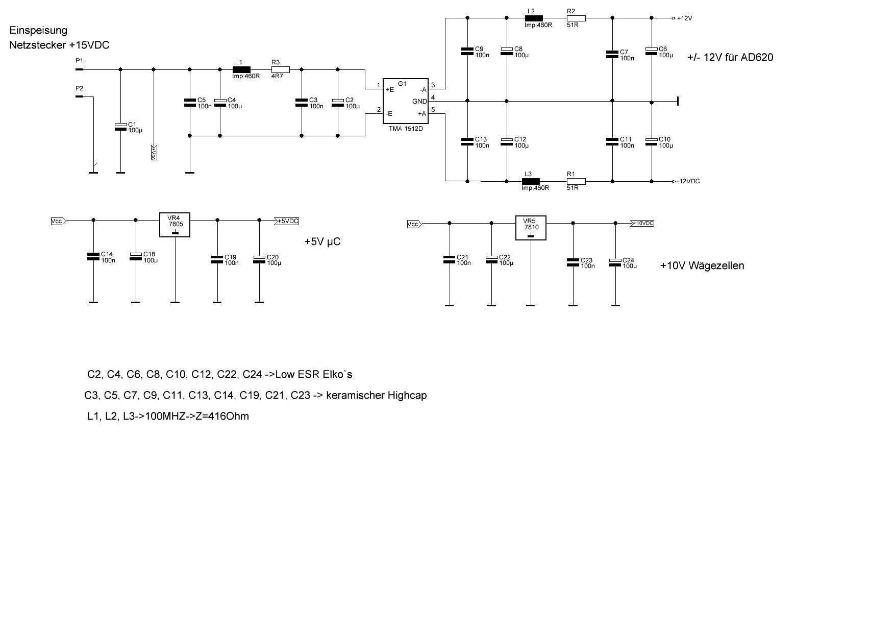
Aber bitte nicht lachen! Der ist nicht von mir und entspricht nicht meinen Vorstellungen!!! Wie gesagt das ist der IST Zustand Danke Matgast
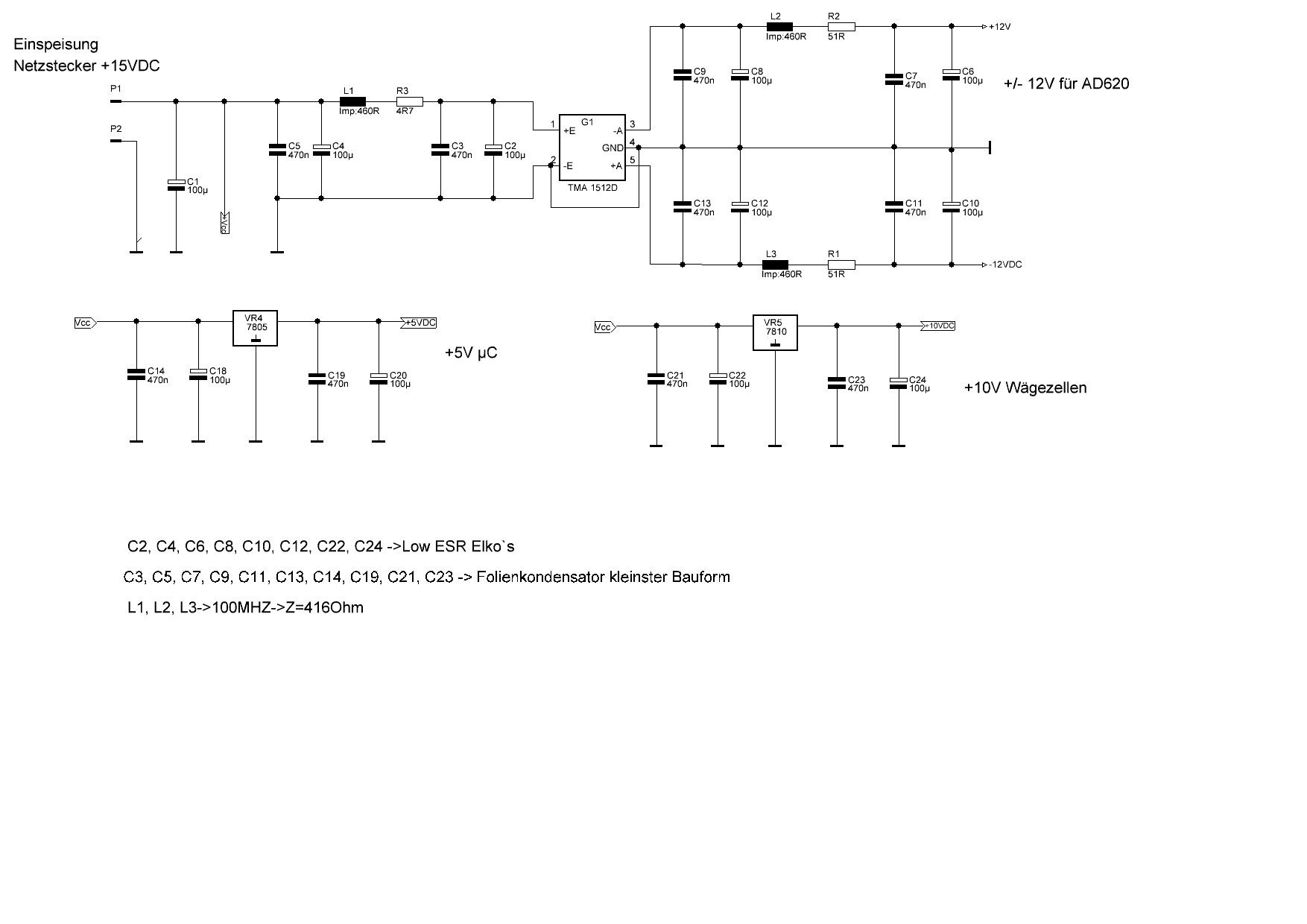
Hallo, habe heute Abend die Einspeisung und Spannungsversorgung neugezeichnet und geplant! Kann man das so machen oder endeckt jemand grobe Schnitzer?? Wie wie verhält sich der Traco wenn ich an diesen nur den AD620 dranhänge?? Danke, für eure Hilfe....
>Aber bitte nicht lachen! >Der ist nicht von mir und entspricht nicht meinen Vorstellungen!!! >Wie gesagt das ist der IST Zustand Der Denkfehler dieser Schaltung ist, daß IC4 nur dann funktioniert, wenn aus seinem Ausgang immer Strom herausfließt, aber nicht hinein. >Kann man das so machen oder endeckt jemand grobe Schnitzer?? Die Schaltung ganz rechts unten verstehe ich nicht: Was soll eine 10V Zenerdiode am Ausgang eines 12V-Reglers?? Der TMA1212 ist nicht geregelt. Das wird zu Offsetspannungsänderungen beim AD620 führen. Ist das schlimm? Da der AD620 nicht viel Strom zieht, kannst du in Reihe zu L1, L2 und L3 ein paar Ohm Serienwiderstand einfügen. Eventuell hilft dir das beim Unterdrücken von Resonanzen. Für die 10µF Caps kannst du auch 100µF Elkos nehmen. Da die Switcherfrequenz mit 100kHz relativ niedrig liegt, lohnt es sich eventuell LOW-ESR-Elkos zu verwenden.
Elena schrieb: > Die Schaltung ganz rechts unten verstehe ich nicht: Was soll eine 10V > Zenerdiode am Ausgang eines 12V-Reglers?? Diese Schaltung soll die 10V für die Wägezellen realisieren, gibt es da noch einen anderen Weg, oder soll ich einfach einen LM7810, wenn es den gibt, nehmen?? >Der TMA1212 ist nicht geregelt. Das wird zu Offsetspannungsänderungen >beim AD620 führen. Ist das schlimm? Wir wollen mit dem AD620 ein Signalerzeugen das bei 0mV am Eingang 0V am Ausgang, bzw. bei 20mV am Eingang 5V am Ausgang liefert. >Da der AD620 nicht viel Strom zieht, kannst du in Reihe zu L1, L2 und L3 >ein paar Ohm Serienwiderstand einfügen. Eventuell hilft dir das beim >Unterdrücken von Resonanzen. D.h einfach in Reihe zu L1,L2 und L3?? Wieviel Ohm wäre da sinnvoll?? >Für die 10µF Caps kannst du auch 100µF Elkos nehmen. Da die >Switcherfrequenz mit 100kHz relativ niedrig liegt, lohnt es sich >eventuell LOW-ESR-Elkos zu verwenden. Danke für den Tipp werde mich mal kümmern... Vielen Dank für die Tipps....
>Diese Schaltung soll die 10V für die Wägezellen realisieren, gibt es da >noch einen anderen Weg, oder soll ich einfach einen LM7810, wenn es den >gibt, nehmen?? Die brauchen am Eingang mindestens 2,5V mehr als am Ausgang, um richtig regeln zu können. Sonst könnte man auch eventuell einen LOW-Drop-Regler einsetzen. >Wir wollen mit dem AD620 ein Signalerzeugen das bei 0mV am Eingang 0V am >Ausgang, bzw. bei 20mV am Eingang 5V am Ausgang liefert. Bei einer Verstärkung von 100 hat der AD620 eine PSRR von mindestens 110dB. Das sollte reichen. >D.h einfach in Reihe zu L1,L2 und L3?? Wieviel Ohm wäre da sinnvoll?? Um eine Resonanz zu verhindern, 2R2, 4R7,..., je nach verwendeten Bauteilen im Pi-Filter. Machst du ihn im Ausgangs-Pi-Filter deutlich größer, kannst du eventuell auf das zusätzliche RC-Filter direkt beim AD620 verzichten.
Elena schrieb: > Bei einer Verstärkung von 100 hat der AD620 eine PSRR von mindestens > 110dB. Das sollte reichen. Was genau ist den PSRR, die Verstärkung müsste doch ca. 250 sein oder sehe ich das falsch?? >Die brauchen am Eingang mindestens 2,5V mehr als am Ausgang, um richtig >regeln zu können. Sonst könnte man auch eventuell einen LOW-Drop-Regler >einsetzen. Also nehme ich einen Low drop Regler der mir meine 10V liefert. >Machst du ihn im Ausgangs-Pi-Filter deutlich >größer, kannst du eventuell auf das zusätzliche RC-Filter direkt beim >AD620 verzichten. Mit ihn meinst du den Serienwiderstand?? Wieviel größer 10*/100*??
>Was genau ist den PSRR,... Power Suplly Rejection Ratio. Der Einfluß der Versorgungsspannung auf die Offsetspannung. >...die Verstärkung müsste doch ca. 250 sein oder sehe ich das falsch?? Ja, ja, schon. Manchmal setzt man noch eine normale OPamp-Stufe nach, um die Offsetspannung fein abzugleichen. >Mit ihn meinst du den Serienwiderstand?? Wieviel größer 10*/100*?? So, daß die Versorgunsgströme an ihm keine zu großen Spannungsabfälle verursachen. 1,3mA an 100R ergeben 130mV, was gerade noch tolerierbar zu sein scheint. Also, kleiner als 100R.
Guten Morgen Elena, vielen Dank für deine Hilfe werde mich jetzt mal an die Umsetzung machen... Danke für die vielen Tipps.. Gruß matgast
Ich muss leider nocheinmal stören. Wir können uns nicht über die Umsetzung einigen. Könnt Ihr bitte einmal über die angehängten Dateien schauen und Rückmeldung geben. Seite 1 und Seite 2 entsprechen dem überarbeiteten Layout. Die alternative ist die alte SCahltung. Könntet ihr bitte das mit der alternative Vergleichen.. Was kann man noch verbessern?? Danke.. matgast
Die sog. 'Alternative' ist von jemanden erdacht worden, der von der Materie weniger als Null Ahnung hat - das disqualifiziert diesen Vorschlag von vornherein! 'SERIALIN' und 'SERIELOUT', der 12V-Regler an 12.0V, keinerlei Entstörkomponenten, ...die Zeichnung ansich! Derjenige, der sich mit dem neuen Designvorschlag wohl nicht anfreunden kann, ist wohl der Erschaffer dieser dahingeschissenen Schaltungs'alternative' - ''Manager''?! Die Wahrheit ist: Er soll bei dem bleiben, was er kann (nichts?!) - sonst endet es in einem (dann aber wohlverdienten) Disaster! ...an der zuvor im Laufe dieses Threads erarbeiteten Schaltung gibt es vom Prinzip her nichts auszusetzen.
http://www.mikrocontroller.net/attachment/110282/Platine.PNG http://www.mikrocontroller.net/attachment/110649/alternative.PNG Aufpassen: wer solche Schaltpläne zeichnet, frisst auch kleine Kinder! Auf jeden Fall hat er niemals die Kompetenz, Alternativvorschläge zu unterbreiten. Was mir an deinem Plan aber nicht gefällt, ist die unnötige Verwendung eines Schaltreglers. Wenn das bisher mit den Linearreglern schon funktioniert hat, wozu führst du dann ausgerechnet für den Teil, der am sensibelsten regieren kann (und vermutlich am wenigsten Strom braucht), jetzt eine potentielle Störquelle ein? Seis drum.... Aber warum denn einen potentialgetrennten Wandler (mit recht niedriger Taktfrequenz), wo z.B. ein Dual-Regler wie der LT3471 (Applikation Note AN357) vollkommen ausreichen würde... Aber eines sollte dir klar sein: Dieses Design steht oder fällt mit dem LAYOUT.
Lothar Miller schrieb: > Was mir an deinem Plan aber nicht gefällt, ist die unnötige Verwendung > eines Schaltreglers. Wenn das bisher mit den Linearreglern schon > funktioniert hat, wozu führst du dann ausgerechnet für den Teil, der am > sensibelsten regieren kann (und vermutlich am wenigsten Strom braucht), > jetzt eine potentielle Störquelle ein? > Seis drum.... Vielen Dank für die Antworten, werden auf jeden Fall nicht die "alternative" umsetzen. Auf den Schaltregler sind wir gekommen weil der uns sofort +/-12V zur Verfügung steht, er versorgt nur den AD620. Ich muss mir mal eben das Datenblatt von dem LT3471 holen.. Je einfacher die Schaltung gehalten wir desto besser, wir wollen auf keinen Fall mit Kanonen auf Spatzen schießen... Vielen dank.... Matgast
Lothar Miller schrieb: > Was mir an deinem Plan aber nicht gefällt, ist die unnötige Verwendung > eines Schaltreglers. Wenn das bisher mit den Linearreglern schon > funktioniert hat, wozu führst du dann ausgerechnet für den Teil, der am > sensibelsten regieren kann (und vermutlich am wenigsten Strom braucht), > jetzt eine potentielle Störquelle ein? > Seis drum.... Hättest du einen anderen Lösungsvorschlag?? Wir wollenn auf jeden Fall ein "richtiges" Masse Potetial dort hatten wir schon jede erdenkliche Spannung drauf. >Aber eines sollte dir klar sein: >Dieses Design steht oder fällt mit dem LAYOUT. Können wir den bei dem Schaltungsentwurf das schon so händel das auch ein Anfänger die Platine händeln kann?? Vielen dank schonmal... Gruß Matthias
>Könnt Ihr bitte einmal über die angehängten Dateien schauen und >Rückmeldung geben. Seite 1 und Seite 2 entsprechen dem überarbeiteten >Layout. Die alternative ist die alte SCahltung. Könntet ihr bitte das >mit der alternative Vergleichen. Also, wie man in der Alternative einem 10V-Regler und einem 12V-Regler eine 12V Eingangsspannung anbieten kann, ist mit schleierhaft. Die Regler können auf diese Weise überhaupt nicht mehr regeln, sondern geben nur noch ein Signal aus, das rund 1V unter der Eingangsspannung liegt. Das ist kompletter Murks! Das mit dem DC/DC-Wandler kann durchaus funktionieren. Wichtig ist, daß er gut gegen eine sternförmige Masse gefiltert wird, die direkt beim Wandler liegen muß und daß auch alle anderen Massen zu diesem Massepunkt geführt werden. In jedem Falle sollte auf eine isolierte Version des Wandlers allerdings verzichtet werden, weil die in der Regel größere Störungen verursachen. Für C2, C4, C6, C8, C10, C12 bitte 100µF-Elkos mit niedrigem ESR nehmen. Für C3, C5, C7, C9, C11, C13 keramische Highcaps verwenden, mit deutlich mehr als 100nF, irgendetwas in X7R. R3 würde ich auf 4R7 verkleinern. Was für Drosseln verwendet ihr eigentlich? Woher kommen eure 12V am Eingang der Spannungsversorgung? Wird die noch wo anders verwendet? Der LM317 ist für die 10V Versorgung noch ungeeigenter als ein 7810, weil bei ihm zwischen Eingang und Ausgang noch mehr Spannung hängen bleibt! Wieviel Strom ziehen denn die Wägezellen und müssen die genau 10V bekommen?
Hallo! Ich gehöre auch der besagten Projektgruppe an. Der LM317 soll per Poti auf 10V am Ausgang eingestellt werden und wird selbst mit 15V versorgt. Die Wägezellen haben eine empfohlene Speisespannung von 5V-12V und nehmen zusammen 100mA auf. Bei den Drosseln waren glaub ich diese http://de.farnell.com/jsp/search/productdetail.jsp?sku=9265244 angedacht. Ich möchte mich auch schonmal bei euch für eure ganzen Beiträge bedanken! Grüße sebgast
>Bei den Drosseln waren glaub ich diese >http://de.farnell.com/jsp/search/productdetail.jsp... >angedacht. Auweia, die geht garnicht! Denk dran, euer Switcher hat 100kHz Taktfrequenz. Die Drossel muß schon bei dieser Frequenz eine nenneswerte Impedanz haben. Ihr solltet so etwas verwenden: http://katalog.we-online.de/kataloge/eisos/media/pdf/7427511.pdf Eine bedrahtete 6-Loch-Ferritdrossel geht natürlich auch. Zur Not tuts auch eine 10µH-Drossel mit möglichst hoher Resonanzfrequenz. >Der LM317 soll per Poti auf 10V am Ausgang eingestellt werden und wird >selbst mit 15V versorgt. Ein 7810 tuts auch. Denk außerdem an die sternförmige Masseführung!
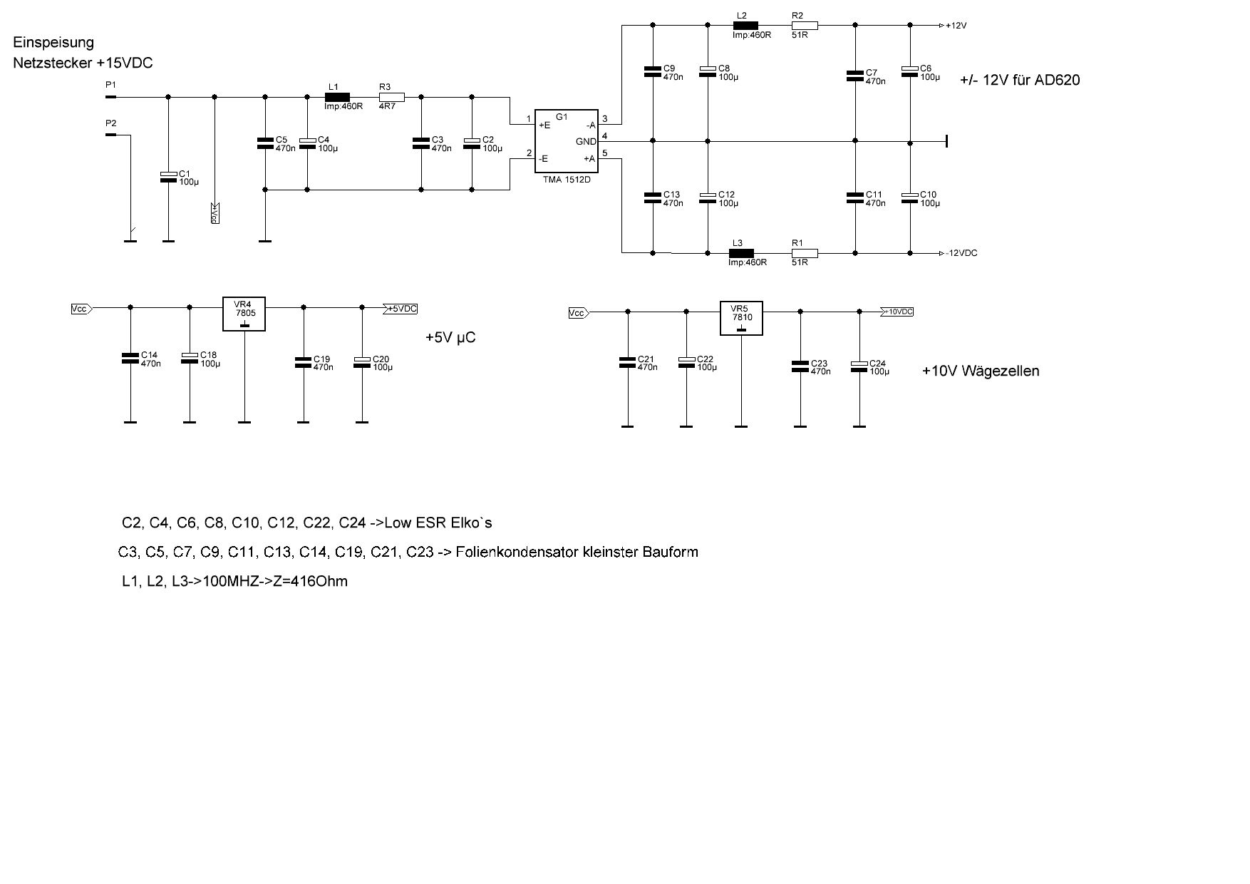
Elena schrieb: > Für C2, C4, C6, C8, C10, C12 bitte 100µF-Elkos mit niedrigem ESR nehmen. > Für C3, C5, C7, C9, C11, C13 keramische Highcaps verwenden, mit deutlich > mehr als 100nF, irgendetwas in X7R. welche Größenordnung schwebt dir denn da vor, habe bei Reichelt nur X7R in 100nF gefunden.... Danke Matgast....
Hatte noch eine Labelfeld zu viel in der Schaltung.... Hier das aktuelle Schaltbild...
>welche Größenordnung schwebt dir denn da vor, habe bei Reichelt nur X7R >in 100nF gefunden.... 1µF, SMD. Wenn du SMD nicht magst, kannst du auch 470nF/Folie nehmen, möglichst kleine Bauform und direkt neben den Elko plazieren, mit kürzesten Verbindungen.
>Hatte noch eine Labelfeld zu viel in der Schaltung.... >Hier das aktuelle Schaltbild... Pin 2 und Pin 4 von TMA1512 verbindest du auf kürzestem Wege miteinander!
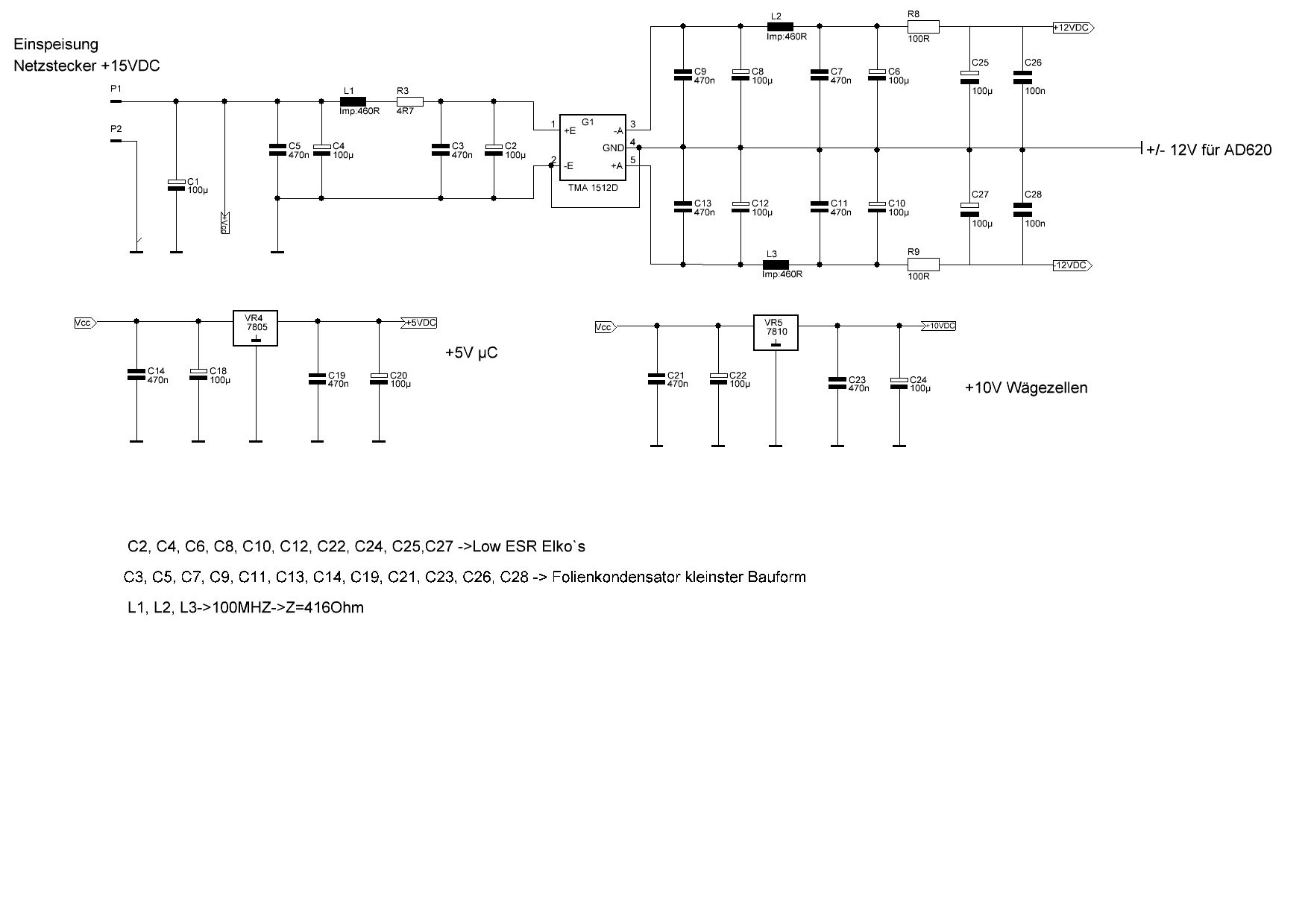
Ok, so sieht er jetzt aus.. der Schaltplan.... Sollte man den RC Filter vor dem AD620 noch umsetzen?? Gruß Matgast
So hab ich auch eingezeichnet... Vielen, vielen Dank für die vielen guten Tipps.. Danke Matgast melde mich auf alle Fälle nochmal :-)
>Sollte man den RC Filter vor dem AD620 noch umsetzen?? Über Entkoppelcaps direkt am Chip freut er sich immer. Die Serienwiderstände kannst du ja als Option vorsehen. Vergiß auch beim µC nicht die Entkoppelcaps direkt bei Chip!! Erzähl mal mehr über die Wägezellen und deren Verdrahtung. Spannend wird auch das Layout, insbesondere die Masseführung vom AD620 und µC...
>Über Entkoppelcaps direkt am Chip freut er sich immer. Die >Serienwiderstände kannst du ja als Option vorsehen. Vergiß auch beim µC >nicht die Entkoppelcaps direkt bei Chip!! Ich habe schon zulange nichts mehr gebastelt... Enkoppel von +5V nach GND auch durch die Folien Kondensatoren 470nF?? Folgende Wägezellen sind bei uns im Einsatz: Bei www.bosche.eu Single Point - Plattform - Wägezellen K-AMI Messbereich 20Kg Die sind als Brückenschaltung ausgeführt, bekommen +10VDC. Wir haben 4 Stück parallel geschaltet, können damit max 80kg messen, als Ausgang bei 80kg bekommen wir dann 20mV als Signal.
So habe das RC Glied "reingeplant", werde das so nah wie möglich an den AD620 bauen.. Danke Matgast...
Elena schrieb: > Ihr solltet so etwas verwenden: > > http://katalog.we-online.de/kataloge/eisos/media/p... > > Eine bedrahtete 6-Loch-Ferritdrossel geht natürlich auch. Zur Not tuts > auch eine 10µH-Drossel mit möglichst hoher Resonanzfrequenz. geht diese evtl auch http://de.rs-online.com/web/search/searchBrowseAction.html?method=getProduct&R=4673797
Stabkerndrosseln sind auch gut: niedrige Streukapazität durch die quasi-Reihenschaltung der Kapazitäten der Wicklungen.
>geht diese evtl auch >http://de.rs-online.com/web/search/searchBrowseAct... ... >http://www.reichelt.de/Fest-Induktivitaeten-axial/... > >habe die gewählt... Ja, beide dürften gehen.
Elena schrieb: > Über Entkoppelcaps direkt am Chip freut er sich immer. RC Glied auch vor µC?? Danke Gruß Matgast...
>RC Glied auch vor µC??
Da erlaubt man nur einen sehr geringen Spannungsabfall. Deshalb ist eine
kleine Ferritperle da besser. Als Caps kann man eine Parallelschaltung
aus 100nF/X7R und 10µF/16V Elko verwenden.
Elena schrieb: > Als Caps kann man eine Parallelschaltung > aus 100nF/X7R und 10µF/16V Elko verwenden bezogen auf GND, richtig?? Danke Matgast
So, kleine Änderungen habe ich noch gemacht. Die Kondensatoren am µC war das in etwa so gemeint?? Leider kann ich keinen passenden Traco finden der mir +15V auf +/-12V wandelt. Habe bei Conrad diesen bestellt: www.produktinfo.conrad.com/.../156733-da-01-ml-DC_DC_WANDLER_1W_SIM1_151 5D_DIL8_de_en.pdf Aber den gibt es natürlich bei Eagle nicht, wahr doch klar:-(
Falscher Link. Der wäre richtg... http://www.conrad.de/ce/de/product/156732/DCDC-WANDLER-1-WATT-SIM1-1512D-DIL8/SHOP_AREA_17460&promotionareaSearchDetail=005
Matgast schrieb: > Elena schrieb: >> Für C2, C4, C6, C8, C10, C12 bitte 100µF-Elkos mit niedrigem ESR nehmen. >> Für C3, C5, C7, C9, C11, C13 keramische Highcaps verwenden, mit deutlich >> mehr als 100nF, irgendetwas in X7R. > > welche Größenordnung schwebt dir denn da vor, habe bei Reichelt nur X7R > in 100nF gefunden.... Dort jeweils bei "Vielschicht, SMD Gxxxx, High-Cap": http://www.reichelt.de/Vielschicht/0/500/index.html?;ACTION=2;LA=2;GROUPID=3160
>Leider kann ich keinen passenden Traco finden der mir +15V auf +/-12V >wandelt. >Habe bei Conrad diesen bestellt: Hast du das Datenblatt durchgelesen?? "Maximale kapazitive Last: 33µF"...
Dann kannste das Teil aber in die Tonne treten. Ein Regler, der eine maximal zulässige Ausgangskapazität besitzt?? Hallo??
> Dann kannste das Teil aber in die Tonne treten. Ein Regler, der eine > maximal zulässige Ausgangskapazität besitzt?? Hallo?? Bei DC/DC-Wandlern ist das nicht so ungewöhnlich. Üblicherweise haben die einen Überlastschutz. Wenn die kapazitive Last zu groß ist, dann ist der Einschaltstrom über dem Grenzwert und der Wandler schaltet sich ab. Das hängt aber auch von der Eingangsbeschaltung ab und davon, wie schnell die Eingangsspannung hochrampt. Es gibt auch Wandler, die den Ausgangsstrom einfach nur auf den Maximalstrom begrenzen ohne abzuschalten. Damit kann man dann beliebig große Kapazitäten aufladen.
>Bei DC/DC-Wandlern ist das nicht so ungewöhnlich.
Bei einer angegebenen Taktfrequenz von 60kHz wären dann aber schon
Drosseln erheblicher Induktivität nötig, um bei 60kHz genügend Dämpfung
zu erzielen. Genau diese Drosseln haben dann aber in der Regel eine
niedrig sitzende Resonanzfrequenz, was die Filterwirkung bei den höheren
Harmonischen stark verschlechtert.
Elena schrieb: > Bei einer angegebenen Taktfrequenz von 60kHz wären dann aber schon > Drosseln erheblicher Induktivität nötig, um bei 60kHz genügend Dämpfung > zu erzielen. Genau diese Drosseln haben dann aber in der Regel eine > niedrig sitzende Resonanzfrequenz, was die Filterwirkung bei den höheren > Harmonischen stark verschlechtert. Hallo Elena, hatte schon befürchtet das du diesen Thread überlesen hast;-) Also heißt das: Traco und gut, oder?? Die Caps für den µC, hast du sie dir angeschaut?? Habe antatt der X7R folgende Kondensatoren bestellt: http://www.reichelt.de/Vielschicht-bedrahtet-Z5U-20-/0/16/index.html?;ACTION=2;LA=2;GROUPID=3163;SID=11Td-YZH8AAAIAAA5f2do5710051fe81b32936ddac734579686b0
>Also heißt das: Traco und gut, oder?? Nicht unbedingt. Aber das Alternativteil von Conrad scheint Murks zu sein. >Die Caps für den µC, hast du sie dir angeschaut?? Sind in Ordnung. Kannst eine Ferritperle noch in Serie dazu schalten, wenn nötig. >Habe antatt der X7R folgende Kondensatoren bestellt: > >http://www.reichelt.de/Vielschicht-bedrahtet-Z5U-2... Z5U würde ich nicht nehmen, da sie deutlich schlechter als X7R sind.
So, habe mal gerade ein bisschen "rumgesteckt", allerdings ohne die Keramikkondensatoren da diese leider noch nicht angekommen sind! Bei testen musste ich leidet feststellen, dass der AD620 bei 0mv Eingangsspannung schon 0,694V liefert (G=250) wie ist denn das nu wieder zu erklären...
>Bei testen musste ich leidet feststellen, dass der AD620 bei 0mv >Eingangsspannung schon 0,694V liefert (G=250) wie ist denn das nu wieder >zu erklären... Wie hast du denn den Eingang des AD620 beschaltet? Denke daran, daß die "Input Bias" Ströme irgendwie zur Masse abfließen müssen! Erzähle mal mehr über deine Wäägezellen.
Elena schrieb: > Wie hast du denn den Eingang des AD620 beschaltet? Denke daran, daß die > "Input Bias" Ströme irgendwie zur Masse abfließen müssen! > > Erzähle mal mehr über deine Wäägezellen. Hi Elena, an meinen AD620 häng am Eingang die Brückenschaltung der 4 parallel geschalteten Wägezellen. Habe mal den elektrischen Anschluss einer hochgeladen.... Kann ich das Signal- einfach auf Masse legen denke nicht, oder?? Folgende Wägezellen haben wir dort im Einsatz: www.bosche.eu dann K-Ami suchen wir haben die 20kg Variante! ...Oh man, woher weist du das alles???..... Grüße Matthias
>Kann ich das Signal- einfach auf Masse legen denke nicht, oder?? Nein, die Wägezelle mißt du differentiell. "-EXC" und "+EXC" schließt du an deine 10V-Wägezellenversorgung an, "+Signal" und "-Signal" an die beiden Eingänge des AD620.
Jo, so haben wir das angeschlossen! Mit der angegebenen Filterschaltung komme ich auf +14,6V und -15,6V. Hänge ich nun jeweils einen 270R Widerstand an meine +12V bzw. -12V geht die Spannung von dem Dingen voll in die Knie (3V).... So langsam hab ich kein Bock mehr... gruß Matgast
>Hänge ich nun jeweils einen 270R Widerstand an meine +12V bzw. -12V geht >die Spannung von dem Dingen voll in die Knie (3V).... Was für einen 270R Widerstand??
>der sollte uns als RL dienen zum testen.... Warum wollt ihr denn da 50mA fließen lassen, wenn der AD620 selbst nur 1,3mA verbraucht?? Mein Gott, ihr könnt euch aber auch das Leben schwer machen...
Ja, da hast du wohl recht! Wir müssen ja dann wohl die Ausgangsfilterschaltung abspecken, oder? Wenn dat dingen nur 30µF kann??
Matgast schrieb: > Wenn dat dingen nur 30µF kann?? Das bezieht sich auf den direkten Anschluß. Solange eine passende Serieninduktivität in Reihe ist, welche die Stromanstiegsgeschwindigkeit bremst (Sinn des Filters), geht auch viel mehr.
So haben gerade mal den DC/DC Wandler ohne alles (L,C, etc) an dem AD620 angeschlossen.... funktioniert. >Das bezieht sich auf den direkten Anschluß. Solange eine passende >Serieninduktivität in Reihe ist, welche die Stromanstiegsgeschwindigkeit >bremst (Sinn des Filters), geht auch viel mehr. Also kann ich davon ausgehen das meine Schaltung mit dem DC/DC theoretisch funktionieren sollte?! Wenn die Wägezellen unbelastet sind habe ich ein starkes Rauschen am Ausgang des AD620... Kommt das nun daher weil ich gerade auf jeglichen Filter nach dem DC/DC verzichte??
Matgast schrieb: > Kommt das nun daher weil ich gerade auf jeglichen Filter nach dem DC/DC > verzichte?? Würde ich ja sagen.
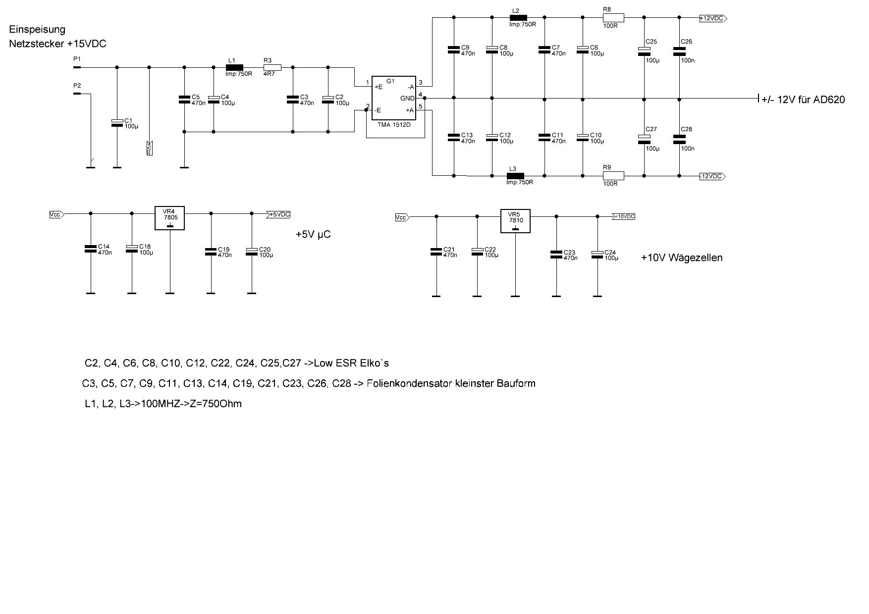
Matgast schrieb: > mit den Filtern wir es aber unsymetrisch... Geht es um diese Schaltung? (Ich habe nicht alles durchgeackert) Datum: 25.05.2011 20:12 R8/ R9 verkleinern und zusätzlich Spule in Reihe. Und so genau sind diese Wandler nicht. Mit kleineren Abweichungen wirst Du Dich abfinden müssen.
>mit den Filtern wir es aber unsymetrisch... Ist vollkommen wurscht. Hauptsache die Spannungen bleiben einigermaßen stabil! >Wenn die Wägezellen unbelastet sind habe ich ein starkes Rauschen am >Ausgang des AD620... Sind die Leitungen zur Wägezelle kurz und abgeschirmt? Eventuell Eingangsfilter beim AD620 nachrüsten! Wie sieht eure Masseführung aus? Habt ihr die Masse des 10V-Reglers mit dem Massepunkt zwischen C6 und C10 verbunden (Stichwort: Sternförmige Messführung!)?
>Stichwort: Sternförmige Messführung!
Sollte natürlich heißen:
"Stichwort: Sternförmige Masseführung!"
Hab ich mir gedacht...mittlerweile verstehe dich ja auch blind;-) Grüße Matthias
Ich möchte nochmal zur ursprünglichen Fragestellung des Threads zurück kommen. Inzwischen habe ich das Layout fertig gestellt und möchte euch um Kommentare oder Kritik bitten. Im Anhang ist das Layout, ich habe es zur Vereinfachung eingefärbt. Alle Flächen befinden sich auf dem TOP-Layer: Rot: GND (VIN- der Versorung und GND der nachfolgenden Schaltung) Magenta: Eingang des PI-Filters vor dem Schaltregler Ocker: Ausgang des PI-Filters vor dem Schaltregler Grün: Eingang des PI-Filters nach dem Schaltregler Gelb: Ausgang des PI-Filters nach dem Schaltregler (stabilisierte Spannung für nachfolgende Schaltung) 1. Sind die Bauelemente optimal platziert? 2. Sind die Flächen optimal verlegt? 3. Welches Signal/Fläche würde man direkt unter dem gezeigten Layer verlegen? Danke und Grüße, Bastian
Da ich kein negatives Feedback erhalten habe gehe ich mal davon aus, dass mein Layout zufriedenstellend ist. Ich werde die Platine also demnächst in die Fertigung geben.
Konsens in diesem Thread war, Schaltreglern am Ein- und Ausgang je ein Pi-Filter zu verpassen. Zum Einsatz kommt ein LM2576T-5.0, Strom ca 500 mA. L31 und L32 sind 6 Loch Breitband-Drosselspulen von Reichelt, 06H-75 oder 06H-85. http://www.reichelt.de/Fest-Induktivitaeten-axial/06H-75/3/index.html?ACTION=3&GROUPID=3179&ARTICLE=1103&OFFSET=16& http://www.reichelt.de/Fest-Induktivitaeten-axial/06H-85/3/index.html?ACTION=3&GROUPID=3179&ARTICLE=1104&SEARCH=ferrit%205%20loch&OFFSET=16& Werden durch Pi-Filter die in der AppNote angegebenen Kondensatoren am Ein- und Ausgang des LM überflüssig? Brauche ich C34, C35, C40? Wie sind sie jetzt zu dimensionieren? EXT_GND wird am LM auf den Masse-Pin geführt. Gibt in Eagle eine Warnung für Überlappung, die ich akzeptiere. Merci für weitere Tips!
Kannst du Trottel nicht einen neuen Thread aufmachen, anstatt diese viereinhalb Jahre alte Leiche auszubuddeln?
danke für diese Zusammenfassung!, und schön das es nicht nur Trottel gibt, die für alles einen neuen Thread öffnen und meinen andere deshalb als Trottel bezeichnen zu müssen...meinen manche hier vielleicht 2 Jahre Später gibt es so eine Problem nirgends mehr!?!
Bitte melde dich an um einen Beitrag zu schreiben. Anmeldung ist kostenlos und dauert nur eine Minute.
Bestehender Account
Schon ein Account bei Google/GoogleMail? Keine Anmeldung erforderlich!
Mit Google-Account einloggen
Mit Google-Account einloggen
Noch kein Account? Hier anmelden.






















