Hallo, Leute! Ich würde gerne einen Vorverstärker mit 2 Drehimpulsgebern bauen. Mit dem einen würde ich gerne die ELV-Klangregelstufe im Anhang steuern, den Anderen würde ich als Inputselector nehmen. Da ich in Sachen Microcontroller blutiger Anfänger bin, weiß ich nicht, wie ich z.B. Displays ansteuern kann. Wie kann ich die Drehimpulsgeber anstelle der Potis einbauen?? Wie könnte ich mit dem Drehimpulsgeber einen ATmega8L als Inpustselector ansteuern? Welches Display kann ich wie mit einem Meag8 ansteuern? Ich bin euch für jede Hilfe dankbar!! Gruß Nils
@ Nils K. (transistor-friedhof) >Wie kann ich die Drehimpulsgeber anstelle der Potis einbauen?? Machbar, aber aufwändig, siehe Drehgeber, dazu ein digitlaes Poti. >Wie könnte ich mit dem Drehimpulsgeber einen ATmega8L als Inpustselector >ansteuern? Siehe oben. >Welches Display kann ich wie mit einem Meag8 ansteuern? Viele, versuchs erstmal mit dem einfachen Klassiker. http://www.mikrocontroller.net/articles/AVR-GCC-Tutorial/LCD-Ansteuerung MfG Falk
Nils K. schrieb: > Hallo, Leute! > > Ich würde gerne einen Vorverstärker mit 2 Drehimpulsgebern bauen. > Mit dem einen würde ich gerne die ELV-Klangregelstufe im Anhang steuern, > den Anderen würde ich als Inputselector nehmen. Da ich in Sachen > Microcontroller blutiger Anfänger bin, weiß ich nicht, wie ich z.B. > Displays ansteuern kann. > > Wie kann ich die Drehimpulsgeber anstelle der Potis einbauen?? gar nicht - die Potis müssen durch elektronische ersetzt werden, oder wie ich das sehe geschieht die Ansteuerung mit Gleichspannung alternativ über D/A-Wandler vom Controller. Der Drehimpulsgeber hängt mit einigen Tastern ebenfalls am Contoller > Wie könnte ich mit dem Drehimpulsgeber einen ATmega8L als Inpustselector > ansteuern? wie oben über den Controller, oder aber auch mit einigen Logikschaltkreisen > Welches Display kann ich wie mit einem Meag8 ansteuern? alle gebräuchlichen Textdisplays auf jeden Fall Sascha
Beitrag "100W-Verstärker" Beitrag "Schaltpläne für Preamp mit Input-Selector gesucht!!" Beitrag "Input-Selector mit Atmega8L für Audioverstärker?" Beitrag "Zuse-Rechner nachbauen" Vielleicht solltest du, wie jeder andere auch, ein paar Nummern kleiner anfangen. Deine 'Projekte' stehen in krassen Widerspruch zu deinem Wissen. Ich will deinen Enthusiasmus nicht dämpfen und auch gescheiterte Projekte haben einen Lerneffekt. Bei dir sehe ich allerdings eher ein erhöhtes Frustrisiko. MfG Spess
Ich möchte einfach einen Komplettverstärker bauen. "Normale" Preamps habe ich schon genug gebaut. In Sachen Endstufe habe ich auch so meine Erfahrungen, allerdings eher im Bereich IC. Was den Zuse-Rechner angeht, so war das eine kurze Überlegung meinerseits.
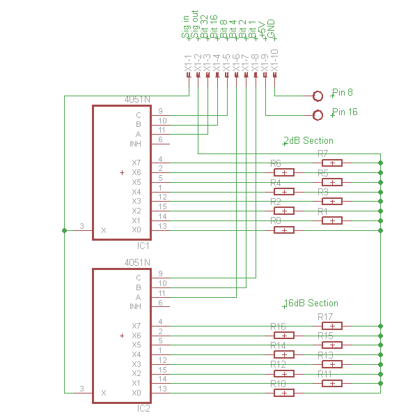
OK so?? Das ist nur ein Auszug aus meiner gesammt Schaltung.
Bitte melde dich an um einen Beitrag zu schreiben. Anmeldung ist kostenlos und dauert nur eine Minute.
Bestehender Account
Schon ein Account bei Google/GoogleMail? Keine Anmeldung erforderlich!
Mit Google-Account einloggen
Mit Google-Account einloggen
Noch kein Account? Hier anmelden.


