Forum: Gesperrte Threads KTY10. Brauche dringend Hilfe!


von uriel d. (Firma: hdl) (uriel1)


Angehängte Dateien:

Lesenswert?

Hallo erstmal.

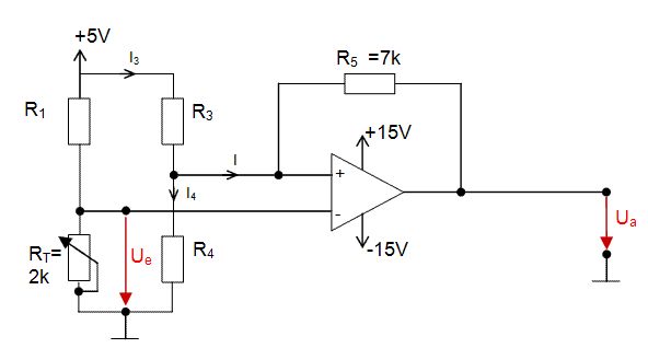
Als Temperatursensor wird eint KTY-10 verwendet. Dieser soll mit einem
Linearisierungswiderstand für den gegebenen Temperaturbereich (50-120°)
beschaltet werden.

Die nachfolgende Verstärkerschaltung soll so ausgelegt werden, dass die
Ausgangsspannung zwischen 0 und 5 V liegt.


Es darf jeder beliebige Wert für die Eingangsspannung
angenommen werden.
Für mich war es daher naheliegend 5V für die Versorgungsspannung 
anzunehmen.


Nur weiß ich nicht wie ich auf die Widerstandswerte R1, R3 und R4 kommen
soll?

R5 ist der Linearisierungswiderstand den ich berechnet habe.

von Adelmaninger (Gast)


Lesenswert?

Sehr geehrter Herr Haderlap ich werde mir das vermerken!

von weiss nicht (Gast)


Lesenswert?

Adelmaninger schrieb:
> Sehr geehrter Herr Haderlap ich werde mir das vermerken!

Was soll das??

von NopNop (Gast)


Lesenswert?


von Technikerererer (Gast)


Lesenswert?

keine Ahnung aber das Thema interessiert mich aber ich komme auch nicht 
auf die Lösung würde sie aber auch gerne wissen hat jemand ahnung

von Rolii (Gast)


Lesenswert?

kan stress Lape lg vom breite

von Chris (Gast)


Lesenswert?

Wieso hast du den ersten OPV aus der ursprünglichen Schaltung raus 
genommen?
So machst du dir nur das Leben schwer.

von Technikererer (Gast)


Lesenswert?

stimmt ja nicht wieso mit einen ist die rechenaufstellung leichter

Dieser Beitrag ist gesperrt und kann nicht beantwortet werden.