Hallo zusammen! Ich möchte ein 8-Bit-Signal ins Dezimalsystem umwandeln und auf einer 7-Segment anzeige wieder geben. Das ganze wollte ich möglichst ohne µC machen. Ich hatte schon an eine Schaltung mit dem 4543 gedacht, der zeigt allerdings nur Zeichen von 0-9, aber 8 Bit sind nunmal 256 Zeichen... Kann ich mehrere 4543 so beschalten, dass sie die Zahlen von 0-256 auf 3 7-Segmentanzeigen darstellen? Danke! Nils K.
das Stichwort zur Suche lautet 4543 kaskadieren gib das mal in google ein. Der erste Link scheint vielversprechend zu sein...
Die Seite hatte ich auch schon. Allerdings ist die Schaltung mit einem 4518 aufgebaut. Der Übertrag geht nur von einem Zähler auf den anderen. Die Anzeige soll später in einem "Taschenrechner" eingesetzt werden. Daher ist ein Zaähler nicht ganz passend. Aber mal gucken was die anderen links sagen... ;-)
Gibt es eine Möglichkeit, nur Binärzahlen von 0-9 auf jeweils einen 4543
aufzuteilen??
z.B.
Anz1 Anz2 Anz3
| | |
| | |
IC1 IC2 IC3
| | |
| | |
---------------------------
| |
| Verteiler |
| |
---------------------------
|
|
---------------------------
8-Bit-Wert
Der Verteiler sorgt dafür, dass Binärwerte von jeweils 0000 bis 1001 auf
die ICs verteilt werden.
Gibt es so einen "Verteiler-IC"??
Gibt es eine alternative Transistor-Schaltung??
Gibt es Anzeigen/Displays, die direkt 8-Bit lesen??
Du könntest ein ROM (EEPROM,...) dafür "verbraten". Ansonsten kann man dafür auch ne Logikschaltung aufbauen, die wird aber etwas komplexer vermutlich.
Nils K. schrieb: > Das ganze wollte ich möglichst ohne µC > machen. Ohne uC ist das nicht so ganz einfach. Es gibt / gab da mal ein IC fuer: 74185 http://pdf1.alldatasheet.com/datasheet-pdf/view/102201/NSC/74185.html Dere Aufwand waechst aber mit der Stellenzahl ernorm an. Siehe Seite 6 des Datenblattes. Besser und einfacher ist es sich mit einem uC anzufreunden. Oder als Alternative das ganze in einem FPGA zu machen.
Nils K. schrieb: > Hallo zusammen! > > Ich möchte ein 8-Bit-Signal ins Dezimalsystem umwandeln und auf einer > 7-Segment anzeige wieder geben. Das ganze wollte ich möglichst ohne µC > machen. Ich hatte schon an eine Schaltung mit dem 4543 gedacht, der > zeigt allerdings nur Zeichen von 0-9, aber 8 Bit sind nunmal 256 > Zeichen... > > Kann ich mehrere 4543 so beschalten, dass sie die Zahlen von 0-256 auf 3 > 7-Segmentanzeigen darstellen? Wenn Du bereits ein 8-Bit BCD-Signal hast, kannst Du das natürlich auch direkt über z.B. 4543 anzeigen. Ein 8-Bit Binärsignal müsstest Du erst in ein (10 Bit)BCD-Signal umwandeln. Der einfachste Weg dazu ohne uP wäre ein doppelter Zähler. Du lädst den 8-Bit Wert in einen 8-Bit Zähler, zählst diesen mit einem Taktgeber auf 0 runter und gleichzeitig einen 10 Bit BCD-Zähler hoch. In diesem steht dann anschliessend der gewünschte BCD-Wert, den man dann mit den 4543-Decodern anzeigen kann. Gruss Harald PS: Alternativ könnte man auch ein EPROM als Codewandler passend programmieren. Dazu brauchst Du aber ein passendes Programmiergerät.
Wenn es nicht zeitkritisch ist gibt es auch noch eine Zaehlmethode. Du hast 2 Zaehler einen BCD und einen Binaeren Zaehler. Beide werden gleichzeitig getaktet. Dann wird der Binaere Zaehler mit dem binaeren Wert verglichen sind dann beide gleich steht im BCD Zaehler der gewandelte Wert drin.
Kann man auch eine Frequenz erzeugen und dann die Anzeigen wie bei einem
µC ansteuern??
Dann bräuchte man zumindest keine 3 4543 und müsste die 8-Bit auf 4-Bit
(1001) begrenzen und in drei Enheiten aufteilen...
----------------
| Begrenzer |
|---------------------------------------------| |
||--------------------------------------------| |
|||-------------------------------------------| |
||||------------------------------------------| |
|||| | |
|||| ----------------
---------- -------- ---------- |
| 4543 | | Anz1 | | 47 HC 93 |---------|
| 7-Seg- |-------------| | | Binär- | |
| Treiber |-------------| Hundert| | zähler | ----------------
| |-------------| | | | | Frequenz- |
| |-------------| | ---------- | generator |
| |-------------| | |||| | (NE555?) |
| |-------------| | |||| | |
| |-------------| | |||| ----------------
| | ||||||| | |--| ||||
---------- ||||||| -------- | ------------------
||||||| || 4067 |
||||||| -------- || BCD-to-Dez- |
||||||| | Anz2 | || Converter |
|||||||---| | | ------------------
|||||||---| Zehn | | ||||||||||||||||
|||||||---| | | ||||||||||||||||
|||||||---| | | ||||||||||||||||
|||||||---| | | <<<<<<<<<<<<<<<<< 1,4,7,10,13
|||||||---| | | <<<<<<<<<<<<<<<<< 2,5,8,11,14
|||||||---| | | <<<<<<<<<<<<<<<<< 3,6,9,12,15
||||||| | |-|| ||| verbinden
||||||| -------- | --|||
||||||| |----||
||||||| -------- |
||||||| | Anz3 | |
|||||||---| | |
||||||----| Eins | |
|||||-----| | |
||||------| | |
|||-------| | |
||--------| | |
|---------| | |
| |-------|
--------
Helmut Lenzen schrieb: > @Harald > > Schon wieder mal Gedankenuebertragung ? Ich habe damals 7min gebraucht, du jetzt nur 1min. Obiger Vorschlag (mit Schalbild) Wurde mal in den ewig alten Halbleiter-Schaltbeispielen von Siemens vorgestellt. Gruss Harald
Ich hatte in diese Richtung gedacht. Was für eine (Integrierte-)Schaltung müsste ich für den Begrenzer verwenden? Gibt es intelligente Displays, die mir den 8-Bit-Wert direkt anzeigen?
Schon nicht schlecht!!! Allerdings hatte ich mir vorgenommen ohne µC auszukommen, da es meine Vorgaben für dieses Projekt (technisch gesehen) sprengen würde!!
Nils K. schrieb: > Schon nicht schlecht!!! > Allerdings hatte ich mir vorgenommen ohne µC auszukommen Ein CPLD ist kein uC! > da es meine Vorgaben für dieses Projekt (technisch gesehen) sprengen > würde!! Was sind deine "technischen Vorgaben"? Ich würde auch ein CPLD nehmen. Oder ein kleines FPGA. Aber ein uC ist hier evtl. die schnellste, kompakteste und insgesamt kostengünstigste Lösung. Nils K. schrieb: > aber 8 Bit sind nunmal 256 Zeichen... Das stimmt... > Kann ich mehrere 4543 so beschalten, dass sie die Zahlen von 0-256 auf 3 > 7-Segmentanzeigen darstellen? Aber 0..256 sind 257 Zeichen. Und 8 Bit gehen von 0-255... :-o
Nils K. schrieb: > Gibt es denn keine andere Alternative?? Parallele Hardware-Dividierer in HC-Logik sind eher selten.
wie wärs mit ein bischen Umbastelei eines Frequenzzählers, z.B. damit: http://www.rotgradpsi.de/mc/messurement/frequcoun.html (gefunden in google mit: +frequenzzähler ic")
Nils K. schrieb: > Gibt es denn keine andere Alternative?? Die Alternativen Zähler oder Eprom kommen für Dich nicht in Frage? Gruss Harald PS: Für ungewöhnliche Aufgaben gibt es eben keine Standard-Lösungen. Wer zählen will, nimmt gleich Dezimalzähler. Wer AD wandeln will, nimmt gleich BCD-AD-Wandler und der Rest nimmt einen uP. :-)
>Ich möchte ein 8-Bit-Signal ins Dezimalsystem umwandeln und auf einer
7-Segment anzeige wieder geben
Du könntest altegediente EPROMs einsetzen.
Das sind die 24 bzw. 28-beinigen Dinger mit UV Fenster, die man früher
hatte, und die es für kleines Geld im Resteverkauf gibt.
Für deine Zwecke ist alles ab 2716 geeignet, also auch 2732, 2764,
27128, 27256 und 27512.
Für jede der 3 Stellen brauchst du 1 Bauteil.
8 Binärstellen als Eingang auf A0..A7.
A8 und A9 können als "Stellenauswahl" dienen, dann hat man 3x
identisches "Programm".
Datenausgänges der Eproms können die Anzeige direkt treiben, wenn's
nicht gerade 20 mA pro Segment sind.
Eine (freie) SW um das "Programm" zu erstellen gibt es.
Bitte bei Interesse hier nachfragen.
Einziger Nachteil: Man braucht ein Eprom-Programmiergerät .
Erich schrieb: > Einziger Nachteil: Man braucht ein Eprom-Programmiergerät . ... und für den einen oder anderen Fehlversuch auch eine geeignete UV-Lampe
Oder etwas moderner, mit Netzwerkkart Flash programmieren: http://www.bralug.de/wiki/Eprom_mit_Netzwerkkarte_flashen
Erich schrieb: > Für jede der 3 Stellen brauchst du 1 Bauteil. Es reichen auch 2 EEPROMs: 7 Bits für die sieben Segmente der 10er und 1er, und die 2 übrigen Bits für die Zahlen 1 und 2 in der 100er-Stelle... Oder sogar nur 1 EPROM nehmen und mit einem zusätzlichen 555er die Stellen umschalten... ;-)
Hat nicht doch noch jemand eine Ahnung, wie man das auch z.B. mit AND- und NOR-Gattern hinbekommt?
Nils K. schrieb: > Hat jemand eine ahnung, ob man das auch z.B. mit AND- und NOR-Gattern > hinbekommt? Natürlich bekommt man das hin. Das ist sozusagen eine klassische Aufgabe der Schaltalgebra. Aber bei der grossen Menge an Gattern, die Du für diesen Zweck brauchst, macht das eigentlich wenig Sinn. Dann schon besser die Lösung mit zwei Eproms. Gruss Harald
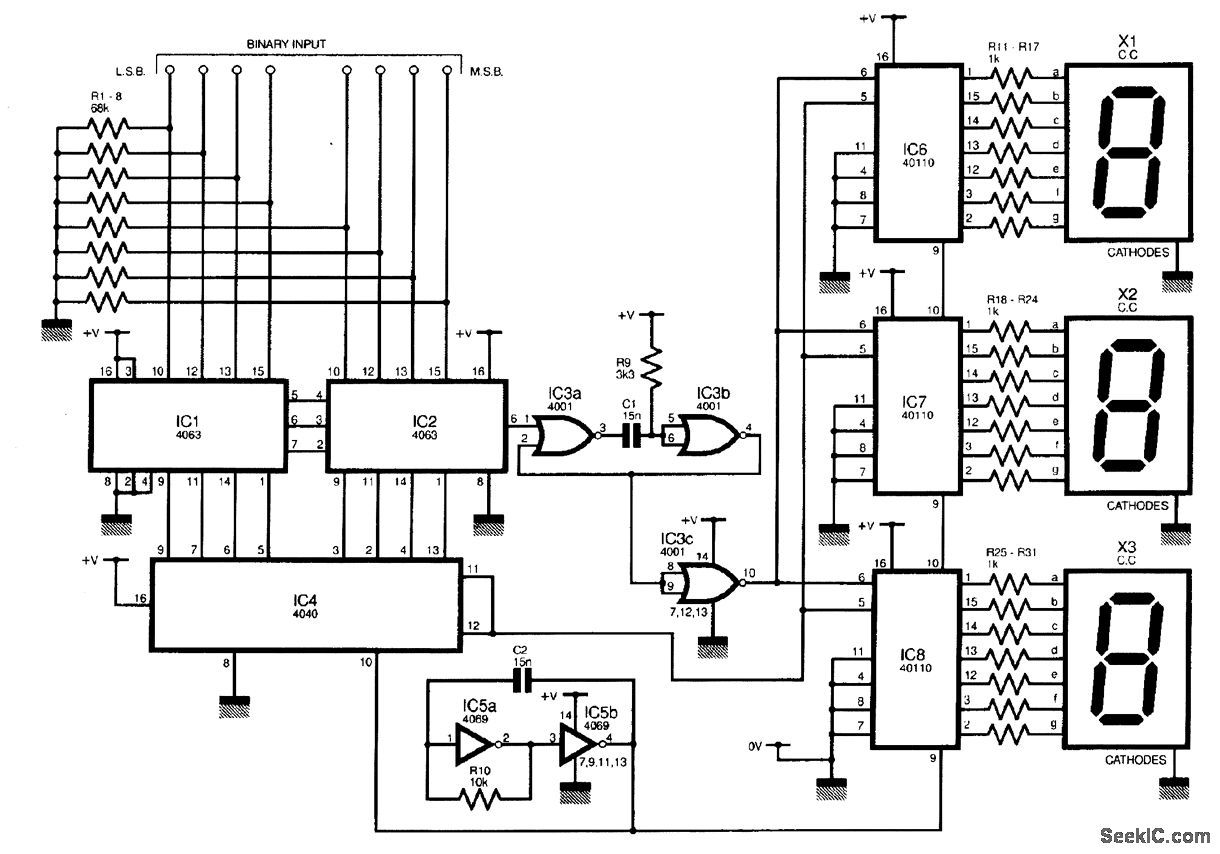
Ich hab gerade diesen Schaltplan im Netz gefunden. Sieht sehr nach dem aus, was ich brauche. Leider kenne ich nur die Hälfte der ICs... Was sagt ihr?? geeignet, oder nicht??
Nils K. schrieb: > Sieht sehr nach dem aus, was ich brauche. Das must du doch am besten beurteilen können ;-)
Nils K. schrieb: > Ich hab gerade diesen Schaltplan im Netz gefunden. Sieht sehr nach dem > aus, was ich brauche. Leider kenne ich nur die Hälfte der ICs... > > Was sagt ihr?? > > geeignet, oder nicht?? Ich bin mir nicht sicher, aber das könnte die schon mehrfach angesprochene Zählerlösung sein. Gruss Harald
Nils K. schrieb: > Ich hab gerade diesen Schaltplan im Netz gefunden. Sieht sehr nach dem > aus, was ich brauche. Leider kenne ich nur die Hälfte der ICs... Yep. Das ist eine Variante der in Beitrag "Re: 8-Bit als Dezimalzahlen" bereits erwähnte Methode. Ein Binärzähler (4040) und 2 Komparatoren (4063), und pro LED-Anzeige ein Dezimalzähler mit integriertem Latch und 7-Segment Dekoder (40110). Der Binärzähler inkrementiert kontinuierlich. Parallel dazu zählen die LED-Zähler dezimal hoch, werden zurückgesetzt beim Übertrag des Binärzählers. Wenn der der Binärzählers den Eingabewert erreicht hat speichert das Latch in den Dezimalzählern. Die Anzeigen werden hier allerdings nur mit wenigen mA betrieben, weil der 40110 nicht mehr hergibt. IC5 erzeugt den Takt für die Zähler. IC3 wandelt den Komparator-Zustand in einen Impuls um (vgl. Monoflop). Warum IC3 in dieser Form erforderlich ist erschiesst sich wahrscheinlich erst, wenn man das Timing der Komponenten zueinander in Beziehung setzt.
>Oder als Alternative das ganze in einem FPGA zu machen.
LOL dafür reicht das popligste GAL was man mal als Adressdekoder
programmieren wollte und noch in der Bastelkiste herumfliegt :D
Nils S. schrieb: >> Oder als Alternative das ganze in einem FPGA zu machen. > LOL dafür reicht das popligste GAL was man mal als Adressdekoder > programmieren wollte und noch in der Bastelkiste herumfliegt :D Ein einziges GAL? Zeigen... Und ausserdem meine ich, dass ein billiges FPGA zwischenzeitlich billiger als das uralte GAL sein dürfte. Insbesondere wenn man mal die nötige Programmierumgebung und den Programmer auch noch braucht... Zudem blieb da eine Frage bisher unbeantwortet: Lothar Miller schrieb: > Nils K. schrieb: >> Schon nicht schlecht!!! >> Allerdings hatte ich mir vorgenommen ohne µC auszukommen >> da es meine Vorgaben für dieses Projekt (technisch gesehen) sprengen >> würde!! > Was sind deine "technischen Vorgaben"?
Man kann das auch über TTL-Addierer machen, das erste Bit ist noch identisch mit dem Eingangssignal, das kann man direkt verwenden. Ab dem zweiten Bit muß man jeweils den Bitstellenwert aufaddieren. Kostet aber ähnlich viele Bauteile und Verdrahtung wie die alten 74185. Dasselbe geht auch rückwärts für BCD->Binär.
So habe ich das mal für die umgekehrte Richtung geroutet, 11 Stück CD4008 für 14 Bit BCD -> Binär. Das sollte einen PLL-IC von Plessey parallel ansteuern, 1983 war das. Die Idee dazu stammte aus Elektor 3/1974 S. 50/51. Daran wurden vier BCD-Daumenradschalter ( heißt das nicht so?) angeschlossen.
Upsssss... Ich sehe mir den Schaltplan gerade genauer an und stelle fest, dass der 4069 kein NOT-Gate ist, sondern (laut Eagle) ein "binary rate Multiplier" (was auch immer das ist). Nächstes Problem: Das Bauteil aus dem Schaltplan hat ein DIL-14-Gehäuse, der Eagle-IC ein DIL-16. Was soll das jetzt darstellen??
da steht auch nicht 4069 sondern 4063, http://www.alldatasheet.com/view.jsp?Searchword=CD4063 CMOS 4-BIT MAGNITUDE COMPARATOR und 4069 ist ein 6-fach Inverter 4089 wäre ein rate multiplier, das ist ein "Impulsverschlucker", von N Eingangsimpulsen werden 0...N-1 Impulse unterdrückt. Damit kann man eine einstellbare Frequenz in N Stufen erhalten, als Mittelwert jedenfalls. Der Jitter ist wesentlich größer als bei PLL oder DDS.
Es geht um die beiden NOT-Gates am unteren Rand des Schaltplans (von Pin 10/IC4 und Pin 9/IC8). Da steht eindeutig 4069.
Nils K. schrieb: > Es geht um die beiden NOT-Gates am unteren Rand des Schaltplans (von Pin > 10/IC4 und Pin 9/IC8). Da steht eindeutig 4069. Das ist ja auch richtig so (Inverter = NOT-Gate) Gruss Harald
Nach 27 Jahren musste ich ein wenig suchen. Wenn ich weitersuche finde ich auch noch das Layout, im Stil der Zeit mit Abreibelötaugen und schwarzem Kreppband im Massstab 2:1 auf Folie geklebt. Die 7-Segment-Decoder waren vermutlich programmierte PROMs, dem gewaltigen Stromverbrauch nach zu schließen. Jedenfalls sind das echte Hexadezimal zu 7Segment Decoder von Fairchild, F9368PC Baujahr 1980.
mich beschleicht ein nostalgisches Gefühl... aber der Scanner ist eindeutig zu klein für die Platine. Alldatasheet kennt den F9368PC nicht, aber bei Google stürzen sofort alle IC-Broker über einen herein.
Ich sags ja, eine gut gefüllte "Biecherkammer" ( http://de.wikipedia.org/wiki/Ijon_Tichy:_Raumpilot ) ersetzt das halbe Internet Aus dem Fairchild TTL-Databook 1978 http://manoman.sqhill.com/books.php da ist ein Fairchild TTL Book von 1972, (derzeit aber nicht zugänglich, ich bekomme 404 error)
Christoph Kessler (db1uq) schrieb: > Die 7-Segment-Decoder waren vermutlich programmierte PROMs, dem > gewaltigen Stromverbrauch nach zu schließen. Ne, standard TTL hat wirklich soviel Strom gezogen. Mein 8-Digit Frequenzmesser hat 2,5A verbraucht. Peter
Peter Dannegger schrieb: > Ne, standard TTL hat wirklich soviel Strom gezogen. Ausserdem passt die Charakteristik der Segment-Ausgänge kein klitzekleines bischen zu TTL PROMs.
Als DM9368 hat ihn die wiedererstandene Fairchildsemi noch 2001 angeboten: http://www.datasheetcatalog.com/datasheets_pdf/D/M/9/3/DM9368.shtml inzwischen heißt es dort lapidar "No information was found for DM9368"
Addierer werden anscheinend selten gekauft, Reichelt hat noch: 74LS 83 (0,68€) 74LS283 (0,24€) 74HC283 (0,49€) das wars schon. Für die oben verlangte Konversion Binär -> BCD wäre ein HCC4560 oder 74F583 BCD-Addierer die beste Wahl. Mit Binäraddierern wird es komplizierter - geht das überhaupt? http://www.alldatasheet.com/datasheet-pdf/pdf/22373/STMICROELECTRONICS/HCC4560B.html http://www.alldatasheet.com/datasheet-pdf/pdf/50370/FAIRCHILD/74F583.html http://www.alldatasheet.com/datasheet-pdf/pdf/15462/PHILIPS/74F583.html
Christoph Kessler (db1uq) schrieb: > Für die oben verlangte Konversion Binär -> BCD wäre ein HCC4560 oder > 74F583 BCD-Addierer die beste Wahl. Mit Binäraddierern wird es > komplizierter - geht das überhaupt? Nö, aber wie immer man das macht, es wird ein ziemliches Gattergrab. Viel einfacher als mit der skizzierten CD4000 Schaltung wirds wohl nicht, wenn man auf ROMs und programmierbare Logik verzichtet. Die CD4000 Schaltung ist aber auch nur deshalb so einfach, weil man mit dem 40110 ein 3-in-1 Teil zur Verfügung hat, mit Zähler, Register und Dekoder in einem IC.
Man kann natürlich alles mit Logik-ICs zusammenzimmern. Mit 4 bit geht das noch einigermaßen gut: http://dialog.conrad.de/bauelemente/aktive-bauelemente/3797-logik-ic-zum-dicodieren-von-4-bit-bc-zu-dezimal-code/ aber 8 bit... könnte leicht unpraktich werden.
A. K. schrieb: > Viel einfacher als mit der skizzierten CD4000 Schaltung wirds wohl > nicht, wenn man auf ROMs und programmierbare Logik verzichtet. Etwas weniger ICs dürfte man brauchen, wenn man anstatt des binären Aufwärtszählers und der beiden Vergleicher einen vorsetzbaren 8-Bit-Abwärtszähler (CD40103) verwendet. Das erfordert natürlich auch Änderungen an der restlichen Logik. Und statt der drei 40110 kann man einen ICM7217 nehmen - der kostet allerdings deutlich mehr als die drei CD40110. Ansonsten findet man im Internet tatsächlich Händler, die vorgeben, den guten alten 74185 liefern zu können (z.B. www.riedl-electronic.at). Drei Stück davon (laut Datenblatt verschaltet) und dahinter drei 7447 (o.ä.) würden die Aufgabe erledigen - ohne Zähler. Die 74185 dürften allerdings ziemlich alt sein (die werden wohl seit mehr als zwanzig Jahren nicht mehr hergestellt) - ob bzw. wie lange die noch funktionieren?
Seltener Gast schrieb: > Etwas weniger ICs dürfte man brauchen, wenn man anstatt des binären > Aufwärtszählers und der beiden Vergleicher einen vorsetzbaren > 8-Bit-Abwärtszähler (CD40103) verwendet. Yep, das klingt besser. > Und statt der drei 40110 kann man einen ICM7217 nehmen - der kostet > allerdings deutlich mehr als die drei CD40110. Klar. Ich ging von Standardlogik aus. > ziemlich alt sein (die werden wohl seit mehr als zwanzig Jahren nicht > mehr hergestellt) - ob bzw. wie lange die noch funktionieren? Vom rumliegen gehen die nicht kaputt. Höchstes die Anschlüsse kriegen bischen Haut, so dass man dann evtl. gelötet besser fährt als gesteckt.
Beitrag #5052865 wurde von einem Moderator gelöscht.
Beitrag #5052869 wurde von einem Moderator gelöscht.
Bitte melde dich an um einen Beitrag zu schreiben. Anmeldung ist kostenlos und dauert nur eine Minute.
Bestehender Account
Schon ein Account bei Google/GoogleMail? Keine Anmeldung erforderlich!
Mit Google-Account einloggen
Mit Google-Account einloggen
Noch kein Account? Hier anmelden.




