Hallo zusammen, da ich mich als Maschinenbauer mit Elektrokrempel immer schwer tue, wollte ich Euch einmal bitten, falls Ihr Lust und Zeit habt, einen Blick auf meinen Schaltplan und das Boardlayout zu werfen und das Ganze zu kontrollieren. Die Schaltung dient dazu einen kleinen DC - Motor und ein paar LEDs mit einem per Mäuseklavier einstellbaren Zufallsgenerator zu betreiben. Ich bedanke mich für Eure Hilfe schon mal im Voraus, Gruß Olli
Kleiner Tipp: Stell die Pläne als Bild hier rein, nicht jeder hat Eagle und/oder Lust erst das ZIP runterzuladen... Achja und gleich dazu: Bildformate
> einen kleinen DC - Motor und ein paar LEDs > Louie_v2.zip Looping Louie, mh? :D Hier auch als fertiges Projekt als Inspiration oder gleich Nachbau :) Beitrag "pimp my Looping Louie (mit Mikrocontroller & Zufall!)"
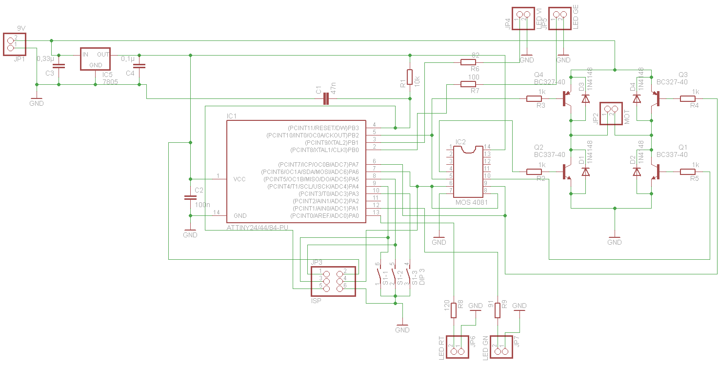
Was mir auffällt: - mit den 5V Steuersignalen wirst du den PNP-Transistor der Brücke nicht ausschalten können. Der Emitter ist auf 9V, die Basis wird nicht über 5V kommen können. - Die Vorwiderstände der LEDs sind alle verhältnismäßig klein gewählt. Erstens ist das schon eine Menge Strom aus den ATTiny-Pins und zweitens, bist du sicher, dass die LEDs mit rund 30mA betrieben werden dürfen/müssen? - An den Schaltern würde ich, trotz internem Pullup, externe Pulls vorsehen. - Der Block-C am ATTiny ist zu weit weg. Da, wo C2 sitzt, ist er nutzlos und kann bei gleicher Wirkung ersatzlos gestrichen werden. Auch der 4081 könnte einen Block-C vertragen. - Die Masseführung ist nicht besonders gelungen. Warum nutzt du nicht die Top-Lage intensiv, wenn du eh eine hast und zudem bedrahtete Bauelemente verwendest. Die sind auch von oben lötbar. - Die einzigen Leiterbahnen auf Top sind doch übereinander gelegt und machen so Kurzschlüsse - oder verstehe ich da etwas ganz falsch? DRC ist dein Freund!
moep schrieb: >> einen kleinen DC - Motor und ein paar LEDs >> Louie_v2.zip > > Looping Louie, mh? :D > > Hier auch als fertiges Projekt als Inspiration oder gleich Nachbau :) > Beitrag "pimp my Looping Louie (mit Mikrocontroller & Zufall!)" Ja genau :). Die andere Schaltung habe ich auch gefunden, da ich mich momentan ein bißchen in die µC - Programmierung einarbeite, wollte ich eine Schaltung neu entwerfen, um zu sehen ob ich das auch kann :) HildeK schrieb: > Was mir auffällt: > - mit den 5V Steuersignalen wirst du den PNP-Transistor der Brücke nicht > ausschalten können. Der Emitter ist auf 9V, die Basis wird nicht über 5V > kommen können. > - Die Vorwiderstände der LEDs sind alle verhältnismäßig klein gewählt. > Erstens ist das schon eine Menge Strom aus den ATTiny-Pins und zweitens, > bist du sicher, dass die LEDs mit rund 30mA betrieben werden > dürfen/müssen? > - An den Schaltern würde ich, trotz internem Pullup, externe Pulls > vorsehen. > - Der Block-C am ATTiny ist zu weit weg. Da, wo C2 sitzt, ist er nutzlos > und kann bei gleicher Wirkung ersatzlos gestrichen werden. Auch der 4081 > könnte einen Block-C vertragen. > - Die Masseführung ist nicht besonders gelungen. > Warum nutzt du nicht die Top-Lage intensiv, wenn du eh eine hast und > zudem bedrahtete Bauelemente verwendest. Die sind auch von oben lötbar. > - Die einzigen Leiterbahnen auf Top sind doch übereinander gelegt und > machen so Kurzschlüsse - oder verstehe ich da etwas ganz falsch? > DRC ist dein Freund! Danke für die Rückmeldung ! - gibt es da eine elegante Lösung oder ist es besser den Emitter mit 5 V zu verbinden ? Würde gerne 9 V für den Motor haben, damit er schneller ist - Die LEDs sind superhelle LEDs von reichelt, die Informationen hab ich vergessen zu erwähnen. Habe sie mit dem reichelt LED - Kalkulator berechnet. Ich habe sie so in einem ähnlichen Projekt schon seit Längerem in Betrieb und es funktioniert. - ok. Ich werde dann einfach Sockel für beide ICs nehmen mit integriertem Abblockondensator - hier fehlt auch eine Info: die Top - Lage ist eine Verdrahtung, also die wollte ich gar nicht nutzen. Das spart mir bei der Toner - Ätz Methode ein wenig Aufwand. Leider ist die Verdrahtung der LEDs nicht besonders gelungen das stimmt :/
entropie schrieb: > - gibt es da eine elegante Lösung oder ist es besser den Emitter mit 5 V > zu verbinden ? Neben fertigen Brückentreiber-ICs kannst du auch mit einem zusätzlichen NPN-Transistor (quasi einem Open-Kollektor-Ausgang) die beiden PNP ansteuern. Allerdings musst du dann das Ansteuersignal invertieren. Es dürfte viele Beispiele im Forum geben, die dir den Weg zeigen. Etwa so:
1 | 9V |
2 | + |
3 | | |
4 | |-----. |
5 | .-. | |
6 | | | | |
7 | | | | |
8 | '-' |< |
9 | |---| PNP |
10 | | |\ |
11 | | | |
12 | .-. | |
13 | | | | |
14 | | | | |
15 | '-' o---| |
16 | | |
17 | | |
18 | ___ |/ |
19 | 0V/5V--|___|--| NPN |
20 | |> |
21 | | |
22 | | |
23 | === |
24 | GND |
25 | (created by AACircuit v1.28.6 beta 04/19/05 www.tech-chat.de) |
> Ich habe sie so in einem ähnlichen Projekt schon seit > Längerem in Betrieb und es funktioniert. Wenn meine geschätzten 30mA richtig sind, erscheint mir das für die Summe der Ströme am ATTiny zu viel. Es gibt, meiner Erinnerung nach, einen Maximalwert für die Summe aller Ausgangsströme. Einfach nochmals prüfen.
entropie schrieb: > Ich werde dann einfach Sockel für beide ICs nehmen mit > integriertem Abblockondensator Abblockkondensator zwischen Pin 1 und 14 (für den ATTiny) wirst Du vermutlich nicht finden. Das Verschieben des C sollte leichter sein... Gruß Dietrich
Am 4081 sollten die unbenutzten Eingänge auf definierten Pegel gelegt werden, am besten Ground.
IC2 Pin4 - wozu die Leiterschleife um Pin3? Kannste direkt legen, und spart zumindest dann dort die Brücke. Ansonsten - die Bilder sollten trotz Sparzwang zumindest so groß sein, daß die Leiterzüge nicht miteinander verschmelzen. Das strengt sonst zu sehr an beim beäugen.
Jaaa, eigentlich ist alles gesagt. Als Selbstlöter solltest du ISOLATE größer machen. Das layout ist nix. Vor allen Dingen mußt du die Powerleitungen zur Brücke 9V/gnd zu Fuß verlegen und zwar in der nötigen Breite. Vergiss Ratsnest in diesem Fall, sonst kann es sein, das der gnd zur Brücke ein ZUFÄLLIGER Zwirnsfaden ist, der auch noch um 8 Ecken geht. Weil wir gerade bei Ecken sind; du wirst hoffentlich nicht nach Ecken und Versatz und Knicks bezahlt. Das gilt für Plan und layout ;-) (Hab mir erlaubt den Plan ein bischen zu begradigen). Jetzt sie erst mal, das du die Schaltung richtig in den Griff kriegst. Stell sie hier zur Kontrolle rein. Erst wenn die OK ist mach dich an das layout, sonst änderst du dich dumm und dämlich.
Bitte melde dich an um einen Beitrag zu schreiben. Anmeldung ist kostenlos und dauert nur eine Minute.
Bestehender Account
Schon ein Account bei Google/GoogleMail? Keine Anmeldung erforderlich!
Mit Google-Account einloggen
Mit Google-Account einloggen
Noch kein Account? Hier anmelden.


