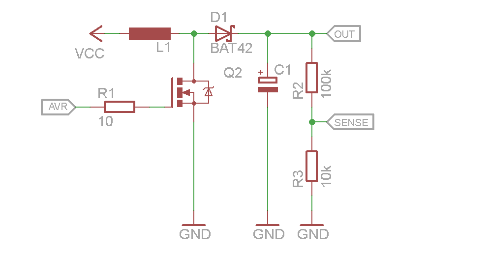
Hallo, ich benötige einen Aufwärtsregler mit folgenden Eckdaten: - Eingangsspannung ca. 3.7 V (LiIo Zelle) - Ausgangsspannung ca. 20 V (muß nicht sonderlich genau oder gesiebt sein) - Ausgangsstrom ca. 5 mA max. - Möglichst wenig Bauteile / platzsparend - Möglichst wenig Energieverbrauch wenn keine Strom entnommen wird Dazu habe ich mir die Schaltung im Anhang ausgedacht. Kann das so funktionieren, bzw. was könnte man verbessern? Als Takteingang wollte ich den ohnehin vorhandenen AVR nehmen. Geplante Bauteile: - MOSFET IRLML 2803 (30 V, 1.2 A, Rdson 0.25 Ohm) - Spule Würth TPC Speicherdrossel 1000 µH ( http://katalog.we-online.de/kataloge/eisos/media/pdf/744062102.pdf ) Gruß Werner
Da fehlen keramische Ein- und Ausgangskondensatoren und ein Eingangs-Elko. Man nimmt bei Frequenzen von typischerweise 50 bis 100kHz einen Treiber der auch diskret aufgebaut werden kann. Du brauchst eine gewisse Spannung für das Gate, schau mal ob 3V ausreichen (minimale LiIon Akkuspannung) du kannst einen normalen Treiber nehmen (NPN+PNP oder 2xNPN+Diode oder einen 74HC4050) Wenn die Spannung nicht ausreicht kannst du einen Bootstrap-Kondensator nutzen oder du nimmst die Spannung vom Ausgang.
Der IRLM Moset lässt mir bei 3 V Gatespannung laut Datenblatt noch ca. 150 mA durch, reicht das? Ein Treiber sollte aufgrund extremer Platznot vermieden werden, hoffe das schafft der AVR wenn ich so auf ca. 30 kHz gehe.
Ich würd da keinen Mosfet nehmen, sondern einen kleinen NPN Transistor. Bei 5mA/20 Volt fliessen bei 3.7 Volt auch nur ein paar 10mA. Vor einiger Zeit hab ich sowas für etwa 40V/5mA gebaut, mit einem SMD BC817 Transistor. Läuft einwandfrei, wurde auch von einem Atmel Tiny AVR angesteuert.
Wenn Du einen Mosfet nimmst, dann solltest Du unbedingt noch einen Widerstand vom Gate nach Masse schalten. Wenn nämlich der Ausgangs-Pin vom Controller mal hochohmig ist, kann sich das Gate leicht mal aufladen und dann leitet der Mosfet auch mal dauerhaft.....
Bestell Dir zusätzlich einen PUMH10. Da sind zwei NPN drinnen, die Du super so zusammenschalten kannst, das der MOSFET mit der selbst erzeugten Ausgangsspannung geschaltet wwerden kann. Das Gehäuse ist auch klitzeklein. SOT565 oder sowas ( hälfte Sot23 mit 6 Beinchen ) Axelr .- .-.
Werner schrieb: > > - Eingangsspannung ca. 3.7 V (LiIo Zelle) > - Ausgangsspannung ca. 20 V (muß nicht sonderlich genau oder gesiebt > sein) > - Ausgangsstrom ca. 5 mA max. > - Möglichst wenig Bauteile / platzsparend > - Möglichst wenig Energieverbrauch wenn keine Strom entnommen wird schau dir den "Reststrom" vom FET an. der kann durchaus hoch sein. Der Gatewiderstand nach GND (2k2) ist schon angsprochen worden - gerade beim AVR unbedingt nötig, da dessen Pins im reset auf Tristate sind..... > > Dazu habe ich mir die Schaltung im Anhang ausgedacht. Kann das so > funktionieren, bzw. was könnte man verbessern? Als Takteingang wollte > ich den ohnehin vorhandenen AVR nehmen. > > Geplante Bauteile: > - MOSFET IRLML 2803 (30 V, 1.2 A, Rdson 0.25 Ohm) > - Spule Würth TPC Speicherdrossel 1000 µH ( > http://katalog.we-online.de/kataloge/eisos/media/pdf/744062102.pdf ) Anonsten paßt das schon, ich hab einen FET von NXP (PMV40UN) genommen, der funktioniert auch bei Ubat=2V noch sinnvoll, Ugs(th) ist wichtig. der FET hat auch den Vorteil, daß er den Kurzschlußstrom meiner Batterie verrägt und daher ein SW-Fehler "nur" eine leergezuzelte Batterie zur Folge hat, aber die Hardware unbeschädigt bleibt, gerade in der Entwicklungszeit war das sehr fein... Kerko oder Elko oÄ so nach wie möglch an der Spule ist sicher kein Fehler. Hier läuft sowas ähnliches an einen MSP430 mir Uin=2,8V und Uout=25V vollkommen problemlos mit ~16kHz ohne speziellem Trieber-IC.... Grüße MiWi
>Ich würd da keinen Mosfet nehmen, sondern einen kleinen NPN Transistor. Welchen Vorteile hätte das? Eventuell kann ich mir dann einen Widerstand sparen, indem ich vom AVR einfach nur den Pullab aktiviere... >Hier läuft sowas ähnliches an einen MSP430 mir Uin=2,8V und Uout=25V >vollkommen problemlos mit ~16kHz ohne speziellem Trieber-IC.... Oh, das klingt hervorragend, kannst Du Dich an den Spulentyp erinnern? Gruß Stefan
Die Schaltung hat ganz allgemein das Problem, daß sie keinerlei Überstromschutz hat. Bei Überlast am Ausgang (die schon entsteht wenn der dort leere Siebelko erst aufgeladen werden muß) sinkt der Strom in der Spule nicht mehr auf 0 ab, sondern steigt immer weiter, so daß die Spule bei 130mA sättigt, und der Strom bis 1A steigt, die 3.5 Watt hält die Spule nicht aus und raucht ab. Daher sind solche "einfachen" Schaltungen Blödsinn, gerade Anfänger kommen damit nicht klar, daher wurden Schaltregler-ICs erfunden. Nimm dir einafch einen, dann passiert auch nicht mehr der Lapsus, einen 10V MOSFET zu verwenden und keine 3V zur Ansteuerung zu haben, schon bei 4.5V Ansteuerspannung hat der MOSFET 0.4 Ohm und lässt nur 0.46A durch, für 3V ist er gar nicht spezifiziert (da kann oder kann er nicht leiten, er ist jedenfalls kurz vor dem abschnüren).
Hallo, mal etwas zum "Anfassen" - ganz auf die Schnelle mal die beiliegende Schaltung mit LTspice simuliert: Steuerfrequenz (AVR) 20kHz On-Zeit 40µs Periodendauer 50µs (20kHz) Uout Last 5mA ca. 22V Ic Mittelwert ca. 40mA Pin: ca. 155mW Pout ca ca. 110mW Uout Last ca. >5ma - 15mA ca. 18V Den Laststrom habe ich testhalber nach 80ms von 5mA auf 15mA ansteigen lassen. Es gibt noch andere Lösungen mit anderem Tastverhältns/Frequenz oder Induktivität, der Steuerspannung aus dem AVR. Diese Bauteilzusammenstellung und Steuerfrequenz in der Simulation erfüllt die Vorgaben. Zumindest gibt die Simulation einen guten Anhaltspunkt der auch in etwa meinen Erfahrungen entspricht. Grüsse Ottmar
Ist die Last die an dem Stepup hängt auch irgendwie von dem Atmega abhängig, wird z.B. von diesem gesteuert, direkt oder indirekt? Wenn ja, dann würde ich Dir davon abraten die Stepup-Regelung vom Atmega übernehmen zu lassen: Spannungsquelle und Last verwenden dann voneinander abhängige Frequenzen, die des Quarzes des Atmegas. Dadurch kann es dann Oszillationen zwischen der Last und der Steuerung des Stepups kommen. Das äußert sich dann in heftigem Schwingen der Regelung, entweder bis eine von Dir implementierte Schutzregelung greift oder die Bauteile kaputt gehen. Ich hatte das mal bei nem "nackten" VFD-Display, bei dem also die Ansteuerung inkl. der Erzeugung der Spannungen (ca. 40V) selbst gemacht wurde. Der verwendete Atmega hat sowohl die einzelnen Bildpunkte refreshed als auch den Stepup geregelt. Das ging solange zufällig gut bis die Produktion auf Bleifrei umgestellt werden musste. Dadurch haben sich wohl parasitäre Rs und Cs minimal geändert. Das reichte aus daß sich bei ca. 20% der Teile die Spule Rauchzeichen von sich gab. Mein Rat: nimm nen fertigen Schaltregler.
>Die Schaltung hat ganz allgemein das Problem, daß sie keinerlei >Überstromschutz hat. Wie wäre es wenn man einen NPN nimmt mit Emitterwiderstand, so dass z.B. max. 200 mA durch die SPule könnten? >schon bei >4.5V Ansteuerspannung hat der MOSFET 0.4 Ohm und lässt nur 0.46A durch, welchen MOSFET meinst Du damit? >Ist die Last die an dem Stepup hängt auch irgendwie von dem Atmega >abhängig, wird z.B. von diesem gesteuert, direkt oder indirekt? sehr sehr indirekt, ja >Daher sind solche "einfachen" Schaltungen Blödsinn, gerade Anfänger >kommen damit nicht klar, daher wurden Schaltregler-ICs erfunden Wenn sich das geforderte mit höchstens dem gleichen Platzverbrauch realisieren lässt wäre mir das auch lieber, habe aber noch nichts passendes gefunden
> welchen MOSFET meinst Du damit? Den IRLML2803, den du dir ausgesucht hast, und bei den du irrtümlicherweise glaubt, UGSth wäre die Spannung ab der er leitet, dabei ist es die Spanung ab der er garantiert sperrt. > Wenn sich das geforderte mit höchstens dem gleichen Platzverbrauch > realisieren lässt wäre mir das auch lieber, habe aber noch nichts > passendes gefunden Platz ist SICHER nicht das Probelm, LM3224 ist kleiner als deine 1mH Spule und enthält schon den MOSFET, aber ob du die Teile verlöten kannst ist fraglicher, wobei MSOP8 noch harmlos ist, der hat sogar noch Anschlussbeinchen.
>aber ob du die Teile verlöten kannst >ist fraglicher Bis 0.5mm Pitch ist das kein Problem, SOT23-6 geht z.B., hab ne recht ruhige und feine Hand... Hast mich auf jeden Fall dazugebracht etwas besser zu suchen, und siehe da, habe z.B. den MAX8571 im SOT23.6 Gehäuse, aber leider keine Bezugsquelle. Dann den LM27313, sieht auch gut aus, gibt's bei Farnell relativ günstig. Das wird auf jeden Fall noch kleiner als mein diskreter Aufbau, weil die Spule noch kleiner werden kann. Ich mach mir mal noch ein paar Gedanken, vielen Dank soweit! Gruß Peter
Werner schrieb: >>Hier läuft sowas ähnliches an einen MSP430 mir Uin=2,8V und Uout=25V >>vollkommen problemlos mit ~16kHz ohne speziellem Trieber-IC.... > Oh, das klingt hervorragend, kannst Du Dich an den Spulentyp erinnern? Hallo Stefan ja, 330uH, der Rest das tut hier nichts zur Sache, da das Platzbedingt eine Sonderanfertigung ist und der Teil daher eh nicht frei verfügbar ist. @MaWin: Ein uC kann diese Schaltregeler wunderbar nachbauen, es sind nur ein paar Look-up-Tabellen, die da zu betrachten sind. Und eine 1000u-Spule raucht nicht wegen einem popeligem Elko beim ersten Laden ab - nicht bei 5V. Der Rest ist Software. Grüße MiWi
Werner schrieb: > Dann den LM27313, sieht auch gut aus, gibt's bei Farnell > relativ günstig. Obacht - der ist wegen seiner 1,6MHz relativ heikel bei seiner gesamten Peripherie, also C, D, L _und_(!) Layout.... Du solltest da schon etwas besser wissen, wie Du das machst.... und die Hinweise im Datenblatt so ordentlich lesen bis Du sie verstanden hast. Also - keine Elkos, Tantals sondern Kerkos, schnelle Dioden und Spulen, die die 1,6MHz auch vom Material her können.... Nicht das es nicht geht (läuft vermutlich nicht nur hier ein Stückzahlen), aber wenn Du schon die Frage ob so ein Plan möglich ist als Frage stellst.... Grüße MiWi
Werner schrieb: > Hallo, > > ich benötige einen Aufwärtsregler mit folgenden Eckdaten: > > - Eingangsspannung ca. 3.7 V (LiIo Zelle) > - Ausgangsspannung ca. 20 V (muß nicht sonderlich genau oder gesiebt > sein) > - Ausgangsstrom ca. 5 mA max. > - Möglichst wenig Bauteile / platzsparend Schaltregler gibt es in kleinen SOT23-5 Gehäusen, die platzfressenden Bauteile sind L und Cs Je höher die Frequenz desto kleiner L und C > - Möglichst wenig Energieverbrauch wenn keine Strom entnommen wird Dein Avr braucht mehr Strom als 10 STepUp Ics zusammen > > Dazu habe ich mir die Schaltung im Anhang ausgedacht. Kann das so > funktionieren, bzw. was könnte man verbessern? Als Takteingang wollte > ich den ohnehin vorhandenen AVR nehmen. Welche Frequenz hat dein AVR? Kleine Rechnung bei 8Mhz Takt und 200 Khz Schaltfrequenz hast du nur eine Auflösung von 40 verschiedene Dutycycles, das ist nicht viel, zumal der Dutycycle im nichtlückenden Betrieb immer gleich ist. Abhilfe ist ein AVR mit PLL, aber davon gibts nicht soviele. Wenn du am Ausgang eine ohmsche Last hast die keine Lastsprünge veranstaltet dann ist die Regelung relativ einfach. Hast Du aber Lastsprünge, dann ist der AVR ein bischen langsam. Außerdem ist der AVR mit der Regelung relativ busy, es bleibt dann nicht viel Rechenzeit für den Rest. > > Geplante Bauteile: > - MOSFET IRLML 2803 (30 V, 1.2 A, Rdson 0.25 Ohm) > - Spule Würth TPC Speicherdrossel 1000 µH (
>Obacht - der ist wegen seiner 1,6MHz relativ heikel bei seiner gesamten >Peripherie, also C, D, L _und_(!) Layout Ich mag herausforderungen ;-) Eine Layoutempfehlung ist im Datenblatt, die kann ich 1:1 übernehmen, Kerkos ist klar, wie im Datenblatt beschrieben, Spule eine WE-TPC von Würth (http://katalog.we-online.de/kataloge/eisos/media/pdf/744028100.pdf), Diode eine MBRS 140, Groundplane drunter, hm, mal sehen... reizend! Gruß Gerhard
Ich weiß ja nicht wie Du das nachher Löten willst - aber wenn Du Lötstellen direkt auf die Vias setzt zieht es Dir z.B. bei normalem Reflow-Löten die Lötpaste durch die Vias nach unten weg. Da müsstest Du plugged Vias verwenden um das so umsetzen zu können - und das wird in der Produktion der Leiterplatten deutlich teurer.
Würde es für 5mA nicht einfach auch eine Ladungspumpe/Spannungsverdoppler tun? Dann wären es nur ein paar Kondensatoren/Dioden. Gruß
Was sagt der DRC? ...wenn dieser nicht meckert und Du gedenkst es händisch zu Bestücken (und dabei geübt genug bist, dass Dir die kleinen Abstände keine Probleme bereiten) gibt es keine Einwände, ansonsten bedenke den Einwand von Gerd!
Hallo, händisch habe ich solche Bauteile (SOT23-5, auch TQFP 100 etc.) schon oft gelötet, da bin ich sehr routiniert. Allerdings möchte ich nicht ausschließen dass ich mir eine kleine Serie davon im Reflowverfahren bestücken lassen, wusste ich nicht dass da die Vias schlecht sind, Danke für den Tip! Warum dass die Jungs im Datenblatt allerdings vorschlagen ist schon krass, die schreiben auch nix von "plugged vias", naja. Mal sehen ob ich im Layout noch etwas Platz hinkriege, aber es geht da sau eng zu :-( Ach ja, der DRC in Eagle meldet natürlich einen Overlap im Layer 1...
Das Datenblatt orientiert sich bei den Designvorschlägen meist an einem technischen Optimum, mit allem, was in der Massenproduktion üblich und angemessen ist - Via-Plugging zählt heutzutage scheinbar schon dazu. LeitOn (mein Lieblings-Fertiger im Prototypen-Rahmen) bietet auch ein sog. 'Via Fülldruck' an: ''Der Viafülldruck wird erzeugt indem mit Hilfe des Siebdruckes die Durchkontaktierungsbohrungen (Vias) mit einer speziellen Paste zudruckt. Er wird benötigt wenn die bestückten Leiterplatten mit einem Vakuumadapter auf Funktion geprüft werden sollen. Hierbei wird die Platte durch Unterdruck angesaugt. Dazu muss vermieden werden, das durch die sonst offenen Löcher Luft gezogen wird'' - LeitOn, http://www.leiton.de/ Der Preis dafür beträgt 80EUR pro Nutzen. Ich habe noch nie darauf zurückgeriffen und kenne auch die technischen Details nicht; es wird aber darauf hingewiesen, dass es sich dabei nicht um Plugging handelt! Wahrscheinlich hilft es Dir also leider nicht weiter...
Bitte melde dich an um einen Beitrag zu schreiben. Anmeldung ist kostenlos und dauert nur eine Minute.
Bestehender Account
Schon ein Account bei Google/GoogleMail? Keine Anmeldung erforderlich!
Mit Google-Account einloggen
Mit Google-Account einloggen
Noch kein Account? Hier anmelden.


