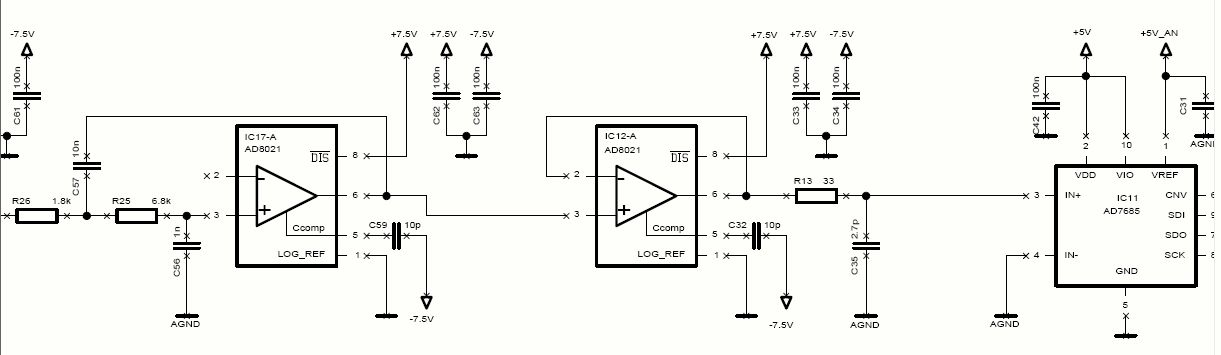
Salu zusammen Ich habe hier ein kleines Problem und bin mir nicht ganz sicher ob ich die Schaltung (Anhang) nicht vereinfachen kann. Umfang: Ich werde lediglich ein oder zwei Geräte bauen, von da her ist der Preis der Bauelemente nicht so entscheidend. Ich musste auch schauen was ich hier so bekomme, war daher auch ein wenig eingeschränkt. Genauigkeit ect: Ich möchte gerne den Drucksensor so genau wie möglich ausmessen. Schlussendlich soll der Drucksensor das begrenzende Glied in der Kette sein, nicht die Filter oder der ADC. Bauteilwahl: Hier einige, für mich bei der Suche ausschlaggebende Faktoren: Sensor: Klar, der Druckbereich. Temperatur kompensiert, linearisiert. 1ms um 10-90% Fullscale abzudecken (als genug schnell) OP: 2.5nV/Wurzel(Hz) Rauschen, Grosse Bandbreite…Ich weiss, dass ich diese Bandbreite hier nicht benötige. Da ich jedoch diesen OP auch in anderen Schaltungen, wo ich eben die Bandbreite benötige, einsetzen möchte findet er auch in der Schaltung seine Anwendung. Will nicht für alles wieder einen neuen Typ verbauen. Der OP wird von Analog Device auch als OP für ADC Vorstufen vorgeschlagen. Er ist für 16Bit tauglich. ADC: Auch hier musste ich ein wenig schauen was ich so bekam. Schlussendlich ist es ein AD7685 von Analog geworden. 16Bit, Approx. Speisung: Die Speisung des Analog Teils (+5V_AN und AGND)(Sensorspeisung Drucksensor, ADC Ref), werden direkt aus einer präzisen Bandgap Referenz mit 30mA Ausgangsstrom versorgt (Der Drucksensor benötigt max. 10mA und ist "leider" ratiometrisch). Da ich mit dem OP auch ganz auf 0 kommen möchte, muss ich ihn noch neg. speisen. Diese -7.5V werden aus einer positiven 7.5V Speisung mittels ICL7660 gewonnen. Die positive Speisung besteht aus einem LM2594. Diese Speisung ist sehr gut gefiltert. Der restliche Teil der Schaltung wird mittels 5V Linearregler (MCP1702) aus der +7.5V Speisung versorgt. Nun zur Filterkette: Da es sich um einen Sensor, handelt welcher lediglich einen Ausgangsstrom liefert, ist ein Widerstand zwingend notwendig (51k). Dies habe ich aus dem Datenblatt so übernommen. Als nächstes kommt ein Impedanzwandler, da ich den Sensor ja nicht mit der darauf folgenden Filterschaltung belasten möchte. Das Filter ist ein Butterworth Filter 4. Ordnung mit einer Grenzfrequenz von ca. 15kHz. Dies garantiert (habe ich simuliert), dass ich bis ca. 3kHz keine Dämpfung habe. Danach nimmt es, wenn auch nur marginal, ab. So, und nun die Frage: Im Datenblatt des ADC steht, dass, wenn man eine Quellenimpedanz grösser 30Ohm hat, man einen Impedanzwandler vorschalten sollte. Benötige ich nun den 4. OP in der Kette noch? Dieser stellt ja einen erneuten Impedanzwandler dar. Das anschliessend folgende Filter ist ein Antialiasing Filter welches von Analog Device so für den ADC vorgeschlagen wird. Bitte entschuldigt das es ein bisschen mehr geworden ist. Wäre toll wenn ich die ein oder andere Meinung zu der Schaltung bekommen würde. Und eben, es ist ein „Einzelstück“, ob nun ein Bauteil mehr oder weniger verbaut wird ist eigentlich egal. Will halt gerne mal was Genaues machen. Einfach an den ADC Eingang klemmen macht ja keinen Spass ;o) Das Layout sollte kein Problem darstellen, da ich 10 Jahre mal als Layouter gearbeitet habe. Denke dass sollte ich hinbekommen :o) Grüessli Layouter
Bitte entschuldigt noch das Bildformat. Ich habe nur ein A2 PDF und da was schlaues draus zu bekommen ist nicht so einfach. Bei mir auf dem Schirm sah das original PDF noch gut aus, aber scheinbar wurde es beim Hochladen komprimiert. Hoffe man kann trotzdem was erkennen. Sonst versuche ich es zu zerschneiden und als zwei Teile hochzuladen Sorry Grüessli Layouter
So, nun noch mit einem lesbaren Schema. Wenns bei Bild 1 rechts rausgeht, dann kommts bei Bild zwei Links rein :o) Gruss Layouter
Salu zusammen Ich frage mich gerade ob ich etwas vergessen habe, oder ob sonst etwas nicht gut ist mit dem Beitrag :o\ Scheinen ja einige die Schema heruntergeladen zu haben, aber leider keine Antwort... Könnt ihr mir vielleicht ein kurzes Feedback geben? Wäre toll! Auch falls die SChaltung i.O. sein sollte wäre ich froh, dann weiss ich es nämlich sicher :o) Gruss Layouter
Eine Einschwingzeit des Sensors von 1msec läßt auf eine Grenzfrequenz von rund 400Hz schließen. Wozu brauchst du dann einen Tiefpaß 4.Ordnung mit 15kHz??
Bitte melde dich an um einen Beitrag zu schreiben. Anmeldung ist kostenlos und dauert nur eine Minute.
Bestehender Account
Schon ein Account bei Google/GoogleMail? Keine Anmeldung erforderlich!
Mit Google-Account einloggen
Mit Google-Account einloggen
Noch kein Account? Hier anmelden.

