Guten morgen. Ich beschäftige mich gerade mit meinem Sohn an der Arbeit einer Uhr, die er für die Schule erledigen muss. Er befindet sich zurzeit im Matura-Jhg. an einer HTL. Ich selber kenne mich halbwegs im Elektronik-Bereich aus, und habe auch schon sehr viele Foren und Datenblätter, sagen wir es mal so versucht zu verstehen. Zurzeit hängen wir an dem Problem, da er einen RTC braucht, den er dann an eine Printplatte löten, hab gelesen das er dazu auch noch Pull-up Widerstände braucht, wir haben etwas von 4,7k Ohm gelesen, da wollte ich erstmal fragen, ob ihr wisst ob die stimmen. Und zweitens soll er dies dann über eine I2C Schnittstelle mit einen sogenannten Pollin Board verbinden und initiallisieren. Habe auch im Internet darüber etwas gelesen und man nennt es auch Evolalution-Board. Mein zweites Problem ist, das sich auf dem Board, wie ich gelesen habe ein Atmega befindet nur, wissen wir jetzt nicht ob er noch einen extra Atmega braucht oder er den verwenden kann. Nur kurz zur Beschreibung sein Endziel ist es, eine Uhr zu bauen, in Pyramidenform wo es 60 LED's gibt, die im Kreis angeordnet sind und nach einer Minute soll jeweils eine LED weniger leuchten und in der Mitte von dem Kreis, soll mit einer 7-Segment Anzeige die Uhrzeit angezeigt werden. Hoffe ihr könnt mir und meinem Sohn unter die Arme greifen, da ich selber mit meinem Wissen nicht mehr weiter weiß. In freundlichen Grüßen Martin R.
Hallo! Dann lass den jungen wilden doch mal hier zu Wort kommen- oder kann der noch nicht schreiben?
Route_66 schrieb: > Hallo! > Dann lass den jungen wilden doch mal hier zu Wort kommen- oder kann der > noch nicht schreiben? Guten morgen, mein Sohn kommt in ungefähr 15min von der Schule retour, er wird sich dann hier zu Wort melden, Weißt du ungefähr, was das Problem ist, wenn nicht kann ich es Ihnen oder mein Sohn genauer erläutern. Mfg Martin
Eine RTC für I2C kaufen. An die Takt und Datenleitung einen Pullup 4,7k nach Vcc hängen. Die RTC an dem TWI-Interface des Pollinboards anschliesen (TWI = I2c, heist nur anders wegen Lizenzgeschichten). Dann kommt das Programmieren. Sind denn die LEDs schon vorhanden?
Mal kurz rechnen: 2012 - 1982 = 30 => Du bist 30 Jahre alt Matura = Abitur => 6+13 = 19 => Dein Sohn ist 18-20 Jahre alt Was soll ich nur darüber denken... Back to topic, Stichworte für euch zum suchen der nötigen Informationen: DS1307 (Batteriegepufferte Echtzeituhr mit I2C bzw. TWI ) 74HC585 (Schieberegister) SPI-Schnittstelle (um die Schieberegister zu bedienen) Peter Fleury, TWI Library (fertige Softwarebibliothek für I2C auf Atmel AVR) BCD-Kodierung (so "rechnet" die Uhr intern) Bitgefummel, Bitoperatoren in der Programmiersprache "C" Ein ATmega8 oder -88 oder -48 kann das locker schaffen. mfg mf
Hallo Martin, Martin Rasper schrieb: > Weißt du ungefähr, was das Problem ist, wenn nicht kann ich es Ihnen > oder mein Sohn genauer erläutern. Bisher verstehe ich da noch kein Problem. Gruß, Peter
Na, das ist doch mal ein schönes Projekt und recht umfangreich. Jetzt hier alles in allen Einzelheiten zu beschreiben, wird wohl zu umfangreich. Deswegen nur ein paar Worte zum PollinBoard. Das PollinBoard wird ohne Atmega ausgeliefert. Ihr müsst also noch extra einen(oder besser mehrere) Atmega16 oder Atmega32 dazu mitbestellen. Auf dem Board befinden sich schon die Widerstände für die I2C-Schnittstelle. In der Beschreibung zum Board findet ihr, wo die Anschlüsse auf dem 40-poligen Anschluss liegen. Wie lange habt ihr dafür Zeit?
Martin Rasper schrieb: > Zurzeit hängen wir an dem Problem, da er einen RTC braucht Braucht er nicht. Der MC hat einen Quarz (angeschlossen) und mindestens einen Timer (intern). Damit kann man prima Zeit und Datum zählen. Und der Vorteil ist, alle Variablen liegen direkt im RAM und müssen nicht erst umständlich von einem RTC-Chip gelesen und gewandelt werden. Martin Rasper schrieb: > wo es 60 LED's gibt, die im Kreis angeordnet sind und nach > einer Minute soll jeweils eine LED weniger leuchten Ein MAX7219 kann 64 LEDs bzw. 8 Stück 7-Segmentanzeigen ansteuern. Peter
Mini Float schrieb: > Mal kurz rechnen: > 2012 - 1982 = 30 > => Du bist 30 Jahre alt > Matura = Abitur > => 6+13 = 19 > => Dein Sohn ist 18-20 Jahre alt > Was soll ich nur darüber denken... > Finde ich lustig von dir das du es bemerkt hast, fällt sonst keinem auf. Das ist das Hochzetsdatum meiner Frau und mir. und danke für deine freundliche Hilfe. Schöne Grüße Martin
Danke für eure ausgiebigen Antworten, war gerade nicht am Pc, also er hat bis ca. März Zeit dafür. Wir haben diesen Pollin Board schon bestellt und er sollte auch schon bald kommen, ich habe auch von einem Kollegen gehört, ein Arduino, falls den jemand kennt, würde er vorschlagen. Meint ihr der wäre vernünftig, dies soll ein Atmega 8 sein, der auch über diese Schnittstelle verfügt. Nur fragt mein Sohn wie er das genau machen soll. Also er muss ja die Platine mit dem RTC, wir haben einen DS1307 gewählt, er hat auch seinen Lehrer gefragt, der sollte auch passen. Hier der Link: http://www.datasheetcatalog.org/datasheet/maxim/DS1307.pdf aber er soll ja, den Print mit dem Pollinboard über die I2C Schnittstelle verbinden und initialisieren aber sein Lehrer meint, er braucht auch einen Atmega( welchen wissen wir eben noch nicht, weil er hat auch gehört ein Atmega 8 könnte zu wenig Speicherplatz, für <60 LED's haben, wir wissen aber noch ob doch ein Atmega 8 reicht) und die Frage ist jetzt, wo soll er dann diesen Atmega anschließen, zwischen Board und der Printplatte, oder hängen beide auf verschiedenen Anschlüssen auf der, wisst ihr das vielleicht? Mfg Martin, wären euch für Hilfe sehr dankbar, ps. mein Sohn ist neben mir, nicht das ihr denkt er spielt draußen Fußball und ich arbeite für ihn.
Martin Rasper schrieb: > Also er muss ja die Platine mit dem RTC Nur wenn der Lehrer es fordert. Einfacher geht es mit einem internen Timer. Martin Rasper schrieb: > weil er > hat auch gehört ein Atmega 8 könnte zu wenig Speicherplatz, für <60 > LED's haben, wir wissen aber noch ob doch ein Atmega 8 reicht) LEDs brauchen keinen Speicherplatz. Ein ATmega8 reicht dicke. Einige von uns würden für diese Aufgabe mit einem ATtiny13 auskommen. Peter
Hi Nun, es scheint, das noch jede Menge Arbeit auf euch zu kommt. Ein Atmega, ob 8, 1 oder 32 sei erst mal dahingestellt, braucht auch sowas wie ein Programm. Welche Sprache ihr da sprechen wollt, sollte euch auch klar sein. Um einen Atmega kennen zu lernen, wär mal ein Tip, gibt's die Datenblätter. Das sind schon ein paar Seiten, die sicher für die nächste Woche Lesestoff bieten.... Weiter.. Das Pollin-Board und der darauf gesteckte Controller ist aus AVR- Studio nicht direkt ansprechbar. Es bedarf einer echten seriellen Schnittstelle und einem Programm namens PonyProg. Gibt's aber auch zum kostenlosen Download. Der Nachteil, ein Programm wird in AVR-Studio erstellt und compiliert. Das entstandene Hex-File muß dann in PonyProg geladen und auf den Controller geflasht werden. Einfacher geht es mit einem USB-ISP Stick. Das Pollin-Board hat die 10pol. ISP-Schnittstelle ( Stiftleiste) neben dem Sub-D- Stecker auch mit drauf und dann geht auch die Bearbeitung direkt aus AVR-Studio. Ich finde, die ca. 20 € sind gut investiert. Einfach mal bei EBAY schauen. Na ja, dann werden wir uns mal auf eine Menge Fragen vorbereiten.... Gruß oldmax
Hi > Das Pollin-Board und der darauf gesteckte Controller ist aus AVR- Studio > nicht direkt ansprechbar. Sorry, Verwirrung perfekt.... der Controller muß natürlich separat bestellt und auf das Pollin-Board erst gesteckt werden. Gruß oldmax
Peter Dannegger schrieb: > Martin Rasper schrieb: Nur kurz eine Frage zu vorher. Hallo Peter, du hast ja vorher den MAX7219 erwähnt, was macht der genau, und wo würde er den eig. einbauen müssen, du hast ja auch gemeint er reicht für 64 LED's bzw. für 8x 7-Segment, gibt es einen der 60 LED's und eine bzw. 2 7-Segment anzeigen reicht. >> Also er muss ja die Platine mit dem RTC > > Nur wenn der Lehrer es fordert. > Einfacher geht es mit einem internen Timer. > > > Martin Rasper schrieb: >> weil er >> hat auch gehört ein Atmega 8 könnte zu wenig Speicherplatz, für <60 >> LED's haben, wir wissen aber noch ob doch ein Atmega 8 reicht) > > LEDs brauchen keinen Speicherplatz. > Ein ATmega8 reicht dicke. > > Einige von uns würden für diese Aufgabe mit einem ATtiny13 auskommen. > > > Peter Ok, und kennst du vielleicht den Arduino, da soll es ja einen Atmega 8 geben. Hier hab ich ein paar Informationen darüber bekommen. http://www.arduino.cc/, und ob der auch gehen würde. Lg
Hi, Hat dein Sohn nur die Aufgabe und so gar keine Infos bekommen? Ich kann mir nicht vorstellen, dass der Lehrer ihm/euch mit NULL-WISSEN sone Aufgabe stellt. Bisher habt ihr auch noch nicht auf die anderen Fragen und Infos geantwortet. Bsp Sprache? das Problem? Also hier von Grund auf solch ein Projekt durch zu gehen wird wohl nix. Da wird wohl keiner Lust und Zeit für haben. Habt ihr denn schon mal die Suche und das GCC-Tutorial benutzt? Wenn er(weil es ja auch seine Aufgabe ist) die ganzen netten Beiträge, Tutorials und Artikel durchgearbeitet habt, bringt ihr erstmal eine LED zum blinken usw. Wenn euch dann die Suchwörter zum Weiterkommen fehlen helfen wir gerne weiter. Gruß, Peter E.
Ok, also er sagt, er sollte sich eig. schon besser auskennen und sie sind angeblich auch zu dritt, in der Gruppe, und er ist für die Kommunikation mit dem RTC und dem Pollinboard verantwortlich. Ein anderer für die Hardware und der dritte, auch für die Software, also er kümmert sich um die LED's. also sie sollen für die Programmierung das AVR-Studio verwenden, im programmieren liegt jetzt eig. nicht das Problem, obwohl er darin auch nicht sehr gut ist, aber das lässt sich dann schon hoffentlich noch machen. Das größere Problem ist, dass er bzw. muss ich leider gestehen ich, das nicht richtig vorstellen können, wie das jetzt eig. aussehen soll, der Lehrer hilft ihm nicht wirklich sondern gibt eig. nur Aufgaben. Unser Problem ist also, dass wir nicht wissen, wenn er diese Platine fertig gelötet hat, ob er die dann direkt auf das Pollinboard anschließen kann, weil wir verstehen nicht ganz, was wir eig. mit dem Atmega machen sollen, also mit was der angeschlossen wird, ich weiß das man den zum programmieren braucht, nur was dann. Mfg
Naja, Martin Rasper schrieb: > im > programmieren liegt jetzt eig. nicht das Problem, obwohl er darin auch > nicht sehr gut ist, aber das lässt sich dann schon hoffentlich noch > machen. ich hoffe mal das ihr das nicht unterschätzt. Weil es eigendlich genau umgekehrt ist. Den ganzen Kram zu kaufen und zusammenzuferkeln ist in kürzester Zeit möglich. Welche Sprache wollt/müsst ihr denn benutzen? Ich hoffe, die anderen beiden sind besser darinund denken sich nicht: T-oll E-in A-nderer M-achts Gruß, Peter E.
Hi Hört mal, wollt ihr uns verarschen ? Sorry, für diese unfreundlichen Worte, aber die Hausaufgaben macht nicht dein Sohn, sondern du. Dann beruft ihr euch darauf: "das macht ja ein Team". Also Hardware, Software und Bauteile, jeder etwas ... ??? Alle, die bereits mal etwas mit µC gemacht haben, wissen, wie eng Hardware mit Software verbunden ist. Es geht zwar, wenn ich eine fertige Platine bekomme, das die Software danach gestrickt wird, aber eigentlich ist es schon wichtig zu wissen, wie letztlich das Programm aussehen soll. Da fehlt schon mal ein PAB z.B. und eine Skizze der Hardware. Es ist euch noch nicht einmal klar, wie der Controller vom Pollin-Board in eure Schaltung kommt. Also, das zumindest sollte euch eure Schule mit auf den Heimweg gegeben haben. Natürlich kann man alles schön um das Board herumbasteln. Ist ja wenigstens eine stabile Platine mit allem Nötigen on Board. Braucht's also nur noch die LED. Die könnt man auch multiplexen. Also, so kompliziert ist's nicht, für jemanden, der zumindest mal was von Elektronik gehört hat. Außerdem gibt's auch genug Information im Internet.... Im Forum darüber zu diskutieren, wie man eine Schaltung aufbaut... ok, kann man machen, aber nur, wenn auf der anderen Seite zumindest die Grundbegriffe klar sind. Wenn man hier noch erklären muß, wie LED zu einer Matrix zu schalten sind, damit die IO-Pins eines Controllers ausreichen oder wie man sich die Datenblätter von IC's besorgt und liest, dann ist es besser, ihr nehmt ein Mickimausheft zur Hand. Da habt ihr mehr von. Es sind bereits schon über 10 Post's gelaufen und ich seh auf der anderen Seite immer noch Fragezeichen... nicht die kleinen, ganz große. Da frag ich mich schon, wie wollt ihr ohne einen direkten Lehrer auskommen und vor allen Dingen. "Wessen Aufgabe ist es ?" Dein Sohn hat sich bisher jedenfalls schön im Hintergrund gehalten. OK, mal etwas konstruktives zum Schluß: Macht mal eine Skizze der Hardware und versucht zum Beispiel mit den 22 nutzbaren, mit ext. Quarz 20 IO auszukommen. Bedenkt, das die Uhr ja auch gestellt werden muß und deshalb auch Taster benötigt werden. Wenn es euch nicht gelingt, dann schaut euch mal den Atmega16 an. der hat schon mal 32 IO-Leitungen. Um die Größe des Flash-Speichers braucht ihr euch glaub ich, keine Sorgen zu machen. Nun zum Programm. Legt erst mal die Sprache fest. Dann erstellt einen Ablaufplan. Da ich in Assembler programmiere, ist bei mir ein ziemlich festes Schema vorhanden. Zuerst werden die Komponenten initialisiert, also Timer, UART usw. Dann folgen die Register- und Variablenvorbesetzung soweit notwendig. Erst dann kommt die Programmschleife. Und damit es schön übersichtlich bleibt, schreibe ich viel in Unterprogramme, die in der Programmschleife einfach nacheinander aufgerufen werden. Eine solche Strukturierung ist aber auch in anderen Programmiersprachen möglich. Ein letzter Tip: Es gibt hier sehr gute und hilfreiche Tutorials, die den Umgang mit µC's verdeutlichen. In AVR-Praxis gibt es auch ein Forum, wo unter FAQ ein paar interessante Anleitungen zu finden sind. Gruß oldmax
Hallo, ein paar Gedanken von mir: Für so viele Ausgänge gibts nette ICs, die 4 Bit parallel umwandeln in 16 Einzel-Ausgänge. Das Hinzuschalten lässt sich über Dioden realisieren. Oder man verwendet Schieberegister. Klar, komfortabler ist es natürlich, wenn der Mikrocontroller selber genügend Ausgänge hat. Eventuell auf Low-Power-LEDs setzen. Auf das Quarz kann man verzichten, wenn man die 50 Hz der Netzspannung als Zeitbasis nimmt. Die weicht zwar innerhalb von ein paar Stunden um mehrere Sekunden ab, das wird aber von den Energieversorgern wieder ausgeregelt, so dass man über lange Frist eine recht verlässliche Genauigkeit hat.
Markus W. schrieb: > Für so viele Ausgänge gibts nette ICs, die 4 Bit parallel umwandeln in > 16 Einzel-Ausgänge. Das Hinzuschalten lässt sich über Dioden > realisieren. Oder man verwendet Schieberegister. Klar, komfortabler ist > es natürlich, wenn der Mikrocontroller selber genügend Ausgänge hat. Oben wurden auch schon die Maxim-ICs erwähnt. Die gibt es mit zig Ausgängen, sogar schon mit einstellbarer Stromquelle. Markus W. schrieb: > Auf das Quarz kann man verzichten, wenn man die 50 Hz der Netzspannung > als Zeitbasis nimmt. Die weicht zwar innerhalb von ein paar Stunden um > mehrere Sekunden ab, das wird aber von den Energieversorgern wieder > ausgeregelt, so dass man über lange Frist eine recht verlässliche > Genauigkeit hat. Den Tipp jemanden zu geben wo noch nicht mal weis wie eine LED-Matrix aussieht oder wie man einen Vorwiderstand berechnet ist etwas gewagt...findest Du nicht? Wenn man recht schaut wird es der gleiche sein wie vor ein paar Tagen/Woche wo eine Uhr/Wecker bauen muss mit einer RTC (finde grad den Link nicht mehr).
Markus W. schrieb: > Auf das Quarz kann man verzichten, wenn man die 50 Hz der Netzspannung > als Zeitbasis nimmt. Die weicht zwar innerhalb von ein paar Stunden um > mehrere Sekunden ab, das wird aber von den Energieversorgern wieder > ausgeregelt, so dass man über lange Frist eine recht verlässliche > Genauigkeit hat. Martin Rasper & Sohn BITTE laßt bei Eurem Vorwissen die Hand von der 50Hz 230V Netzspannung. Ich glaube, Ihr müßt erstmal dringendere Probleme lösen: - Besorgt Euch den Atmega und das Board. - Bringt die Programmierumgebung zum Laufen - Laßt den Atmel einfache Aufgaben zur Übung lösen (LED blinken lassen) - Studiert die Tutorials, die auf dieser Seite angeboten werden - informiert Euch über folgende Punkte: - Wie steuere ich mit einem Atmel ein I²C-Gerät an? (für die RTC) - Wie multiplexe ich LEDs mit Schieberegistern (für die 60 LEDs und die 4-stellige Siebensegmentanzeige) - Wie lese ich einen Taster ein (zum einstellen der Zeit) - Besorgt Euch die zusätzlichen Teile (LEDs, Schieberegister, etc) - Lötet das zusammen - Und dann geht der Hauptteil los: Das Programmieren
oti schrieb: > BITTE laßt bei Eurem Vorwissen die Hand von der 50Hz *230V* > Netzspannung. Sorry, ich hatte mich missverständlich ausgedrückt, gemeint war natürlich die Wechselspannung, die am Ausgang des Trafos ansteht. Nach dem Gleichrichter sind das Flanken im Takt von 100 Hz, die man leicht mit einem Eingang zählen kann, der einen Interrupt bedient. Das ist letztlich auch nicht komplizierter als ein Timer-Interrupt. Ansonsten schließ ich mich oti an: Auf keinen Fall mit 230 Volt experimentieren!
Hi
Also Leute
>BITTE laßt bei Eurem Vorwissen die Hand von der 50Hz 230V
Wieso kommt ihr eigentlich immer auf die Idee, wenn von 50 Hz geredet
wird, das da gleich 220 V angezapft wird. Hab das hier schon ein
paarmal gelesen... also, das Netzteil sollte Wechselspannung liefern.
Das Pollin-Board hat den Gleichrichter und den 5 V Spannungsregler on
Board. Lediglich ist mit einem Widerstand und einer Zenerdiode
sicherzustellen, das die Wechselspannung für den 50 Hz Detektor nicht
den zulässigen Spannungsbereich überschreitet. Und... die 50 Hz sind
stabiler, wie die Quarze.
Ungeachtet dessen, es wird dem TO trotzdem schwerfallen, einen
brauchbaren 50 Hz Takt abzuleiten, bei dem, was ich bisher gelesen hab.
Gruß oldmax
Find ich lustig, dass der Papa hier für den erwachsenen Sohn fragt ... und die Sprache des Papas erst ... Hier: Beitrag "Brauche Hilfe beim Bau einer Uhr" war die Frage seeeehr ähnlich.
Martin, was du schreibst liest sich alles sehr wurstig. Hier ein paar Konkrete Aufgaben für dich. 1. Was an Hardware habt ihr 2. Welche Sprache wollt ihr benutzen 3. Wie groß ist das Vorwissen und das mit abstand wichtigste: 4. Stell KONKRETE UND VERDTÄNDLICHE Fragen, dann wird dir gerne geholfen.
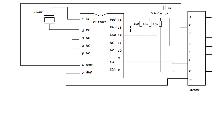
Eumel schrieb: > Martin, was du schreibst liest sich alles sehr wurstig. Hier ein paar > Konkrete Aufgaben für dich. > > 1. Was an Hardware habt ihr > 2. Welche Sprache wollt ihr benutzen > 3. Wie groß ist das Vorwissen > > und das mit abstand wichtigste: > > 4. Stell KONKRETE UND VERDTÄNDLICHE Fragen, dann wird dir gerne > geholfen. Hallo hier ist der Sohn, Stefan also wir haben, die Schaltung des RTC, mit Pull-up Widerständen und alles schon fertig, wir programmieren mit dem AVR-Studio. Ich kenne mich schon ein wenig aus, habe mir viele Seiten über i2c durchgelesen, aber bin mir noch immer nicht klar, über die initialisierung mit dem pollin board (evaluationboard). da liegt mein problem. Die Schaltung hab ich oben geschickt die ich bis jetzt habe. Habe auch einen Thread schon geöffnet, aber spielt jetzt keine rolle. lg stefan
Stefan R. schrieb: > Hallo hier ist der Sohn, Stefan Was hast Du im letzten Monat gemacht? Du bist noch auf dem gleichen Niveau wie vor knapp 30 Tagen. Ich sehe bis jetzt keinen Fortschritt, nur dass Du vom DS1307 (wofür Du bei etwas Recherche hier auf µC.net einen fix- und fertigen Source gefunden hättest) auf den ISL12029 gewechselt hast. Und "wegen den 60 LEDs" vom ATmega8 auf den ATmega32, wie ich im anderen Thread gelesen habe. Wofür es überhaupt keinen trifftigen Grund gibt. > Ich kenne mich schon ein wenig aus, habe mir viele Seiten über i2c > durchgelesen, aber bin mir noch immer nicht klar, über die > initialisierung mit dem pollin board (evaluationboard). da liegt mein > problem. Was für eine "Intialisierung mit dem Pollin Board"? Was hat das Board damit zu tun? Du bist mit Deinem Projekt immer noch bei Null. Dein Vater sagte, Du hättest im März Abgabetermin? Vergiss es.
HTL-Donaustadt? Möglicherweise noch Elektronik? Wer das als HTL-Schüler in der 5. nicht fertig bringt sollte wohl ein paar Klassen zurückspringen. Die Hardware ist ja nicht wirklich umfangreich, die Schaltung für die RTC hast du ja schon, dann noch 4 74xx585 an den SPI Port und fertig. Für die Software würde ich vielleicht etwas mehr Zeit einplanen, vor allem wenn du da nicht so gut bist, aber im großen und ganzen gehts nur um die Kommunikation mit der RTC. Wenn du den richtigen Zeitwert mal hast sind es nur mehr ein paar Abfragen, für die Schieberegister solltest du genug Code im Netz finden.
Gut Steffan, was war an dem Teil "Stell konkrete Fragen" jetzt so undverständlich? Was im Datenblatt deines verwendeten Controllers bezüglich I2C verstehst du nicht?
Bitte melde dich an um einen Beitrag zu schreiben. Anmeldung ist kostenlos und dauert nur eine Minute.
Bestehender Account
Schon ein Account bei Google/GoogleMail? Keine Anmeldung erforderlich!
Mit Google-Account einloggen
Mit Google-Account einloggen
Noch kein Account? Hier anmelden.
