Habe folgendes Paper gelesen aber Problem beim Umsetzen in eine funktionierende Schaltung: http://www.analogzone.com/pwrt0207.pdf Suche eine Balancing-Schaltung für zwei Handy-Akku artige Li-Ion Batterien, die in Reihe geladen und betrieben werden sollen. Die Schaltung soll dafür sorgen, dass die Akkus möglichst lange leben und dass die echte Kapazität möglichst lange nutzbar bleibt. Wichtig wäre noch ein sehr geringer Ruhestrom. Wie kann man so was ausreichend gut und kompakt (im Sinne von ansonsten 0603 Komponenten) realisieren? Hier ein paar Eckdaten: Ladestrom: ca <= 0.2 C Entladestrom: maximal ca. 500mA Zellspannung: 3.7 (bzw.4.2) Volt Hab auch folgenden Thread gelesen - wäre OPA333 (aus dem Thread) ein geeignetes Teil?: Beitrag "Li-Ion Akku-Balancer" Wie interpretiere ich die Datenblätter richtig (Welche Parameter müsste ein geeignetes Bauteil haben?) An anderer Stelle wird hier immer wieder auf MAX921 verwiesen, aufgrund welcher Eigenschaften? Ich habe mir mal den MCP6541T besorgt, ist dieser Komparator geeignet? (Datenblatt: http://ww1.microchip.com/downloads/en/DeviceDoc/21696H.pdf) Ich hoffe jemand kann etwas Licht ins dunkel bringen! Grüße aus Berlin
A. M. schrieb: > Wie kann man so was ausreichend > gut und kompakt eine 2-Zellen-Lösung mit permanentem Balancing schreit geradezu nach einer Ladungspumpe a la ICL7660 LT1044 MAX660 Ansonsten: - bei Einzelladung der Zellen im gleichen Ladegerät brauchst Du gar kein Balancing (die Endspannung ist gleich) - Im Normalfall wird der Balancer nur beim Laden angeschlossen. (Da spielt der Stromverbrauch keine Rolle) - In Deiner Beschreibung fehlen wichtige Daten: wie lange müssen die Zellen ohne Ladegerät auskommen. Wie ist das Verhältnis Betriebszeit zu Balancing Zeit. Gruß Anja
Könntest du mich in die Richtung stoßen wo ich Infos finde, wie man diese Ladunsgspumpen für einen Balancer einsetzt? Zur Balancing-Zeit: Ehrlich gesagt: Ich weiß auch noch nicht genau wie lange die Balancing-Zeit sein sollte ... Innerhalb von 2 Ladezyklen wurde in diesem Paper gewählt, aber welche Auswirkungen eine längere Dauer hat versteh ich noch nicht ganz? Der oben beschriebene Effekt sollte halt gegeben bleiben :-) Die Akkus dürften nicht leiden. Die Zeit von der Herstellung der Schaltung mit der Vorladung aus der Fabrik bis zum ersten Einsatz beim Endbenutzer kann ja hingegen locker mal 6 Monate (und mehr, im "worst case") dauern. Im regulären "Betrieb" sollte die Schaltung nicht länger als 2-4 Wochen ohne Neuladung verbleiben müssen können, da die Ladung ziemlich häufig rotiert wird (siehe unten). Wegen Balancing nur beim Laden: Also die Akku sind fest mit der Schaltung verbunden und werden nicht herausgenommen zum laden. Oder meintest du die Balancer nur beim Laden elektronisch hinzuzuschalten? Bzgl Betriebszeit: Die ganze Anwendung dient dazu, Energie in zwei Akkus zu speichern und sie anschließend wieder noch außen zur Verfügung zu stellen. Auch wenn das Gerät einen Monat liegt sollte die ganze Schaltung daher möglichst wenig zum ja sowie schon vorhandenen Energieverlust durch die eigentliche Selbstentladung der Batterien beigetragen haben. Zum Kosten: Es geht dabei auch darum eine zumindest prinzipiell im Hinblick auf Massenproduktion möglichst günstige Schaltung aufzubauen.. zwei einzelne Ladechips für die Akkus, dann entsprechend noch mal zwei ic's die die Kapazität der Batterien schätzen (denn die gibt's auch noch, hat aber mit der Frage hier wohl wenig zu tun), plus zusätzliche Schaltung um sie für den Output wieder in Reihe zu schalten, würde die Schaltung wohl insgesamt teuerer machen als eine Serienschaltung aus zwei Zellen+Balancer, oder?
Danke, ich glaube an sich verstehe ich das Prinzip schon - es wird ein Teil des Ladestroms an der Zelle vorbei gelenkt aber wie funktionierte das mit den Ladungspumpen aus dem Post von Anja? Wäre super wenn jemand Tipps für eine Miniaturisierung hat, da es hier ja nur um 0.2C geht und 1.8Ah insgesamt.
Insbesondere würde ich mich über Hinweise zu (SMD) Bauteilen freuen zum weiteren Experimentieren, da ich in 'nem anderen Thread gerade eine Sammelbestellung bei Mouser mache. Zeit rennt natürlich :(.
A. M. schrieb: > Wegen Balancing nur beim Laden: > Also die Akku sind fest mit der Schaltung verbunden und werden nicht > herausgenommen zum laden. Oder meintest du die Balancer nur beim Laden > elektronisch hinzuzuschalten? Übliche Ladegeräte haben 2 Kabel: 1 Ladekabel und ein Balancerkabel. (Schau mal in die Modellbauabteilung). Das einzige was Deine Schaltung dann braucht ist ein zusätzlicher Stecker. A. M. schrieb: > Könntest du mich in die Richtung stoßen wo ich Infos finde, wie man > diese Ladunsgspumpen für einen Balancer einsetzt? Den Eingang und die Masse an die obere Zelle anschließen. Den negativen Ausgang an die untere Zelle. Die Ladungspumpe arbeitet grundsätzlich in beide Richtungen. Stromverbrauch bei 3-4V ist ca 20uA den sich beide Zellen teilen. (10uA / Zelle). Also im Datenblatt (Figure 10) den Rail-Splitter Common an den Mittelabgriff der Zellen anschließen. http://cds.linear.com/docs/Datasheet/lt1044.pdf Gruß Anja
> aber wie funktionierte das mit den Ladungspumpen aus dem Post von Anja? Figure 21 im Datenblatt http://www.intersil.com/data/fn/fn3072.pdf Die Rl sind die LiIOn Akkus bzw. die dazu parallelgeschalteten 50uF Elkos. http://www.dse-faq.elektronik-kompendium.de/dse-faq.htm#F.21 unter Ladungsdifferenzen
MaWin schrieb: > http://www.dse-faq.elektronik-kompendium.de/dse-faq.htm#F.21 > > unter Ladungsdifferenzen +-------+-----+ | | | +---(-------(--+ | | | | | | | Zelle1 | | 100k0.5% | | /+|-+ | +---+--1k-< | | Microampere CMOS OPAMP | \-|----+ Zelle2 | 100k0.5% | | | +-------+-----+ Bei dieser Schaltung gehört aber inv. und nicht inv. Eingang vertauscht. Wenn der + Eingang auf höheren Potential liegt wie der - Eingang soll der OpAmp ja Zelle2 entladen.
WOW, vielen Dank schon mal! Wahnsinn dieses Akku-Faq ist ja eine super Ressource. Btw: Komisch 8 Euro für einen Max660 -weiß einer warum die so teuer sind? Wenig Nachfrage?! LTC1044 gibt's nicht bei Mouser, den anderen schon.
Viele Ladungspumpen-ICs vertragen keine Vorspannung auf den Rails. Versuchs mal so: ehydra.dyndns.info\en\Akkubooster
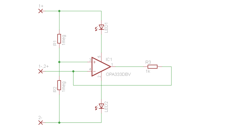
Um den Thread mal wieder auszugraben... Ich habe die OP-Balancer-Schaltung von MaWin aufgebaut, um sie dauerhaft an einem Akkupack aus zwei Zellen zu hängen. Allerdings habe ich folgende Änderungen vorgenommen (Schaltung im Anhang): - der OP ist wegen des geringeren Verbrauchs ein OPA333 von TI - weil der OP nur max. 5.5V supply möchte, habe ich jeweils eine LED eingebaut, die verbrät jeweils 1.8V der max. 8.4V Spannung (beim Laden) und zeigt als schönen Nebeneffekt an, wenn ausgeglichen wird. - R1 und R2 sind 1MOhm 0.1% Widerstände, damit die Verlustleistung möglichst klein bleibt. R3 hatte ich zuerst mit 100 Ohm dimensioniert, um einen schnelleren Ausgleich und hellere LEDs zu ermöglichen. Die Schaltung war dann allerdings sehr von äußeren Einflüssen abhängig - hat man sich mit der Hand genähert, haben die LEDs plötzlich wild hin und her geschaltet. Ich habe R3 also wieder auf 1k geändert, die LEDs leuchten auch immernoch ausreichend hell. Nun tut die Schaltung zwar zunächst was sie soll und gleicht die Spannungen der Zellen aneinander an. Dann (die Zellspannungen sind aufs mV gleich) macht sie allerdings fröhlich weiter: Es leuchtet eine der beiden LEDs, sie wird innerhalb von geschätzt vielleicht einer halben Stunde immer dunkler, dann erlischt sie, die andere geht an und das Spiel beginnt von vorn. Nun sitze ich schon eine Weile dran und komme einfach nicht weiter. Kann sich jemand erklären, was nicht stimmt? Gruß, Stefan
Interessante Beobachtung. Vielleicht irgendwas mit thermischen Effekten. Ich würde nun einfach mal die LEDs ausbauen (also den Strom dann messen) bzw. jeweils zwei in Reihe schalten und dann erneut probieren.
Hallo, Vielleicht mal die Verstaerkung reduzieren. Out nach inv.
Hallo und Danke für die Antworten! @Abdul K.: wenn ich die LEDs raus nehme, betreibe ich den OP außerhalb seiner Specs, oder hattest Du nur zur Strommessung gemeint? dann kann ich nämlich auch die Spannung über R3 messen. Der Strom ist mindestens im 30µA-Bereich (wenn die LED sehr dunkel ist und die Schaltung kurz vorm "Umschalten" auf die andere LED steht). @Mani: Meinst Du den Ausgang des OP direkt auf den invertierenden Eingang schalten, also vor R3? Dann habe ich ja einen Impedanzwandler und verbrate am R3 die Differenz zwischen echtem Mittelpunkt und Mittelabgriff? Eigentlich ein guter Ansatz. Im Fall dieser Änderung leuchten beide LEDs sehr (!) schwach (macht ja auch Sinn, wenn der Output die mittlere Spannung des Akkupacks ausgibt), beide Akkus sind momentan aufs mV gleich. Das Leuchten sieht man nur bei Dunkelheit, der Strom ist im µA-Bereich, zumindest kommt mein Multimeter bei der Messung der Spannung über R3 an seine Grenzen, bei 1mV Auflösung. Wenn ich dem einen oberen Akku 5kOhm in Reihe schalte, leuchtet entsprechend die untere LED, die Schaltung scheint also zu funktionieren. Ich werde mal testen, wie es sich bei niedrigeren Werten von R3 verhält. Gruß, Stefan
Also ich halte vom Balancing nichts, die Zellen sollten einfach gleichmäßig aufgeladen werden (auf z.B. 4V) und dann können sich alle in Reihe geschalteten Akkus über einen Verbraucher entladen. Wenn ein Akku eine geringere Kapazität hat erreicht er eben als erstes die Minimalspannung und dann wird der Akkuzustand als "leer" bezeichnet. Wenn der Effekt zu groß ist müsste man den Akku gegen einen mit einer passenderen Kapazität austauschen. Wenn man es trotzdem so nutzen möchte könnte man den Akku auch aus der Reihe raus nehmen wenn er leer ist, dann sinkt die Gesamtspannung um die Spannung des leeren Akkus ab.
Ja wenn. Mach das mal in einer Anwendungsschaltung, einfach rausnehmen... Der schwächste Akku kriegt immer mehr auf die Mütze als die anderen und irgendwann ist dann Schluß in Form weniger Kapazität und zu großem Innenwiderstand. Dann wir dieser schwächste Akku die Gesamtbatterie nutzlos machen. Passives Balancing ist schon ok. Intelligenter ist es aber so wie ich oben im Link postete. Über 30uA würde ich mir jetzt nicht so die Gedanken machen, wenns dabei bleibt. Zum Messen kannst du ja mal nen anderen OpAmp reinbauen. Mit Strommessen meinte ich die Verbindung zum Mittelpunkt der beiden Akkus. Also den OpAmp-Ausgang. Über den künstlichen Ausgangswiderstand würde ich auch nochmal nachdenken. Variiere den mal!
Hallo, so jetzt von zu Hause mit richtigem Namen. Verstärkung reduzieren!, nicht gleich auf eins setzen. Also in 3 und 4 Widerstand, und Rückkopplungswiderstand vom Ausgang auf den invertierenden Eingang. Formeln für die Verstärkung gibt es hier im Forum. Viel Glück
Bitte melde dich an um einen Beitrag zu schreiben. Anmeldung ist kostenlos und dauert nur eine Minute.
Bestehender Account
Schon ein Account bei Google/GoogleMail? Keine Anmeldung erforderlich!
Mit Google-Account einloggen
Mit Google-Account einloggen
Noch kein Account? Hier anmelden.
