Hallo liebes Forum, Ich habe mir einen Mosfet Verstärker mit einem N-Kanal Mosfet (Schaltplan im Anhang) aufgebaut. Allerdings hatte ich nur einen Hochspannungsmosfet mit knapp 7 A d.h. keine besondere Lautstärke. Jetzt bin ich auf die Idee gekommen dass man doch auch einen P-Kanal benutzen könnte, denn ich habe einen mit 30 A u. 60 V. Meine Frage ist jetzt; Wie muss ich die Schaltung ändern damit ich den P-Kanal benutzen kann? Einfach Elkos und die Z-Diode zusammen mit der Spannungsquelle umpolen oder geht das auch einfacher? vielen Dank für die Interesse an meinem Problem ;)
Dein N-Kanal Mosfet reicht locker mit wieviel V versorgst du denn die Schaltung? Ich habe das ganze mal in Stereo aufgebaut bei 15 V reicht es für gehobene Zimmerlautstärke. Das ist eine Class A Endstufe also ohne Übernahmeverzerrungen dafür aber mit viel Verlustleistung. Für möglichst viel Ausgangsleistung eignet sich ein AB Verstärker besser.
Ich benutze keinen BUZ 11 sondern einen 2SK2865, den ich aus einem Netzteil habe. Ich wollte die Schaltung für einen MTB30P06 umbauen, da der mehr Power hat. Die Betriebsspannung liegt bei 20 V. Bei meiner bisherigen Schaltung liegt die Spannung am Ausgang bei 1,5 V maximal.
> Einfach Elkos und die Z-Diode zusammen mit der Spannungsquelle umpolen
Ja.
Ist dich einfach.
Dann hast du etwas falsch aufgebaut die Ausgangsspannung sollte um die 10V (Spitze) liegen. Wird der Mosfet warm? Ich habe bei meinem Aufbau die Z-Diode weggelassen, probier das mal. Was nutztdu für Lastwiderstände?
Ja der wird warm. Nach 10 min hören, muss ich den für 2-3 min abkühlen lassen. Den Lastwiderstand musste ich von 5 auf 220 Ohm (Drahtwiderstand) erhöhen, da der Mosfet nach wenigen Sekunden kurz davor stand zu glühen. Wenn ich die Diode weglasse schwangt das Ausgangssignal mit ca. 100 ms für eine Minute.
Bei 200 Ohm kommt auch mit nem riesigen Fet nicht mehr raus. Class A will halt gut gekühlt werden (über 50% Verlustleistung) also 5 Ohm wieder dran und Fet auf nen dicken Kühlkörper (mindestens Pentium 4 oder größer).
Heißt das dann nicht, dass ich auch einen 0,33 Ohm als Lastwiderstand nehmen kann?
Kannst Du gerne machen wenn du bei 24V ganze 873W im Leerlauf verheizen möchtest und die Hälfte davon vom FET wegkriegst... die andere Hälfte kocht den Widerstand. Wenn Du Leistung willst solltest Du Dich mal mit Class-AB oder so auseinandersetzen. Ich find die Schaltung sowieso Müll, weil keine Rückkopplung. So linear wie man's bräuchte ist kein einfacher FET. Ich glaube nicht, daß das Ding gut klingt.
Ben _ schrieb: > Ich glaube nicht, daß das > Ding gut klingt. Natürlich ist das keine Hifi-Anlage die man für 200 € kaufen kann, allerdings für einfache selbstbau Verstärker Versuche ist die Schaltung mehr als ausreichend. Ich wollte nur versuchen ob aus dieser Schaltung etwas mehr rauszuholen ist.
moin !! dein verstärker ist ne hübsche heizung. wenn man an die platine ran kommt (sammelbestellung) dann ist die symasym ne sehr gute endstufe. 100w an 4ohm. mfg
Class-A Endstufen haben alle das Problem, daß sie im Leerlauf 100% Verlustleistung haben. Allerdings klingen die meisten dafür richtig gut weil bei ihnen keine Übernahmeverzerrungen um den Nulldurchgang auftreten und sind dabei nicht sooooo viel komplizierter aufgebaut als Dein Ein-Transistor-Wunder. Deiner Schaltung fehlt einfach mal die Rückkopplung und dadurch wird das Eingangssignal irgendwie um die Verstärkungskurve des FETs herumgebogen. Das ist ungefähr das Letzte, was ich aus meinen Boxen rausquäken hören möchte. Natürlich ist es möglich, aus so einer Schaltung mehr herauszuholen. Mit ein paar FETs parallel plus etwas Stromsymmetrierung und einem derzeit sicherlich preiswert zu erwerbenden Kühlturm von Biblis-B kriegt man da bestimmt 1kW raus. Aber es ist absolut nicht sinnvoll. Im Anhang mal eine Schaltung, der ich einen passablen Klang bei einfachem Aufbau zutraue. Wenn Du was mit Power willst dann schau nach Class-AB-Endstufen. Die sind vom Aufbau her zwar schon eine deutliche Steigerung im Vergleich zu Deinem Single-FET, aber eigentlich beherrschbar.
Mit Komplementärendstufen habe ich auch schon experimentiert. Das sah dann so aus. Die hat aber nur 3W.
Schau dich mal hier um: http://sound.westhost.com/projects-1.htm Ben _ schrieb: > ... Na dann gib doch wenigstens die Quelle mit allen notwendigen Infos an: http://sound.westhost.com/project10.htm Der vorgeschlagene Heatsink ist auch eher riesig :-D
max schrieb: > Mit Komplementärendstufen habe ich auch schon experimentiert. Das sah > dann so aus. > Die hat aber nur 3W. Was Ben verlinkt hat, ist Class A, nicht Class B/AB
Ich habe gerade bemerkt, dass sich ein kleiner Fehler eingeschlichen hat. R 10 und 11 müssen mit R 9 und C 7 verbunden sein.
Sorry, ich hab das Bild aus dem Kontext gerissen weil's mir nur um den Grundriss einer besseren Class-A-Endstufe ging, nicht um die Nachbaubarkeit direkt. Mal sehen ob ich noch einen Schaltplan für was mit etwas Bumms finde... Irgendwo müßte ich noch einen Schaltplan für 1500W haben, allerdings arbeitet sowas dann mit schon richtig gefährlichen Spannungen und ist beim Nachbau mit Vorsicht zu genießen (Layout, Transistor-Selektierung, Ruhestrom).
Ben _ schrieb: > Irgendwo müßte ich noch einen Schaltplan für 1500W haben Das ist mir schon zu krass. Ich wollte mir einen Verstärker mit mindestens 25 - 30 W bauen, da ich 40 W Lautsprecher gefunden habe.
max schrieb: > Ben _ schrieb: >> Irgendwo müßte ich noch einen Schaltplan für 1500W haben > > Das ist mir schon zu krass. Vor allem vollkommen witzlos. Womöglich noch in Class-A! > Ich wollte mir einen Verstärker mit mindestens 25 - 30 W bauen, da ich > 40 W Lautsprecher gefunden habe. Eine ideale Endstufe mit asymmetrischer Versorgungsspannung U schafft an einem Lastwiderstand R eine Leistung von
Reale Schaltungen brauchen ca. 4V mehr. Oder man akzeptiert die ca. 10% Klirr bei Maximalleistung. Für 40W an 4 Ohm brauchst du also 36V, besser 40V. Bei symmetrischer Versorgungsspannung wird aus dem Faktor 8 oben eine 2. Dann reichen also +/-18V. Das schafft z.B. schon der Großvater der Endstufen-IC: TDA2030. Alternativ ein TDA2005 mit asymmetrischer Versorgung von 18V, aber dafür in Brückenschaltung. Zeitgemäßer wären die TDA729x. Z.B. der kleinste aus der Reihe: TDA7296, bis +/- 35V bzw. 60W. Ach ja: alles was leistungsmäßig über Kofferradio hinausgeht, baut man mit symmetrischer Versorgung und dann ohne den Koppelkondensator am Ausgang. Class-A ist Humbug. Das ist was für Hifi-Esoteriker, die den Klang des Netzkabels zu hören glauben. Eine vernünftig dimensionierte und korrekt eingestellte (Ruhestrom!) AB-Endstufe ist klanglich gleichwertig und verheizt nicht so sinnlos Energie. Mit AB kann man auch eine ordenliche Leistungsreserve vorhalten (Faktor 10 ist durchaus normal) ohne daß einen der Kühlungsaufwand umbringt. XL
>>> Irgendwo müßte ich noch einen Schaltplan für 1500W haben >> Das ist mir schon zu krass. > Vor allem vollkommen witzlos. Womöglich noch in Class-A! DU mußt's ja wissen!
Ich wollte den Verstäker als Bassverstärker nutzen und ich hatte irgendwo mal gelesen, dass Class-A dafür am besten geeignet ist. Außerdem ist der einfach zu bauen und zu verstehen. Mittlerweile habe ich den Widerstand und den Kondensator weggelassen und den Lautsprecher zwischen Spannungsquelle und Mosfet geklemmt. Für die Mittel- und Hochtöner nutze ich einen TDA2009 gebrückt.
max schrieb: > Ich wollte den Verstäker als Bassverstärker nutzen und ich hatte > irgendwo mal gelesen, dass Class-A dafür am besten geeignet ist. Aha. Wo? > Außerdem ist der einfach zu bauen und zu verstehen. Ja, ich glaube ich verstehe. So wie es einfacher ist, im Winter die Raumtemperatur durch Kippen eines Fensters zu regeln. Thermostatventile sind doch viel zu kompliziert! > Mittlerweile habe > ich den Widerstand und den Kondensator weggelassen und den Lautsprecher > zwischen Spannungsquelle und Mosfet geklemmt. OH! MY! GOD! Wir können die Diskussion dann glaube ich beenden. XL
Dem armen Lautsprecher verbiegt es doch die Membran. Ich glaube du verwechselst nen Bassgitarren mit nem Tieftönerverstärker, wobei selbst dort zu grosse Leistungen gebraucht werden als das Class A sinvoll wäre.
Die Seite von der ich das habe, finde ich nicht mehr. Aber soweit ich mich noch erinnern kann stand da drin, dass die Transistoren einer AB-Endstufe die halben Perioden bei einer tiefen Frequenz nicht richtig verstärken können und das bei höherer Frequenz besser klappt. Class-A Endstufen schwächen ja nur den Gleichstrom zu einer abgekoppelten Wechselspannung ab und können tiefe Frequenzen somit besser verstärken. Wenn das falsch ist, klärt mich bitte auf. Ich bin ja auch hier, um solche Dinge zu lernen. PS: Ich bin erst 14.
Nein das ist falsch. Die untere Grenzfrequenz wird durch die Auslegung der Endstufe bestimmt. AB Endstufen kommen bei richtiger Dimensionierung locker runter bis 10Hz. Class A Endstufen haben jedoch durch den Koppel-C ein begrenztes Frequenzspectrum. Je kleiner die Kapazität desto höher die untere Grenzfrequenz, weil der C zusammen mit dem Lautsprecher einen Hochpass bildet. Deshalb sind AB Endstufen für die Tieftonverstärkung wesentlich besser geeignet, auch weil sie viel mehr Leistung bringen. Ich finde es gut das du dich so früh schon mit diskreten Endstufen beschäftigst. Vor 2 Jahren habe ich gerademal IC Verstärker gelötet.
Hallo Max, max schrieb: > Die Seite von der ich das habe, finde ich nicht mehr. Ist wohl auch besser so. > Aber soweit ich mich noch erinnern kann stand da drin, dass die > Transistoren einer AB-Endstufe die halben Perioden bei einer tiefen > Frequenz nicht richtig verstärken können und das bei höherer Frequenz > besser klappt. Ich kann nur hoffen, daß dich deine Erinnerung trügt. Andererseits ist man von den Class-A Enthusiasten ja auch nicht verwöhnt, was belastbare Fakten angeht. > Class-A Endstufen schwächen ja nur den Gleichstrom zu einer > abgekoppelten Wechselspannung ab und können tiefe Frequenzen somit > besser verstärken. Das ist Unsinn. > Wenn das falsch ist, klärt mich bitte auf. Ist eben geschehen. > Ich bin ja auch hier, um solche Dinge zu lernen. > PS: Ich bin erst 14. Tja. Schon traurig, wie irgendwelche Hifi-Esoteriker einen jungen Geist vergiften können. Vergiß das alles bitte schnell! Wenn du einfach nur einen Verstärker bauen willst: dafür nimmt man heute fertige ICs. Die gibts wie Sand am Meer, für jeden denkbaren Einsatzfall. Interessant sind zum einen die Serien, die für Autoradios entwickelt wurden (z.B. TDA2005, TDA7360, TDA7374). Die laufen schon mit 12V ganz vernünftig, meist in Brückenschaltung. Für höhere Anforderungen kann ich die TDA729x empfehlen, z.B. den schon genannten TDA7296. Originäres Einsatzgebiet: Home-Audio wie Vollverstärker oder Fernseher. Für den Anfang versuch doch erst mal was kleineres, gutmütiges. TDA2003 oder TDA2030 zum Beispiel. Datenblätter findest du mit Google ("IC-Bezeichnung Datenblatt"). Oder du gehst direkt zum Hersteller: NXP oder ST. Dort in die parametrische Suche und nach AB-Endstufen-IC suchen. Englischkenntnisse sind hier sehr nützlich. Wenn du wirklich lernen willst, wie sowas funktioniert und etwas funktionsfähiges zum Nachbauen haben willst, wird es hart. Es gibt einige Seiten mit ganz guten Erklärungen; z.B. Wikipedia oder das Elektronik-Kompendium (http://www.elektronik-kompendium.de/sites/slt/0205141.htm). Leider geht letzteres dann dämlicherweise auf den "ruhestromlose Endstufe" Trip, was ganz großer Bullshit ist. Ganz vernünftig sieht diese Seite aus: http://home.arcor.de/d.mietke/analog/kompl.html Ist eine echte Schaltung (nicht nur Prinzipschaltung), die man so auch nachbauen kann. Und wird im Detail erklärt. Ansonsten bleiben dir nur Bücher. Vielleicht kommt ja MaWin noch vorbei und postet ein paar Links auf Seiten mit Endstufen-Schaltplänen. XL
>Mal sehen ob ich noch einen Schaltplan für was mit etwas Bumms finde... >Irgendwo müßte ich noch einen Schaltplan für 1500W haben, allerdings >arbeitet sowas dann mit schon richtig gefährlichen Spannungen @Ben: Mich würde der Schaltplan interessieren, kannst du ihn posten? MFG
Axel Schwenke schrieb: > Ganz vernünftig sieht diese Seite aus: > > http://home.arcor.de/d.mietke/analog/kompl.html Diese habe ich schon bei Tina simuliert und etwas weiter oben im Anhang drin. Dort ist die leicht fehlerhaft, aber die habe ich schon verbessert. Der TDA7374 sieht interessant aus, immer hin hat der gebrückt 21 W an 4 ohm, aber auch 4 Ausgänge. Das ist doch perfekt für meine kleine 2.1 Zimmeranlage Marke Eigenbau. Der Tieftöner hat 2 Schwingspulen, nicht dass ihr euch noch wundert.
moin !!! such mal nach symasym. ist n gutes projekt und wird auch gut beschrieben. schaltplan und layout ist vorhanden. mfg
dolf schrieb: > such mal nach symasym. > ist n gutes projekt und wird auch gut beschrieben. Hmm. Die Beschreibung find ich jetzt nicht so dolle. Endstufen-Stromlaufpläne findet man zuhauf im Netz. Was meistens fehlt, ist eine ausführliche Beschreibung. Denn wenn man als Einsteiger sowieso nicht herausfindet, wie es funktioniert, dann kann man auch gleich einen IC nehmen. Viel fetter als TDA7294 (90W an 8R) braucht man Endstufen kaum. Und was die Robustheit (Kurzschluß, SOA, Temperatur, teilweise auch Surge/Burst, Versorgungsspannungs-Umpolung) angeht, sind die integrierten Lösungen i.d.R. viel besser als jeder diskrete Aufbau. Diskret kann besser klingen, da muß man sich aber schon mächtig anstrengen. Beim Symasym sehe ich für meinen Geschmack zuviel open-Loop-Verstärkung. Würde mich nicht wundern, wenn der nur mäßige TIM-Werte hat. XL
Der SymAsym ist wirklich nicht gut. Das entscheidende Problem haben wir hier mal angesprochen: Beitrag "Re: Audioverstärker, 2 Diff. Verstärker hintereinander" Das ist zwar nicht genau die Schaltung des SymAsym, aber das Schaltungsprinzip.
ArnoR schrieb: > Der SymAsym ist wirklich nicht gut. Das entscheidende Problem haben wir > hier mal angesprochen: > > Beitrag "Re: Audioverstärker, 2 Diff. Verstärker hintereinander" > > Das ist zwar nicht genau die Schaltung des SymAsym, aber das > Schaltungsprinzip. Dein Argument dort ist zwar nicht komplett falsch, aber am Problem vorbei. Mit Leerlaufklirrfaktor ist der Klirrfaktor ohne Gegenkopplung gemeint. Dessen Einfluß wird aber um den Betrag der "totgelegten" Verstärkung verringert. Wenn die Schaltung z.B. 80dB Verstärkung hat, aber per Gegenkopplung auf 30dB runtergedrückt wird, werden die Dreckeffekte um einen Faktor von 50dB reduziert. Zumindest in der Theorie. In der Praxis kommen dann z.B. Laufzeitfehler und generell der Frequenzgang dazu. Was sich z.B. in einem höheren Klirrfaktor für hohe Frequenzen widerspiegelt. Und in besagten transienten Intermodulationsverzerrungen (TIM). XL
> Dein Argument dort ist zwar nicht komplett falsch, aber am Problem > vorbei. Na wie du meinst. 18% um 50dB verringert sind etwa 0,06%, nicht besonders gut, zumal die nur erreicht werden solange die volle Leerlaufverstärkung anliegt (so 10...1000Hz). Schon im NF-Bereich hat man dann undiskutablen Klirr. > Was sich z.B. in einem höheren Klirrfaktor für hohe > Frequenzen widerspiegelt. Und in besagten transienten > Intermodulationsverzerrungen (TIM). Und was glaubst du wohl wie die entstehen? Durch Übersteuerung der internen Stufen infolge der mit der Frequenz abnehmenden Schleifenverstärkung und unsinniger Struktur. Genau das hab ich doch gesagt. Und das schon öfter, z.B. hier: Beitrag "Re: Verständnisfrage zu Openloop-Verstärkung, Bandbreite und Gegenkopplungsgrad" und weiter unten und in zig anderen Threads.
Wenns nur um die Frage geht welche Endstufe für Bass am besten ist bleibt nur Class-D. Ohne große Verlustleistung richtig viel Power an die Pappe... Schafft nichts anderes und bei 3-300Hz oder was man für Tiefton braucht sind sogar die PWM-Frequenzen locker beherrschbar. Class-A ist meiner Meinung nach überholte Technik. Ich hab eine 2x1kW PA-Endstufe (Palmer 2000LX), die in Class-AB mit IGBTs ausgefüht ist. So sauber wie die selbst bei extrem kleiner Leistung klingt... Da muß sich auch eine Class-A-Endstufe schon strecken. Selbst wenn man in die Box reinkrabbelt hört man kein Grundrauschen und auch keine Übernahmeverzerrungen bei sehr leisem Signal. Und so knackig wie die klingt auch kein Hifi-Verstärker, den ich je hatte. Einziger Nachteil: 3HE Ringkerntrafo mit 25-30kg, direkt in die Wand und eingeschaltet pustet bei einem von zwei Versuchen den 16A-Automaten weg, zwei Lüfter die das fehlende Grundrauschen der Endstufen ersetzen... Naja, vielleicht doch mehr als ein Nachteil. @Fralla Büddeschön, aber lass Deine Brüllwürfel heil! ;)
Ben _ schrieb: > Einziger Nachteil: > 3HE Ringkerntrafo mit 25-30kg, direkt in die Wand und eingeschaltet > pustet bei einem von zwei Versuchen den 16A-Automaten weg moin ! du solltest über nen sanftanlauf für den trafo nachdenken. dan löst die sicherung auch nicht mehr aus. mfg
Hat das Ding und die funktioniert auch wie sie soll. Hab ich natürlich schon überprüft, mir scheint da besteht Verbesserungsbedarf an der Schaltung. Eine 10A Schmelzsicherung bleibt stehen, ein üblicher 16A Automat nur zu 50%. Ein paar Meter Verlängerungskabel helfen...
Teilweise seh ich auch klassisches Class AB überholte. Die PLX2 Serie von QSC hat absolute HiFi Qualitäten. Prinzip ist ein Art "Envelope Tracking" der Versorgungspsnnng einer Class AB Stufe. (Die älteren hatten nur zwei Spannungslevel am Rail). Dank Schaltnetzteil auch schön leicht. Aber auch teuer. Ben schrieb: >@Fralla >Büddeschön, aber lass Deine Brüllwürfel heil! ;) Dakeschön. Ich werd mich auch mal wieder an einen linearen Amp machen, wo ich sehr wenig Ahnung habe. Einen FU auf ein Class-D Amp unzubauen ging prinzipiel gut, aber eher zu lärmmachen, viel Lärm ;) MFG Fralla
Wofür braucht man einen 1500W Verstärker?! Willst du damit eine ganze Stadt beschallen? Bei mir reichen schon 250W Bass, damit die Omas angerannt kommen. Nochmal zurück zum eigentlichen Thema. Den Class-A Mosfet Verstärker habe ich abgebaut und probiere es mal mit einem AB-Verstärker, wenn da jemand einen relativ unklomplizierten Schaltplan mit symmetrischer Versorgungsspannung (+-24V) hat, wäre das schon echt top. Diff. Verstärker - Treiber - Komplementärtransistoren würden mir genügen
max schrieb: > Ich wollte mir einen Verstärker mit mindestens 25 - 30 W bauen, da ich > 40 W Lautsprecher gefunden habe. Was steht da drauf? Welche Ohm-Zahl? Heutzutage wird die Spitzenleistung angegeben. Die Nennleistung ist etwa die Hälfte. Und das ist das, was der Verstärker bringen darf. Also gehe mal von 20W Verstärkerleistung aus.
Michael_ schrieb: > Welche Ohm-Zahl? Auf der Box, aus der ich die habe, stand 4 Ohm, aber auf den Lautsprechern 8 Ohm. Daher bin ich etwas verwirrt oder ist das wegen der Frequenzweiche? Was ich mir nicht denke, da die ja auch Spulen haben, die ebenfalls einen Widerstand haben. Die Leistung stand nur auf der Box mit 40 W, aber wahrscheinlich bezogen auf die 4 Ohm, da die dadrunter standen.
>Das Fralla einen Netztrafo verwenden will ist schon komisch... Was denn schon wieder? Hab ich nie gesagt mit dem Netztrafo. Wenn ich vieleicht den Amp von Ben nachbaue, dann mit absoluter Sicherheit mit Schaltnetzteil;) Ich seh nur Vorteile darin. Und jetzt geht eine Diskussion los... Will jemand Geld loswerden? -> http://www.ebay.de/itm/380386275217 MFG Fralla
Ist schon komisch. Aber gehe mal von 4Ohm aus und bei +-20V kriegst du da etwa 25W raus. Das passt dann. Der Krach reicht allemal!
Ich wollte den Verstärker auch nicht auf Belastungsdauerbetrieb lassen. Ich habe an etwas mehr Leistung gedacht, denn wenn das wirklich 8 Ohm Lautprecher sind, sind die nicht so Laut wie erwartet, ansonsten muss ich den Verstärker auch nicht bis an die Grenzen bringen.
Für 8 Ohm braucht man weniger hohe Ausgangsleistung, sondern eine hohe Betriebsspannung wenn man Leistung sehen möchte. Die meisten Amps mit Dampf erreichen ihre Nennleistung an 4 Ohm und weniger. PA-Amps bei 4 Ohm, weniger gäbe zuviel Verluste in den mitunter langen Kabeln, Class-D im Auto erreicht die volle Leistung meistens bei 1 Ohm - was schon ziemlich krank ist. @Fralla Von den "alten" PLX3402 habe ich einige repariert und eine aufgehoben! :) Ich find die schon recht klasse, auch wenn sie nicht ganz so sauber klingen wie die Palmer. Das Netzteil von den Dingern ist aber wirklich etwas von gestern: ungeregelt und störanfällig. Die IGBTs auf der Primärseite sind für eine 2,2kW Endstufe auch etwas schwach auf der Brust. Wenn Du mal eine "neue" PLX2 für mich hast immer her damit. Würde mich interessieren, kann auch defekt sein (flick ich schon wieder zusammen).
>Auf der Box, aus der ich die habe, stand 4 Ohm, aber auf den >Lautsprechern 8 Ohm. Messe doch mal den Gleichstromwiderstand. Der liegt in der Nähe der Impedanz.
max schrieb: > Nochmal zurück zum eigentlichen Thema. Den Class-A Mosfet Verstärker > habe ich abgebaut und probiere es mal mit einem AB-Verstärker, wenn da > jemand einen relativ unklomplizierten Schaltplan mit symmetrischer > Versorgungsspannung (+-24V) hat, wäre das schon echt top. > Diff. Verstärker - Treiber - Komplementärtransistoren würden mir genügen Dann hänge ich dir mal die Schaltung einer Endstufe an, die ich im Alter von ca. 17 selber entwickelt habe und die in dem damals gebauten Verstärker bis heute klaglos ihren Dienst tut (mittlerweile in der Dachboden-Werkstatt). Vorab ein Wort der Warnung: die Schaltung hat keinerlei Schutzschaltungen, etwa gegen einen Kurzschluß am Ausgang. Nach vielen Versuchen mit derartigen Schaltungen habe ich immer einen negativen Einfluß auf die Qualität gehört (oder mir eingebildet?) und schließlich entschieden, daß es auch ohne geht. Allerdings werden die Lautsprecher verzögert über ein Relais zugeschaltet (was den Einschaltplopp vermeidet) und auch bei Gleichspannung am Ausgang einer Endstufe werden die Lautsprecher sofort abgetrennt. Dieser Schaltungsteil ist hier nicht gezeigt. Die Schaltung ist getrennt in Spannungs- und Stromverstärker. Das hat auch konstruktive Gründe. Das Gehäuse war damals ganz schön voll und mit 55mm auch recht flach. Deswegen sitzt der Stromverstärker-Teil direkt am Kühlkörper (die 5 Transistoren müssen thermisch gekoppelt sein). Der Spannungsverstärker sitzt zweimal (Stereo) auf einer separaten Platine. Weil es sich damals anbot, versorge ich Spannungs- und Stromverstärker aus verschiedenen Trafos. Das sorgt nebenbei auch für eine bessere Aussteuerbarkeit der Stromstufe (Vorstufe läuft mit höherer Spannung). Eine gemeinsame Versorgung funktioniert natürlich auch, bei geringfügigem Verlust an Aussteuerbarkeit (und damit Leistung). Mit +/- 24V sollte man aber immer noch bis +/-21V aussteuern können, was an 4 Ohm satte 50W ergibt. Zur besseren Erläuterung habe ich Teile der Schaltung farbig hinterlegt. Grün ist der Eingangsdifferenzverstärker aus zwei hochverstärkenden, rauscharmen pnp-Transistoren. Idealerweise sind die auf gleiche Stromverstärkung ausgesucht und thermisch gekoppelt (Schrumpfschlauch). Orange folgt die Auskoppelstufe, die den Großteil der Spannungsverstärkung erbringt. 68pF und 18pF sind die Frequenzkompensation. Falls Schwingneigung auftritt, sollte man zuerst die 68pF vergrößern. Blau ist eine doppelte Stromquelle mit einer roten LED als Referenz. Sie liefert einmal ca. 1mA für den Differenzverstärker und einmal ca. 9mA als Treiberstrom für den Stromverstärker. Gelb hinterlegt ist die optionale Schaltung zur Korrektur der Ausgangs-Gleichspannung. Nicht farbig hinterlegt sind Eingangsschaltung (mit Tiefpaß 1K/680p gegen HF-Einstreuung) und Gegenkopplung (22k, 1K, 47µ). Zu bemerken ist, daß beide Eingänge des Differenzverstärkers den gleichen Gleichstrom-Widerstand von 22K sehen. Der Spannungsverstärker ist alleine schon nutz- und test(!)bar. Dazu einfach die Anschlüsse S+, O und S- verbinden. Die Stufe verhält sich jetzt wie ein nichtinvertierender Verstärker mit V=23 (27dB). Der Stromverstärker ist eine Standardschaltung. Das pnp-Darlington-Paar kann auch komplementär aufgebaut werden (wenn npn-Leistungstransistoren leichter beschaffbar sind). Stichwort Sziklai-Paar. Violett hinterlegt ist die Ruhestrom-Einstellung. Mit dem Trimmpoti stellt man den Ruhestrom ein. Bei mir 100mA entsprechend 33mV an einem der Emitterwiderstände. Weniger reicht auch, aber ich wollte ja ein Maximum an Tonqualität. Zum Schluß noch ein Wort zu den Bauelementen: die SC307e in der Eingangsstufe sind am besten durch BC560C zu ersetzen. Für den SC307c in der Stromquelle tut ein BC557. SF818/828 sind komplementäre, mittelschnelle Transistoren (Datenblatt hier: http://www-user.tu-chemnitz.de/~heha/bastelecke/Konsumg%C3%BCter-Bastelei/DDR-Halbleiter/sf816). Wirklich guten Ersatz kann ich nicht benennen. BC546/556 würden knapp passen (mit +/-24V problemlos). SD335/336 schließlich sind BD135/136. KD607/617 sind tschechische Leistungstransistoren (80V, 10A, 70W) von vor 30 Jahren. Jedes heute erhältliche N/P Paar passender Leistung kann die ersetzen. Die Trimmpotis sollten gekapselt sein. Ich bevorzuge an solchen Stellen auch immer Typen mit Untersetzung. XL
max schrieb: > Wofür braucht man einen 1500W Verstärker?! Das kann schon einen Sinn haben. Meine Bassanlage (E-Bass) hat eine 4*10" Box, in die ich gut und gerne 800 Watt pumpen könnte, leider sinds im Moment nur 480 Watt und ein bisschen Reserve in den Spitzen wäre da gar nicht schlecht. Immerhin muss ich mich gegen 2 Gitarristen und einen Rockdrummer behaupten. Und PAs bei mittleren Veranstaltungen fangen bei 1,5 kW gerade erst an...
Das kommt auf die Veranstaltung an. Ich finde 1,5kW für eine "mittlere" Veranstaltung recht luschig. Meine beiden Endstufen mit zusammen gut 4kW Sinus hab ich auch zu kleinen Veranstaltungen geschleppt... Aber wahrscheinlich braucht man für Rock weniger Dampf als für Techno/Trance. :)
@ Ben Die Endstufe sieht an sich relativ simpel zum nachbauen aus. Ich werd die erstmal bei Tina simulieren, da ich ja die Teile noch bestellen muss und keine Lust auf Fehlkäufe oder zusätzliche Kosten habe, und dann bauen und ausprobieren. Kann ich anstatt 2 Spannungsquellen auch einen Widerstand einsetzen oder gleich alles mit 24 V betreiben? Ist die Farbe der LED relevant? Immerhin sind die stromgesteuert. @ Matthias Ja für ein Konzert sind 1,5kW nicht besonders viel, aber für den "normalen" Gebrauch Zuhause sind 100W fast zu viel. Finde ich.
@max Mit Deinem Wissensstand kann ich Dir nicht empfehlen, eine 1,5kW Endstufe nachzubauen. Das ist nicht ohne, wenn sowas anfängt zu schwingen weil das Layout scheiße ist oder so dann hast du einen 1,5-2kW Störsender und 5 Sekunden später eine kleine Kernschmelze auf dem Basteltisch... Ich habe diese Endstufe auch noch nicht nachgebaut, kann Dir also nicht sagen wie gut sie klingt oder wie robust oder störanfällig sie ist. Die 260-270Vdc sind auch nicht ohne! Probier Dich mal vorerst an der 120W-Version, die ich zuvor gepostet habe. Das sind auch schon 80V. Mit der Betriebsspannung kann man auch nicht zu sehr von der Auslegung abweichen, weil sonst die Ströme in der Schaltung nicht mehr stimmen. Wenn in einer solchen Schaltung LEDs eingesetzt waren, waren die immer rot.
Ich bin 14 und traue mich sowieso nicht an Spannungen über 48 V ran. Außerdem hatte ich nie vor die Schaltung nachzubauen sondern die andere, die du selber entwickelt hast. Vorallem weil die auch gut beschrieben ist. Daher dachte ich, dass man die auch mit +-24 V bestreiben kann, denn ich habe nur das eine Netzteil ansonsten nur noch ein PC-Netzteil (das geht nicht, wie wir alle wissen). Ich finde es sowieso etwas besser, wenn man PNP und NPN Transistorpaare nimmt.
Da verwechselst Du mich gerade. Ich hab noch keine Endstufe komplett selbst entwickelt, angesichts der enormen Fülle vorhandener Schaltpläne bestand dafür nie eine Notwendigkeit. Gibt halt zwei Dinge, von denen ein Bastler nie genug haben kann: Netzteile und Endstufen.
Ben _ schrieb: > Da verwechselst Du mich gerade. Ja, habe ich gerade auch bemerkt. Tut mir Leid, der war von Axel.
Ben _ schrieb: > Wenn in einer solchen Schaltung LEDs eingesetzt waren, waren die immer > rot. Mit den neueren roten Typen wird das nicht mehr gut gehen.
Für den Anfang wäre sicherlich ein Einchip-Verstärker besser geeignet. Da bieten sich die bereits erwähnten TDA7294/TDA7295/TDA7296 oder der LM3886 (Gainclone) an. TDA2030 ist fast schon prähistorisch ;).
max schrieb: > @ Ben Wie wir schon festgestellt haben. hast du Ben und mich hier verwechselt. > Die Endstufe sieht an sich relativ simpel zum nachbauen aus. Ich werd > die erstmal bei Tina simulieren, da ich ja die Teile noch bestellen muss > und keine Lust auf Fehlkäufe oder zusätzliche Kosten habe, und dann > bauen und ausprobieren. Die meisten Bauteile sind Wald-und-Wiesen-Typen, die in jeder gutsortierten Bastelkiste vorrätig sein sollten. Lediglich die Endstufentransistoren wird man nicht unbedingt daliegen haben. Was da heutzutage eine gute Wahl wäre ... dazu kann ich nicht viel sagen. Ich baue Endstufen seit Jahren nur noch mit MOSFETs. Nur mal als Idee: statt eines BD135/136 und eines dicken Transistors dahinter könnte man auch gleich ein npn/pnp Darlington-Pärchen einsetzen. Z.B. TIP142/TIP147 (jeweils EUR 0,81 bei Reichelt). > Kann ich anstatt 2 Spannungsquellen auch einen Widerstand einsetzen oder > gleich alles mit 24 V betreiben? Du hast nach "Schaltplan mit symmetrischer Versorgungsspannung" gefragt. Und symmetrisch heißt: zwei gleich große Betriebsspanungen (bezogen auf GND). Man könnte die Schaltung zwar auf asymmetrische Betriebsspannung umstricken, aber das bringts nicht. Man bräuchte dann ja auch wieder einen Ausgangskondensator und gerade im Baßbereich will man den nicht haben. Wenn du partout bei deinem 24V-Netzteil bleiben willst, dann such dir etwas integriertes, das in Brückenschaltung arbeitet. Besser baust du aber ein eigenes Netzteil für den Verstärker. Das ist nicht schwer. Das Netzteil für so eine NF-Endstufe sieht eigentlich immer gleich aus: Trafo mit 2 Spannungen (bzw. Mittelanzapfung), Gleichrichterbrücke und zwei fette Lade-Elkos. Für diese Schaltung also etwa: - Ringkerntrafo 80VA, 2x18V (EUR 20,75) - Gleichrichter B80C5000 (EUR 0,74) - 2x Elko 10mF/40V (2x EUR 5,95) alles Reichelt-Preise. Bei den Elkos nicht die billigsten nehmen! Rein rechnerisch würden hier auch Typen für 25V reichen, aber auch da lohnt es sich, eine Klasse besser zu kaufen. > Ist die Farbe der LED relevant? Immerhin sind die stromgesteuert. Steht doch da: eine rote LED. Betrieben wird die (bei den angegebenen 30V) mit ca. 2.8mA ((30V-1.7V)/10K). Wichtig ist nicht, daß sie dann (hell) leuchtet, sondern daß sie beim gewählten Strom eine Flußspannung von ca. 1.7V hat. Im Zweifelsfall keine High-Efficiency LED nehmen. Bauform ist natürlich egal. Wenn keine passende LED zu finden ist, dann kannst du ausgehend von der LED-Flußspannung die Emitterwiderstände der beiden Transistoren in der Stromquelle neu berechnen. Ziel sind ca. 1mA und ca. 10mA. Für weniger Leistung reichen auch 1mA und 5mA. XL
Axel Schwenke schrieb: > - Ringkerntrafo 80VA, 2x18V (EUR 20,75) > - Gleichrichter B80C5000 (EUR 0,74) > - 2x Elko 10mF/40V (2x EUR 5,95) Genau so habe ich das Netzteil aufgebaut nur nicht mit Brückengleichrichter sondern mit 4 Dioden und einem kondensator über jeder Diode, aber das macht keinen Unterschied. Mitlerweile habe ich den hier gefunden, und wie es der Zufall wollte, auch die richtigen Transistoren, Widerstände und Kondensatoren. http://sound.westhost.com/project03.htm Aber ich Übernehme mir die Ruhestromeinstellung aus deiner Schaltung und ändere ein paar Widerstände.
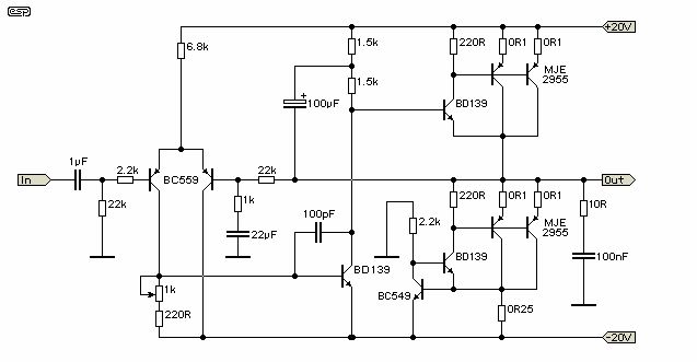
max schrieb: > Mitlerweile habe ich den hier gefunden, und wie es der Zufall wollte, > auch die richtigen Transistoren, Widerstände und Kondensatoren. > http://sound.westhost.com/project03.htm Hmm. Diese Schaltung hat einen Vorteil und diverse Klopse. Der Vorteil ist, daß die Endstufe jeweils als Komplementär-Darlington ausgeführt ist. Ein Vorteil ist das, weil man so eine BE-Strecke (ca. 0.7V) an Aussteuerbarkeit gewinnt. Das ist allerdings ein zweischneidiges Schwert, weil eine komplementäre Darlington-Stufe auch eine erhöhte Schwingneigung hat. Deswegen auch der 100pF "Angstkondensator" am BD140 (komischweise aber nicht auf der anderen Seite). Nun zu den Klopsen: - der BC559 in der Eingangsstufe wird außerhalb der Spezifikation betrieben. U_ce_max ist 30V und wird überschritten. Ein BC560 sollte da hin. Notfalls (mehr Rauschen) tut es auch ein BC557. - der Arbeitspunkt der Eingangstransistoren ist nicht optimal. Per Daumenregel lag früher das Rauschoptimum bei Ic=500µA. Der BC559/560 hat das Optimum gar bei ~150µA. Die Schaltung betreibt ihn beim 10-fachen. - der BD139 in der Auskoppel-Stufe hat bei kleinen Kollektorströmen eher wenig Stromverstärkung und ist deswegen an dieser Stelle nicht optimal. Die 100pF BC-Kapazität erscheinen mir auch recht viel, könnten aber der Tatsache geschuldet sein, daß der BD139 von Haus aus eine größere BC-Kapazität hat, die mit den 100pF linearisiert werden muß. - die Überbrückung der Ruhestromeinstellung mit 2x 1N4001 ist ziemlich ... krude. Wichtig ist aber der im Text angesprochene Punkt: wenn der Schleifer des Ruhestrom-Potis abhebt, dann muß man sicherstellen daß der Ruhestrom nicht Amok läuft. Meine Schaltung hat deswegen einen extra Widerstand (5.1k), der den Ruhestrom in diesem Fall auf 0 bringt. Der wesentliche Unterschied meiner Schaltung ist, daß die Auskoppelstufe auf eine Stromquelle arbeitet (und weil das ein Aufwasch ist: der Differenzverstärker auch). Im Vergleich zu einer Bootstrap-Schaltung leidet die Aussteuerbarkeit zwar etwas, dafür ist die Schaltung stabiler. Wenn man wirklich das letzte bisschen an Leistung herausholen will, dann ist die gezeigte Schaltung etwas besser. Sonst mein Design. Bei meinem Aufbau umgehe ich diese Problem durch die getrennte Versorgung der Spannungsverstärker-Stufe. > Aber ich Übernehme mir die Ruhestromeinstellung aus deiner Schaltung und > ändere ein paar Widerstände. Dann denke bei der Ruhestromeinstellung daran, daß obige Schaltung nur 2 BE-Strecken kompensieren muß. In meiner Schaltung (echte Darlington-Stufen) sind es 4. XL
Axel Schwenke schrieb: > - der Arbeitspunkt der Eingangstransistoren ist nicht optimal. Per > Daumenregel lag früher das Rauschoptimum bei Ic=500µA. Der BC559/560 hat > das Optimum gar bei ~150µA. Die Schaltung betreibt ihn beim 10-fachen. Du solltest allerdings erwähnen, das bei einem nominellen Eingangspegel von 1 Volt für 66 Watt das Rauschen der Differenzstufe völlig vernachlässigbar ist.
Matthias Sch. schrieb: > Axel Schwenke schrieb: >> - der Arbeitspunkt der Eingangstransistoren ist nicht optimal. Per >> Daumenregel lag früher das Rauschoptimum bei Ic=500µA. Der BC559/560 hat >> das Optimum gar bei ~150µA. Die Schaltung betreibt ihn beim 10-fachen. > > Du solltest allerdings erwähnen, das bei einem nominellen Eingangspegel > von 1 Volt für 66 Watt das Rauschen der Differenzstufe völlig > vernachlässigbar ist. Jain. An dieser Stelle bekommt man die Rauschminimierung praktisch geschenkt, dann muß man das ja nicht durch unpassende Dimensionierung zunichte machen. Und überhaupt: warum die teu(re)ren BC559/560 nehmen? Dann reichen ja auch gleich BC556. Noch ein Punkt: eine 60W-Endstufe ist für daheim gnadenlos überdimensioniert und wird im täglichen Betrieb eher mit 5W belastet. Und je kleiner die abgeforderte Leistung, desto mehr Einfluß hat das Rauschen. Aber prinzipiell hast du recht: das meiste Rauschen wird im Vorverstärker gemacht. Man muß sich schon anstrengen, um die Endstufe zur dominanten Rauschquelle zu machen... XL
Axel Schwenke schrieb: > Noch ein Punkt: eine 60W-Endstufe ist für daheim gnadenlos > überdimensioniert und wird im täglichen Betrieb eher mit 5W belastet. Du hast aber tolerante Nachbarn, oder schlechte Lautsprecher... ;-)
Axel Schwenke schrieb: > - der BC559 in der Eingangsstufe wird außerhalb der Spezifikation > betrieben. U_ce_max ist 30V und wird überschritten. Ein BC560 sollte da > hin. Notfalls (mehr Rauschen) tut es auch ein BC557. Ich nehme einen BC556. > - der BD139 in der Auskoppel-Stufe hat bei kleinen Kollektorströmen eher > wenig Stromverstärkung und ist deswegen an dieser Stelle nicht optimal. > Die 100pF BC-Kapazität erscheinen mir auch recht viel, könnten aber der > Tatsache geschuldet sein, daß der BD139 von Haus aus eine größere > BC-Kapazität hat, die mit den 100pF linearisiert werden muß. Hier habe ich einen 2N2222 drin. > - die Überbrückung der Ruhestromeinstellung mit 2x 1N4001 ist ziemlich > ... krude. Wichtig ist aber der im Text angesprochene Punkt: wenn der > Schleifer des Ruhestrom-Potis abhebt, dann muß man sicherstellen daß der > Ruhestrom nicht Amok läuft. Meine Schaltung hat deswegen einen extra > Widerstand (5.1k), der den Ruhestrom in diesem Fall auf 0 bringt. Die Dioden habe ich weggelassen und wie gesagt das übernehme ich aus deiner Schaltung. > (komischweise aber nicht auf der anderen > Seite) Da habe ich mich auch gewundert. Ich glaube ich habe vergessen zu erwähnen, dass ich die untere Schaltung meine.
max schrieb: > Ich nehme einen BC556. > Hier habe ich einen 2N2222 drin. So ist es richtig. Man kann eine Schaltung durchaus auch mal mit leicht anderen Bauteilen aufbauen (vorausgesetzt man überschreitet dabei deren Grenzwerte nicht). Auch bei Widerständen sind normal Toleranzen von +/-10% und mehr drin. Wenn der Prototyp erst mal funktioniert und gefällt, kann man für den realen Aufbau immer noch Geld für die ideal passenden Transistoren etc. ausgeben. >> - die Überbrückung der Ruhestromeinstellung mit 2x 1N4001 ist ziemlich >> ... krude. Wichtig ist aber der im Text angesprochene Punkt: wenn der >> Schleifer des Ruhestrom-Potis abhebt, dann muß man sicherstellen daß der >> Ruhestrom nicht Amok läuft. Meine Schaltung hat deswegen einen extra >> Widerstand (5.1k), der den Ruhestrom in diesem Fall auf 0 bringt. > > Die Dioden habe ich weggelassen und wie gesagt das übernehme ich aus > deiner Schaltung. Siehe auch: http://sound.westhost.com/project3a.htm Im Vergleich P3 und P3A sieht man auch schön die Freiheiten bei der Auslegung. Wechsel npn <-> pnp ist möglich. Unterschiedliche Ruhestrom-Stabilisierung. 50% Toleranz beim Arbeitswiderstand der Auskoppelstufe. Und nicht zuletzt: ganz andere Halbleiter. XL
Bitte melde dich an um einen Beitrag zu schreiben. Anmeldung ist kostenlos und dauert nur eine Minute.
Bestehender Account
Schon ein Account bei Google/GoogleMail? Keine Anmeldung erforderlich!
Mit Google-Account einloggen
Mit Google-Account einloggen
Noch kein Account? Hier anmelden.






