Hallo liebe Community! Ich habe morgen eine Schaltungstechnikprüfung über das Projekt welches ich hochgeladen habe. Wir müssen ein Mischpult nur theoretisch aufbauen. Meiner Meinung nach sollte das passen. Sowohl das Detailschaltbild vom Netzteil und das Detailschaltbild und das Blockschaltbild vom mischpult selber. Es wäre sehr nett, wenn mir vielleicht auch jemand erklären könnte, was jeder Regler bzw. jeder "Schaltungsabschnitt" macht, wofür er da ist und wie er funktioniert. Angaben wie Versorgungsspannung oder sonstiges ist egal. Alles angehängt! Am Anfang ist gleich einmal die AC-Kopplung. Sie filtert die Gleichspannungsanteile raus. Vom Netzteil kommt ja schon Wechselspannung. Die Gleichspannungsanteile werden in Wärme umgewandelt. Nachher geht es zum "Schaltungsverstärker?". Das potentiometer ist einfach dafür da, damit man einstellen kann, wieviel er verstärken soll. Die OPV-Schaltung sagt einfach aus dass es um 1 daweil verstärkt wird. Beim potentiometer benötigt man einen Vorwiderstand sonst könnte man ja bis Unendlich verstärken und das soll man ja nicht. Das 2. potentiometer dient dann dazu, dass wenn das 1. Potentiometer auf 0% ist, kein netzbrummen entsteht. nachher benötigt man einen Summierverstärker. In der Schaltung ist jz ein Subtrahierverstärker. Das heißt die 2 unteren Widerstände gehören weg. Danach kommt der Balanceregler. Mit ihm kann man einstellen auf welcher Box wielaut das Signal ausgegeben wird?!?! Danach kommt der Lautstärkenregler. Mit ihm kann man einstellen wie laut das ganze Signal abgespielt werden soll. Die potis müssen logarithmisch sein, da das Ohr ja auch Logarithmisch ist. Danach nochmal eine OPV Schaltung und nochmal eine AC-Kopplung die nicht unbedingt nötig ist. BITTE sagt mit falls an dem irgendwas nicht stimmen sollte oder vielleicht noch irgendwo irgendwas hinzufügen könnte. Es ist wirklich sehr wichtig dass ich dieses Projekt gut erklären kann! Danke Mit freundlichen Grüßen, Christoph
Bild 3 - Betreibsanzeige??? Hoffe du benutzt das nicht in der Prüfung. Ist in Bild 4 der Gleichrichter verdreht? Schau dir mal die Festspannungsregler an. Die 2200µF sind zwar in Ordnung, aber die haben trotzdem noch ein paar 100nF an Ein- und Ausgang verdient. Nur so gegen Schwingungen.
Ach das hab ich vergessen: Wir haben uns das Projekt angesehen mit dem Lehrer zusammen, d.h. das ist nicht MEIN Projekt. Es ghört einem anderen Schüler, jedoch hat der lehrer gesagt dass es im ALlgemeinen passt und Rechtschreibfehler werden nicht überbewertet. Wie meinst du das, dass der verdreht ist? Das dsb vom Netzteil versteh ich noch nicht so ganz... aber danke für die antwort!
Die Schaltung wurde in SPlan gezeichnet und verwendet hat er angeblich, was im Quellenverzeichnis steht diesen hier: https://www.distrelec.at/ishopWebFront/search/luceneSearch.do?dispatch=find&keywordPhrase=818507 Ist das schlimm wegen den 3µF? Also der Lehrer hat eig. gsagt dass das funktionieren sollte! Ich bin eigentlich schon davon ausgegangen. Was sagt ihr dazu? mfg
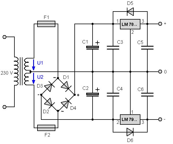
Funktionieren wird das so nicht. Anbei mal ein Bild, wie die Spannungsversorgung aussehen könnte. Die Dioden in deinem Bild schließen kurz.
Was zum Teufel ist das für ein Lehrer/Schule, dass die euch so einen Quatsch eintrichtern wollen?
Danke für das Bild. Was meinst du? Warum schließen die kurz? Warum is bei den Kondensatoren einmal ein dicker und einmal ein dünner "strich" und dann bei den anderen wiederum nicht? Ich gehe in eine HTL für Gesundheitstechnik. Das darfst du mich nicht fragen warum wir sowas machen müssen...
Allgemein kannst du dir merken, die Dioden im Gleichrichter zeigen immer auf den positiven Ausgang. Der gegenüberliege (zeigt also alles von weg) ist negativ. Die anderen beiden sollten klar sein. Ein Spannungsregler braucht niederohmige Kondensatoren für seine Stabilität. Sonst KÖNNTE dieser zu schwingen anfangen. Natürlich kann er auch mit ELKOs oder ganz ohne Kondensatoren funktionieren, muss aber nicht. Zudem kann sie dadurch störanfälliger werden und nur sporadisch nicht funktionieren. (Quelle: Beitrag "Re: 7805 Kondensatoren") Also 100nF vor und hinter die Regler. dann kannste alle anderen bis auf die 2200µF rausschmeißen. Und da du mit 100mA abgesichert hast (reicht das? Wirkt so wenig) kannst du die auch locker auf 470µF oder 1000µF verkleinern.
Während der ersten positiven Halbwelle würde der Strom, wie oben zu sehen, fließen. Deswegen Kurzschluss...
Ok Danke! Ich habe jetzt ein Bewerbungsgespräch. Ich wäre ca. um 20:40 wieder da. Könnten wir dann bitte weitermachen? Danke schonmal! Und wegen dem was ich oben geschrieben habe wegen dem Detailschaltbild vom Mixer. Passt das so? mfg
Kartoffelmuszüchter schrieb: > Kann das überhaupt so funktionieren mit nur einem Gleichrichter? klar kann. mfg
dolf schrieb: > klar kann. > mfg wenn man den gleichrichter richtig einbaut. hab zu spät gesehen das er falsch eingebaut ist. brückengleichrichter wo die katoden zusammen sind ist + wo die anoden zusammen sind ist - der rest ist für~ zuständig. mfg
Christoph H schrieb: > Und wegen dem was ich oben geschrieben habe wegen dem Detailschaltbild > vom Mixer. Passt das so? Stützkondensatoren fehlen.
>Wir haben uns das Projekt angesehen mit dem Lehrer zusammen, d.h. das >ist nicht MEIN Projekt. Es ghört einem anderen Schüler, jedoch hat der >lehrer gesagt dass es im ALlgemeinen passt und Rechtschreibfehler werden >nicht überbewertet. Also, du sollst ein Projekt erklären, das nicht von dir ist, sondern einem "anderen Schüler". Deswegen machst du dir die Mühe, hier alles reinzustellen? Aber warum fragst du denn nicht den "anderen Schüler", der das Projekt gemacht hat???? >Wir müssen ein Mischpult nur theoretisch aufbauen. Wo hast du denn diesen furchtbaren Schaltplan her?? R9 und R10 sind viel zu niederohmig und R11 ist völlig unsinnig. Auch R14 ergibt mit 100k keinen Sinn. Generell ist die ganze Schaltung viel zu niederohmig. Vor den Potis sollten Caps im Signalweg liegen, um Offsetspannungen fernzuhalten. Ohne die kratzt es nach einiger Zeit beim Durchdrehen. Op11 ist als Spanungsfolger geschaltet und am Ausgang fehlt ein Schwingschutzwiderstand gegen kapazitive Last. Wenn OP11 ein FET-OPamp ist, ist die Wahrscheinlichkeit groß, daß die Schaltung beim Anschluß von Kabeln sofort anfängt zu schwingen. Außerdem existiert nicht eine einzige Bandbreitenbegrenzung nach oben. Kein einziges Tiefpaßfilter im Signalweg. Im Anhang findest du den Schaltplan eines funktionierenden Mischpults. >BITTE sagt mit falls an dem irgendwas nicht stimmen sollte oder >vielleicht noch irgendwo irgendwas hinzufügen könnte. Es ist wirklich >sehr wichtig dass ich dieses Projekt gut erklären kann! Warum denn? Habt ihr das nicht besprochen? Oder warst du 4 Wochen krank? Was sagt denn der "andere Schüler" dazu? Weiß DER wenigstens, was er da gemacht hat?
> Meiner Meinung nach sollte das passen
Also bei mir wärst'e durchgefallen.
NIch so sehr wegen dem Gleichrichter,
ein Flüchtigkeitsfehler den man schnell an
den Rauchzeichen entdeckt.
Sondern hinten steht die Behauptung 20Hz-20kHz
und nirgends ist die Scahltung so dimensioniert.
Technische Daten durch Behauptung ?
Hättest du gerechnet, hättest du vielleicht auch
bemnemrkt, daß die Widerstandswerte unspassend sind
um die Schaltung im Rauschminimum zu betreieben,
und daß Elkos eigentlich gepolt sien sollten, hier
aber nicht definiert ist welche Spannung anliegt,
also auch verpolt sind, also kaputt gehen.
Über 4 OpAmps hintereinander, den merkwürdigen
Balanceregler, den unnötigen 100k Widerstand am
Summenmischpunkt, den eher störenden 100k
Widerstand am anderen OpAMp Eingang, könnte man
auch noch ein paar Worte verlieren, aber immerhin
funktionieren die.
Scau dir halt mal Schaltpläne realer Mischpulte
oder Verstärker an.
>Am Anfang ist gleich einmal die AC-Kopplung. Sie filtert die >Gleichspannungsanteile raus. Genau. >Vom Netzteil kommt ja schon Wechselspannung. Die Gleichspannungsanteile >werden in Wärme umgewandelt. Nein, natürlich nicht. Die Caps laden sich mit der Gleichspannung auf, sodaß an den Widerständen dahinter keine Gleichspannung mehr anliegt. Die Caps blockieren die Gleichspannung, sofern denn überhaupt eine da ist. >Das 2. potentiometer dient dann dazu, dass wenn das 1. Potentiometer auf >0% ist, kein netzbrummen entsteht. Oh je, nein. Mit dem 1.Poti stellst du die Grundverstärkung ein, um die Schaltung an unterschiedlich starke Signale anpassen zu können. Mit dem 2.Poti stellst du dann den Anteil am Gesamtsignal ein. Ohne das erste Poti müßtest du das 2.Poti bei ganz starken Signalen ganz herunterdrehen und könntest den vollen Potiweg gar nicht nutzen. Ein Tipp: Schau dir noch mal die Eingangssignale an. Soll wirklich aus zwei Stereosignalen Monosignale gemacht werden, die dann pseudostereomäßig wiedergegeben werden??
schon allein die eingänge müssten gekreuzt sein? (nach l und r aufgesplittet und l1 mit l2 und r1 mit r2 gemischt werden.
>Also 100nF vor und hinter die Regler.
Das gilt aber nur für den 7815. Ein 7915 braucht eine andere Behandlung,
sonst schwingt er. (Eine Kollege von mir durfte mal an 500 Netzteilen
einen passenden Cap nachrüsten...)
Kai Klaas schrieb: >>Wir haben uns das Projekt angesehen mit dem Lehrer zusammen, d.h. das >>ist nicht MEIN Projekt. Es ghört einem anderen Schüler, jedoch hat der >>lehrer gesagt dass es im ALlgemeinen passt und Rechtschreibfehler werden >>nicht überbewertet. > > Also, du sollst ein Projekt erklären, das nicht von dir ist, sondern > einem "anderen Schüler". Deswegen machst du dir die Mühe, hier alles > reinzustellen? Aber warum fragst du denn nicht den "anderen Schüler", > der das Projekt gemacht hat???? Nope. Wir sollen unser Projekt erklären, da aber mein projekt schrott ist, habe ich mir das Projekt von wem anderen geholt, und kann dann morgen mein Projekt verbessern während er mich etwas fragt. Also ich kann ihm sagen was ich falsch gemacht habe und was richtig gehört hätte. Ich werde ihm sicher nicht das Projekt von dem Schüler zeigen. Er hats mir eh erklärt. Nur ich wollte 100%ig sicher gehen, da ich dieses Prüfung schaffen möchte! > >>Wir müssen ein Mischpult nur theoretisch aufbauen. > > Wo hast du denn diesen furchtbaren Schaltplan her?? R9 und R10 sind viel > zu niederohmig und R11 ist völlig unsinnig. Auch R14 ergibt mit 100k > keinen Sinn. > > Generell ist die ganze Schaltung viel zu niederohmig. Vor den Potis > sollten Caps im Signalweg liegen, um Offsetspannungen fernzuhalten. Ohne > die kratzt es nach einiger Zeit beim Durchdrehen. > > Op11 ist als Spanungsfolger geschaltet und am Ausgang fehlt ein > Schwingschutzwiderstand gegen kapazitive Last. Wenn OP11 ein FET-OPamp > ist, ist die Wahrscheinlichkeit groß, daß die Schaltung beim Anschluß > von Kabeln sofort anfängt zu schwingen. > > Außerdem existiert nicht eine einzige Bandbreitenbegrenzung nach oben. > Kein einziges Tiefpaßfilter im Signalweg. > > Im Anhang findest du den Schaltplan eines funktionierenden Mischpults. Danke für den Schaltplan. Jedoch. Dimensionieren müssen wir das Projekt nicht. Das hat niemand außer vielleicht 3 Leute gemacht, der Lehrer empfindet es für unwichtig. D.h. achtet nicht auf die Werte. die sind unnötig. > >>BITTE sagt mit falls an dem irgendwas nicht stimmen sollte oder >>vielleicht noch irgendwo irgendwas hinzufügen könnte. Es ist wirklich >>sehr wichtig dass ich dieses Projekt gut erklären kann! > > Warum denn? Habt ihr das nicht besprochen? Oder warst du 4 Wochen krank? > Was sagt denn der "andere Schüler" dazu? Weiß DER wenigstens, was er da > gemacht hat? Nein. Wirklich besprochen haben wir das wenn ich ehrlich bin nicht. Da er auch bis heute in Italien seit einer Woche war, konnte ich ihn auch nicht fragen. Der andere schüler weiß was er gemacht hat. trotzdem vielen dank! falls es noch verbesserungsschläge gibt wäre ich sehr dankbar!
MaWin schrieb: >> Meiner Meinung nach sollte das passen > > Also bei mir wärst'e durchgefallen. > > NIch so sehr wegen dem Gleichrichter, > ein Flüchtigkeitsfehler den man schnell an > den Rauchzeichen entdeckt. > > Sondern hinten steht die Behauptung 20Hz-20kHz > und nirgends ist die Scahltung so dimensioniert. > Bitte diese Werte ignorieren. Das ist Blödsinn. Das würde ich bei der Prüfung auch nicht sagen! > Technische Daten durch Behauptung ? > > Hättest du gerechnet, hättest du vielleicht auch > bemnemrkt, daß die Widerstandswerte unspassend sind > um die Schaltung im Rauschminimum zu betreieben, > > und daß Elkos eigentlich gepolt sien sollten, hier > aber nicht definiert ist welche Spannung anliegt, > also auch verpolt sind, also kaputt gehen. Wie meinst du die Elkos sind falsch gepolt? Steht doch eh + und -. Oder was meinst du jetzt? > > Über 4 OpAmps hintereinander, den merkwürdigen > Balanceregler, den unnötigen 100k Widerstand am > Summenmischpunkt, den eher störenden 100k > Widerstand am anderen OpAMp Eingang, könnte man > auch noch ein paar Worte verlieren, aber immerhin > funktionieren die. > Warum ist der Balanceregler unnötig? Begründung bitte! Wie gesagt. Der 100k Widerstand ist falsch. Das müsste normalerweise ein SUmmierverstärker sein. Das heißt: R14 und R11 sind unnötig?!?! Danke trotzdem!!!
Kai Klaas schrieb: >>Am Anfang ist gleich einmal die AC-Kopplung. Sie filtert die >>Gleichspannungsanteile raus. > > Genau. > >>Vom Netzteil kommt ja schon Wechselspannung. Die Gleichspannungsanteile >>werden in Wärme umgewandelt. > > Nein, natürlich nicht. Die Caps laden sich mit der Gleichspannung auf, > sodaß an den Widerständen dahinter keine Gleichspannung mehr anliegt. > Die Caps blockieren die Gleichspannung, sofern denn überhaupt eine da > ist. Was sind Caps? :/ > >>Das 2. potentiometer dient dann dazu, dass wenn das 1. Potentiometer auf >>0% ist, kein netzbrummen entsteht. > > Oh je, nein. Mit dem 1.Poti stellst du die Grundverstärkung ein, um die > Schaltung an unterschiedlich starke Signale anpassen zu können. Mit dem > 2.Poti stellst du dann den Anteil am Gesamtsignal ein. Ohne das erste > Poti müßtest du das 2.Poti bei ganz starken Signalen ganz herunterdrehen > und könntest den vollen Potiweg gar nicht nutzen. Das muss ich mir merken! danke! > > Ein Tipp: Schau dir noch mal die Eingangssignale an. Soll wirklich aus > zwei Stereosignalen Monosignale gemacht werden, die dann > pseudostereomäßig wiedergegeben werden?? Jap. Eigentlich schon. Danke für die Antwort.
flip schrieb: > schon allein die eingänge müssten gekreuzt sein? (nach l und r > aufgesplittet und l1 mit l2 und r1 mit r2 gemischt werden. sie werden doch eh verbunden.
Oliver Heinrichs schrieb: > bild vergessen Ich versteh nicht ganz warum der so fließt. Sollte er nicht normalerweise oben rausfließen?
Christoph H schrieb: > Und wegen dem was ich oben geschrieben habe wegen dem Detailschaltbild > vom Mixer. Passt das so? Die Kondensatoren im Signalweg sind als gepolte Elkos gezeichnet und wohl auch so vorgesehen. Das ist zumindest suboptimal. Es gibt auch bipolare Elkos für den Zweck. Vor allem am Ausgang werden die Signalpegel ja schon mal im Volt-Bereich liegen. Um den Aufwand geringer zu halten, hätte ich die Cs C5...C8 weggelassen - wenn die OPAs nicht allzuviel Offsetspannung haben. Dann entfielen auch die Widerstände R11 und R15. Falsch ist es aber nicht, es so zu machen. Es ist grundsätzlich günstiger, in der ersten Stufe eher mehr Verstärkung zu machen als in den späteren. Das reduziert den Rauschbeitrag. Dazu für die vorderen OPAs rauscharme Teile zu wählen. Ansonsten, wie schon mehrfach genannt: der Brückengleichrichter muss um 90° nach links gedreht werden. Und auch dem 7915 würde ich noch zwei 100n keramisch spendieren.
Beim Split-Powersupply nicht die beiden Dioden von den Versorgungsspannungen gegen GND vergessen.
> Wie meinst du die Elkos sind falsch gepolt? > Steht doch eh + und -. Oder was meinst du jetzt? Ich meine, daß ein ELko keine negative Spannug bekommen darf, also am + Anschluss eine negative Spannung gegenüber dem - Anschluss. Das kann in deiner Scahltung aber vorkommen, also sind dort Elkos fehl am Platze. > > > Über 4 OpAmps hintereinander, den merkwürdigen > > Balanceregler, den unnötigen 100k Widerstand am > > Summenmischpunkt > Warum ist der Balanceregler unnötig? Begründung bitte Es steht nichts davon da, daß er unnötig ist, sondern merkwürdig. Balanceregler baut man eigentlich so daß die Gesamtlautstärke nicht beeinflusst wird, wenn man die Balance verdreht.
MaWin schrieb: >> Wie meinst du die Elkos sind falsch gepolt? >> Steht doch eh + und -. Oder was meinst du jetzt? > > Ich meine, daß ein ELko keine negative Spannug bekommen darf, > also am + Anschluss eine negative Spannung gegenüber dem - Anschluss. > Das kann in deiner Scahltung aber vorkommen, also sind dort Elkos > fehl am Platze. >> Ok. danke >> > Über 4 OpAmps hintereinander, den merkwürdigen >> > Balanceregler, den unnötigen 100k Widerstand am >> > Summenmischpunkt > >> Warum ist der Balanceregler unnötig? Begründung bitte > > Es steht nichts davon da, daß er unnötig ist, > sondern merkwürdig. Balanceregler baut man eigentlich so > daß die Gesamtlautstärke nicht beeinflusst wird, > wenn man die Balance verdreht. Sorry. Hab mich verschrieben. Wollte merkwürdig schreiben. Wollte schreiben warum der 100k widerstand unnötig ist. Wie baut man den balance damit die gesamlautstärkje nicht beeinflusst wird? danke
>Was sind Caps? :/ Sorry, ich meinte "Kondensatoren", im englischen "capacitors" oder kurz "caps". R14 wird hier übrigens so dimensioniert, daß beide OPamp-Eingänge für DC-Ströme gleiche Widerstände zur Signalmasse sehen, also R14 = R16 = 5k. (Der Ausgang von Op9 wird als 0Ohm-Pfad zur Masse angenommen.) R11 ist dagegen überflüssig und entfällt. Wenn du aber die anderen Operationsverstärker-Schaltungen in deinem Schaltplan anschaust, wirst du feststellen, daß diese Methode zur Offsetspannungsverkleinerung nirgendwo sonst verwendet wird. Also würde ich R14 einfach durch einen Kurzschluß nach Masse ersetzen. (R11 sollte in jedem Fall weg.) >Wie baut man den balance damit die gesamlautstärkje nicht beeinflusst >wird? Ich denke mal, daß das deinen Lehrer genaus wenig interessieren wird, wie irgendwelche Bauteilewerte, die er ja auch nicht sehen will. Ich frage mich dann nur, was der Sinn dieser Übung gewesen sein soll. >Nein. Wirklich besprochen haben wir das wenn ich ehrlich bin nicht. Da >er auch bis heute in Italien seit einer Woche war, konnte ich ihn auch >nicht fragen. Dann war das ganze Projekt eher Beschäftigungstherapie, oder? Ihr hättet genauso gut Bierdeckel bemalen können...
MaWin schrieb: > Sondern hinten steht die Behauptung 20Hz-20kHz > > und nirgends ist die Scahltung so dimensioniert. Das macht Behringer auch :-)
Bitte melde dich an um einen Beitrag zu schreiben. Anmeldung ist kostenlos und dauert nur eine Minute.
Bestehender Account
Schon ein Account bei Google/GoogleMail? Keine Anmeldung erforderlich!
Mit Google-Account einloggen
Mit Google-Account einloggen
Noch kein Account? Hier anmelden.





