Hallo, ich möchte gern das oben genannte Board mit der Software Sigrok als Logic Analyzer benutzen, nur würde ich gern die Eingänge schützen, habe im Netz folgende Möglichkeiten gefunden (s. Anhänge). Meine Frage welche ist die sinnvollste? Mein Favorit wäre die Variante 4. Im voraus vielen Dank. Gruß Paulo
du mußt sowohl den Eingangsstrom begrenzen als auch den Eingang gegen Spannungen größer Vcc und kleiner GND schützen. die SUFU ist Dein Freund. Den CY7C68013A gabs hier reichlich.
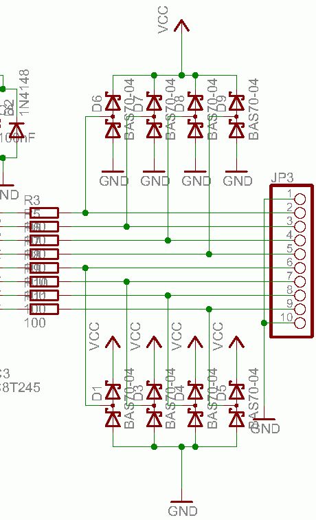
Hallo, ich denke du meinst den Beitrag "Logikanalzyer mit FT232BL", hab ich mir durchgelesen, da ist ein "74LVC8T245" dazwischen und leider hab ich so einen Chip nicht. Gruß Paulo
Paulo M. schrieb: > Mein Favorit wäre die Variante 4. Meiner auch. Die Z-Dioden-Lösung hat viel zu viel Kapazität und begrenzt die Bandbreite. 450pF * 4700 Ohm -> 2us -> 75 kHz Die anderen Varianten verlassen sich auf die Schutzdiode im Chip. Bei Variante 4: 10pF * 100 Ohm -> 1 ns -> 160 MHz Du hast also ggf. noch etwas Luft um den Schutzwiderstand zu erhöhen. Gruß Anja
Anja schrieb: > Paulo M. schrieb: >> Mein Favorit wäre die Variante 4. > > Meiner auch. > Die Z-Dioden-Lösung hat viel zu viel Kapazität und begrenzt die > Bandbreite. > 450pF * 4700 Ohm -> 2us -> 75 kHz > > Die anderen Varianten verlassen sich auf die Schutzdiode im Chip. > > Bei Variante 4: > > 10pF * 100 Ohm -> 1 ns -> 160 MHz > > Du hast also ggf. noch etwas Luft um den Schutzwiderstand zu erhöhen. > > Gruß Anja Hallo Anja, danke für deine Antwort, was hältst du von 330 Ohm oder soll ich noch höher gehen? Leider bin ich nicht so fit mit der Elektronik und diese Berechnungen. Gruß Paulo
Paulo M. schrieb: > danke für deine Antwort, was hältst du von 330 Ohm oder soll ich noch > höher gehen? Wie schnell tastet dein LA ab und wie kritisch sind kurze Spikes? Gruß Anja
Paulo M. schrieb: > maximal 24 MHZ. Damit dann sauber abgetastet wird würde ich mit der Bandbreite nicht weit unter 75 MHz gehen. -> mit 220 - 330 Ohm kannst Du arbeiten. Wobei ich davon ausgehe daß die Widerstände ohne lange Leitungen am Empfänger angeschlossen sind. Ansonsten kommen nochmal so 0.3-0.5 pF/cm Kabelkapazität drauf die dir die Bandbreite weiter einschränken. Gruß Anja
Hallo Anja, ich werde jetzt 220 Ohm nehmen, ist ein Projekt just for fun. Wenn ich die Adapterplatine geroutet habe, stell ich mal ein Bild hier rein. Ich bedanke mich für deine Hilfe. Gruß Paulo M.
Hallo, habe einen CY7C68013A USB Board Module Logic erworben. Hat jemand eine Anpassung auf 5V schon gebaut?
Zoran Maric schrieb: > Hallo, > habe einen CY7C68013A USB Board Module Logic erworben. > Hat jemand eine Anpassung auf 5V schon gebaut? wofür den ??? CY7C68013A hat 5V tolerant Eingänge.
Thomas R. schrieb: > Zoran Maric schrieb: >> Hallo, >> habe einen CY7C68013A USB Board Module Logic erworben. >> Hat jemand eine Anpassung auf 5V schon gebaut? > > wofür den ??? CY7C68013A hat 5V tolerant Eingänge. Ich hab mit dem bereits genannten 74LVC8T245 und je 100Ω pro Datenleitung den Zypressen-Kontrolleur geschützt. Der 74LVC8T245 läuft mit 3.3V, hat aber auch 5V-Tolerante Eingänge. Nochn Tipp: Beim Watterott gabs mal das Testclip-Kabel für den BusPirate. Da man von den 10 Leitungen nur 9 braucht, ist an der weißen Strippe jetzt noch ne LED + Vorwiderstand mit ins Kästchen gewandert. Ein Realtime-Zusatzkanal mit einer Grenzfrequenz je nach Wachheitsgrad des Benutzers... mfg mf
Wenn du illegalerweise die Saleae-Software benutzen möchtest, musst du den I2C-EEPROM tauschen und den neuen entsprechend programmieren. Wie das geht, findest du mit 2min googeln. Die Software überprüft, ob ein I2C-EEPROM mit nur einem Adressbyte(z.B. 24c08) benutzt wird, der auf dem Experimentierboard ist einer mit zwei Adressbytes(z.B. 24c128). Beim initialen einlesen der USB-VID und -PID ist das noch kein Problem, da beim Power-Up immer erst von Adresse 0 gelesen wird. Danach liest die Software in regelmäßigen Abständen als Kopier/Fakeschutz immer wieder die Daten aus. Beim EEPROM mit zwei Adressbytes wird dabei der falsche Speicherbereich adressiert. Es kommt nicht das zurück, was erwartet wird. Warum die Chinesen da einen größeren Chip bestücken? Weil der billiger ist. An vielen Stellen im Netz wird behauptet, es sei ein Problem mit der Lesegeschwindigkeit. Nun, der originale als auch der von den Chinesen eingesetzte Chip kann 400kHz. Das ist also nicht wirklich das Problem...
Danke für den Tipp ! :-) Wenn ich den 24c128 gegen eine 24c08 tausche und die USB-VID und -PID reinschreibe würde es dann gehen mit der Saleae-Software ?
Geht auch ohne was zu tauschen. Steht alles hier: Beitrag "10 Euro Logikanalyzer" Da gab es auf den ersten Seiten nen Link mit einer Anleitung und das funktioniert ganz toll. Solltest dir nur aufschreiben wie die Vid/Pid bei dir aussah. Bei mir stand etwas anderes drin, als da stehen sollte. Ich hab den USBee AX. Man könnte auch noch mit den Angaben die Suite von USBee testen, wenn man die Vid/Pid auf die anderen Angaben ändert. Zur Schutzbeschaltung: Sind die Bauteile und die Arbeit nicht teuer als sich da noch zwei bis drei von den 10 Euro Teilen in den Schrank zu legen, falls man mal zu viel Dampf auf den Leitungen hat? Ich brauche (bis jetzt) so ein Teil nicht wirklich und hatte es mir aus Neugier gekauft. Da ich gegen den Softwareklau bin, werde ich auf Sigrok für Win warten.
Frank O. schrieb: > Geht auch ohne was zu tauschen. Ich sag ja, nur die (neuere) saleae PC-Software macht diese Überprüfung. Aber dann sollte man fairerweise auch deren Original kaufen. Alte Diskussion... mf
Welche Version dieser saleae PC-Software macht diese Überprüfung nicht ? Habe die Logic 1.1.15 getestet, Programm stürzt ab :-(
Zoran Maric schrieb: > Programm stürzt ab Normalerweise verweigert es einfach den Dienst, d.h. es schaltet wieder in den Demomodus zurück. Ich vermute hier Probleme mit der Hardware. mfg mf
Ich habe die Empfehlungen hier noch nicht ganz verstanden. Wenn man von der Variante 4. ausgeht ist es doch so: Vin > VCC sollten über die Diode in der Spannungsquelle verbraucht werden. Benötigt man dazu nicht so einen 4-Quadranten Netzteil? Wenn also am Eingang dieser Schaltung z.B. 15V anliegen, da ein Masseversatz da ist (z.B. GND von LA nicht angeschlossen), dann zieh VCC einfach auch auf 15V hoch. Der LA-Eingang wird sich somit verabschieden. Wenn es nun doch dazu kommt, dass das Netzteil die Spannung verbraucht, dann fließt im Fall Vin > VCC ein Strom über die Diode, und zwar so lange bis sie kaputt ist. Danach ist der Eingang wieder komplett ungeschützt. Müsste man nicht zusätzlich zum Reihenwiderstand noch eine Sicherung einbauen? Wäre ja dann nur noch die Frage was bei einer Sicherung nun genau "flink" bedeutet ;-). Danke für Eure konstruktive Hilfe!
Bitte melde dich an um einen Beitrag zu schreiben. Anmeldung ist kostenlos und dauert nur eine Minute.
Bestehender Account
Schon ein Account bei Google/GoogleMail? Keine Anmeldung erforderlich!
Mit Google-Account einloggen
Mit Google-Account einloggen
Noch kein Account? Hier anmelden.




