Guten Tage liebes Forum, ich habe ein Problem und zwar folgendes: Ich versuche die Spannung eines Thermoelement (Typ L) mithilfe einer SPS auszulesen. Hierfür kommt ein Instrumentenverstärker (INA111) mit RG=50 Ohm zum Einsatz. Nun wird meine Verstärkte Spannung (von 0 - 7mV entspricht 0 - 130°C) nicht auf 0 - 7V verstärkt, sondern schwangt um 2,5V herum. Hat jemand eine Idee?
Das thermoelement befindet sich in einer Heitzpatrone, die Vergleichstelle wollte ich außerhalb mit einem PT100 realisieren.
> sondern schwangt um 2,5V herum. Hat jemand eine Idee? Es ist schwanger ? Wie kommt man auf die Idee, einen hochohmigen FET Verstärker für ein niederohmiges (fast Kurzschluss) Quellsignal zu verwenden, und einen 500uV Offset OpAmp der fast 10 GradC Abweichung bringt zur Thermoelementauswertung einzusetzen ? Na sei's drum. Hast du dir jemand Gedanken über common mode Bereich des Eigangssognals des INA111 gemacht und wo das herkommen soll ? Figure 3 im Datenblatt beachtet ? Wir wissen nicht, was du dir da verdrahtet hast, denn um einen Schaltplan deines Bauwerks aufzuzeichnen warst du zu faul. Sicher hast du alles richtig gemacht...
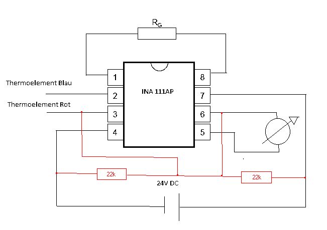
Es tut mir wegen der fehlenden Schaltung leid, hab sie jetzt nachgereicht. Zu meinem Problem.... hab jetzt eine identische Schaltung mit einem anderen INA aufgebaut
> fehlenden Schaltung war irgendwie klar daß du das Datenblatt zu deinem Bauteil nicht durchliest und nicht bemerkst daß dort dein Anwendungsfall drin beschrieben ist und den Vorschlägen des Herstellers nicht folgst, du reagierst ja nicht mal wenn du direkt drauf hingewiesen wirst, > hab jetzt eine identische Schaltung mit einem anderen INA aufgebaut sondern lieber denselben Fehler noch einmal macht.
Zu den anderen Problemen wurde ja schon was gesagt, RG=50 Ohm? Egal ob das 50 Ohm oder 50 kOhm sein sollen, die Verstärkung ist G = 1 + 50 kOhm / Rg d.h. das wären entweder 1001 oder 2.
also ich möchte die 0-7mV Spannung des Thermoelements auf ca. 0-7V verstärken (deswegen der 50 Ohm Widerstand -> G=1001 ). Das Datenblatt hab ich nochmal durchgelesen und festgestellt, dass man Pin 5 (Ref) auf Masse ziehen sollte. Das OFFSET Trimming wird auch erklärt ;) @Mawin Welchen Fehler meinst du? Mein technisches Englisch ist leider nicht das Beste
Muss es wirklich ein Thermoelement sein? Außerhalb des Schullabors habe ich so ein Teil nämlich noch nicht gesehen. Schon allein der elektrische Anschluss ist eine Wissenschaft für sich und wenn dann fast nichts dabei herauskommt (elektrisch gesehen), würde ich mir das ganze nochmal überlegen.
amateur schrieb: > Außerhalb des Schullabors habe ich so ein Teil nämlich noch nicht > gesehen. Hast Du noch nie einen Gasherd oder einen Gasboiler gesehen? Gruss Harald
daran habe ich auch schon gedacht, ein PT100/1000 lässt sich um Welten besser auslesen und auch wenn das wahrscheinlich mein letzter Kontakt mit einem Thermoelement ist, wollte ich wenigstens wissen, welchen Fehler ich beim Instrumentenverstärker gemacht habe (vielleicht hab ich nach meinem Maschinenbaustudium noch einmal damit zu tun)
Sorry, mein letzter Gasherd hatte es nicht so mit Elektronik und funktionierte trotzdem überwacht und die letzte Gasflamme, die ich Zünden musste (mit 4 KV), wurde via Ionisation überwacht.
amateur schrieb: > Sorry, mein letzter Gasherd hatte es nicht so mit Elektronik und > funktionierte trotzdem überwacht Die mit Abstand meisten Gasherde der letzten 50 Jahre benutzen Thermoelemente zur Zündsicherung. Typisch werden Thermoelemente hauptsächlich benutzt, wenn man hohe Temperaturen erfassen will. Für Temperaturen unter 200° würde ich bevorzugt Halbleiterfühler nehmen. Gruss Harald
> Welchen Fehler meinst du? > Mein technisches Englisch ist leider nicht das Beste Du musst nicht lesen können. Dein Schaltplan weicht von dem Schaltplan aus Figure 3 des Datenblatts ab. Das sieht auch ein Analphabet. Und DANN solltest du dir Gedanken machen, ob es als Unwissender nicht schlauer ist, sich an das zu halten, was der Hersteller vorschlägt, statt daß man einfach die Bauteile nicht dranzubauen, von denen man nicht versteht, wozu sie gut sind. Und wenn du es verstehen willst, wurde das englische Fachwort auch genannt.
Erbsen und Bohnen sollte man nicht unbedingt miteinander vergleichen. Die Zündsicherung im Gasherd (alt) funktionierte thermisch und nicht elektrisch. Meine Ablehnung des Thermoelementes resultiert, wie schon geschrieben aus der extrem geringen Ausgangsspannung. Diese muss erst mal zum Verstärker gebracht werden - und zwar ohne durch die verwendeten Verbindungsmaterialien weitere Thermoelemente zu bauen, die Ihrerseits eine eigene Temperatur wiedergeben. Anschließend muss man dafür sorgen das fast nix ordentlich gefiltert und verstärkt wird. Dabei kann es nämlich sein, dass der Empfang des örtlichen Rundfunksenders recht klar wird. Ein kleiner Fehler in der Schirmung oder Filterung reicht bereits aus. Ich würde, wenn nötig, auch einen "fertigen" Sensor verwenden.
@MaWin also ich wollte ursprünglich einen nicht-invertierenden Verstärker nehmen. Weil ich ja nicht der Fachmann in der Elektronik bin, hielt ich Rücksprache mit einem Freund der Elektrotechnik studiert und der riet mir eben zum Instrumentenverstärker.... das Einzige eng. Fachwort ist dein COMMON-MODE! Nach dem Bild zu urteilen kann ich das Ding nicht an einem 24V Netzteil sondern nur mit +12 und -12V anschließen. Wenn es das nicht ist, weiß ich auch nicht mehr weiter
> Nach dem Bild zu urteilen kann ich das Ding nicht an einem > 24V Netzteil sondern nur mit +12 und -12V anschließen. Richtig. In der simplen Form ist das nötig. Schliesslich musst du einen Bezug für die Ausgangsspanung haben, wenn die "Eingänge haben keinen Spanungsunterschied" melden soll. 0V bei 0V/24V Versorgung geht ja nicht, denn dann gäbe es keine negativen Differenzen, ausserdem liegt das nicht mehr im common mode Bereich des INA111. > Wenn es das nicht ist, weiß ich auch nicht mehr weiter Es gibt für alles Lösungen, bloss weglassen ist keine Lösung. Mit einem Spannungsteiler kann man es so bauen, daß die Spannung an OUT der Spannung von REF enstpricht, wenn beide Eingänge gleich sind, und dann ist Platz nach +24V und Platz nach 0V für positive und negative Abweichungen, aber ob deine Auswerteelektronik diesen verschobenen Nullpunktbezug auf ca. 12V mag ? Zudem gehört zu einer Thermoelemntauswertung eine Kaltstellenkompensation, auf der die Temperatur der Anschlüsse des Thermoelements auf der Platine zur Thermospannung hinzuaddiert wird. Ohne dieses ist die Messung stets Umgebungstemperaturabhängig. Natürlich kann man das digital hinterher machen. Ich selbst halte Thermoelemente nun nicht für so ein Problem, aber man muß sie schon richtig behandeln. Dazu gehört, daß der OpAmp, wenn man 1 GradC Genauigkeit haben will, nur so 10uV Offsetspannung haben darf, und man die Umgebungstemp auf 0.5 GradC genau (MCP9808) misst. Wer nur die Umgebungstemp haben will, kann sich dann das Thermoelement sparen :-)
amateur schrieb: > Die Zündsicherung im Gasherd (alt) funktionierte thermisch und nicht > elektrisch. Ja, Thermoelemente funktionieren, wie schon der Name sagt, thermisch. :-) Gruss Harald PS zum Thema: Die Auswertung von Thermoelementen ist zwar nicht trivial, aber die Probleme sind lösbar. Das Messen von Temperaturen im Bereich von unter 200° per Thermoelement ist aber wenig sinnvoll.
Weshalb verstaerken, wenn man direkt messen kann? Ich verwend jeweils einen 24bitter, mit zuschaltbarem Verstaerker.
Schnabel schrieb: > Es tut mir wegen der fehlenden Schaltung leid, hab sie jetzt > nachgereicht. Das ist ein Verdrahtungsplan. Ich hasse Pläne, wo man erst ein Datenblatt herauskramen muß, um zu verstehen was da los ist.
>Weshalb verstaerken, wenn man direkt messen kann? Ich verwend jeweils >einen 24bitter, mit zuschaltbarem Verstaerker. Ist das nicht sehr teuer? >Ich hasse Pläne, wo man erst ein Datenblatt herauskramen muß, um zu >verstehen was da los ist. Das haste jetzt nicht im Ernst gemeint, oder? Und - einen einzelnen OP 1000-fach verstärken zu lassen... das habe ich mich noch nie getraut. Geht das überhaupt vernünftig? Bei Analog gibt's interessante und maßgeschneiderte Lösungen, vorkalibriert und fertig kompensiert: http://www.analog.com/static/imported-files/data_sheets/AD8494_8495_8496_8497.pdf
>>Weshalb verstaerken, wenn man direkt messen kann? Ich verwend jeweils >>einen 24bitter, mit zuschaltbarem Verstaerker. > >Ist das nicht sehr teuer? etwa 8.30$ das stueck.
Joachim ... schrieb: >>Weshalb verstaerken, wenn man direkt messen kann? Ich verwend jeweils >>einen 24bitter, mit zuschaltbarem Verstaerker. > Ist das nicht sehr teuer? ADS1118 (zwar "nur" ein 16-Bit ADC, dafür hat der interne Temperatursensor eine "Genauigkeit" von +-0.5 °C im Bereich von 0 °C - 70 °C) ~ 5 € bei Einzelstücken. MCP3424, 18-Bit, ~4 €, LTC2484, 24-Bit, interner Temp-Sensor, ~5 € und etliche andere + einige R, C, L, Ds je nach dem was gebraucht wird. Was aber nicht heißt, dass diese Lösungen in jedem Fall besser sind, als eine Lösung mit externem/n Verstärker/n...
Schnabel schrieb: > das Einzige eng. Fachwort ist dein COMMON-MODE! Nach dem Bild zu > urteilen kann ich das Ding nicht an einem 24V Netzteil sondern nur mit > +12 und -12V anschließen. Wenn es das nicht ist, weiß ich auch nicht > mehr weiter Ganz gute (englische) Einführung von Analog Devices zu Thermoelementen und wie diese gemessen werden können http://www.youtube.com/playlist?list=PL36A224E609F3F7C9
Schnabel schrieb: > Welchen Fehler meinst du? Mein technisches Englisch ist leider nicht das > Beste Wenn es schon nicht zum Datenblattlesen reicht (bei dem man ein Woerterbuch verwenden kann), dann wird es wohl mit Videos noch schlechter sein. Vielleicht haette der TO keinen technischen Beruf waehlen sollen... fonsana
amateur schrieb: > Muss es wirklich ein Thermoelement sein? > > Außerhalb des Schullabors habe ich so ein Teil nämlich noch nicht > gesehen. Viele anständige geregelte Lötkolben arbeiten mit J-Type o.ä. Thermoelementen. Da es schätzungsweise mehrere Millionen Lötstationen gibt, bist du sicher auch schon ausserhalb des Schullabors darüber gestolpert. Mit einem sauber aufgebauten Differenzverstärker (oder einem ATTiny) ist die Abfrage und Auswertung überhaupt kein Problem. Dazu gehört natürlich das Studium von Datenblättern und evtl. mal ein Blick auf die Charakteristik von Thermoelementen. Übrigens muss man Thermoelemente keineswegs sehr hochohmig abfragen. Im Gegenteil, ein niederohmigerer Eingang verhindert Brummeinstreuungen und sowas. Die Elemente an sich kann man schon etwas belasten. Immerhin arbeiten die Voyager Raumsonden seit über 30 Jahren mit nuklear geheizten Thermoelementen als Energiequelle.
Joachim ... schrieb: > Und - einen einzelnen OP 1000-fach verstärken zu lassen... das habe ich > mich noch nie getraut. Geht das überhaupt vernünftig? Guter Einwand, ich würds auch nicht in dem Maße tun...wenn ich da dann an die Offsetspannung und den BIAS denke, wird mir schon ganz schlecht, ganz zu schweigen von der thermischen Drift, die einem bei einer Verstärkung von 1000 schön die Messung versaut :)
Bitte melde dich an um einen Beitrag zu schreiben. Anmeldung ist kostenlos und dauert nur eine Minute.
Bestehender Account
Schon ein Account bei Google/GoogleMail? Keine Anmeldung erforderlich!
Mit Google-Account einloggen
Mit Google-Account einloggen
Noch kein Account? Hier anmelden.

