Hallo, ich brauche Hilfe. Es soll ein Relais geschaltet werden. Beide Schaltungen im Anhang funktionieren nicht. Den Artikel http://www.mikrocontroller.net/articles/Basiswiderstand hab ich mir schon angesehen und versucht die Widerstände zu berechnen, allerdings komm ich zu keinem Ergebniss. Überbrücke ich E und C zieht das Relais an, heisst für mich das die Versorgungsspannung iO ist. Kann mir jemand auf die Sprünge helfen an was es liegt. Gerry
Das kann so auch nicht funktionieren. Dir fehlen offensichtlich die einfachsten Grundlagen. Frage : muss das Relais an Masse liegen?
Transistor und Relais müssen (mit ihren Bauteilen) ihre Position tauschen. http://www.mikrocontroller.net/articles/Relais_mit_Logik_ansteuern Die LED mit Vorwiderstand parallel zum Relais ist in Ordnung.
H.joachim Seifert schrieb: > Das kann so auch nicht funktionieren. Warum nicht? Ich dachte es ist egal ob der Verbraucher vorm Emitter liegt oder vorm Collector. > Dir fehlen offensichtlich die einfachsten Grundlagen. Ja. > Frage : muss das Relais an Masse liegen? Ja.
MaWin schrieb: > Transistor und Relais müssen (mit ihren Bauteilen) ihre Position > tauschen. Und genau das versteh ich nicht. Eine LED ist zwar kein Relais aber was macht den Unterschied aus? > http://www.mikrocontroller.net/articles/Relais_mit_Logik_ansteuern Hab ich mir angesehen. Aber ich habe auch Schaltungen gesehen welche den Verbraucher so wie ich es gemacht habe angeordnet haben.
Gerry L. schrieb: > Warum nicht? Ich dachte es ist egal ob der Verbraucher vorm Emitter > liegt oder vorm Collector. Nein. Da du deinen Transistor in Kollektorschaltung betreibst wird die Spannung am Emitter -also auch über deinem Relais- gleich der Basispannung-0,7V sein (Emitterfolger). Deshalb stehen in deinem Fall nur rund 2,6V für das 12V-Relais zur Verfügung, was natürlich nicht langt um das Relais zum schalten zu bringen.
> Hab ich mir angesehen. Aber ich habe auch Schaltungen gesehen welche den > Verbraucher so wie ich es gemacht habe angeordnet haben. Du hast 2 Möglichkeiten: Du kannst es so machen, wie es funktioniert, oder du kannst es so machen, wie du es dir in den Kopf gesetzt hast obwohl du es nicht verstehst. > Eine LED ist zwar kein Relais aber was macht den Unterschied aus? Nichts. Die LED wird mit dem Relais verschoben, bleibt parallel zum Relais. Ein Transistor schaltet mit einer Spannung IN BEZUG ZUR SPANNUG AM EMITTER, und wenn der nicht an Masse liegt, dann eben nicht bei 3.3V. Deine Schaltung (Emitterfolger) geht hier halt nicht.
Tommi schrieb: > Gerry L. schrieb: >> Warum nicht? Ich dachte es ist egal ob der Verbraucher vorm Emitter >> liegt oder vorm Collector. > > Nein. Da du deinen Transistor in Kollektorschaltung betreibst wird die > Spannung am Emitter -also auch über deinem Relais- gleich der > Basispannung-0,7V sein (Emitterfolger). Deshalb stehen in deinem Fall > nur rund 2,6V für das 12V-Relais zur Verfügung, was natürlich nicht > langt um das Relais zum schalten zu bringen. Verdammt. Gemessen hab ich das auch nur verstanden hab ich es nicht. Ich seh den Transistor in etwa wie einen Schalter. Also hilft es nur das Relais gegen ein 3V Relais zu tauschen. Vielen Dank für die Erklärung
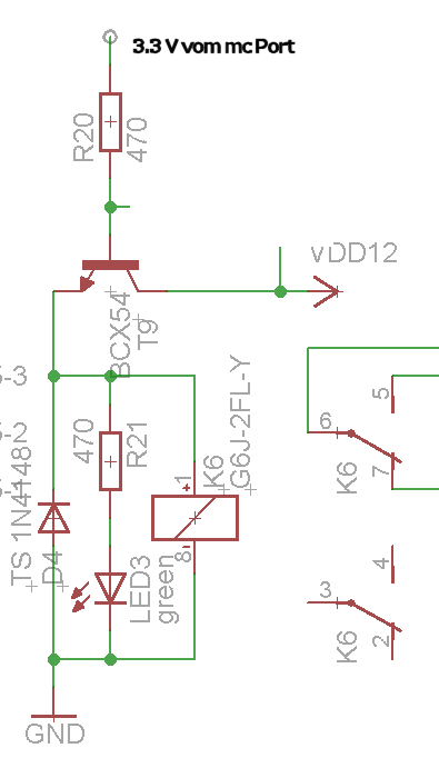
MaWin schrieb: > Ein Transistor schaltet mit einer Spannung > IN BEZUG ZUR SPANNUG AM EMITTER, > und wenn der nicht an Masse liegt, dann eben nicht bei 3.3V. > Also sollte das ganze zum Schluss so aussehen? (Die Dioden müssen noch die Richtung wechseln.)
Gerry L. schrieb: > Also sollte das ganze zum Schluss so aussehen? So halbwegs zumindest... Die Dioden müssen aber noch umgepolt werden.
Tommi schrieb: > Die Dioden müssen aber noch umgepolt werden. Oh... das hat sich jetzt wohl mit deinem Edit überschnitten
Und das eingesetzte Relais ist auch polarisiert, wie '+'/'-' am Bauteil anzeigen, also müssen die Kontakte 1 und 8 des Relais auch getauscht werden.
Bitte melde dich an um einen Beitrag zu schreiben. Anmeldung ist kostenlos und dauert nur eine Minute.
Bestehender Account
Schon ein Account bei Google/GoogleMail? Keine Anmeldung erforderlich!
Mit Google-Account einloggen
Mit Google-Account einloggen
Noch kein Account? Hier anmelden.


