Hi, ich möchte den 4N35 parallel zu LEDs schalten um deren Status abzufragen. Die Schaltung ist etwas älter und schwer nach zu verfolgen. Mich wundern etwas die Vorwiderstände der LEDs welche ganze 3,3kohm haben. Vor oder hinter (ist unterschiedlich) den LEDs hängt jeweils noch eine 1N4148 (soweit ich es sehen kann). An den LEDs liegen 1,54 Volt an und vor den Vorwiderständen habe ich 11,37 Volt. Bin mir nicht sicher mit was ich rechnen soll bzw wie die Vorwiderstände für die LED des 4N35 dimensionieren. Wieso 3,3kohm? An den 4N35 auch eine 1N4148 in Reihe? Dann wären da noch zwei LEDs die Antiparallel geschaltet sind. Also je nachdem wie rum die Polung ist leuchtet entweder die eine oder die andere. Hier habe ich 11,19 Volt vor dem Vorwiderstand der leuchtenden LED und -0,85 an der anderen. Normal hätte ich gesagt 1,1kohm vor den 4N35...
Zeig doch den Schaltplan am besten mal her. Was ich bei sowas immer gerne optimiere, ich schicke den Strom vom Optokoppler auch durch die LED durch wenn genügend Spannung (5V aufwärts) vorhanden ist. Das spart einen Widerstand und den Strom für die LED.
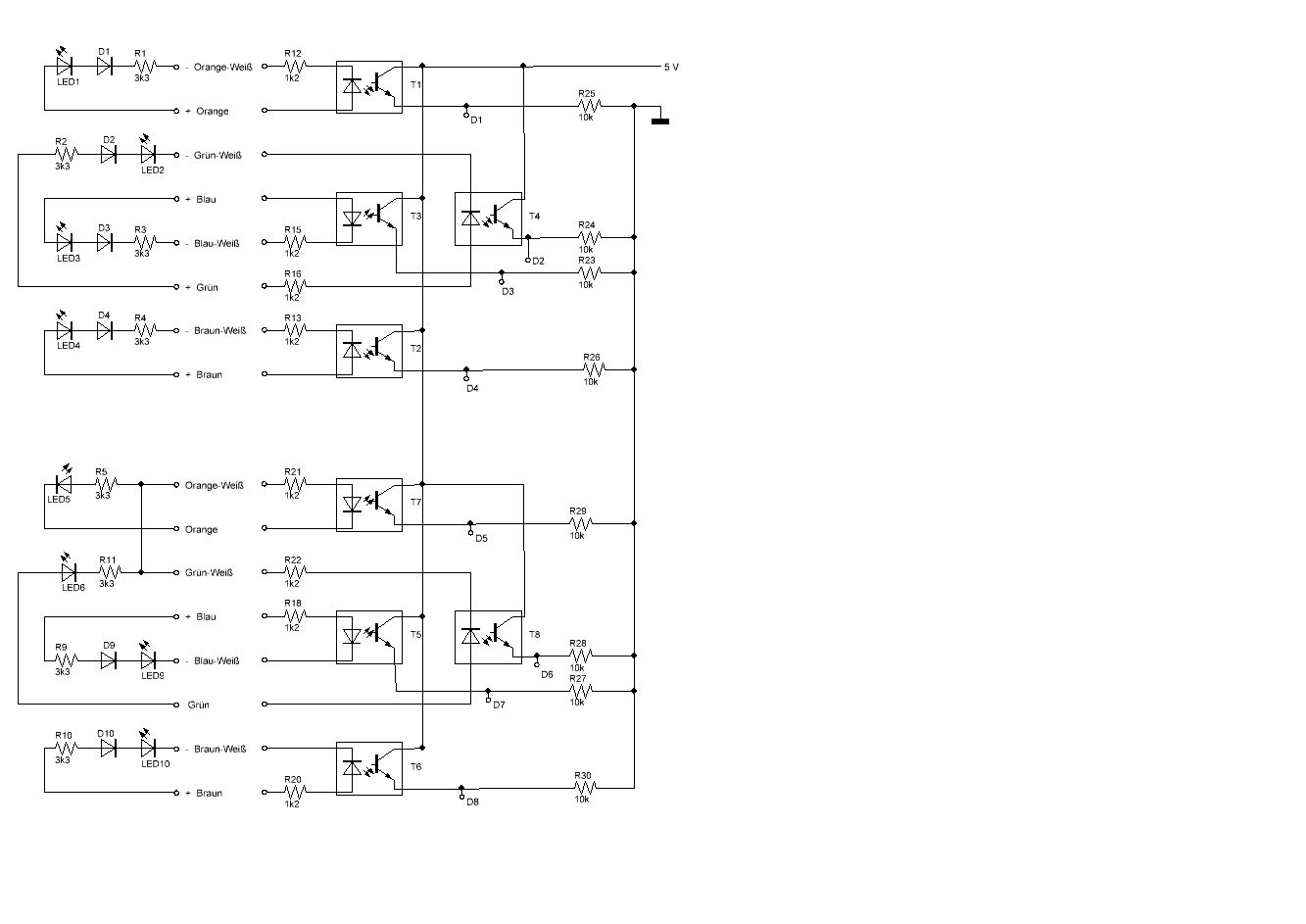
Nun ja, viel Schaltplan ist da nicht. Ich habe jeweils Kabel an den Punkten 1, 2, 3, 4, 5 angebracht. Viel mehr kann ich in der Schaltung nicht werkeln. Was sind das für LEDs um auf 3,3kohm zu kommen? Wären bei 12 Volt nicht ca 330ohm das richtige?
Low-Current-LEDs kann man mit sehr wenig Strom betreiben, wenn man sie nur in der Werkstatt zu Diagnosezwecken oder zur Kontrolle braucht. Aber Deinen Schaltplan versteh ich nicht.
So hängen die LEDs in der Schaltung der Heizung. Bei den unteren zwei Leuchtet entweder die obere oder untere - je nach Polung. Wenn ich den 4N35 mit 10mA ansetze und von 11-12 Volt ausgehe, dann sollte er doch mit 1,1kohm durch schalten. Es langen doch glaub ich 3mA und er geht bis 60mA?
So, hab mal nen Plan gemacht. Links sind die LEDs wie sie in der Heizung sind. Hab auch nochmal gemessen und hab an den LEDs (bzw an meinen Abgriffen) wenn sie aus sind negative 11-12 Volt. An einer sogar 13,83 V.
Der 4N35 schaltet Deine 0.5mA auch schon bei 3mA Eingangsstrom durch, da reichen 3k3 als Vorwiderstand. Die Dioden könnten nötig sein, falls die LEDs irgendwie gemultiplext werden oder da noch andere Peripherie dranhängt. Oder es sind Zenerdioden, die verhindern sollen, dass die LEDs schon bei geringer anliegender Spannung leuchten, dann hättest Du sie aber falschrum eingezeichnet und man sollte das messen können.
Timm Thaler schrieb: > Die Dioden könnten nötig sein, falls die LEDs irgendwie gemultiplext > > werden oder da noch andere Peripherie dranhängt. Oder es sind > > Zenerdioden, die verhindern sollen, dass die LEDs schon bei geringer > > anliegender Spannung leuchten, dann hättest Du sie aber falschrum > > eingezeichnet und man sollte das messen können. Vielleicht sind sie auch einfach ein Verpolschutz, wenn draußen einfach Kabel dranhängen. LEDs haben eine Sperrspannung von etwa 6V. Sie könnten bei Verpolung an 12V schlicht zerstört werden. Das kann man durch die 1N4007 verhindern. Wobei es eigentlich in so einem Fall besser wäre, eine schnellere Diode als die 1N4001 zu benutzten und diese antiparallel zur LED zu schalten. Dann bekommt die LED sicher maximal die Durchlassspannung der Diode als Sperrspannung ab.
Es sind auf jeden Fall 1N4 Dioden und richtig eingezeichnet habe ich sie auch. Das Teil ist von 1987 und die Bahnen ziemlich schwer zu verfolgen auf den Platinen. Also nehme ich 3k3 anstelle von 1k2. Soll ich den 4N35 zur Sicherheit auch noch Dioden verpassen? Oder machen dem die -14 Volt nichts aus?
So, hab nun mal einen 4N35 dran hängen mit 3k3 Vorwiderstand. Es kommen 11,3 Volt an. Am 4N35 habe ich 1,13 Volt und es Fliesen 3.12 mA. Zur Sicherheit hab ich ne 1N4148 antiparallel zum 4N35 geschaltet.
Björn D. schrieb: > Soll ich den 4N35 zur Sicherheit auch noch Dioden verpassen? Auf seiner Eingangsseite hat der OK eine normale IR-LED und im Datenblatt steht unter absolut Maximum Ratings "Input-diode reverse voltage: 6 V" Ob der Verpolungsfall eintreten kann und die anti-parallele Diode jemals in Aktion tritt, läßt sich ohne Kenntniss von Schaltung und Gesamtaufbau schlecht abschätzen.
Na ich schrieb doch oben das an jeder LED die aus ist die Spannung dann in minus anliegt. Einmal sogar -14 Volt. Darum anti-parallele Diode rein - die paar Cent sind ja nicht das Problem. Werde aber nen etwas kleineren V-Widerstand nehmen.
Bitte melde dich an um einen Beitrag zu schreiben. Anmeldung ist kostenlos und dauert nur eine Minute.
Bestehender Account
Schon ein Account bei Google/GoogleMail? Keine Anmeldung erforderlich!
Mit Google-Account einloggen
Mit Google-Account einloggen
Noch kein Account? Hier anmelden.

