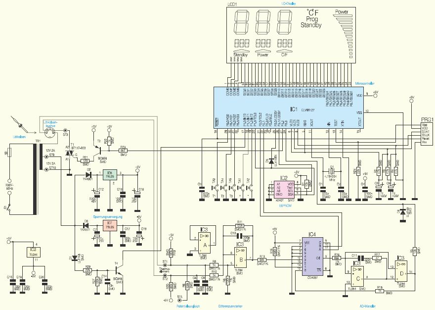
Hallo zusammen, ich bin neu hier und habe ein Problem mit meiner Lötstation LS-50 Voltcraft/ELV. Leider habe ich vergessen die Lötstation auszuschalten und sie hat mit ca. 400°C vor sich hin geheizt, daraufhin war sie defekt. Fehlerbeschreibung: Keine Anzeige auf dem Display und Lötkolben wird nicht mehr geheizt. Bisherige Maßnahmen: Sicherung primärseitig vom Trafo geprüft. Diese ist heile. Außerdem habe ich die Versorgungsspg +5V und -5V auf der Platine gemessen, auch liegt die Versorgungspg am Microcontroller an (siehe Schaltplan). Hat jmd. eine Idee was ich noch überprüfen kann? Bitte entschuldigt die schlechte Grafik des Schaltplans. Sollte jmd. bereit sein mir zu helfen, sende ich gerne das Original als pdf zu. Vielen Dank. Volker
Nachtrag Maßnahmen: Der Oszillator des Microcontrollers schwingt auch, habe heute die Frequenz gemessen. Hat noch jmd. eine Idee ? Bin für jede Hilfe dankbar!
bei dem Schaltplan bekommt man ja Augenkrebs. Wie wäre es mal mit nem lesbaren
Da hilft wohl nur, sich Ersatzaugen einbauen zu lassen... Hast Du mal deinen Lötkolben selber durchgemessen? Wieviel Widerstand hat der Heizkreis? Wieviel Widerstand hat der Temperaturmesspfad, bei Raumtemperatur und wieviel wenn er heiß gemacht wurde??? Wenn das alles im grünen Bereich ist, dann schaut man sich den Bereich um das Triac resp. um den Thyristor an. Wird der noch angesteuert? Dann postet man wieder hier ins Forum Grüße Nase
Der Widerstand des Heizkreises beträgt ca. 12 Ohm, bei einer Betriebsspannung von 24V passt das auch zur Maximalleitung 48W des Lötkolben. Widerstand des Temperaturmesspafades ist ca. 2,5 Ohm bei Raumtemperatur, wird der Lötkolben mittels Heißluftföhn erhitze steigt der Widerstand auf ca. 16,5 Ohm an (Endtemp. unbekannt). Der Triac, sowie der vorgeschaltete Transistor werden nicht angesteuert (Ausgang-Microcontroller 0V). Da das Display nichts anzeigt, vermute ich das der Microcontroller nicht arbeite. Den Schaltplan bekomme ich leider nicht in besserer Qualität, da er mir nur als pdf vorliegt. Habe mehrfach versucht einen besseren Screenshot zu erstellen. Hat noch jmd. eine Idee woran es liegen könnte ?
Die Temperaturmessung des Lötkolbens erfolgt mittels Thermoelemnt. Also bitte oben angegebene Widerstandswerte vergessen. Bei Erhitzung steigt die Spannung des Thermoelements von 0 auf ca. 10mV an. Über den Transistor T4 erfährt Mikrocontroller die Phasenlage der Wechselspg. um dann den Triac im richtigen Moment zu zünden. Vlt. fehlt dem Mikrocontroller diese Info. Nur wie soll ich das mit nem Multimeter messen? Und würde dann auch keine Ausgabe auf dem Display erfolgen?
Hallo, habe leider bei meiner ersten Antwort wohl deinen Orignialtext entweder nicht vollständig gelesen, oder ich hatte zuviel Rum im Advendskaffee... hmm... Nun, wieder nüchtern... also, wenn die Spannungen in Ordnung sind und die Anzeigen nichts anzeigt, der Controllerquarz schwingt, dann bleit mit sehr hoher Wahrscheinlichkeit wohl nur noch ein defekter Controller. Dann kannst Du das Teil vermutlich entsorgen... Du wurdest doch bestimmt schon gefragt, was Du Dir zu Weihnachten wünscht... VG. Nase
Ja, ich habs befürchtet ... dann werde ich das Teil mal gut einlagern :-) Vlt kann ich den Trafo nochmal gebrauchen ... Vielen Dank für die Hilfe
Volker T. schrieb: > Ja, ich habs befürchtet ... dann werde ich das Teil mal gut einlagern > :-) Vlt kann ich den Trafo nochmal gebrauchen ... Hast Du denn mal bei ELV nachgefragt was ein neuer µC kostet? Gruss Harald
Nein, hatte nur mal dort nach dem Schaltplan gefragt. Aber die gesamte Station gibts für schon 49,95€ neu... bei 3,2...1 gibts die auch sehr günstig gebraucht. Ob sich das lohnt ... habe auch schon ne Ersatzstation (Xytronic LF-1600) die finde ich insgesamt deutlich besser. Sollte jmd. eine günstige Station suchen, kann ich die empfehlen ... Habe es nur als Spaßprojekt gesehen die alte LS-50 reparieren zu wollen und hätte sie dann als Zusatz gehabt :-) Vielen Dank für die Hilfe
Guck mal noch, bevor Du aufgibst, ob der Kondensator am RESET-Eingang noch in Ordnung ist. Ich hatte in der letzten Zeit mehrere Geräte, bei denen dieser Kondensator zum Teufel gegangen war und der Kontroller im Reset-Zustand "festgeklemmt" war. MfG Paul
Hallo Paul, vielen Dank für deinen Tip !! Habe den Kondensator ausgelötet und nun funktioniert sie wieder !! Also vielen vielen Dank! Jetzt stellt sich mir nur die Frage sollte ich bei Gelegenheit einen neuen Kondensator einlöten?? Habe keinen zur Hand, oder kann ich die Station auch so betreiben? Laut Schaltplan soll der SMD Kondensator eine Kapazität von 470 nF aufweisen, habe bei R******* geguckt habe aber noch keinen passenden gefunden. Oder kann ich auch z.B. 1uF nehmen oder ist das schon zuviel des Guten ?? Also nochmal vielen vielen Dank. Gruß Volker
Volker schrob:
>Also vielen vielen Dank!
Bitte, ich freue mich, daß ich Dir helfen konnte.
470nF sind ohne hin ein wenig viel gewesen....
Laß ihn draußen, laut Schaltung war ja auch kein Ziehwiderstand am
Reset-
Anschluß.
mfG Paul
Volker T. schrieb: > ... Habe es nur als Spaßprojekt gesehen die alte LS-50 reparieren zu > wollen und hätte sie dann als Zusatz gehabt :-) > > Vielen Dank für die Hilfe Kannst du beidhändig löten? ;-)
Paul Baumann schrieb: > Guck mal noch, bevor Du aufgibst, ob der Kondensator am RESET-Eingang > noch in Ordnung ist. Ich hatte in der letzten Zeit mehrere Geräte, > bei denen dieser Kondensator zum Teufel gegangen war und der Kontroller > im Reset-Zustand "festgeklemmt" war. > > MfG Paul Wie geht eigentlich "Daumen hoch" als smiley? Spitzen Ferndiagnose. Respekt!!!
Manni schrieb: > bei dem Schaltplan bekommt man ja Augenkrebs. Wie wäre es mal mit nem > lesbaren Wieso? Bei mir ist er Spitze und da ich auch so ein Teil habe, ist er in meinem Archiv gelandet.
Frank O. schrieb: > Volker T. schrieb: > >> ... Habe es nur als Spaßprojekt gesehen die alte LS-50 reparieren zu >> wollen und hätte sie dann als Zusatz gehabt :-) >> >> Vielen Dank für die Hilfe > > Kannst du beidhändig löten? ;-) Beidhändig Löten kann er wahrscheinlich nicht (obwohl, wer weiss...), aber beidhändig SMD 1206, 805, usw. ablöten? Soll ja vorkommen.
Jasch schrieb: > Frank O. schrieb: >> Volker T. schrieb: >> >>> ... Habe es nur als Spaßprojekt gesehen die alte LS-50 reparieren zu >>> wollen und hätte sie dann als Zusatz gehabt :-) >>> >>> Vielen Dank für die Hilfe >> >> Kannst du beidhändig löten? ;-) > > Beidhändig Löten kann er wahrscheinlich nicht (obwohl, wer weiss...), > aber beidhändig SMD 1206, 805, usw. ablöten? Soll ja vorkommen. Aaahsooo! Na ja, ich lern ja noch.
Na, das ist ja toll! Daß das an dem Reset-C liegen kann, darauf wäre ich vermutlich ohne zu messen nicht gekommen. Respekt! Mir war nicht klar, das nun auch schon solche kleinen Cs, dazu noch recht unbelastet den Geist aufgeben. Daß die Kapazität schwindet, ok, aber daß nierohmig werden ist schon krass!! Verdammter Billigmüll!!! Ich hasse das!! Viel Grüße Nase
Es ist NUR der SMD-Dreck, der solche Schwierigkeiten macht. :-( Nach 3-4 Jahren habe ich hier schon Monitore, Fernsehgeräte und etliche andere Apparate auf dem Tisch gehabt, wo diese Dinger entweder durch Feinschlüsse, noch besser aber durch sporadische Schlüsse (ganz prima zu finden :-(( ) auffielen, oder sie hatten starke Kapa- zitätsverluste. MfG Paul
Sollte jemand die Montageanleitung benötigen, aus der auch der Schaltplan stammt,leite ich die pdf gern weiter. Kurze PN reicht. In der Montageanleitung ist auch ein Layout abgebildet, so dass man die Bauteile schneller findet. Gruß Volker
Hallo Volker, meiner hat von heute auf Morgen den Geist aufgegeben. Vor 4 Tagen habe ich damit noch gelötet, heute angemacht wurde die spitze lauwarm und die Anzeige wechselt ständig zwischen verschiedenen Temperaturen. Kannst du mir das PDF mit dem Schaltplan weiterleiten? kevin(punkt)erhardt(at)gmail(punkt)com Gruß Kevin
Danke für diesen post, nach alles durchmessen und fast aufgeben bin ich auf diesen thread gestossen. war genau der selbe fehler bei mir. c1 an reset weg und alles läuft wieder wunderbar :-)
Hallo zuammen @Autor: danke (Gast): Nur falls jemand Deinen Kommentar ließt und ebenfalls eine Reparatur vornehmen möchte, C1 ist falsch! Sofern ich die schlechte Kopie (Scan) richtig lesen kann handelt es sich um C3, direkt am linken Ende des "blauen" µ-Prozessor (in diesem Bild) zu sehen. Gruß Roland
Hallo Habe bei meiner Lötstation die Kabelzugentlastung nachgezogen, als ich sie danach wieder eingeschalten habe zeigte die Anzeige 700°C bei Raumtemperatur, was natürlich dazu führt, dass der Lötkolben nicht heizt. Danach wollte ich die Temperatur laut Anleitung neu Kalibrieren, jedoch wenn ich "T1" drücke und dann einschalte steht statt "CAL20" die Fehlermeldung "I-3" in der Anzeige. Kann mir jemand helfen? Grüße Jakob
JakobS. schrieb: > Habe bei meiner Lötstation die Kabelzugentlastung nachgezogen, als ich > sie danach wieder eingeschalten habe zeigte die Anzeige 700°C bei > Raumtemperatur, was natürlich dazu führt, dass der Lötkolben nicht > heizt. Tja, woran kann das wohl liegen? Die 100000-Euro Frage...
Rektal Invasiver schrieb: > Tja, woran kann das wohl liegen? Die 100000-Euro Frage... Danke für deine riesengroße Hilfe ich suche nicht die Ursache sondern einen Vorschlag zur Fehlerbehebung!!
JakobS. schrieb: > Danke für deine riesengroße Hilfe Keine Ursache, das mache ich doch gern. >ich suche nicht die Ursache sondern > einen Vorschlag zur Fehlerbehebung!! Ach so: Du willst den Fehler beheben, ohne die Ursache zu suchen. Das ist natürlich eine kluge Vorgehensweise. ICH würde überlegen: Was ist als Letztes geschehen, bevor die Station nicht mehr funktioniert hat. Aha: Ich habe wie ein Narr die Zugentlastung angebrummt und damit die Leitung zerquetscht, so daß einige Adern nun einen Schluß untereinander aufweisen. Dadurch habe ich ungewollte Verbindungen hergestellt. Dann würde ich mir de Schaltplan ganz oben ansehen und herausfinden, was ich mit dieser Scheiße kaputt gemacht haben könnte. Wie gesagt: Du mußt das nicht machen -Du kannst auch sinnlos drin herumstochern.
Da noch einige ELV-Lötstationen kaputt gehen werden, habe ich mir mal die Mühe gemacht zwei Signalverläufe aufzunehmen. Vielleicht helfen sie jemanden bei der Fehlersuche. Der Signalverlauf ergibt sich bei einer Lötkolbentemperatur von ca. 400 Grad. Bei meiner Station war leider wirklich der Mikrocontroller defekt. Anzeige und Temperatureinstellungen funktionierten zwar, Temperaturregelung und Temperaturanzeige gingen jedoch nicht.
Weiß jemand, welcher Mikrocontroller an dieser Lötstation verwendet wird?
Mirko B. schrieb: > Weiß jemand, welcher Mikrocontroller an dieser Lötstation verwendet > wird? Ohne Firmware würde dir dieses Wissen nichts nützen. ELV hat die, glaube ich, nie veröffentlicht. Im Web gibts doch DIY-Projekte mit allen Angaben inkl. Firmware. z.B.: http://www.stegem.de/Elektronik/Loetkolben/index.htm#Software
Ich hätte noch einen Vorschlag. Das LCD ist ja sehr schön und für Lötstationen speziell hergestellt worden. 1) Wenn erwiesen ist, dass der uC defekt ist, rauschmeissen. Einen PCF8576 oder PCF85162 besorgen der ein 4-BP LCD ansteuern kann. Businterface ist I2C. Mikrocontroller Deiner Wahl neu programmmieren und LCD über I2C ansteuern. FW Beispiele gibt es genug. Die LCD Ansteuerung über LUT ist auch keine Hexenkunst. Ist halt eine Arbeit der "Liebe". 2) uC mit Multiple Backplane LCD Interface. Es gibt von Microchip, z.B. uC welche ein kompatibles LCD Port Interface haben das die komplexe LCD Ansteuerung in HW bewerkstelligt. http://www.microchip.com/design-centers/lcd/products/integrated-segment-lcd-drivers http://ww1.microchip.com/downloads/en/AppNotes/00000658B.pdf https://www.circuitvalley.com/2012/02/pic16f917pic16f1907-7segmentlcddriverex.html Es wäre schade das LCD versauern zu lassen. Ist ja eine Rarität. Gruß, Gerhard
Mein Display funktioniert einwandfrei und tatsächlich funktioniert alles einwandfrei, außer dass das Heizgerät nicht eingeschaltet werden kann. Der Anschluss P3.2, der die Heizung steuert, ist defekt. Ich sah auf dem PCB-Anschluss mit SCLK-, SDAT- und RESET-Signalen, also dachte ich, ich könnte die Firmware lesen, wenn sie nicht gesperrt ist. Das Problem ist, dass ich nicht weiß, welche Art von Mikrocontroller ELV verwendet. Die Idee, eine komplett neue Firmware zu schreiben, die Platine komplett neu zu gestalten, ist sehr gut und sehr anspruchsvoll! :)
Wie kann es sein, dass es fast sechs Jahre dauert, um herauszufinden, das der Controller ein S3 von Samsung ist? Vermutlich der S3C825A oder der S3P825A. Datasheetcatalog hat ihn. Der S3C84 / S3F84 ist es nicht, die haben 40 bzw. 44 Pins. So wie es aussieht, sind diese nicht auslesegeschützt. Wer findet als erster heraus, welcher Programmer den bearbeiten kann? Bei dem o.g. Selbstbauprojekt vo stegem finde ich schade, dass nur ein Dreipunktregler implementiert wurde. Etwas mehr Stufen oder gleich ein PI wären sicher besser.
Ich bin mir nicht sicher, ob es S3C825A Mikrocontroller im Inneren ist, weil das Innere 64 Pins Quadpack 13x19 Pins hat. S3C825A hat 80 Pins.
Also hier ist es! Controller: Samsung S3P72N4XZZ-QT84 Speicher: Atmel 24C02 (256 Bytes I²C EEPROM) andere ICs: HCF4051 (analoger Multiplexer), TI TLC2272 (Schiene zu Schiene Operationsverstärker) Triac: NXP BT137-600 Quarz: 4.194304MHz
Super! Die elnec-Programmer können nur S3P7528 und S3P7538. Vielleicht ist der (in den alten Datenblättern beschriebene) Algorithmus gleich oder ähnlich? Bitte poste den Link zum Datenblatt.
Das Datenblatt für den S3P72N4 Mikrocontroller finden Sie unter diesem Link: https://www.alldatasheet.com/datasheet-pdf/pdf/37760/SAMSUNG/S3P72N4.html?
ebuy-Verkäufer dicikey-max verkauft 5 Stück für 25+3 Euro. 332512869768 Auf Alibaba findet man sie auch. Man müsste halt sicherstellen, dass sie unprogrammiert sind, da OTP (one time programmable). Das ist ein 4-Bitter ohne ADC. Es könnte auch ein 8-bittiger S3F8235 sein, der ist ebenfalls im QFP64. Ich prüfe gerade das Pinout.
Es ist möglicherweise nicht schwer, ELV unterstellen zu wollen, dass sie maximal alles getan haben um Selbsthilfe zu erschweren. Es gibt absolut keine Entschuldigung solche uC im Europäischen Raum zu verwenden. Die müssen offensichtlich nie was von AVRs, PICs oder STMs gehört haben. Dass dem Hobbyisten Reparatur und Änderungen unnötig erschwert werden, ist wohl lediglich übersehbarer kollateraler Schaden. Dieser Verlag scheint sich definitiv als ein knallhartes Gewerbe ohne viel Empathie für den Kunden zu benehmen. Das ist wohl der Fluch von FW betriebenen Geräten. Ohne Herstellerhilfe sind dann solche Sachen auf dem Weg zum Elektronikfriedhof. Einfach aus Gründen des Prinzips würde ich so eine Schaltung auf gängigen Industrie uC wie AVR oder PIC umbauen um mich von solcher absichtlichen Abhängigkeit zu befreien. Lötstationen sind ja schließlich keine Raketenwissenschaft. Die Segmente des LCDs lassen sich auch relativ leicht identifizieren. Auch bei Multi-Backplane ist das nicht zu schwierig. Siehe hier: https://www.digikey.ca/product-detail/en/microchip-technology/PIC18F67J94-I-PT/PIC18F67J94-I-PT-ND/3872481 Dieser uC hat ein kompatiblen LCD Controller eingebaut und kann es in Hardware alleine betreiben.
Gerhard, du hast absolut recht! Unter allen anderen Mikrocontrollern entschied sich ELV für Samsung. Darüber hinaus ist es OTP! Ich denke, das war, weil sie ihr geistiges Eigentum schützen wollten und es schwer machten, kopiert zu werden. Nichtsdestotrotz fand ich im Internet, dass sie im ELV-Magazin ein komplettes Projekt für den LS50 veröffentlicht haben! Ich kann es einfach nicht im PDF-Format finden.
Mirko B. schrieb: > Gerhard, du hast absolut recht! Unter allen anderen > Mikrocontrollern > entschied sich ELV für Samsung. Darüber hinaus ist es OTP! Nicht einmal Datenblätter findet man leicht. > Ich denke, das war, weil sie ihr geistiges Eigentum schützen wollten und > es schwer machten, kopiert zu werden. Dann wäre es nur gerecht und billig kritische Ersatzteile für einen fairen Preis anzubieten die im Handel nicht erhältlich sind. > Nichtsdestotrotz fand ich im Internet, dass sie im ELV-Magazin ein > komplettes Projekt für den LS50 veröffentlicht haben! > Ich kann es einfach nicht im PDF-Format finden. Naja, wünsche Dir Erfolg mit den Dokus. Wenn Du viel Glück hast, können sie Dir einen Ersatz uC zuschicken. Man sollte meinen, wenn die Station nur um die 50 Euro kostet, dass der uC einigermaßen erschwinglich sein sollte. Ist der uC eingelötet oder eingesteckt? Falls ein Neubau in Frage kommt, könntest Du das LCD mit einem PCF8576 oder PCF85162 ansteuern der wiederum z.B. von einem Arduino Nano oder Pro-Mini über I2C gesteuert wird. Den PCF 8576 gibt es im großen SMD Gehäuse und ist leicht lötbar. Es gibt ja einige Bauvorschläge mit FW im Internet an die man sich halten könnte. Sollte der uC eingelötet sein, könnte man den ablöten oder raus schneiden und dann mit dünnen Drähten an die Ersatz uC Steuerung anschließen. An sich sieht die Station ja ganz hübsch und formschön aus und wäre ein nettes Projekt dafür. Ist halt eine Liebesarbeit zum Trotz.
Mirko B. schrieb: > Unter allen anderen Mikrocontrollern > entschied sich ELV für Samsung. Ein (mildernder) Grund wäre allerdings der mit integrierte LCD Controller der ein LCD so wie in der LS-50 mit mehreren Backplanes richtig ansteuern kann. Ähnlich wie der PC18F97J60.
Bezüglich der Ersatzteile für den LS50 habe ich eine E-Mail an ELV geschrieben und gebeten, einen programmierten Mikrocontroller als Ersatzteil zu kaufen. Sie haben geschrieben, dass sie LS50 nicht mehr unterstützen, weil es veraltet ist und sie es nicht verkaufen. So, jetzt gibt es drei Möglichkeiten, um dieses Problem zu beheben: Erstens: Einen Mikrocontroller kaufen (zyxw gab uns den Namen des Verkäufers) und versuchen, die Firmware von bestehenden uC zu lesen und neu zu programmieren. Dazu müssen wir auch den Programmierer berechnen. Zweitens: Gerhard Vorschlag, Programm für PIC oder AVR uC neu zu schreiben, LCD-Treiber zu verwenden und neue PCB zu machen (https://jlcpcb.com) Drittens: Auf etwas Second Hand LS50 mit gebrochenem Display, Hausen oder etwas anderem warten, aber mit guter Elektronik und die Platine benutzen oder sogar den uC übertragen Mein LS50 Sodering Station PCB hat Chip-On-Board Mikrocontroller und Footprint für einen normalen Prozessor (siehe Bild), so dass neue Chips direkt an Board gelötet werden können.
Mir ist noch etwas eingefallen. Wenn Du ein Multimeter mit Dioden Funktion hast, möchte ich Dich bitten den besagten Io Pin 3.2 gegen Masse in beiden Polaritäten zu untersuchen. Wenn die Polarität negativ gegen Masse ist sollte bei einem guten Pin rund -0.6 bis -0.8V angezeigt werden. In der umgekehrten Polarität sollte es eher ein paar Volt anzeigen oder INF. vergleich den Pin mit anderen Pins. Sollte die Verbindung von P3.2 anders im Vergleich ausfallen könnte man da gewisse Schlüsse ziehen. Sonst sind Deine Vorschläge ein guter Anfang. Viel Glück. Vielleicht findet sich eine andere LS50 als Bauteilespender. Beim Ansehen der LP dachte ich PCF8576 in "Dead Beetle" (Füsse gegen oben) Form an LP ankleben und mit feinen Drähten an den uC pins mit den korrespondierenden LCD pins verbinden und dann auf der anderen Seite einfach einen Arduino Nano oder Pro-Mini einbauen und mit losen Drähten verbinden. Dieses Anschließen macht man sowieso nur einmal. Außer den COM pins macht es nicht einmal viel aus in welcher Reihenfolge die LCD Pins angelötet werden weil man die Segmente sowieso mit Lookup Tables ansteuer muß. Aber wie gesagt, vielleicht lohnt sich etwas Geduld aufzubringen um einen Bauteilespender zu finden. Manchmal stolpert man über solche Dinge.
Hallo Gerhard, erstmal zu uns: melde mich nach der Kur. Die Idee das zu ändern, in dem man einen Nano oder Mini an die Hardware anpappt, finde ich, wenn man das Teil am Leben halten will, schon ganz gut. Vielleicht lassen sich auch nur die defekten Pins "ersetzen" und so zumindest die Displayansteuerung von alten Controller weiter ausgeführt werden. Die "Geschädigten" können sich doch, ähnlich den Transistortester Thread, hier zusammen schließen und dann gemeinsam ne gute Lösung erarbeiten.
Gute Idee, Gerhard. Ich werde den P3.2 Pin messen und die Ergebnisse hier posten. Im Folgenden sehen Sie, wie der Pin aussieht, wenn er als Ausgabe konfiguriert wird.
Ich hatte schonmal den Fall, dass ein Ausgang nur noch ganz schwach treiben konnte. Evtl. reicht es, einen Buffer dazwischenzuhängen. Der ATmega169 aus dem AVR-butterfly hat doch auch LCD-Ausgänge für 5x20=100? Segmente. Kann sein, dass das nicht ausreicht, denn ich zähle 104 Segmente auf dem Display in einer nicht voll genutzten 4x32=128-Anordnung.
Ich habe eine Messung wie von Gehard vorgeschlagen durchgeführt und es scheint, dass dieser Pin-Port (P3.2) fehlerhaft ist. Kein Anzeichen von Millivolt in beiden Richtungen während der Diodentestmessung. Ich fange jetzt an, nach der gleichen Lötstation zu suchen, von der ich einen Chip verwenden kann. HINWEIS: Ich habe die Anzahl der Segmente auf dem Display gezählt und es gibt 117 Segmente.
Danke für die Messung. Hast Du auch einen "Guten Pin" zum Vergleich gemessen? Das ist wichtig. Wenn es aber tatsächlich so ist, könnte es sein, daß der interne Bonding Draht vom Silikon zur LP unterbrochen ist, oder natürlich ein kaputter IO Pin. Auch wenn der Pin kaputt wäre, sollten noch die CMOS Body Dioden vorhanden sein. Da vermute ich eher ein Bonding Problem. Naja, das hilft jetzt alles nichts.
Mirko B. schrieb: > Ich habe eine Messung wie von Gehard vorgeschlagen durchgeführt und es > scheint, dass dieser Pin-Port (P3.2) fehlerhaft ist. Kein Anzeichen von > Millivolt in beiden Richtungen während der Diodentestmessung. normalerweise zeigt ein Diodentestmesskreis damit einen Kurzschluss an. Prüf das erst mal indem Du die beiden Messspitzen aneinanderhältst. (Da wäre das bei dem fluke anders als normal) Dann sieht das doch eher nach einem Kurzschluss nach Masse aus, der evtl. sich extern befindet. Such da erst einmal in diese Richtung gründlich nach. Also, wo geht die Leitung auf der Leiterplatte hin? ist dort der Kurzschluss? evtl. die Leitung mit dem Messer unterbrechen, man kann sie ja später wieder mit einem Drahtstückchen flicken.
Aktualisieren: Ich habe eine Lötstationsbasis auf ebay ($30 + 15$ Versand) gefunden und gekauft, von der ich den Prozessor übernehmen und an meine Lötstation übergeben möchte. Es ist nicht ELV LS-50, aber es ist ERSA RDS80, die ich fand, dass es dasselbe ist. Beide haben dieselbe uC (Samsung) und die Pin-Konfiguration und die Verbindungsnähte sind völlig identisch. Der Verkäufer verkaufte nur eine Basis ohne Lötkolben, aber ich kann meine Mine nicht verbinden, da meine Mine ein Thermoelement hat und für den PTC Heater vorbereitet ist und mit nur zwei Drähten an die Platine angeschlossen ist. Wir werden das Ergebnis sehen, nachdem ich den Chip auf meine Platine übertragen habe.
Gerhard O. schrieb: > Bonding Draht vom Silikon Von wo ? Mirko B. schrieb: > ber ich kann meine Mine nicht verbinden, Wen ? Die Beiträge werden immer obskurer.
Ich habe seit Tagen im ganzen Internet gesucht und eine Lötstation bei ebay für wirklich niedrigen Preis gefunden. Ich benutze und ohne Lötkolben, aber für den Zweck des Spenders wird es nützlich sein. Ich habe es unter dieser Adresse gefunden: https://www.ebay.com/itm/Ersa-RDS-80/113132334347?ssPageName=STRK%3AMEBIDX%3AIT&_trksid=p2057872.m2749.l2648
Mirko B. schrieb: > Aktualisieren: > Ich habe eine Lötstationsbasis auf ebay ($30 + 15$ Versand) gefunden und > gekauft, von der ich den Prozessor übernehmen und an meine Lötstation > übergeben möchte. Es ist nicht ELV LS-50, aber es ist ERSA RDS80, die > ich fand, dass es dasselbe ist. > Beide haben dieselbe uC (Samsung) und die Pin-Konfiguration und die > Verbindungsnähte sind völlig identisch. Der Verkäufer verkaufte nur eine > Basis ohne Lötkolben, aber ich kann meine Mine nicht verbinden, da meine > Mine ein Thermoelement hat und für den PTC Heater vorbereitet ist und > mit nur zwei Drähten an die Platine angeschlossen ist. > > Wir werden das Ergebnis sehen, nachdem ich den Chip auf meine Platine > übertragen habe. Gibt's schon was Neues? Funktioniert der Transplant?
Leider nicht :( Ich habe am Freitag die von ebay gekaufte ERSA Lötstation erhalten und am nächsten Tag habe ich mit der Übertragung des Chips begonnen. Bild 1) Zuerst habe ich mit der Heißluftpistole ein Samsung uC vom Spenderboard entfernt. Das war ohne Probleme möglich Bild 2) Dann habe ich den Chip von der Platine LS-50 entfernt, um den Chip an die Platine anlöten zu können. Nachdem ich den Chip übertragen habe, habe ich die Station eingeschaltet und WOW! Es klappt! Lötkolben fing an zu heizen und das war vorher nicht der Fall. Steigende Temperatur auf dem Display und alles gut. Aber sobald es die Solltemperatur erreicht hatte, sah ich Überschießen. Das ist normal für diese Art von Lötstationen und ich habe nicht viel darauf geachtet. Ich beobachtete, wie es die Temperatur reguliert und es war völlig instabil. Die Temperatur oszillierte um + - 20 ° C und wenn ich etwas löten wollte, oszillierte es noch mehr. Dann erkannte ich, dass der Unterschied zwischen den Lötkolben entscheidend ist! ERSA heizt mit der PTC-Heizung, dh es gibt keinen Temperatursensor. Die Heizung ist gleichzeitig der Sensor. Der Regler arbeitet so, schaltet die Heizung ein, wartet einige Zeit, schaltet die Heizung und misst die Temperatur an den gleichen Drähten. ERSA Lötkolben hat nur zwei Drähte. Der Lötkolben LS-50 hat eine separate Heizung und ein Thermoelement und misst die Temperatur, ohne dass die PWM-Spannung ununterbrochen über die Heizung fließt. Ich setze den Mikrocontroller auf das ERSA-Board und bestelle einen neuen RT80-Lötkolben, um ihn so verwenden zu können, wie er ist. Der LS-50 wird mein zukünftiges Entwicklungssystem sein und vielleicht werde ich versuchen mit dem uC und Display Controller ein komplett neues Board zu entwickeln.
...für die kollegen, die genau den uC chiptyp kennen wollten
Ich hab noch eine LS-50. Irgendwann habe ich diese mal demontiert, weiß aber nicht mehr warum. Wenn Interesse an der bestehen sollte, kann ich mal nach dieser gucken.
Volker T. schrieb: > Hallo zusammen, > > > Bitte entschuldigt die schlechte Grafik des Schaltplans. Sollte jmd. > bereit sein mir zu helfen, sende ich gerne das Original als pdf zu. > > > Vielen Dank. > > Volker Hi. Ich weis der Post ist schon älter, aber könntest Du mir bitte den Plan als pdf zukommen lassen? Besten Dank
Das PDF findet man hier: Beitrag "Re: [S] Ersatzlötkolben für LS50" https://www.mikrocontroller.net/attachment/607883/ELV-ProgrammierbareLoetstation-LS50-Bauanleitung.pdf
Bitte melde dich an um einen Beitrag zu schreiben. Anmeldung ist kostenlos und dauert nur eine Minute.
Bestehender Account
Schon ein Account bei Google/GoogleMail? Keine Anmeldung erforderlich!
Mit Google-Account einloggen
Mit Google-Account einloggen
Noch kein Account? Hier anmelden.










