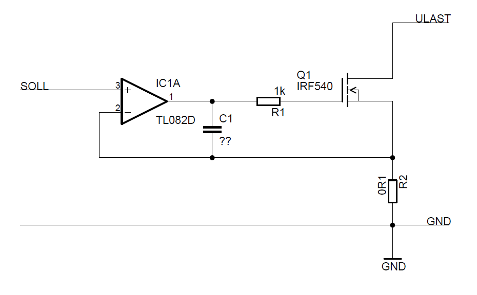
Hallo, ich beschäftige mich gerade mit dem Aufbau einer Stromsenke, dazu ein paar Frage. In den Schaltungen die ich bisher gefunden habe ist teilweise ein Kondensatot (in der angefügten Beispielschaltung C1) verbaut. Wozu dient dieser Kondensator? Wie wird der Kondensator dimensioniert? Ist der C erforderlich? Danke Gruß Stefan
Stefan schrieb: > Wie wird der Kondensator dimensioniert? so daß der Stromregler nicht schwingt. Gruß Anja
Anja schrieb: > so daß der Stromregler nicht schwingt. Kann man das irgendwie berechnen? Gibt es Erfahrungswerte? In den Schaltungen die ich gefunden habe gibt es hier werte zwischen 100pF und 22nF, es sollte ja nicht sinn der Sache sein die alle auszuprobieren...
Stefan schrieb: > Kann man das irgendwie berechnen? > Gibt es Erfahrungswerte? Das hängt von R3 (fehlt in deiner Schaltung zwischen R2+C1) der Gatekapazität und deiner gewüsnschten Regelgeschwindigkeit ab. Gruß Anja
Ja danke hab auch vorhin gemerkt das der fehlt ;) Da sollten in meiner Schaltung 10k rein. Der IRF540 hat ca 2nF Gatekapazität. Hmm die Ausregelzeit ist ne gute Frage ich denke 10ms auf Sollwert ist realistisch.
ich schätze mal, dass die Zeitkonstante aus R3 * C1 >= R1 * Gatekapazität sein muss - zur Sicherheit Faktor 2 - 5 wählen.
@ Alex (Gast) >ich schätze mal, dass die Zeitkonstante aus R3 * C1 >= R1 * >Gatekapazität sein muss - zur Sicherheit Faktor 2 - 5 wählen. Nein. Es geht um die Frequenzgangkompensation. Da spielt der OPV sowie R1 und die Gatekapazität eine Rolle. Kann man so einfach nicht in eine Formel bringen. http://www.mikrocontroller.net/articles/Konstantstromquelle#Konstantstromquelle_mit_Operationsverst.C3.A4rker_und_Transistor
Bitte melde dich an um einen Beitrag zu schreiben. Anmeldung ist kostenlos und dauert nur eine Minute.
Bestehender Account
Schon ein Account bei Google/GoogleMail? Keine Anmeldung erforderlich!
Mit Google-Account einloggen
Mit Google-Account einloggen
Noch kein Account? Hier anmelden.
