Hallo Leute! Ich habe ein kleines Problem. Ich möchte aus einer Eingangsspannung von 0-3,3V eine Ausgangsspannung von 2,4 - 5V erzeugen. Ich habe nur eine positive Versorgung, daher muss das wohl mit einem nicht-invertierendem Addierer geschehen. Aber wie berechne ich die Widerstände? Ich komme da echt nicht weiter. Kann mir jemand helfen?
Hans schrieb im Beitrag #3035745:
> Stattdessen nur so einen Müll als Antwort.
Ich habe eine einfache und berechtigte Frage gestellt. Meinst du meine
Frage auch mit "Müll"?
Egal...ich seh schon, Fragen die für euch so trivial sind, dass sie für euch schon lächerlich erscheinen, werden hier nicht beantwortet. Ich kann es halt nicht, tut mir Leid, bin schon froh, dass ich den nicht-invertierenden Addierer gefunden habe. Werde mein Glück mal woanders versuchen. Vielleicht gibt es ja da eine Hilfestellung. Hier muss man ja scheinbar schon alles wissen um Hilfe zu bekommen - schade! Das ist nicht der Sinn eines Forums finde ich. Udo Schmitt schrieb: > Meinst du meine > Frage auch mit "Müll"? Meine Frage war, ob mir jemand helfen kann - das sind die hilfreichen Antworten bis jetzt: Udo Schmitt schrieb: > Hausaufgabe? Dennis schrieb im Beitrag #3035738: > Ja ich brauch die Lösung auch noch. Kann mal einer machen? Dennis schrieb im Beitrag #3035751: > Leider haben wir selber keinen blassen Schimmer, wie das geht. Ist aber > auch echt schwierig, also so mit Widerständen und so... Alda schrieb im Beitrag #3035760: > Das wüsste ich auch gern wie man eine Spannung von 0V in eine höhere > wandelt. Könnte mir diese Technik gut vorstellen um zB. leere Batterien > weiter benutzen zu können. Dennis schrieb im Beitrag #3035765: > Ampere hochskillen klingt super... Dennis schrieb im Beitrag #3035778: > Ja, Udo, jetzt hängst du auch mit drin. Danke Leute! Schönen Tag noch!
du hast nur gerade Pech das nicht die richtigen Leute da sind. offenes Forum ohne Anmeldung = viele Idioten unterwegs die sich darauf abfeiern dumme Antworten zu geben. ich würds später nochmal versuchen Gruß
Hans schrieb: > Ich habe ein kleines Problem. Ich möchte aus einer Eingangsspannung von > 0-3,3V eine Ausgangsspannung von 2,4 - 5V erzeugen. Ich habe nur eine > positive Versorgung, daher muss das wohl mit einem nicht-invertierendem > Addierer geschehen. > > Aber wie berechne ich die Widerstände? Ich komme da echt nicht weiter. > Kann mir jemand helfen? Du sprichst von 'einer Eingangsspannung' und hast aber zwei Eingänge. Welches Verhalten bzgl. dieser beiden Eingänge ist denn gewünscht?
Daniel schrieb im Beitrag #3035864: > Grundsätzlich hört sich das nach Standard-Hausaufgabe an. Um mich mal zu outen: Ich habe einfach keine Ahnung und bin bereits 32 Jahre alt! Wenn das jetzt auch noch eine Hausaufgabe wäre, dann hätte ich ein noch viel größeres Problem als nur mein fehlendes Wissen. Michael S. schrieb: > Welches Verhalten bzgl. dieser beiden Eingänge ist denn gewünscht? Mein Ziel war es, dass ich eine Schaltung haben wollte, welche bei 0V an ihrem Eingang eine Ausgangsspannung von 2,4V hat und dann linear mit der Eingangsspannung, welche zwischen 0 - 3,3V variiert, auf bis zu 5V ansteigt. Und da habe ich halt gedacht, ich muss irgendeinen Offset dazuaddieren und bin auf den nicht-invertierenden Addierer gestoßen, welcher sich für mich erstmal geeignet erschien. Nur kann ich das nicht berechnen, tut mir Leid. Es kann nicht jeder alles können, ihr sicher auch nicht. Jetzt gibt es halt grad was, das ihr scheinbar alle könnt, ich aber nicht. Mit dem kleinen Unterschied, dass ich anderen Leuten helfen würde, wenn ich es kann. Und wenn ich es nicht kann, dann beteilige ich mich nicht an der Sache und werde schon garnicht lauter Sachen von mir geben, die zur Lösungsfindung überhaupt nichts beitragen, oder noch schlimmer - absolut sinnlos sind! Das ist echt traurig! Aber wie gesagt, ich werde es woanders versuchen. Das ist wirklich lächerlich!
Sich "Elektronerd" nennen, aber nicht mal Grundwissen haben und sich dann auch noch beschweren wenn keiner hilft. Das ist traurig.....
Elektronerd schrieb: > Michael S. schrieb: >> Welches Verhalten bzgl. dieser beiden Eingänge ist denn gewünscht? > > Mein Ziel war es, dass ich eine Schaltung haben wollte, welche bei 0V an > ihrem Eingang eine Ausgangsspannung von 2,4V hat und dann linear mit der > Eingangsspannung, welche zwischen 0 - 3,3V variiert, auf bis zu 5V > ansteigt. Das hatte ich verstanden. > Und da habe ich halt gedacht, ich muss irgendeinen Offset dazuaddieren > und bin auf den nicht-invertierenden Addierer gestoßen, welcher sich für > mich erstmal geeignet erschien. Aha, jetzt verstehe ich den Sinn des zweiten Eingangs. > Nur kann ich das nicht berechnen, tut mir Leid. Ich sehe keinen Bedarf für Entschuldigungen irgend welcher Art. Du hast eine Frage, wer Lust und Zeit hat darauf zu antworten kann es tun. Das ist der Sinn eines (auch dieses) Forums. Punkt. Wer keine Lust dazu hat soll es lassen. Ich habe im Moment keine Zeit, etwas vorzurechnen. Immerhin verstehe ich erstmal Deine Fragestellung.
Daniel schrieb im Beitrag #3035924: > Mhh, und dann möchtest du die OP-Schaltung als Netzteil mit > programmierbarer Ausgangsspannung betreiben? > > Lass das Forum in Frieden, geh nach Hause, lies ein Buch. Wenn Du etwas besseres zu tun hast, als Berechnungen anderer Leute durchzuführen, ist verständlich und Dein gutes Recht. Aber dann tu es doch auch, statt hier rumzuhängen und dies einfach nur wiederholt kundzutun!
Elektronerd schrieb: > Mit dem kleinen Unterschied, > dass ich anderen Leuten helfen würde, wenn ich es kann. Es gibt hier täglich Anfragen von faulen Schülern/Studenten die meinen hier gibt es genug Blöde die ihnen ihre Hausaufgaben machen. Und dazu haben viele hier KEINE LUST. Es besteht hier ein recht großer Konsens, solche Leute auflaufen zu lassen. Wir helfen gerne mit Tipps zur Selbsthilfe, weil die meisten von uns diese Aufgaben auch schon lösen mussten. Aber wir rechnen sie nicht vor. Dein Bild sieht genau so aus, als wäre es von einer Aufgabe in einer E-Technik Grundübung. Wo ist das Bild her? Wenn du rausgefunden hast das du so eine Schaltung brauchst, dann ist da wo das Bild herkommt auch beschrieben wie sich die Ausgangsspannung berechnet, ausser das Bild kommt von einem Übungsblatt. Und das war meine Vermutung und deshalb habe ich ganz NORMAL gefragt.
Hi Hans,
Also ich hab jetzt zwar nicht die Zeit das alles durchzurechnen aber
mein Ansatz ist das Nullator-Norator-Modell eines OPV. Demnach wird aus:
---+|\ ---- -----
| >-- -> | |
----|/ O O
| | O
--- ---- |
OPV Nullator ------
Norator
Die eigenschaft vom nullator ist das kein Strom fließt. Durch den
Norator keine Spannung.
es ergibt sich also : (ANHANG)
dann musst du EINEN Widerstand und die EIngangsspannungen+
Ausgangsspannung vorgeben und kannst die restlichen Widerstände
dimensinieren. Mittels Maschengleichungen und Knotenpunktsätzen.
Hoffe das Hilft dir, lass es mich wissen ;)
Gruß,
Erny!
Hans schrieb: > Aber wie berechne ich die Widerstände? Ich komme da echt nicht weiter. Naja, du hast 6 Unbekannte (5 Widerstände und die zweite Eingangsspannung) und nur 4 vorgegebene Größen (die vier Eckspannungen). Damit ist schon mal klar, dass es für ein entsprechendes Gleichungssystem keine eindeutige Lösung gibt. Ob es aber nun gar keine Lösung oder eine unendlich große Lösungsmenge gibt, ist auf Anhieb nicht klar. Das Gleichungssystem, das sich daraus ergibt, ist auch alles andere als übersichtlich ...
ok,Standartaufgabe einmal Suchen in Forum .... und ....... Beitrag "Schaltungsanalyse Addierer OP mit postiver Spannung?"
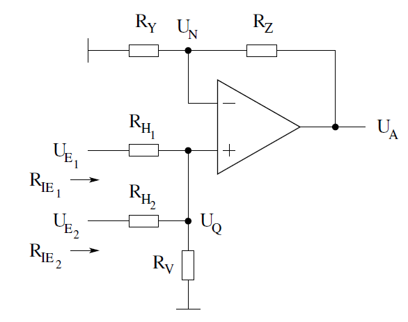
Mach aus der komplizierten Schaltung zwei einfache: RH1, RH2 und RV bilden einen Spannungsteiler aus drei Widerständen, bei der die Knotenspannung der mit den drei Leitwerten gewichtete Mittelwert der drei anliegenden Spannungen ist:
Der Opamp, RY und RZ bilden einen nichtinvertierenden Verstärker mit
Also
In diese Gleichung setzt du für einmal UE1=0 und UA=2,4V, und einmal UE1=3,3V und UA=5V ein. Mit den entstehenden beiden Gleichung kannst du zwei der unbekannten Größen ausrechnen, die restlichen Größen wählst du vorher nach Gutdünken sinnvoll aus. Wenn du eine Spannungsquelle mit 12V oder mehr zur Verfügung hast und der Ausgang der Schaltung nicht niederohmig sein muss, kannst du das Problem auch mit nur drei Widerständen lösen. Der Anhang zeigt die Schaltung und die Dimensionierung für 12V. Auch hier handelt es sich um einen einfachen Spannungsteiler mit drei Widerständen, der nach obiger Formel berechnet werden kann.
Gleich mal mit LTsice testen ;-)
Michel May schrieb: > Gleich mal mit LTsice testen ;-) Nein, nein, die Schaltung mit den drei Widerständen ist kein allgemein einsetzbarer Addierer, sondern nur eine Lösung für Hans' eigentliches Problem, eine Eingangsspannung von 0-3,3V in eine Ausgangspannung von 2,4-5V überzuführen.
Yalu X. schrieb: > Michel May schrieb: >> Gleich mal mit LTsice testen ;-) > > Nein, nein, die Schaltung mit den drei Widerständen ist kein allgemein > einsetzbarer Addierer, sondern nur eine Lösung für Hans' eigentliches > Problem, eine Eingangsspannung von 0-3,3V in eine Ausgangspannung von > 2,4-5V überzuführen. Da muß ich Dir allerdings recht geben, sollte die Unterschiede der verschiedenen Schaltungen zeigen, selbsterklärend, für die Vereinfachung stand deshalb auch das ;-) Danke für die Anmerkung Unklarheiten in der Simulationsdatei noch gleich verbessert
Ich glaube der TO hat sich schon für immer frustriert von diesem Forum abgewandt. Ob das Sinn und Zweck des Forums ist ? Ralph Berrs
Kann man ihm nicht verdenken. Er hatte halt das Pech, dass zwischen 0:00 Uhr und 18:00 Uhr sich hier hauptsächlich Trolle tummeln.
Bitte melde dich an um einen Beitrag zu schreiben. Anmeldung ist kostenlos und dauert nur eine Minute.
Bestehender Account
Schon ein Account bei Google/GoogleMail? Keine Anmeldung erforderlich!
Mit Google-Account einloggen
Mit Google-Account einloggen
Noch kein Account? Hier anmelden.


