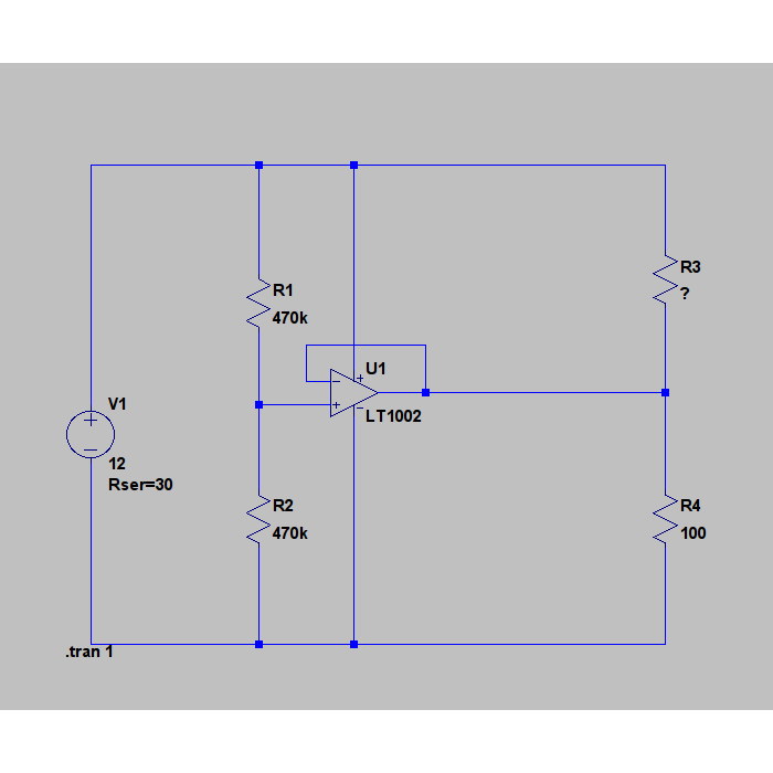
Hallo Community, ich möchte für meine Funktionsgeneratorschaltung eine symmetrische Spannung von +-6V erzeugen. Ich habe da auch im Forum hunderte von Threads zum Thema gefunden und habe eine Frage zu der Schaltung, die ich überall in ähnlicher Form finden konnte (Anhang). Wenn die Widerstände R3 und R4 gleich sind, ist alles klar: Der OPV hat am invertierenden und nichtinvertierenden Eingang und damit auch am Ausgang 6V, also das, was als Masse betrachtet werden soll. Wenn sich aber die Lastverhältnisse am Ausgang minimal ändern, ist Ue nicht mehr 0 also keine virtuelle Masse mehr am Eingang, der OPV gibt dann real seine Betriebsspannung auf den Ausgang. Spice sieht das ähnlich, nur dass es von einer maximalen Ausgangsspannung von unendlich ausgegangen ist. Kann mir jemand erklären, warum das doch funktioniert? Ich meine, sonst würde das ja nicht überall vorgeschlagen werden... Die einzige Möglichkeit, die ich sehe, ist dass wenn die Ströme durch R3 und R4 durch die geänderten Lastverhältnisse unterschiedlich sind, die Differenz in den Ausgang des OPV fließt und ich damit wieder die Mitte (also 6V) in der Mitte habe. Haut das hin? Vielen Dank schon mal. Gruß von kludwig
> Die einzige Möglichkeit, die ich sehe, ist dass wenn die Ströme durch R3 > und R4 durch die geänderten Lastverhältnisse unterschiedlich sind, die > Differenz in den Ausgang des OPV fließt und ich damit wieder die Mitte > (also 6V) in der Mitte habe. Haut das hin? Ja, genau so funktioniert die Schaltung.
Perfekt- so schnell habe ich in einem Forum noch nie eine hilfreiche Antwort bekommen :D Danke!
Spannungsteiler und dann Impedanzwandler. Die Last interessiert dann fast micht mehr.
Naja. Die Erklärung mit dem Strom ist eine von mindestens zwei möglichen Betrachtungsweise. Ist auch richtig so. Aber auch die von Dir versuchte Betrachtungsweise mit den Spannungen führt zum Ziel, wenn man berücksichtigt, das die Änderung der Differenzspannung der Änderung der Spannungen an den Lasten entgegenwirkt . Es liegt Gegenkopplung vor. Die Mittenspannung wird auf den Minus-Eingang geführt.
Stimmt, wenn ich R3 auf einen geringeren Widerstandswertals R4 setze, liegt der Masseknoten kurzzeitig auf höher als 6V. Damit ist (U+) - (U-) kleiner, und (bei konstanter Verstärkung) sinkt dann das Potential am Ausgang des OPV wieder... da war mein Denkfehler! Dankeschön!
> Wenn sich aber die Lastverhältnisse am Ausgang minimal ändern, ist Ue nicht > mehr 0 Das ist doch Humbug. Der OpAmp tut allen um dort VCC/2 zu halten, bis er überlastet wird und in die Strombegrenzung geht. Auch in Spice.
Diese Schaltung ist die sicherste Methode, um die PSSR auf 6dB zu senken. Lesestoff zur Abhilfe im Anhang. Der Innenwiderstand der künstlichen Masse ist auch nicht toll. Arno
MaWin schrieb: >> Wenn sich aber die Lastverhältnisse am Ausgang minimal ändern, ist Ue nicht >> mehr 0 > > Das ist doch Humbug. Der OpAmp tut allen um dort VCC/2 zu halten, bis er > überlastet wird und in die Strombegrenzung geht. Auch in Spice. Wenn man nicht berücksichtigt, dass in den Ausgang des OpAmps Strom rein fließt, ist der Strom durch R3 und R4 gleich und damit bei unterschiedlichen Lastverhältnissen auch keine VCC/2 am Ausgang mehr möglich. Soweit meine Argumentation von vorher, Entschuldigung für den "Humbug". Ich habe den anderen Fehler, den ich gemacht habe übrigens gefunden: ich wurde stutzig, als ich die Verläufe im kV-Bereich gesehen habe. Wenn ich aber näher reingezoomt hätte, hätte ich auch gestern schon sehen können, dass die drei Spannungen zwar einen linearen Verlauf im kV-Bereich haben, allerdings immer um 6V Differenz auseinander liegen- also genau das was ich wollte. Weiß jemand wogegen Spice die Potentiale misst, wenn keine Masse in der Schaltung deklariert ist? War sowieso schon erstaunt, dass ich die Simulation starten konnte ohne eine Referenzspannung geben zu müssen... In Zukunft simuliere ich einfach in solchen Fällen, indem ich die Spannungen voneinander abgezogen auftragen lasse wenn ich keine Masse deklariere. Danke für die Erklärungen! Achso: kann man die Beiträge im Forum als "gelöst" markieren?
Also so richtig los-"gelöst" niemals, weil auch heutzutage öfters mal Walter Carlos in Clockwork Orange im Weltall umherschwirrt.
Normal beschwert sich die Simulation (zumindest LTspice), wenn kein GND Punkt definiert ist. Es könnte sein das der OP Typ irgendwo intern ein GND definiert hat. Die Schaltung hat allerdings noch einen kleinen Haken: der Ausgang des OPs verträgt keine größere Kapazitive Last. Je nach Rest der Schaltung kann das Probleme machen. Abhilfe können ein Widerstand hinter dem OP und dann zusätzlich 1 oder 2 Kondensatoren. Welche Art der virtuellen Masse die richtige ist hängt von der gesamten Schaltung ab.
>Die Schaltung hat allerdings noch einen kleinen Haken: der Ausgang des >OPs verträgt keine größere Kapazitive Last. Diese Art von Schaltungen mit OPamp vertragen eigentlich überhaupt keine kapazitive Last. Wir haben das schon ein paar mal hier besprochen. Meines Wissens gibt es nur eine einzige Schaltung, die dabei wirklich klaglos funktioniert und die ist eine Eigenentwicklung von ArnoR, wenn ich mich richtig erinnere.
> Meines Wissens gibt es nur eine einzige Schaltung, die dabei wirklich > klaglos funktioniert und die ist eine Eigenentwicklung von ArnoR, wenn > ich mich richtig erinnere. Ja, du erinnerst dich richtig. Die Schaltung wurde hier: Beitrag "Re: 3 Kanal Kopfhörerverstärker mit OPA2134 verzerrt" bzw. etwas verbessert hier: Beitrag "Re: 3 Kanal Kopfhörerverstärker mit OPA2134 verzerrt" vorgestellt.
Bitte melde dich an um einen Beitrag zu schreiben. Anmeldung ist kostenlos und dauert nur eine Minute.
Bestehender Account
Schon ein Account bei Google/GoogleMail? Keine Anmeldung erforderlich!
Mit Google-Account einloggen
Mit Google-Account einloggen
Noch kein Account? Hier anmelden.
