Nun meine Freunde. Ich habe mal jetzt diese Schalltung nachgebaut : Es werden frequenzen von 1Hz bis ca 20 Khz benötigt, bzw der HS Signal 1MHz,2 MHz, 4 MHz. http://www.scienceprog.com/avr-dds-signal-generator-v20/ Ist auf dem ersten Blick garnicht mal so schlecht. Was mir nicht ganz gefällt ist das Rechecksignal.Könnte bisschen steiler sein. Siehe Bilder : Sinus ist ganz brauchbar. Was ich geändert habe gegenüber die original Schaltung : Widerstandsnetzwerk besteht aus 10K und 20K aus 0.1% Metallwiderstände. Der OpAmp ist nicht ein LM358 sondern ein LT1112 Versorgungsspannung ist +5V und +-15V aus einem guten Labornetzteil
>Ist auf dem ersten Blick garnicht mal so schlecht. Was mir nicht ganz >gefällt ist das Rechecksignal.Könnte bisschen steiler sein. >Widerstandsnetzwerk besteht aus 10K und 20K Dann nimm doch 1k und 2k. Oder der LT1112 ist zu langsam. Hab da jetzt nicht ins Datenblatt gesehen.
holger schrieb: >>Ist auf dem ersten Blick garnicht mal so schlecht. Was mir nicht ganz >>gefällt ist das Rechecksignal.Könnte bisschen steiler sein. > >>Widerstandsnetzwerk besteht aus 10K und 20K > > Dann nimm doch 1k und 2k. Oder der LT1112 ist zu langsam. > Hab da jetzt nicht ins Datenblatt gesehen. Auf keinen Fall. Mit 1k und 2k ist die Linearität des Wandlers dahin. Das gibt dann einen lausigen 6Bit DA-Wandler
In der meisten Schalltungen sind 10K und 20K vorhanden. Nach meiner Meinung nach so ein moderne LT ist besser wie der alter LM..oder, ganz klar könnte ich später zum Test einen KM auch probieren, aber grad nicht da. Bestellt für standard..
Hallo Thomas, sorry, dass ich hier dazwischenfrage. Ich hab da mal ne ganz andere Frage: Wo kann man dieses schicke Cursoetasten-Set kaufen? Würde mich sehr freuen, wenn Du mir das sagen könntest. Danke schon mal. Gruß Roland M.
Das Rechtecksignal direkt aus dem DA Wandler kann nicht wirklich gut aussehen, weil die Bandbreite begrenzt ist. Da hat man nicht nur die relativ langsame Anstiegsgeschwindigkeit, sondern auch noch bei vielen Frequenzen deutlichen Jitter. Für ein gutes Rechtecksignal wäre es besser den DDS Generator einen Sinus oder was ähnliches erzeugen zu lassen, dann zu filtern (so wie für den Sinus auch) und dann per Komparator eine Rechtecksignal zu erzeugen. 10K und 20 K für die R2R Kette sind schon OK. Schon da geben die etwa 40-80 Ohm an Ausgangswiderstand des AVRs mehr als 0,1% Fehler. Man will ja auch etwas Tiefpassfilterung haben. A sich sollte der Filter sogar noch besser sein. Der LT1112 ist eher zu langsam, zumindest wenn man die maximale Abtastfrequenz mit dem AVR von etwa 2 MHz nutzt. Für nur 20 kHz beim Sinus reicht aber auch der LT1112. Passende Wahl wäre eher ein TL072 oder NE5532 als OP, wenn der Strom nicht so knapp ist.
Roland M: Also fertiges gibts es beim Reichelt http://www.reichelt.de/Kurzhubtaster/NAVI-CURSOR/3/index.html?;ACTION=3;LA=446;ARTICLE=105702;GROUPID=3278;artnr=NAVI+CURSOR;SID=11UNxPMX8AAAIAACVQhpEfafa850b345fd5de3e79e351384f0394 aber ist eindeutig zu teuer Man kann aber die Einzelteile nehmen http://www.reichelt.de/Kurzhubtaster/KAPPE-1ZB09/3/index.html?;ACTION=3;LA=5000;GROUP=C223;GROUPID=3278;ARTICLE=79744;START=0;SORT=user;OFFSET=500;SID=11UNxPMX8AAAIAACVQhpEfafa850b345fd5de3e79e351384f0394 http://www.reichelt.de/Kurzhubtaster/TASTER-3FTL6/3/index.html?;ACTION=3;LA=5000;GROUP=C223;GROUPID=3278;ARTICLE=79697;START=0;SORT=user;OFFSET=500;SID=11UNxPMX8AAAIAACVQhpEfafa850b345fd5de3e79e351384f0394 http://www.reichelt.de/Kurzhubtaster/KAPPE-1ZC09/3/index.html?;ACTION=3;LA=5000;GROUP=C223;GROUPID=3278;ARTICLE=79739;START=0;SORT=user;OFFSET=500;SID=11UNxPMX8AAAIAACVQhpEfafa850b345fd5de3e79e351384f0394 http://www.reichelt.de/Kurzhubtaster/TASTER-3ATL6/3/index.html?;ACTION=3;LA=5000;GROUP=C223;GROUPID=3278;ARTICLE=79735;START=0;SORT=user;OFFSET=500;SID=11UNxPMX8AAAIAACVQhpEfafa850b345fd5de3e79e351384f0394 Die kleine Platine habe ich selber entworfen und beim Jakob machen lassen Ulrich : TL072 und Ne5532 habe ich auch da, werde mal direkt vergleichen, nlchste Woche
Stromchaos schrieb: > Ich habe bei meinem einen LM311 für das TTL-Signal verbaut. Wie wohin verbaut ? Anstatt dem LM358 ?
Schau mal hier: Beitrag "DDS Sinus erzeugung" War eine sehr interessante Diskussion mit tollen Erweiterungen.
Der LT1112 hat ja nur eine Anstiegszeit von 0,3 V/µs, kein Wunder, dass das Rechteck zum Trapez wird.
Probiere dann nächste Woche mit einem TL072 oder Ne5532. Habe beide da.Andere gute Alternativen ? Eventuell von LT als Pinkompatiebles ?
Die 2 fach OPs sind fast alle pinkompatibel. Welcher OP gut geht, hängt vor allem von der Schaltung ab. Für viele OPs ist ein Widerstand am Ausgang wichtig, weil zu viel Kapazität am Ausgang zu Schwingungen führen kann. Es gibt OPs die da weniger Empfindlich sind, aber die bessere Lösung ist eigentlich ein 50 Ohm Widerstand am Ausgang. Wenn denn noch ein per Comperator erzeugtes Rechtecksignal ausgegeben werden soll, wäre für den Ausgang ein AD826 ggf. interessant - rein für den langsamen Sinus aber überdimensioniert und eher zu schnell. Für mehr Strom wären z.B. der TCA0372 oder L272 interessant, aber die haben gerade mal eine abweichende Pinbelegung.
Hallo Thomas, danke für die Info über die Taster. Gruß Roland M
So jetzt hatte ich Zeit etwas weiter machen. Folgende Erkentnisse habe ich gesammelt, siehe Bilder Messung 1 KHz Der LM358 ist völlig unbrauchbar. Der TL072 ist steiler, aber "übersteuert" DER NE5532 ist etwas besser. Messung 20KHz NE5532 Bei 20KHz gib es irgendwelche "Treppen" Versorgungsspannungen, sehr sauber. +5V +-15V Habt Ihr zur Schaltung passende, weitere einfache Verbessurngsvorschläge ? Müsste ich mit einem OPA2134 auch mal testen.
lukas schrieb im Beitrag #3051185: > DAS SIND ÜBERSCHWINGER! Ja, so heisst es richtig, Abhilfe ? Außerdem wäre spannend zu Wissen, wie der Autor mit dem LM358 solche Signale rausbekommen hat ? Siehe Link ganz oben
Die Treppen, die man beim 20 kHz Sinus erahnen kann, lassen sich durch einen Tiefpass hinter dem AD Wandler reduzieren. Den Tiefpass findet man auch in richtigen DDS Generatoren als Rekonstruktionsfilter, oft als Filter höherer Ordnung. Die einfachste Form, die sich auch noch nachrüsten lässt, wäre ein Kondensator nach GND hinter die R2R Kette. Irgendwas von etwa 50-200 pF sollte passen, je nachdem wie schnell da Programm läuft. Für die Überschwinger gibt es verschiedene mögliche Ursachen. Eine wäre eine Kapazitive Last am Ausgang des OPs, z.B. durch ein Koax-Kabel zum Oszilloskop. Dagegen könnt ein Widerstand von etwa 50-100 Ohm zwischen OP-Ausgang und der Ausgangsbuchse helfen - ohne den Widerstand wird es schwer. Es könnte auch an eine nicht ausreichenden Entkopplung der Versorgungsspannung liegen, oder einem schlechten Layout mit relativ viel parasitärer Kapazität am invertierenden Eingang eines OPs. Der relativ langsame LT1112 ist nicht so empfindlich gegen Überschwinger wie ein schnellerer OP. Der langsame OP wirkt auch etwas als Filter, so dass die Treppenstufen nicht zu sehen sind. Die groben Übernahmenverzerrungen des LM358 hat der LT1112 offensichtlich auch nicht. Mit einem LM358 wird man die Signal wie ganz oben eher nicht hinbekommen - mit genügender asymmetrischer Last um die Übernahmenverzerrungen zu vermeiden kommt man dem aber schon relativ nahe.
Ich habe mir den auch mal ausgebaut, aber sobald ich auf den Starttaster drück erscheint kurz ON und dann wird die Anzeige auf dem Display refresht und es erscheint wieder OFF. Hatte schon einer das Problem gehabt? Ich habe mir den Quellcode nochmal selber compiliert mit angepasstem LCD Layout und ein 2x20 Display verwendet. Testweise hab ich mir den DDS Teil auch direkt starten lassen per Software, also direkt start wenn Betriebspannung ankommt, da arbeitet die DDS dann. Hat einer eine Idee? Sind besonderheiten beim compilieren zu beachten? Habe per hand die Flashadressen im AVR Studio 5 eingestellt. Verhalten ist bei orginal AVR Studio makefile und beiliegenes makefile gleich.
Paul schrieb: > ber sobald ich auf den Starttaster > drück erscheint kurz ON und dann wird die Anzeige auf dem Display > refresht und es erscheint wieder OFF. Hatte schon einer das Problem > gehabt? Hallo Paul, dieses Phänomen habe ich auch bei mir festegestellt. Wenn ich die Starttaste erneut oder paarmal betätige geht es dann. Da ich leider keine Möglichkeiten habe und mich mit C garnicht auskenne, wäre super gut wenn jemand die Sache anschauen könnte und die HEX Datei hier veröffentlichen würde.Ganz klar die beste Lösung wäre, wie angedacht, daß man die Funktion ON/OFF über die vorhandene Starttaste besser lösen könnte! Ich habe ein 16x2 Display dran.
So meine Freunde. Gleich vorweg...Bin ein Dackel...Vergessen... 2 x 100nF am NE5532 Pin8-GND ind PIN4-GND hat wesentliche Verbesserungen gebracht. Der Vorschlag vom Ulrich ein kleiner Kerko am Netzwerkausgang bring nichts ( Habe mit 27pF,56pF,82pF, 100pF ) nichts erkennbares. Ein Widerstand am Ausgang vom 100 Ohm mehr oder weniger senkt nur den Ausgangspegel.
Noch etwas, sehe ich grade. Im Plan und Aud dem Board hatte ich 100nF verbaut aber doch zu weit ? Hier nochmal der Plan und das Board.
Thomas der Bastler schrieb: > Hier nochmal Sinus mit 500KHz Einen sauberen Sinus mit 500 kHz kannst du nicht erwarten, wenn du völlig ohne Rekonstruktionsfilter zu Werke gehst. Mit so einem einfachen Entwurf kann man nur im NF-Bereich einigermaßen arbeiten. Eine DDS erzeugt prinzipbedingt Aliase auf verschiedenen Frequenzen (so genannte images), daher ist es wesentlich für ihre Funktion, dass man sich das richtige herauspickt. Zumeist ist das die niedrigste mögliche Frequenz (sodass man nur einen Tiefpass als Filter braucht), aber das ist keineswegs zwingend der einzige Anwendungsfall.
Hi >Die Abblock 100nF Kondis >KERKO NEHMEN Und auch noch recht suboptimal plaziert. Ist es so scher sich an die Designregeln zu halten: http://www.atmel.com/Images/doc2521.pdf MfG Spess
Ganz klar, dieses "Teilchen" wird für schnelle Test bis zu 20 KHz gebraucht. Ich habe noch einen 2. zu anfertigen, werde ich anstatt WIMA Kerko nehmen. zu 99% nehme ich immer Kerkos als Abblock, hier sind die WIMAs wegen Rasterung so reingerutscht.
Am 500 kHz Signal sieht man deutlich das fehlende Filter. Da sollte der Kondensator hinter dem R2R Filter schon etwas bringen, ggf. auch mehr als 100 pF. Die Frage ist dabei ggf. noch welche Massen, denn die Massefläche verdient den Namen nicht. Das ist immer noch kein vollwertiger Rekonstruktionsfilter, aber immerhin ein Anfang. Eine weitere Stellen für etwas Filter wäre ein Kondensator parallel zu R3 - mehr wird ohne Änderung der Platine schwer. Mit moderaten Änderungen könnte man aus dem 1. OP auch noch einen aktiven Tiefpass 2. Ordnung machen - damit wäre dann schon ein Filter 3. Ordnung drin.
Ulrich schrieb: > Am 500 kHz Signal sieht man deutlich das fehlende Filter. Der LM358 hätte das Filter für den NF-Bereich sicher gut ersetzt. ;-)
Interessant finde ich noch folgendes : Paul schrieb: > Ich habe mir den auch mal ausgebaut, aber sobald ich auf den Starttaster > drück erscheint kurz ON und dann wird die Anzeige auf dem Display > refresht und es erscheint wieder OFF. Hatte schon einer das Problem > gehabt? Dieses Effekt , nach dem ich die 100nF Kerkos eingesetzt habe, sah ich es nicht mehr.
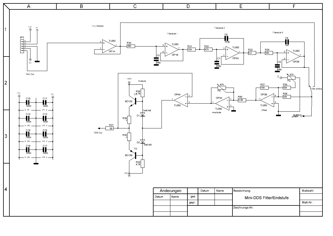
Ich habe hier mal eine Filterschalltung gefunden. Quelle : ELV DDS 20 Board Eure Meinung dazu würde mich mal interessieren.
Hi >Eure Meinung dazu würde mich mal interessieren. Wenn dein AVR mit 100...120 MHz läuft, passt das schon. MfG Spess
Hi
>Und nun ?
Ist es so schwer zu begreifen, das ein Filter, das für 50 MHz ausgelegt
ist, bei ca. 2 MHz recht sinnlos ist.
MfG Spess
Hallo Spess, daß Du Dich besser auskennst, ist offensichtlich. Kannst auch dann verraten, wie die Diemensionierung für meine Schaltung aussehen soll ?
Du benutzt eine Suchmaschine wie Gugel. Du tippst ein "sallen key low pass filter calculator". (Wenn du ajax zulässt, dann schlägt er dir passende Begriffe gleich vor.) Du suchst dir einen der Links aus, tippst beispielsweise 700 kHz als Grenzfrequenz ein, und lässt dir ein paar Werte berechnen. Ich hätte zum Beispiel den hier im Angebot.
Sowas kann ich auch mit Filter-Pro berechnen. Der Grenzfrequenz wäre dann mein 16MHz ....oder ?
Thomas der Bastler schrieb: > Sowas kann ich auch mit Filter-Pro berechnen. Dann tu's. > Der Grenzfrequenz wäre dann mein 16MHz ....oder ? Nein. Thomas, nichts gegen Bastler (wir haben alle so angefangen), aber zumindest einige rudimentäre Grundlagen dessen, was du tust, solltest du dir aneignen, denn sonst wirst du immer für alles jemanden fragen müssen. In diesem Falle ist die wesentliche Grundlage das Abtasttheorem. Je nach Gusto benannt nach Shannon, Nyquist, Whittaker oder Kotelnikow, denn diese Grundlage haben mehrere Leute parallel entdeckt. Dieses besagt (grob), dass deine Ausgangsfrequenz geringer als die halbe Abtastfrequenz sein muss. Die Abtastfrequenz ist aber nicht die Taktrate des AVR, sondern die Refreshrate, mit der der AVR die DDS abtastet. Da das Software ist, braucht sie dafür mehr als einen CPU-Takt. Wie viel genau, musst du dir mal an den Befehlen abzählen. Kommt hinzu, dass man real natürlich nie an die 50 % herankommt, weil sämtliche real existierenden Filter keine rechteckige Flanke zwischen Sperr- und Durchlassbereich haben. Selbst mit einem guten mehrpoligen Filter kommt man daher bestenfalls auf 40 % der Abtastfrequenz. Mit einem simplen zweipoligen Sallen-Key-Filter würde ich nicht über 25 ... 30 % der Abtastrate als Filtergrenzfrequenz gehen.
Hi
>Der Grenzfrequenz wäre dann mein 16MHz ....oder ?
Nein. Entscheidend ist die Frequenz, mit der die Werte für die
Kurvenwerte ausgegeben werden. Beim original Jesper DDS passiert das in
einer Schleife mit 9 Takten. Wären also 16MHz/9. Must halt mal in deiner
Software nachsehen ob das dort auch so ist.
MfG Spess
Rudi D. schrieb: > Kennt ihr das schon? > > http://www.elektronik-labor.de/AVR/DDSGenerator.htm Basiert doch auch auf Jesper Hansens Grundentwurf. spess53 schrieb: > Beim original Jesper DDS passiert das in > einer Schleife mit 9 Takten. Wären also 16MHz/9. Davon dann aber die besagten 30 % (als Filter-Grenzfrequenz). Lag ich mit meinen ins Blaue geratenen 700 kHz so sehr gar nicht daneben. ;-)
Viel schneller als die 9 Zyklen für eine DAC Wert schaft es der AVR halt nicht. Mit ein paar Tricks kommt man ggf. noch auf 8 oder 7 - dann ist aber auch Schluss. Bei einer Grenzfrequenz im Bereich 500-700 kHz kann man noch Induktivitäten nehmen (z.B. 100-200 µH), aber halt auch schon Operationsverstärker. Die passive Version ist einfacher im Aufbau, aber schwerer zu entwerfen.
Ich dachte die Grenzfrequenz wäre in meinem Fall 16/9 also 1,77 MHz Ich verwende den original, unveränderten Code bzw. HEX file. Zum Tiefpassberechnung nehme ich Filter Pro siehe File Sallen-Kelley 9. Order
Als OpAmp würde meinen Lieblingstyp NE5532 nehmen und ob der Filter zugeschaltet werden soll, diese kleine ein Taster Relais Schaltung verwenden
Thomas der Bastler schrieb: > Ich dachte die Grenzfrequenz wäre in meinem Fall 16/9 also 1,77 MHz Nein, gottverdammich, nun lies dir endlich nochmal durch, was ich weiter oben über das Abtasttheorem und die Wahl der Filtergrenz- frequenz geschrieben habe, statt "ich dachte". > Zum Tiefpassberechnung nehme ich Filter Pro siehe File > Sallen-Kelley 9. Order Fang' mal bitte mit kleinen Brötchen an. Ein Filter 2. oder 4. Ordnung tut's auch, und ist einfacher zu beherrschen. Theoretisch sieht ein Filter hoher Ordnung natürlich schön aus, aber praktisch bringt es erstens nur etwas, wenn du mit hinreichend eng tolerierten Bauteilen arbeiten kannst (bei 10 pF haben die Schaltungskapazitäten schon einen spürbaren Einfluss), außerdem ist es schwieriger, das Ganze stabil hinzubekommen (Schwingneigung). Theoretisch und in der Simulation sieht immer alles ganz prima aus. Bei einem Filter geringerer Ordnung muss man halt die Grenzfrequenz etwas weiter nach unten setzen, aber ein Rennauto wird so 'ne Simpel-DDS ohnehin nicht. Was ich mit der Binärdatei anfangen können soll, weiß ich nicht. Thomas der Bastler schrieb: > und ob der Filter > zugeschaltet werden soll, diese kleine ein Taster Relais Schaltung > verwenden Thomas, du hast es noch nicht verstanden: das Rekonstruktionsfilter gehört immer hinter eine DDS. Da muss man nicht entscheiden, ob man das zuschalten soll oder nicht.
Jörg nicht beissen...-) Jörg Wunsch schrieb: > Thomas, du hast es noch nicht verstanden: das Rekonstruktionsfilter > gehört immer hinter eine DDS. Da muss man nicht entscheiden, ob > man das zuschalten soll oder nicht. Was meinst hinter eine DDS ? vor dem Offset Opamp und Ausgangsverstärker ? oder vor dem ? Übrigens hast recht, was die Dämpfung anbelangt. Frage, was macht denn der Filter bei einem rechteck oder Sägezahn ? Die Signale "sehen" garnicht mal so übel aus ?
Thomas der Bastler schrieb: > Jörg nicht beissen...-) > > Jörg Wunsch schrieb: >> Thomas, du hast es noch nicht verstanden: das Rekonstruktionsfilter >> gehört immer hinter eine DDS. Da muss man nicht entscheiden, ob >> man das zuschalten soll oder nicht. > > Was meinst hinter eine DDS ? vor dem Offset Opamp und Ausgangsverstärker > ? oder vor dem ? Kannst du dir nicht die wesentlichen Grundlagen, die es in Form von vielen AppNotes bei Chipherstellern gibt über DDS aneignen, bevor du selbst versuchst so etwas zu machen? > Übrigens hast recht, was die Dämpfung anbelangt. ACHWAS!
Hi >Kannst du dir nicht die wesentlichen Grundlagen, die es in Form von >vielen AppNotes bei Chipherstellern gibt über DDS aneignen, bevor du >selbst versuchst so etwas zu machen? Möglichst wenig Ahnung von dem zu haben, was man macht ist doch bei Thomas Programm. Wozu gibt es denn das Forum? MfG Spess
Thomas der Bastler schrieb: > Frage, was macht denn der Filter bei einem rechteck oder Sägezahn ? Der Rechteck wird verschliffen, klar. Bei dem könnte man es sicher weglassen. Der Sägezahn aber würde genauso zur Treppe werden wie dein 500-kHz-Sinus.
Hi >Der Sägezahn aber würde genauso zur Treppe werden wie >dein 500-kHz-Sinus. Welcher 500kHz Sinus? Das Bild von Beitrag "Re: Frage zu AVR DDS Funktionsgenerator" stammt mit Sicherheit nicht von einen 500kHz Sinus. Zum einen sind zu viele Stufen vorhanden und der Oszi müsste eine Einstellung mit 0,66666... µs/RE haben. MfG Spess
@ Spess53 (Gast) >Möglichst wenig Ahnung von dem zu haben, was man macht ist doch bei >Thomas Programm. Wozu gibt es denn das Forum? Sachkenntnis kann jede lebhafte Diskussion nur behindern. ;-)
Spess53 schrieb: > stammt mit Sicherheit nicht von einen 500kHz Sinus. Zum einen sind zu > viele Stufen vorhanden Du hast Recht, das dürften um die 70 kHz sein.
Ein Sägezahn oder Dreieck wird so oder so nicht gut mit DDS. Für kleine Frequenzen geht es noch, aber so ab etwa 10 kHz nimmt die Qualität halt ab. Das beste Ergebnis würde da noch ein anderer Filter bringen (weniger Steil und mit definierter Laufzeit), aber es ist fraglich ob sich da der Aufwand lohnt. Für ein brauchbares Rechteck ist die beste Alternative ein Komparator hinter dem Filter - zumindest für die nicht so niedrige Frequenzen. Für niedrige Frequenzen (unter etwa 1 kHz) wäre noch eine Verbesserung durch eine modifizierte Wellenform oder noch besser einen zuschaltbaren Frequenzteiler Teiler (z.B. :256) möglich. Selbst ein Ausgang direkt vom AVR (PWM Ausgang) wäre immer noch besser als das Rechteck über den DAC. Auch bei der DDS Software gibt es noch etwas Verbesserungspotential durch eine längere Tabelle mit 1024 Einträgen. Dazu gabt es hier im Forum auch schon mal einen Thread.
Ich lese da etwas wiedersprüchliches oder ? Jörg Wunsch schrieb: > Thomas, du hast es noch nicht verstanden: das Rekonstruktionsfilter > gehört immer hinter eine DDS. Da muss man nicht entscheiden, ob > man das zuschalten soll oder nicht. Jörg Wunsch schrieb: > Der Rechteck wird verschliffen, klar. Bei dem könnte man es sicher > weglassen. Der Sägezahn aber würde genauso zur Treppe werden wie > dein 500-kHz-Sinus.
Ohne Filter hinter dem DA Wandler sehen die Flanken beim Rechtecksignal besser (Steiler) aus, aber das hilft nicht gegen den Jitter (Phasenrauschen). Ein sinnvolles Rechteck nach dem DDS Verfahren gibt es nur mit Filter und Komparator. Ein gutes Rechtecksignal bekommt man hinter dem DA Wandler nur, wenn die Frequenz genau ein Teiler der halben Abtastfrequenz ist, nur so können die H und L Phasen konstant sein. Für genau diese Frequenzen (und viele mehr) kann aber der µC einen Rechteck besser direkt über einen PWM Ausgang erzeugen, einfach als Frequenzteiler.
Jörg Wunsch schrieb: > "sallen key low pass filter calculator". Das hiesse für eine Weitbereichs-DDS, man braucht ein umschaltbares, bzw. mehrere Filter mit unterschiedlicher Dimensionierung? Gruss Harald
Harald Wilhelms schrieb: > Das hiesse für eine Weitbereichs-DDS, man braucht ein umschaltbares, > bzw. mehrere Filter mit unterschiedlicher Dimensionierung? Nein, das Filter wird immer (mit Sicherheitsabstand) auf die Nyquist-Bedingung dimensioniert. (Mal in der Annahme, dass man die Basisfrequenz rausfiltern möchte, man könnte ja auch ein Image stattdessen als Nutzfrequenz haben wollen, dann braucht man natürlich ein anderes Filter.)
Bitte melde dich an um einen Beitrag zu schreiben. Anmeldung ist kostenlos und dauert nur eine Minute.
Bestehender Account
Schon ein Account bei Google/GoogleMail? Keine Anmeldung erforderlich!
Mit Google-Account einloggen
Mit Google-Account einloggen
Noch kein Account? Hier anmelden.



























