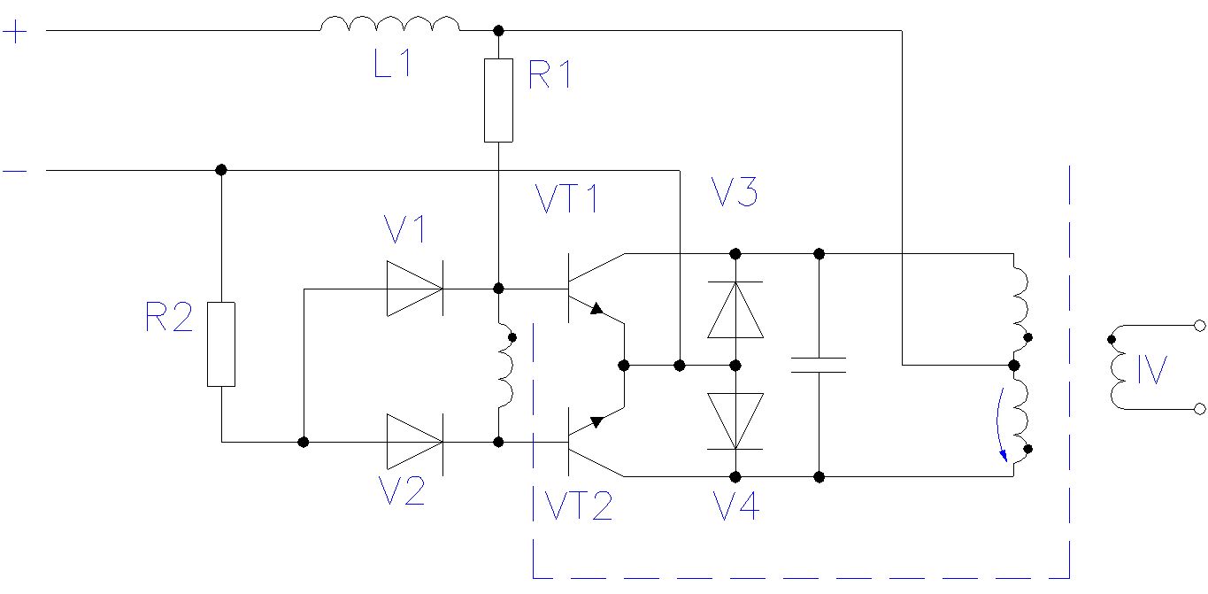
Hallo, ich muss mich neben vielen anderen Sachen auch mit einem elektronischen Vorschaltgerät herumschlagen das Probleme bereitet. Die Grundschaltung ist im Anhang zu sehen und stellt einen selbstschwingenden Gegentaktwandler dar oder Royer-Converter wie er auch manchmal genannt wird. Das Gerät ist für 24V ausgelegt, muss aber auch von 16,8V bis 30V noch funktionieren. Versorgt wird damit eine 55W Halogenlampe. Das heißt große Ströme bei kleiner Spannung. Also ca. 94V bei 30V Eingangsspannung am Schwingkreis. Das Gerät schaltet ja im Spannungsnulldurchgang, was meines Wissens nach denkbar ungünstig für Bipolar-Transistoren ist. Darum wollte ich auf MOSFETs umsteigen, zumal die Spannung nicht allzu groß ist. Hab schon nach verschiedenen Möglichkeiten gesucht dass zu realisieren. Ich könnte zum einen die Steuerwicklung nehmen und ein paar Windungen mehr drauf machen. Bilde ich damit nicht aber einen Schwingkreis mit der Gate-Kapazität? Des Weiteren bin ich bei meiner Suche im Internet, immer wieder auf die Seite von Herrn Rehrmann gestoßen. http://www.joretronik.de/Oszillatoren/Oszillatoren.html Auf der Seite habe ich mal versucht die Standardschaltung für den Royer-Oszillator mit MOSFETs zu simulieren und nachzubauen. Es funktioniert aber die Verluste in den Widerständen und den Ventilen sind nicht ohne. http://www.joretronik.de/Web_NT_Buch/Kap11_2/Kapitel11_2.html Die in Bild 11.2 dargestellte Schaltung sieht vielversprechender aus. Der Herr Rehrmann möge mir Verzeihen das ich einfach so seine Schaltungen verwende. Es geht mir einfach nur um das Verständnis an sich. :-) Bin selber noch nicht so lange auf diesem Gebiet aktiv. Eine Simulation brachte die in Bild 2 dargestellten Kurvenverläufe. Besonders während der Umschaltvorgänge kommt es zu erhöhten Verlusten. Im Mittel liegen diese zwischen 2-3W, was meiner Meinung nach viel zu hoch ist. Oder kann ich nicht mehr erwarten? Es ist auch ein Verzögerung im Spannungsverlauf über den MOSFET zu erkennen aber der Strom schaltet sauber. hab auch schon die Parameter der Kondensatoren und Widerstände geändert um ein Verständnis für die Schaltung zu erlangen. Nach welchen Kriterien muss ich diese auslegen? Gate-Ladung? Gate Threshold Voltage? Die Zenerdionde in der Simulation hat 6,2V. Wonach richtet sich das? Gibt es da detailierte Erklärungen für? Wie kann ich steilere Schaltflanken erreichen? Ich danke schon mal im Voraus.
@Rene V. (rene_v) >Gegentaktwandler dar oder Royer-Converter wie er auch manchmal genannt Siehe Royer Converter. R1 muss aber VOR L1 an ü angeschlossen werden. >Das Gerät schaltet ja im Spannungsnulldurchgang, Ja. >was meines Wissens nach >denkbar ungünstig für Bipolar-Transistoren ist. Nö. >Darum wollte ich auf >MOSFETs umsteigen, zumal die Spannung nicht allzu groß ist. Ja und? Was soll das am Ende im Wesentlichen bringen? Mann kann die Schaltung mit Bipolartransistor und MOSFETs gut aufbauen. >nach verschiedenen Möglichkeiten gesucht dass zu realisieren. Ich könnte >zum einen die Steuerwicklung nehmen und ein paar Windungen mehr drauf >machen. Wozu? Das macht man anders. Siehe Artikel Royer Converter. Beitrag "Re: RFID Spulen für Leistungsübertragung?" >Royer-Oszillator mit MOSFETs zu simulieren und nachzubauen. Es >funktioniert aber die Verluste in den Widerständen und den Ventilen sind Welche Ventile? Meinst du die Dioden? >während der Umschaltvorgänge kommt es zu erhöhten Verlusten. Im Mittel >liegen diese zwischen 2-3W, was meiner Meinung nach viel zu hoch ist. >Oder kann ich nicht mehr erwarten? Nicht super, aber OK. >Gibt es da detailierte Erklärungen für? Wie kann ich steilere >Schaltflanken erreichen? Nimm einen richtigen MOSFET-Treiber, damit ist das Thema erledigt. Die meisten Schaltungen sind halt ein Kompromiss aus Bauteilaufwand und Schaltgeschwindigkeit. Sie stammen aus Zeiten, wo es keine preiswerten MOSFET-Treiber gab.
Danke schon mal für die Antwort. Falk Brunner schrieb: > @Rene V. (rene_v) > >>Gegentaktwandler dar oder Royer-Converter wie er auch manchmal genannt > > Siehe Royer Converter. R1 muss aber VOR L1 an ü angeschlossen > werden. > >>Das Gerät schaltet ja im Spannungsnulldurchgang, > > Ja. > >>was meines Wissens nach >>denkbar ungünstig für Bipolar-Transistoren ist. > > Nö. Der Laststrom muss aber bei dem Wandler über den Kondensator kommutieren. Was bei Bipolartransistoren zu Verzögerungen führt bis dieser zu Null geht. Da sind MOSFETs meines Wissens nach schneller. Diese hätten wiederrum Probleme mit Spannungen. >>Darum wollte ich auf >>MOSFETs umsteigen, zumal die Spannung nicht allzu groß ist. > > Ja und? Was soll das am Ende im Wesentlichen bringen? Mann kann die > Schaltung mit Bipolartransistor und MOSFETs gut aufbauen. Kleineres UDS bedeutet einen kleinen RDSon. Hier würde denk ich mal 150V-200V als UDS ausreichen. >>nach verschiedenen Möglichkeiten gesucht dass zu realisieren. Ich könnte >>zum einen die Steuerwicklung nehmen und ein paar Windungen mehr drauf >>machen. > > Wozu? Das macht man anders. Siehe Artikel Royer Converter. > > Beitrag "Re: RFID Spulen für Leistungsübertragung?" > >>Royer-Oszillator mit MOSFETs zu simulieren und nachzubauen. Es >>funktioniert aber die Verluste in den Widerständen und den Ventilen sind > > Welche Ventile? Meinst du die Dioden? Ich meinte damit die MOSFETs. >>während der Umschaltvorgänge kommt es zu erhöhten Verlusten. Im Mittel >>liegen diese zwischen 2-3W, was meiner Meinung nach viel zu hoch ist. >>Oder kann ich nicht mehr erwarten? > > Nicht super, aber OK. > >>Gibt es da detailierte Erklärungen für? Wie kann ich steilere >>Schaltflanken erreichen? > > Nimm einen richtigen MOSFET-Treiber, damit ist das Thema erledigt. Die > meisten Schaltungen sind halt ein Kompromiss aus Bauteilaufwand und > Schaltgeschwindigkeit. Sie stammen aus Zeiten, wo es keine preiswerten > MOSFET-Treiber gab. Gibt es da bestimmt Treiber die für diese Topologie geeignet sind? Ich find meistens nur welche für Halb- oder Vollbrücken. Oder könnte ich Bipolartransistoren als Treiber nehmen?
@Rene V. (rene_v) >Gibt es da bestimmt Treiber die für diese Topologie geeignet sind? Jeder 0815 Typ ala ICL7667, siehe MOSFET-Übersicht.
Scheint wohl die sinnvollste Lösung zu sein. Wird sehen wie ich diesen dann am besten in die Schaltung einpflege. Vielen Dank für die Hilfe.
Bitte melde dich an um einen Beitrag zu schreiben. Anmeldung ist kostenlos und dauert nur eine Minute.
Bestehender Account
Schon ein Account bei Google/GoogleMail? Keine Anmeldung erforderlich!
Mit Google-Account einloggen
Mit Google-Account einloggen
Noch kein Account? Hier anmelden.

