Hallo Ich möchte mir einen LED-Cube in der größe 5x5x5 LEDs aufbauen Nur hab ich da ein Problem Ich habe bereits einen 3x3x3 LED-Cube aufgebaut, nur besteht das Problem, das sobald ich mehrere LEDs auf einem Strang ansteure diese dunkler sind, als wenn ich nur eine LED ansteuere. (Ich verwende direkt die Ausgänge eines ATMega16) Nun bin ich schon länger auf der Suche um dieses Problem zu lösen, habe bisher aber noch nichts finden können. Ich habe mir überlegt, bei der Ansteuerung der LEDs mit Hilfe von ULN2803A die Masse zu schalten und über Transistoren auf die 5 horizontalen Ebenen die Spannung anzulegen. Nur weis ich nicht wie ich das Problem mit dem Vorwiderstand für die LEDs lösen kann. Durch den Aufbau des LED-Cube ist es mir nicht möglich für jede einzelne LED einen Vorwiderstand einzubauen und wenn ich für jeden horizontalen Strang einen Vorwiderstand verwende habe ich wieder das Problem, das eine LED heller leuchtet, als wenn ich mehrere LEDs gleichzeitig schalte. Der Würfel soll im Multiplex betrieb angesteuert werden und ich verwende nur einfarbige LEDs. Danke für euer Hilfe
man braucht doch eine je spalte eine Vorwiderstand. Die Zeilen über einen Treiber ansteuern und gut ist. Es ist doch immer nur eine Zeile aktiv.
Du meinst also einen Vorwiderstand je Zeile. Da besteht das Problem dann aber weiterhin. Ich schalte ja bei den unterschiedlichen Figuren mal 5, mal 17 oder mal 25 LEDs pro Zeile.
Amerize schrieb: > Du meinst also einen Vorwiderstand je Zeile. D warum sollte ich dann Spalte schreiben? Zeiche noch einfach mal auf wie du es machen willst.
So hab ich mir das bisher überlegt. Nur weis ich nicht wo hin mit den Widerständen damit es funktioniert.
Amerize schrieb: > So hab ich mir das bisher überlegt. Nur weis ich nicht wo hin mit den > Widerständen damit es funktioniert. einfach zwischen IC4 (bzw. IC5) und den LEDs.
Ok. Dann funktioniert das auch das alle gleich hell leuchten egal wie Viele angeschaltet sind?
Zeig mal einen größeren Ausschnitt aus deinem Schaltplan. In deinem Plan ist nicht erkennbar, wie es nach den LED weitergeh, bzw. wie der Cube überhaupt elektrisch aussehen soll. In deinem Plan sind 8 LED pro Zeile, du sprichst aber von 5*5*5. Das passt nicht zusammen.
Amerize schrieb: > Ok. Dann funktioniert das auch das alle gleich hell leuchten egal wie > Viele angeschaltet sind? wenn man sich daran hält das nur eine Zeile geichzeitig aktiv ist - ja.
Peter II schrieb: > Amerize schrieb: >> Ok. Dann funktioniert das auch das alle gleich hell leuchten egal wie >> Viele angeschaltet sind? > > wenn man sich daran hält das nur eine Zeile geichzeitig aktiv ist - ja. Allerdings hat er dann das Problem, dass er in seinem Cube 25 Stück '5-er Zeilen' hat. Ein 1:25 Multiplex ist nicht mehr vernünftig machbar. -> Das ganze Konzept ist für die Tonne. In einem Cube ab einer gewissen Größe, müssen alle LED einer Ebene gleichzeitig und unabhängig voneinander leuchten können. Gemultiplext werden dann die Ebenen. LED cube
Wunderbar =). Vielen Dank für die schnelle Hilfe. Ich hatte sowieso vor das ganze im Multiplex Zeilenweise anzusteuern.
Karl Heinz Buchegger schrieb: > llerdings hat er dann das Problem, dass er in seinem Cube 25 '5-er > Zeilen' hat. Ein 1:25 Multiplex ist nicht mehr vernünftig machbar. er hat doch schon mindestens 16 Spalten, dann braucht er doch nur noch 8 Zeilen.
Peter II schrieb: > Karl Heinz Buchegger schrieb: >> llerdings hat er dann das Problem, dass er in seinem Cube 25 '5-er >> Zeilen' hat. Ein 1:25 Multiplex ist nicht mehr vernünftig machbar. > > er hat doch schon mindestens 16 Spalten > dann braucht er doch nur noch 8 > Zeilen. Um ehrlich zu sein, werd ich aus seinem Schaltplan nicht schlau. Hier im Thread spricht er von einem 5*5*5 Würfel. Man kann jetzt natürlich sowas wie 8 'virtuelle' Ebenen machen, in denen jeweils 16 LED sitzen, die physisch so aufgebaut sind, dass sich ein 5*5*5 Würfel ergibt. Aber ob er das so gemacht hat?
Amerize schrieb: > Wo müsste ich dann den Widerstand einfügen um die Ebenen zu Multiplexen? zeiche es doch mal auf, damit jemand versteht wie du das meinst.
Karl Heinz Buchegger schrieb: > Um ehrlich zu sein, werd ich aus seinem Schaltplan nicht schlau. Hier im > Thread spricht er von einem 5*5*5 Würfel. > Man kann jetzt natürlich sowas wie 8 'virtuelle' Ebenen machen, in denen > jeweils 16 LED sitzen, die real so ausgebaut sind, dass sich ein 5*5*5 > Würfel ergibt. Aber ob er das so gemacht hat? sie hätte ich den (Teil)Plan gelesen. Oder man macht halt 25x5 damit muss mal nicht so viel umdenken.
Peter II schrieb: > Karl Heinz Buchegger schrieb: >> Um ehrlich zu sein, werd ich aus seinem Schaltplan nicht schlau. Hier im >> Thread spricht er von einem 5*5*5 Würfel. >> Man kann jetzt natürlich sowas wie 8 'virtuelle' Ebenen machen, in denen >> jeweils 16 LED sitzen, die real so ausgebaut sind, dass sich ein 5*5*5 >> Würfel ergibt. Aber ob er das so gemacht hat? > > sie hätte ich den (Teil)Plan gelesen. Ist mir zu spät eingefallen. Aber alleine wenn ich an die Verdrahtungsprobleme denke, wird mir schlecht. Die LED 0/0 der einzelnen Ebenen sitzen dann physisch nicht mehr übereinander. Ich bezweifle ehrlich, dass man eine derartige Verdrahtung in dem CUbe-üblichen Drhatverhau realisieren kann. (Es sei denn ich hab irgendetwas wahnsinnig cleveres übersehen)
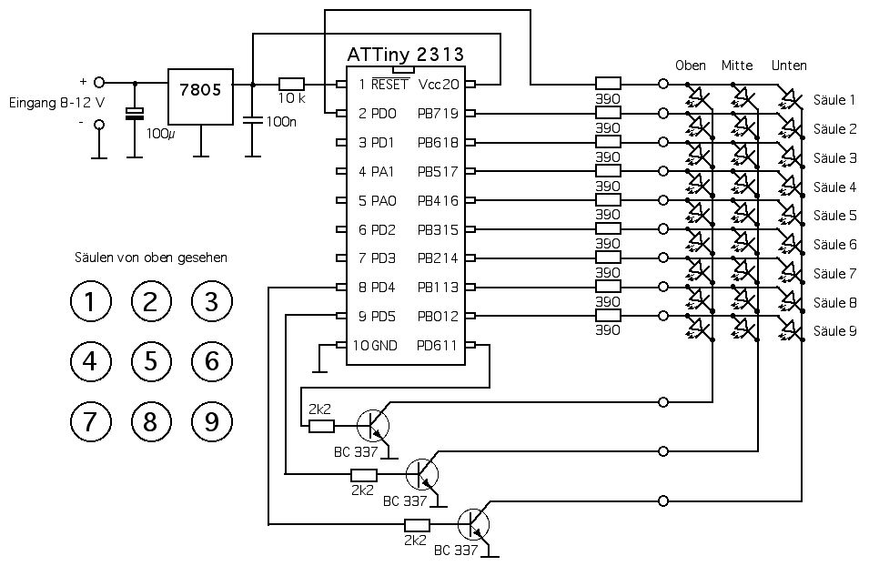
So sieht der Schaltplan bisher aus. Von rechts unten kommt die Spannungsversorgung. Mit den Transistoren Schalte ich die Spannung auf jede Ebene. Die 5 LEDs in hintereinander ergeben einen Strang.
Amerize schrieb: > So sieht der Schaltplan bisher aus. dann brauchst du 25 Widerstände. Wenn man spalten und Zeilen tauscht, bräuchte man nur 5 Widerstände aber dafür hat man mit 1/25 ein schlechter Multiplexing verhältniss. Damit werden die LEDs dann zu dunkel.
Amerize schrieb: > So sieht der Schaltplan bisher aus. Von rechts unten kommt die > Spannungsversorgung. Mit den Transistoren Schalte ich die Spannung auf > jede Ebene. Ja, so passt die logische Verschaltung. Jede LED-Leitung einer Ebene braucht einen Vorwiderstand. Also an die Ausgänge der ULN jeweils einen Vorwiderstand. > Die 5 LEDs in hintereinander ergeben einen Strang. Eher so, dass alle 25 im Schaltplan senkrecht angeordneten LED jeweils die LED einer Ebene darstellen. Von diesen können beliebig viele gleichzeitig leuchten. Aber immer nur jeweils eine dieser 5 Stück 25-er Kolonnen. Und daher reicht auch ein Widerstand zwischen diesen LED und dem jeweiligen ULN-Pin. Denn von den 5 waagrecht eingezeichneten LED leuchtet ja immer nur maximal eine.
>Denn von den 5 waagrecht eingezeichneten LED >leuchtet ja immer nur maximal eine. Genau so hatte ich es von Anfang an auch vor =). Ich hab mich anscheinend nur etwas falsch ausgedrückt. Jede der 5 Ebenen übereinander soll einzeln leuchten. Somit komm ich dann auf ein 1/5 Multiplex.
> Ich habe bereits einen 3x3x3 LED-Cube aufgebaut, nur besteht das > Problem, das sobald ich mehrere LEDs auf einem Strang ansteure diese > dunkler sind, als wenn ich nur eine LED ansteuere. Dann hast du wohl was falsch gemacht... > Nun bin ich schon länger auf der Suche um dieses Problem zu lösen, habe > bisher aber noch nichts finden können. ...beispielsweise den Strombedarf nicht richtig eingeschätzt. > So sieht der Schaltplan bisher aus Du hältst nicht viel von Vorwiderständen für die LEDs ? Die kann man sich tatsächlich sparen, wenn man als Spaltentreiber Konstantstromsenken wie CAT4016 (darisus.de) verwendet, nur braucht man dann 5 (MOSFET/PNP) Transistoren die die Zeilen nach +5V schalten. Es kann doch nicht so schwierig sein, die Grundlagen der Multiplexanzeigen nachzulesen. http://www.dse-faq.elektronik-kompendium.de/dse-faq.htm#F.8.1
MaWin schrieb: > Du hältst nicht viel von Vorwiderständen für die LEDs ? hättest du aufmerksam gelesen, müsstest du das das genau das die Frage war. Er wollte wissen wo man sie sinnvollerweise hinbaut.
Danke MaWin das man hier als "nicht alles Wissender" gleich seine Ladung abbekommt. Ich habe meinen ersten LED Cube nach folgendem Schaltplan aufgebaut. Und da bei dieser Beschaltung eben das Problem der Leuchtkraft besteht, wollte ich es dieses mal besser machen. Vielleicht hab ich mich auch in meinem ersten Posting nicht ganz perfekt ausgedrückt. Tschuldigung für die Missverständnisse.
Amerize schrieb: > Und > da bei dieser Beschaltung eben das Problem der Leuchtkraft besteht, > wollte ich es dieses mal besser machen. dann scheint es aber mehr ein Software fehler zu sein, die Schaltung stimmt.
Bitte melde dich an um einen Beitrag zu schreiben. Anmeldung ist kostenlos und dauert nur eine Minute.
Bestehender Account
Schon ein Account bei Google/GoogleMail? Keine Anmeldung erforderlich!
Mit Google-Account einloggen
Mit Google-Account einloggen
Noch kein Account? Hier anmelden.


