Also ich hab jetzt genügend Seiten über LM317 gesehen und es hilft mir alles nicht weiter. Was habe ich vor? Eine Stromquelle, 12V Akku der je nach Ladezustand zwischen 11,5 und 14V Ausgangsspannung hat, soll natürlich 12V Verbraucher versorgen. Das Problem dabei ist, dass wenn der Akku richtig voll ist und ich 14V drauf habe, es einige Verbraucher vielleicht nicht so doll mögen und im schlimmsten Fall in Rauch aufgehen. Nun hab ich mir gedacht man könnte ja einfach so ein LM317 davor schalten aber wieviel Spannung frisst mir das Ding mindestens? Irgendwo hab ich was von 1,5V gelesen. Ist also an der Batterie eine Spannung von 12,8V dann kämen mir hinter dem LM317 maximal 11,3V raus. Auch nicht optimal. Ein Spannungswandler der mit PWM arbeitet, nimmt glaube ich noch mehr Spannung also ist die Frage: Wie stabilisiere ich die Spannung mit möglichst geringem Spannungsverlust? Verbraucher nehmen bis max 500mA Strom. Welche Lösung hätte man also um eine Spannung von max. 14V auf 12V zu stabilisieren, also eine Differenz von maximal 2V auszugleichen? Gibt es evtl. solche Spannungsregulatoren die bis zu 500mA durchleiten bei einem minimalen Spannungsabfall im mV -Bereich (also ~ 0,5V) ? Oder sollte man sich da irgendwie mit einem Leistungs-Widerstand behelfen? Weiß da jemand ne Lösung? Oder einen Thread in dem genau DAS schon beantwortet wurde sorry wenn es das schon gibt, hab danach gesucht :/
> aber wieviel Spannung frisst mir das Ding mindestens? 2.5V > Welche Lösung hätte man also Es ist halt einfach eine saudämliche Kombination, einen 12V Akku zur Versorgung einer 12V Schaltung zu verwenden, denn man muss hoch- und runtertransformieren. Wenn man nur nach oben begrenzen will, kann ein very low drop Regler wie wie (je nach Maximalstrom) der LM2940-12 helfen (liefert auch bei 12.5V noch 12V, dadrunter regelt er nicht mehr was zu recht instabiler Versorgungsspannung führt). Also braucht man eigentlich einen Schaltregler der aus den 10-14V erst mal 16V macht, und dann den LM317 der aus den 16V immer 12V macht. Viel Aufwand, und das alles wegen einer blöden Entscheidung. Und wenn es im Auto ist, sind die 12V schon gar nicht 12V, sondern die Schaltung müsste mit +150 und -100 klarkommen.
MaWin schrieb: > Und wenn es im Auto ist, sind die 12V schon gar nicht 12V, sondern die > Schaltung müsste mit +150 und -100 klarkommen. Das lässt sich wegdrosseln und wegbegrenzen. Es gibt doch Schaltregler die auf und abwärts können. Kurt
Mahlzeit, Dazu sind Buck/Boost und Sepic Converter Ideal, damit sollte es recht einfach möglich sein. Von LT gibt es dazu einige ICs und Referenzimplementationen. Wenn du danach suchst solltest du auch hier im Forum dazu einiges finden. Gruß, Martin
Brauchst du eine Masse, die mit der des Fahrzeugs identisch ist, oder kann das ganze floaten? Dann ist ein einfacher Boost als Inverter geeignet, der büglet dir die 9 bis 15 V in -12 V.
Oder einen isloierten DC-DC Wandler mit z.B. 12 V -> 3,3 V und dessen Ausgang in Reihe zur Batterie, das dann stabilisieren und damit die Schaltung versorgen :D
Also wenn mir ein LM317 gleich 2,5V frisst, könnte ich gleich ein Spannungswandler mit PWM nutzen, hätte den gleichen Effekt. Dass es Schaltregler die Auf- und Abwärts können gibt, weiß ich auch. Aber der Punkt ist ganz einfach eine Schaltung die einen geringen Eigenverbrauch hat und mir Spannung nur im mV -Bereich frisst. Auf 15V hoch und dann wieder auf 12V runter regeln wäre wohl leicht übertrieben ich meine da wäre der Gesamtverlust vermutlich genauso groß wie wenn ich die Spannung mit nem Widerstand begrenzen würde... Der entscheidende Hinweis (worum ich eigentlich auch gefragt habe) ist der Hinweis zum LM2940 wobei ich mir das Datenblatt nochmal genauer anschauen müsste. 0,5V Dropout (maximal) ist doch genau das was ich mir vorgestellt hatte. Wenn dann theoretisch 12V am Eingang liegen, hätte ich immernoch 11,5V was doch völlig in Ordnung ist. Wichtig ist eben, dass er bei 13,5V 12V bringt aber auch bei 12,5V...
Also ich will nur nochmal sicher gehen weil hier gab es ja einige Vorschläge. Und das Plausibelste ist (wenn ich das alles richtig verstehe), einfach einen LM2940CT nutzen. Hab ich hier bei Conrad gefunden http://www.conrad.de/ce/de/product/174378/Low-Drop-Spannungsregler-positiv-Texas-Instruments-LM2940CT-Ausgangsspannung-12-V-Iout-1-A-Gehaeuseart-TO-220 Wenn ich das alles richtig verstehe, ist dieser IC auf 12V Ausgangsspannung vorkonfiguriert, ich muss da also nix mehr mit Poti rumregeln bis ich auf 12,0V komme, es hat eine geringe Spannungsaufnahme von nur 0,5V (oder je nach Gegebenheiten bis 1V) und ich könnte theoretisch 1A durchjagen (wo mir ja wie gesagt 0,5A reichen). Nun ist da nur noch die Frage ob es da irgendwelche Haken gibt weil das ist doch perfekt. Was ich an dem Datenblatt nicht verstehe ist: Auf Seite 6 bei Output Voltage 12V steht was von Typ 12,0 (das ist prima) aber daneben was von Vmin 11.64/11.40 und Vmax 12.36/12.60 Ist das sowas wie eine Toleranz? Oder können u.U. kurzzeitig bis 12,6V am Ausgang anliegen bis der IC die Sache herunter reguliert?
Nein, wird leider nicht gehen, da er nur höhere Spannungen runterregeln kann. Nimm doch einfach 1-2 Si-Dioden. Die fressen Dir dann je 0,7 V weg, also 12,6 statt 14 Volt. Wenn die Verbraucher damit nicht klarkommen... Effizienter wirds so und so nicht werden. Immerhin 90%.
Andreas schrieb: > es einige Verbraucher vielleicht nicht so doll mögen und im > schlimmsten Fall in Rauch aufgehen. An was für Verbraucher denkt Du denn? Meine Meinung: wenn ein 12V-Gerät keine 14V verträgt, dann ist das schlecht gemacht und ich würde sowas nicht verwenden ... Gruß Dietrich
@Gerald Ja sicher soll er "nur höhere Spannungen runter regeln". Das ist ja der Punkt. Wenn die Batterie vollgefressen ist und bis zu 14V liefert (eher selten ich denk da kommen maximal 13V), ist es gut wenn mir so ein Bauteil mit nur mindestens 0,5V Verlust auf 12V runter regelt. Was nun passiert wenn die Eingangsspannung bei 12V liegt? Dann habe ich eben 11,5V das ist doch auch kein Beinbruch. Und wenn am Eingang 11V liegen (dann ist die Batterie sowieso leer), kommen halt nur noch 10,5V an. Anders erwarte ich es nicht. Jedenfalls besser wie wenn mir gleich 3V flöten gehen dann hätte ich am Ausgang nur noch 9V, was ich mir auch gänzlich sparen kann... Oder sperrt das Teil etwa komplett wenn ne Spannung < 12V kommt? Also nochmal das Problem ist nur eine zu große Überspannung. Wenn die Spannung UNTER 12V am Verbraucher anliegt, ist es nicht schlimm. An die Idee mit den 2 Dioden an denen 0,7V abfallen hab ich auch gedacht aber dann hätte ich IMMER 1,4V weniger. Also nochmal, vielleicht hab ich da was nicht ganz richtig verstanden. Was passiert wenn die Eingangsspannung von der Batterie UNTER 12V liegt? Dann bringt mir doch das Teil einfach "das höchste was er bieten kann" also Ue - 0,5V richtig? Und @Dietrich L. Da hast Du natürlich 100% Recht, wenn ein Verbraucher für 12V ausgelegt ist, sollte es schon mindestens die 13V vertragen. Hier geht es aber um diese 12V -LED-Leuchten die bei zu viel Spannung anfangen zu flackern was erstens auf die Nerven geht und zweitens den Dioden nicht gerade gut tut...
Andreas schrieb: > Hier geht es aber um > diese 12V -LED-Leuchten die bei zu viel Spannung anfangen zu flackern > was erstens auf die Nerven geht und zweitens den Dioden nicht gerade gut > tut Dazu benötigst du keine konstante Spannung, sondern einen konstanten Strom. Einer dazu geeigneten Konstantstromquelle ist es dann völlig egal, ob da 10,8 oder 13,8 Volt am Eingang stehen.
Andreas schrieb: > Also nochmal, vielleicht hab ich da was nicht ganz richtig verstanden. > Was passiert wenn die Eingangsspannung von der Batterie UNTER 12V liegt? > Dann bringt mir doch das Teil einfach "das höchste was er bieten kann" > also > Ue - 0,5V > richtig? Eben nicht. Die meisten Spannungsregler funktionieren dann nicht mehr ordentlich, sprich die Ausgangsspannung wird undefiniert. Da du 12V LEDs versorgen musst, bau doch gleich einen passenden Stromregler dafür.
> Eben nicht. Die meisten Spannungsregler funktionieren dann > nicht mehr ordentlich, sprich die Ausgangsspannung wird undefiniert. Also kann ich bei 12V Eingangsspannung nicht davon ausgehen, dass ich 11,5V am Ausgang raus kriege sondern eine "Random- Spannung"??? Was die LEDs angeht so geht es eben um diese 1W -LED Leuchten. Ich nehme an die haben ansich schon eine Elektronik intern verbaut allerdings wissen wir ja, wenn bei einem normalen Trafo die Last nicht hoch genug ist, wird die Spannung für diese Leuchten zu groß und sie fangen an zu flackern. Der Strom hängt ja auch von der angelegten Spannung ab...
> Also kann ich bei 12V Eingangsspannung nicht davon ausgehen, > dass ich 11,5V am Ausgang raus kriege sondern eine "Random- > Spannung"??? Wenn es nicht zu teuer werden darf: Ja so ist es! Preiswerte Analog- oder Step-Down-Regler brauchen eine Eingangsspannung, die jederzeit (!) mindestens (je nach Typ) 0,5 bis 3 V höher ist, als ihre stabilisierte Ausgangsspannung. Entweder du (bzw. dein Verbraucher) kann mit stabilen 10..11 Volt leben, oder du kannst die Sache VERGESSEN.
Versuch macht klug :-) Jedenfalls vielen Dank für den Hinweis zum LM2940 der kostet ja auch nicht die Welt. Dann schließ ich das Teil einfach an und mess was bei 12,5V Eingangsspannung hinten raus kommt :-)
> Was passiert wenn die Eingangsspannung von der Batterie UNTER 12V liegt? > Dann bringt mir doch das Teil einfach "das höchste was er bieten kann" > also Ue - 0,5V richtig? Ja. Er regelt den Transistor voll auf und lässt Störungen vom Eingang ungefiltert an den Ausgang durch. Siehe Figure 21. im Datenblatt Low Voltage Behavior und Figure 27. > > Also kann ich bei 12V Eingangsspannung nicht davon ausgehen, > > dass ich 11,5V am Ausgang raus kriege sondern eine "Random- > > Spannung"??? > Wenn es nicht zu teuer werden darf: Ja so ist es! Quatsch mit Soße von jemandem der nicht mal das Datenblatt gelesen hat sondern vermutlich immer das Maul aufreisst auch wenn er gar nicht weiss um was es geht.
Stimmt da ist ja doch noch ein nützliches Diagramm :-) Hab da davor nur irgendwelche Temperatur- Geschichten gesehen. Also bis 30V kann man ihm geben und ab da macht er dann dicht. Macht aber auch keinen Sinn einen so großen Spannungsunterschied mit einem solchen Regler herunter zu regeln, da nimmt man dann besser PWM Technik. In diesem Fall geht es aber wie gesagt um eine Stabilisierung von bis zu 2V (maximal) somit kommt das Bauteil in Frage :-)
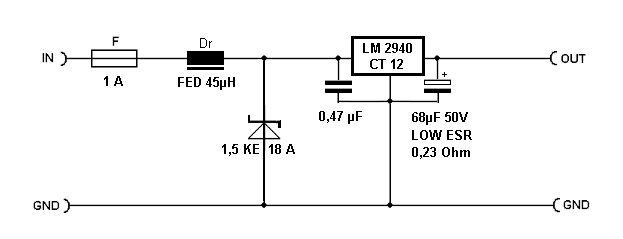
Hier mal meine Erkenntnisse zu dem Thema. Das KFZ Bordnetz spuckt schon einiges an Gemeinheiten bezüglich Spannungsspitzen aus. Die gilt es erstmal zu eliminieren. Dazu eignet sich die Schaltung KFZ-12V.gif. Die Bauteile sind bei Reichelt verfügbar. Wichtig ist auch der Ausgangskondensator, der einen definierten ESR haben muss, damit der LDO sauber arbeiten kann. Die Ausgangsspannung wird gemäß LM2940CT12.gif auf 12V begrenzt. Ein normal gesunder und geladener KFZ-Akku hat mind. 12,5V im Ruhezustand und wird daher am Ausgang der Schaltung stabile 12V bereitstellen. Und im Fahrbetrieb bei >14V sowieso. Lediglich beim Startvorgang geht die Akkuspannung während 1...3 sec runter auf etwa 8...10V und die Schaltung wird diese Spannung minus 0,2...0,5V ausgeben. Wenn das nicht akzeptabel ist, muss halt eine andere Schaltung herhalten (z.B. Buck-Boost, SEPIC etc)
Zu aller erst sollte man vielleicht mal feststellen ob die Geräte eine stabilisierte 12V Spannung überhaupt benötigen. Die meisten 12V-Geräte haben schon interne Spannungsstabilisatoren und kommen mit 10,8V bis 14,4V ohne die geringsten Probleme zurecht da der interne 9V-Trafo gleichgerichtet und gesiebt ja auch von 10V bis 15V liefert, je nach Last und aktueller Netzspannung. Grüße Löti
Knobikocher schrieb: > Oder einen isloierten DC-DC Wandler mit z.B. 12 V -> 3,3 V und dessen > Ausgang in Reihe zur Batterie, das dann stabilisieren und damit die > Schaltung versorgen :D Das ist ganz schön pfiffig finde ich. Nachteil ist wahrscheinlich der Preis.
Andreas schrieb: > Also kann ich bei 12V Eingangsspannung nicht davon ausgehen, dass ich > 11,5V am Ausgang raus kriege sondern eine "Random- Spannung"??? Vermutlich eher eine belastungsabhängige Spannung, da der Regler dann nicht mehr regelt. Wenn Du Pech hast, fängt er dann noch an, zu schwingen, was bei LDO-Reglern sowieso gern passiert. Gruss Harald
Komisch, als ich hier vor 3..4 Jahren die ersten Male reingeschnuppert habe, hat ein "MaWin" immer fundierte Beiträge geliefert. Der derzeitige Namensklauer liegt ja mindestens drei S-Stufen darunter. - Und das liegt nicht an den Ausbreitungsbedingungen!
Bernie schrieb: > als ich hier vor 3..4 Jahren die ersten Male reingeschnuppert habe, > hat ein "MaWin" immer fundierte Beiträge geliefert. > > Der derzeitige Namensklauer liegt ja mindestens drei S-Stufen > darunter. - Und das liegt nicht an den Ausbreitungsbedingungen! Nö. Er hat sich nur an das hier herrschende Nie-Wo angepaßt. XL
> Was die LEDs angeht so geht es eben um diese 1W -LED Leuchten. ... Wie wäre es einfach mal einen link zu posten zu der LED die du nutzen willst? Wenn LED nur mit Vorwiderstand, 1. Widerstand verkleinern für z.B. 5v + Schaltregler Oder 2. Widerstand weg und direkt an eine Stromquelle die als Schaltregler funktioniert und mit der Eingangsspannung klar kommt. Ansonnsten gibt es auch Schaltregler die bei unterschreiten die Spannung mit 0,3V abzug durchgeben. Gruß John
> Komisch, > als ich hier vor 3..4 Jahren die ersten Male reingeschnuppert habe, > hat ein "MaWin" immer fundierte Beiträge geliefert. Das tut er auch derzeit, schliesslich muss ja einer deinen sausämlichen Beitrag hier korrigieren, in dem du dem Andreas einen vom Pferd erzählst. Es ist Bernie, der offenbar noch nie fundierte Beiträge geliefert hat, und dann noch rumpöbelt, wenn sein Humbug korrigiert wird. Statt hier andere Forumsteilnehmer blöd anzumachen hättest du einfach mal ins Datenblatt gucken können, aber nein, lieber schreibst du Schwachsinn hoch drei. "Namensklauer", "drei S-Stufen" achso, Amateurfunker.
MaWin schrieb: > "Namensklauer" Nun, manchmal hatte ich schon den Eindruck, das ein anderer unter dem Kürzel MaWin gepostet hat. Gruss Harald
Harald Wilhelms schrieb: > Nun, manchmal hatte ich schon den Eindruck, das ein anderer unter > dem Kürzel MaWin gepostet hat. Manchmal kommt das in dem Kindergarten hier auch vor, aber viel öfter kommt es vor, daß Leute wie Bernie haarsträubenden Humbug posten, und sich dann darüber aufregen daß sie dafür nicht gelobt und bewundert werden, sondern auch hören müssen welchen Humbug sie verzapft haben, dann lassen die sich abfällig über den Überbringer der schlachten Botschaft aus mit an den Haaren herbeigezogenen Unterstellungen, statt ihre Energie in die Beseitigung ihres eigenen Defizits zu stecken.
Harald Wilhelms schrieb: > Nun, manchmal hatte ich schon den Eindruck, das ein anderer unter > dem Kürzel MaWin gepostet hat. Das lässt sich mit einer Anmeldung umgehen, dann bleiben nur noch Gästle oder MaWi, die darauf spekulieren dass die geringfügig andere Schreibweise nicht auffällt. Ein LDO, der bei zu geringer Eingangsspannung zufällige Spannungen generiert hätte oder gar geschwungen wäre ist mit bisher nicht untergekommen. Er begrenzt die Eingangsspannung, aber mehr passiert nicht. Lediglich die Regelung ist bei zu geringer Eingangsspannung nicht mehr die beste, aber für diese Anwendung immer noch gut genug.
Im Datenblatt von dem LM2940 heißt es man solle Kondensatoren einsetzen. Am Eingang einen verhältnismäßig kleineren und am Ausgang einen verhältnismäßig größeren. In dem Beispiel 0,47µF am Eingang und 22µF am Ausgang. Weiß jemand warum das so ist? Nur so aus Interesse. Ich denke mal der am Ausgang soll plötzliche Schwankungen abfangen bis es der Regler schafft zu regeln? Es heißt der Condi am Eingang sollte ab einer gewissen Leitungslänge (ab Quelle) angehängt werden. Ist der für Einflüsse / Induktionen der Leitung gedacht?
LDO-Regler sind überaus schwingungsfreudige Gebilde, die meisten jedenfalls. Da macht der LM2940 keine Ausnahme. Bei richtiger Beschaltung bekommt man den aber ruhig gestellt. Das fängt mit dem Eingangs-C an. Der ersetzt natürlich nicht den obligatorischen Glättungskondensator von 1000µF oder mehr, der nach Trafo und Brückengleichrichter zum Einsatz kommt. Bei geringer Entfernung hierzu kann auf den Eingangs-C verzichtet werden. Bei größerer Entfernung oder auch beim Einsatz in einem KFZ sollte der Eingangs-C von 0,47µF dicht am Regler gesetzt werden, um eine definierte Eingangs-Impedanz zur Verfügung zu stellen, damit der gar nicht auf die Idee kommt, zu schwingen. Viel wichtiger ist allerdings der Ausgangs-C. Der wird nämlich in die interne Regelung einbezogen. Die Kapazität ist hierbei fast nebensächlich; entscheidend ist hierbei der ESR-Wert. Wie man am Datenblatt des LM2940 Figure 29 sieht, muss dieser in einem relativ engen Korridor von 0,1....1 Ohm liegen. Statt nun nach einem 22µF mit dem passenden ESR Wert zu suchen, nimmt man besser einen größeren C, der den passenden Wert aufweist: http://www.reichelt.de/?;ARTICLE=84609; Der hier relevante ESR von 0,23 Ohm kann bei höherer Temperatur oder Exemplarstreuungen durchaus den doppelten Wert erreichen, liegt aber damit immer noch innerhalb des Korridors 0,1...1 Ohm
Hallo... Was ist mit einer 12V Zenerdiode? Wenn 416 mA reichen dann kannst Du eine 5W Z-Diode nehmen, wenn das nicht reicht dann die nächst größere z.B. 500W
> Was ist mit einer 12V Zenerdiode?
Sie ist vollkommen ungeeignet.
Sonst noch Fragen ?
Eine andere Möglichkeit ist ein geregelter 12V-DC-DC-Wandler (aufpassen, die meisten sind ungeregelt). Oder Du baust eine oder zwei Diodendrops ein, die bei passender / zu kleiner Spannung (mit Komparator feststellen) mit einem FET überbrückt werden.
Oder eine Konstantstromquelle, wie MaWin sie mir in meinem anderen Beitrag verlinkt hat? http://www.leds24.com/Konstantspannungsquelle-fuer-DC-12V-bis-3A-36Watt-Platine Danke noch mal, MaWin ;)
Ich hab schon den LM2940 genommen und "trocken" mit einer 16V -Stromquelle und einer kleinen Last getestet. Es bringt wie erwartet saubere 12,0V raus (gemessen 11,98 LOL) also passt es. Das mit der Konstantstromquelle hört sich nach genau dem an was ich bräuchte allerdings geht es hier hauptsächlich um möglichst geringe Verluste (darum auch der Low Drop von max 0,5V). Die Frage ist, was macht die Konstantstromquelle wenn am Eingang mal genau 12,0V sind? Liefert sie dann auch 12,0 am Ausgang oder krieg ich hier Verluste von 1 ~ 3V ?
Du mußt dich schon entscheiden, ob du Spannung ODER Strom regeln willst. Beides gleichzeitig geht wegen der Abhängigkeit lt. Ohmschen Gesetz nicht und macht auch keinen Sinn. Unbeschaltete LED regelt man am besten auf den vorgegebenen Strom, mittels KSQ, während man fertige Lampen mit fest vorgegebener Spannung nur mittels Spannungsregler regeln kann.
Beitrag #5256337 wurde von einem Moderator gelöscht.
Beitrag #5256351 wurde von einem Moderator gelöscht.
Beitrag #5256439 wurde von einem Moderator gelöscht.
Bitte melde dich an um einen Beitrag zu schreiben. Anmeldung ist kostenlos und dauert nur eine Minute.
Bestehender Account
Schon ein Account bei Google/GoogleMail? Keine Anmeldung erforderlich!
Mit Google-Account einloggen
Mit Google-Account einloggen
Noch kein Account? Hier anmelden.

