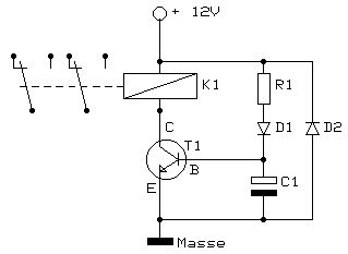
Moin, da mein Verstärker nur ein Chinch-Eingang hat, möchte ich das irgendwie ändern. Ein manueller Schalter zu bauen oder zu kaufen ist mir aber zu blöd, weil ich dann immer aufstehen müsste um die AUX-Quelle zu wechseln. Deshalb habe ich mir überlegt, dass dies auch relativ einfach automatisch möglich sein müsste. Als Quelle dienen die Kophörerausgänge von Geräten wie: MP3-Player, Laptop, Fernseher, Internet Radio, etc. Ich entschuldige mich schon mal für diesen ewig langen Beitrag, aber ich hoffe das ist mir das so gelungen ist, die Probleme vernünftig zu beschreiben. Ich habe im Internet nach vorhandenen Schaltplänen durchsucht, aber keine Schaltung ohne Mikrocontroller gefunden. Ich möchte das Projekt aber gerne ohne Microcontroller lösen. Es wäre auch denkbar, wenn’s nicht die doppelte Arbeit ist, zusätzlich die Möglichkeit zu ralisieren, die Quelle manuell zu wählen, z.B. über vier Taster. Aber dazu erst später unter (V). Prinzip : (siehe Schema ohne Taster v2.png): (I)Komparator: Die Audioquellen werden erkannt, durch den 1 Bit Digital-Analog-Wandler. Durch die zeite OP Stufe wird das Signal außerdem Verstärkt. (II)Logik: Das Signal setzt ein RS-Flipflop, der Ausgang des FF resetet alle anderen FF und schaltet den Audio-Schalter von Verstärker zum Chinch-Ausgang. Damit ist gewährleistet das immer nur ein Signal durch geschleift wird. (III)Verzögerung: Um sicher zu gehen, dass nicht (auch wenn nur kurzeitig) mehrere Chinch Eingänge auf Ausgang geschaltet sind. Wichtig hierbei ist, dass nicht das Ausschalten verzögert wird. (IV)Schalter: Es wird von der Audio Erkenn-und-Logik-Schaltung zu den Ausgang umgeschaltet, dadurch ist gewerleitet, dass während das Signal durch geschleift wird, "keinen" Einfluss auf das Audiosignal genommen wird. Das Schalten könnte über einen Analogen Schalter, eine (Reed-) Relais oder ein TTL Baustein geschehen. Nun zu den einzelnen Teilen und zu den Fragen: (I)Komparator: -Das das Audio Signal kann geglätet werden, es kann auch beliebig manipuliert werden, da es kein Einfluss auf den Ausgang hat. -Die "Signalschwelle" sollte z.B. durch ein Potentiometer einstellbar sein, um Sicher zugehen, das der Switch mit verschieden Quellen reagiert und nicht auf Ruheströme reagiert. -Hier findet in meiner bisherigen Schaltung die einzige Verstärkung statt, ich weiß nicht ob das reichen könnte oder ob noch Verstärker eingebaut werden müssen. -Es macht evtl. Sinn die Spezifikationen für Chinch-Ein- und Ausgänge einzuhalten um einen möglichst guten Klang zu erhalten. Spezifikationen habe ich in folgenden Beitrag gefunden, ich kann damit jedoch nicht viel anfangen. Quelle: http://www.hifi-forum.de/viewthread-108-4748.html -Im Moment aktuell ist z.B. die Norm ISO/IEC 61938. Da drin steht z.B. für Line-Out bei Consumer-Geräten folgendes: Quellimpedanz: <= 2k2 Nenn-Lastimpedanz: 22k Nenn-Ausgangsspannung effektiv: 0,5 V Maximale Ausgangsspannung effektiv: 2,0 V Und für Line-In bei Consumer-Geräten: Nenn-Quellimpedanz: 2k2 Eingangsimpedanz: >= 22k Nenn-Eingangsspannung effektiv: 0,5 V Minimale Eingangsspannung für Nenn-Ausgangsspannung: 0,2 V Übersteuerungsfreie maximale Eingangsspannung effektiv: >= 2,8 V (bei rein analogen Quellen nur 2,0 V) ->a: Sind die Spezifikationen vielleicht vernachlässigbar? -Ich habe verschiedene fertige Schaltungen zu diesem Thema im Netz gefunden, folgende fand ich am Interessantesten, sie scheint sich auch schon mehrfach bewährt zu haben. Sie nutzt allerdings einen OP als Komparator, dies scheint nicht ganz Optimal zu sein. Quelle: http://sound.westhost.com/project38.htm siehe: Schaltplan_Komparator_v1.png Im Text steht, dass direkt hinter dem OP eine Spannung von ~5,5V anliegt ("When the amplified signal exceeds the comparator threshold of about 0.5V below the 6V reference level (~5.5V)"). Der Transitor verstärkt dann weiterhin, im Datenblatt steht was von 400mW. Kann man diese Schaltung also dahingehend belasten? (They can be used in most applications requiring up to 400mA) http://www.mikrocontroller.net/part/2N7000 ->b: Kann man diese Schaltung als Grundlage nehmen? Was muss ich verändern? Als erstes schon mal den 20k Potentiometer an Stelle des Widerstandes R6 zum einstellen des Pegels. (II) Logik: -Zu beachten ist das der "undefinierte Zustand" (Set = 1, Reset = 1) nicht auftritt. Das zwei Audio-Quellen gleichzeitig in dem Moment eingeschaltet werden, bevor das eine das andere resetet hat, sollte eigentlich in der Praxis nicht auftauchen. Den der Zustand ist vermutlich kleiner als eine Sekunde lang, denke ich. Ich habe es gekonnt ignoriert. (III)Verzögerungsglied Um sicher zu gehen das erst resetet wird bevor Gesetzt wird, könnte man eine Zeitverzögerung einbauen. Diese darf jedoch nur das Einschalten verzögern und nicht das Ausschalten sonst bring das ja nichts. Ich würde das nach folgenden Schaltplan manchen: -Schaltplan 1 auf http://www.bayer-soft.de/elektro/verzoeg2/verzoeg2.htm -> siehe: verz_a.gif -Berechnet habe ich das wie nach folgendem Beispiel: Beitrag "Einschaltverzögerung verstehen und berechnen" U (V) 12 C1 (uF) 1000 D1 1N4001 D2 1N4148 T1 BC 547B Verstärkung min 200 BE-Strecke (Uc) 0,7 Zeit (s) 0,5 tau=-t/ln(1-Uc/U) 8,318924392 ->R1 (k) R=tau/C 8318,924392 ->c: Kann ist das so machen, ist das überhaupt nötig? (IV)Schalter: Folgende Kriterien habe ich gefunden: Klang, Einschalt Plop/Knack, Preis, Verschleiß Da ich besonders auf den Klang achten will und mir Vorgenohmen habe das Audio Signal, wenn möglich nicht zu beeinflussen, machen Relais wohl am meisten Sinn(*1). In verschieden Foren wurden in diesem Fall oder ähnlichen Fällen auf Gold-Kontakten(*2) plädiert, Reed-Relais hätten außerdem den Vorteil des geringeren Verschleißes. Aus diesem Grund würde ich Reed-Relais mit Goldkontakten als Optimum empfinden. Es wurden Teilweise welche von Coto(*3) empfohlen. Zu einem angemeßenden Preis habe ich nur die 7142-05-0101 gefunden (12€ für 4 mit jeweils 2 Wechsler). Meine höhst Grenze liegt bei etwa 40€. -> siehe: relais-7142-auszug-datasheet.png ->d:Kennt ihr dieses Reed-Relais, ist es geeignet? Könnt ihr bessere oder etwas besseres empfehlen? Ich weiß das viele meinen, das könnte man besser mit Analog Schaltern realisieren, aber ich halt das so für eine gute Lösung. ->e:Es würde schon nerven, wenn man beim Einschalten immer gleich ein Schreck vom Einschaltplop bekommt, aber der ist wohl mit guten Relais und hochwertigen Kontakten wie Gold stark minimiert. Oder kommt er bei meiner Schaltungsvariante gar nicht zustande, weil den Signalerkennungs-und Verarbeitungspfad der Wiederstand so hoch ist das der Gleichstromanteil so gering ist. In diesem Pfad könnte man auch beliebig ein Koppelkondensator oder ein Tiefpass einbauen, nur in den Pfad zwischen Eingang und Ausgang möchte ich das halt nicht. (V) Ich habe mir gedacht, dass es leicht möglich sein müsste, die Schaltung so Umzuwandeln, dass auch das Schalten über Taster möglich ist: Da habe ich mir folgendes überlegt: (siehe Schema mit Taster v2.png) Ich nutze den internen RS-FF des T-FF (bzw die RS-Pins) zur Realisierung der automatischen Logik (wie oben beschrieben), zusätzlich übernimmt der T-FF noch die Logik mit den Tastern. Ich weiß gar nicht ob man den RS-FF im Toogle-FF auch so nutzen kann, wie man es vom RS-FF kennt. Bei der Simulation mit dem DigitalSimulator (siehe JK Logik.dsim) scheint es nicht zu funktionieren. Zu beachten ist auch das die rausgeführten R u. S Pins als Eingänge wie auch als Ausgänge fungieren müssen. Ob das möglich ist: keine Ahnung. Außerdem dürfte die Komparator Schaltung den S-Pin nicht beeinflussen, reicht es nicht von der Ausgangwiederstand möglichst groß ist? Ein Mögliches Bauteil wäre das JK-FF MOS 4027, welches sich als T-FF beschalten lässt und RS Pins hat. http://www.reichelt.de/index.html?;ACTION=7;LA=3;OPEN=0;INDEX=0;FILENAME=A240%252FMOS4027_SMD4027%2523STM.pdf ->f:Wisst ihr ob das klappen könnte? ->g:Gibt es eine andere einfache Lösung? Es ist wie gesagt nur optional und nicht unbedingt nötig. Fragen habe ich mit -> und Buchstaben gekennzeichnet. ->h:Die wichtigste Fragen bleibt: Passen die Schaltungen und Bauteile auch zusammen: z.B. von Pegel und Leistung her? Ich hab das mal versucht zusammen zu fassen: ############ Pegel Tabelle ###################################### Vcc gibt an, welche Versorgungsspannung meines Erachtens nach Sinn ergibt. Für | Bezeichnung | Vcc |Leistung|Input High -----------|-------------|-------|--------|---------- Komparator LM1458 12 ~(5- RS-FF HCF4044B 5 200mW 3,5 Or-Gatter HCF4072B 5 200mW 3,5 Relais 7142-05-0101 5 ? 3,75 |Input Low| Output Hi|Output Low| Gatterlaufzeit | |---------|----------|----------|----------------| 30mV) ca 5,5 ? ? 1,5 5? 0? ? 1,5 5? 0? ? 0,4 - - ? Datenblatt http://www.reichelt.de/index.html?;ACTION=7;LA=3;OPEN=0;INDEX=0;FILENAME=A200%252FDS_LM_1458.pdf http://www.reichelt.de/index.html?;ACTION=7;LA=3;OPEN=0;INDEX=0;FILENAME=A240%252FMOS4043_MOS4044_SMD4043_SMD4044%2523STM.pdf http://www.reichelt.de/index.html?;ACTION=7;LA=3;OPEN=0;INDEX=0;FILENAME=A200%252FMOS4071-MOS4072-MOS4075_TEX.pdf http://www.cotorelay.com/datasheets/Coto%20Technology%207000%20Reed%20Relay.pdf Quelle: (1)Beitrag "Audiosignal schalten Relais oder 4066" (2)http://www.hifi-forum.de/viewthread-220-2593.html (3)http://www.hifi-forum.de/viewthread-71-4786.html Gruß Marten
Auf dem 2. Bild wird Q1 niemals leiten. Wegen D1. Ausserdem erzeugst du eine virtuelle masse mit 2 10k Widerständen (6V). Diese belastetst du mit 50k. Würde ich nicht machen. Entweder mit einem OP einen Impedanzwandler hinzufügen und den dann belasten, oder mittels Spannungsregler die 6V erzeugen. Ausserdem würde bei der Schaltung immer wenn das Audiosignal durch den 0 durchgang geht das Relais schalten. Wegen deiner Frage zu Chinch spezifikationen. Mit deinem Switch schlaufst du nur das Signal durch. Daher musst du da nichts machen. Diese Spezifikation ist nur für Geräte, die einen Chinch ein oder Ausgang haben. Das Umschalten ist ja nichts anderes als wenn du die Kabel umstecken würdest. Um diese Schaltung für dich zu gebrauchen musst du einfach den Ausgang von IC1B auf deine Logic führen. Der Rest dieser Schaltung sollte funktionieren. Zur Logic: Wenn 2 Quellen gleichzeitig angeschlossen sind solltest du eine Priorisieren oder keine sollte durchschalten. Die Logic dafür kannst du dir selber ausdenken.
Die Verzögerung im Bild wird dir auch das Ausschalten verzögern. In der Applikation wie im Bild wird das nicht der Fall sein, da die 12V weg sind, wenn du ausschaltest.
Wozu der Aufriss? Wenn von Deinen mehreren Audioquellen eh nur eine gleichzeitig aktiv sein darf, kannst Du auch alle Signale mischen und an den Verstärker geben. Davon abgesehen heißt es Cinch, mit nur einem 'h'.
Gusti schrieb: > Auf dem 2. Bild wird Q1 niemals leiten. Wegen D1. Stimmt für Q1 hab ein falsches Schaltzeichen gewählt. Weil ich den 2N7000 nicht gefunden habe, habe ich einfach irgendein genommen. Hab das aktuelle Schaltung diesem Beitrag hinzugefügt. > Wegen deiner Frage zu Chinch spezifikationen. Mit deinem Switch > schlaufst du nur das Signal durch. Daher musst du da nichts machen. > Diese Spezifikation ist nur für Geräte, die einen Chinch ein oder > Ausgang haben. Das Umschalten ist ja nichts anderes als wenn du die > Kabel umstecken würdest. Das ich die Cinch Spezifikation nicht ändern brauche ist gut. > Zur Logic: > Wenn 2 Quellen gleichzeitig angeschlossen sind solltest du eine > Priorisieren oder keine sollte durchschalten. Die Logic dafür kannst du > dir selber ausdenken. Stimmt die Eingänge zu Priorisieren wäre wohl die beste Lösung > Ausserdem erzeugst du eine virtuelle masse mit 2 10k Widerständen (6V). > Diese belastetst du mit 50k. Würde ich nicht machen. Entweder mit einem > OP einen Impedanzwandler hinzufügen und den dann belasten, oder mittels > Spannungsregler die 6V erzeugen. mhh ok. Da hab zu wenig Erfahrung um das Einschätzen zu können, was ich aber nicht ganz verstehe ist: > Ausserdem würde bei der Schaltung immer wenn das Audiosignal durch den 0 > durchgang geht das Relais schalten. Hier hört sich das wiederrum an, als würde das Prinzip gar nicht funktionieren. Denn, dass das Relais "immer wenn das Audiosignal durch den 0 Durchgang geht" schaltet will ich ja schon mal nicht. Er liegt das nur an den Sachen, die du oben erwähnt hast? > Um diese Schaltung für dich zu gebrauchen musst du einfach den Ausgang > von IC1B auf deine Logic führen. Der Rest dieser Schaltung sollte > funktionieren. Er hört sich das so an als wenn die Schaltung vom Ding her ganz ok ist. Du würdest also den Transistor weglassen? Ich wollte das Ursprünglich auch so machen, weil ich das den ~5,5V Pegel hätte, aber reicht die Leistung um die gesamte Schaltung zu "betreiben"? Rufus Τ. Firefly schrieb: > Wozu der Aufriss? Wenn von Deinen mehreren Audioquellen eh nur eine > gleichzeitig aktiv sein darf, kannst Du auch alle Signale mischen und > an den Verstärker geben. Der entscheidende Unterschied ist wohl, dass das Schalten mit Relais der "sauberere" Weg ist. Da die Quellen sich nicht gegenseitig Beeinflussen können. Den einzigen Praktischen Vorteil sehe ich darin, dass die Quellen sich nicht unerwünscht vermischen, wenn ich z.B. die Fernbedienung des aktiven Gerätes nicht finde, aber per Fernbedienung ein anderes Gerät einschalten will. Ist jetzt vielleicht kein gutes Bespiel :-). > Davon abgesehen heißt es Cinch, mit nur einem 'h'. Und ja Cinch natürlich ohne 'h' hinter dem ersten 'c'. Na ja, man kann wohl eh sehen das Rechtschreibung nicht meine Stärke ist, wobei das im Titel schon sehr peinlich ist, mal sehen ob ich das noch verbessern kann. Mir ist da noch was eingefallen: 1. Im Datasheet bzw. unter relais-7142-auszug-datasheet.png kann man das Schaltzeichen sehen. Das wird mit einer Spule gezeigt und Kondensatoren. Diese sollen, vermute ich, verdeutlichen, dass am Schalter eine Kapazität vorhanden ist. Aber warum sind einige Kapazitäten Variable? Welche nehme ich für mein Vorhaben. Ich hab so ein Schaltzeichen noch nie gesehen. 2. Mir ist noch eine Lösung zu (V) eingefallen: -Einfach jeweils ein Taster pro Quelle zum setzen des Flipflops nutzen und ein fünften Taster zum Reseten aller Flipflops. Ich finde aber, falls sie funktioniert, meine oben beschriebene Lösung (Schema mit Taster v2.png) eleganter und würde gerne wissen, ob diese funktionieren kann.
Marten Köhler schrieb: >> Ausserdem würde bei der Schaltung immer wenn das Audiosignal durch den 0 >> durchgang geht das Relais schalten. > Hier hört sich das wiederrum an, als würde das Prinzip gar nicht > funktionieren. Denn, dass das Relais "immer wenn das Audiosignal durch > den 0 Durchgang geht" schaltet will ich ja schon mal nicht. Er liegt das > nur an den Sachen, die du oben erwähnt hast? Grundsätzlich sollte das so laufen: 1) Audiosignal auf einige Volt verstärken. 2) Gleichrichten; entweder Einweg oder Greinacher. 3) Leicht sieben mit Ko. 4) Vergleichen mit einer Festspannung und einem Komparator. Ob Du jetzt einen OPV oder ein Komparator-IC nimmst, bleibt sich ziemlich egal, da Du sowohl verstärken als auch ver- gleichen willst. Dein IC ist nur für eine der beiden Funktionen ideal; für die andere nicht. Allerdings ist der elektronische Anspruch an die Schaltung gering, sodas beide Varianten funktionieren werden. Gruss Harald
Wenn du nur totkomprimierte Musik ohne Dynamik hörst, kann man das so bauen, aber normalerweise ist es schwer, Musik von gleichlautem Rauschen zu unterschieden, dazu müsste man das Spektrum ermitteln und typische Verläufe darin erkennen. > Schaltplan_Komparator_v1.png Dir ist inzwischen klar, daß dort so viele Fehler drin sind, daß es sich nicht lohnt. Wie wäre es mit fertig kaufen ? http://www.sonance.com/products/accessories/detail/20 Falls nur EINE der Quellen zu einer Zeit an ist, also keine Priorität nötig ist, könnte man auch einen einfachen Summenverstärker anschliessen. http://sound.westhost.com/articles/dwopa3.htm#sum Sind dann aus Versehen 2 an, tönen halt beide.
Falls nur EINE der Quellen zu einer Zeit an ist, also keine Priorität nötig ist, könnte man auch einen einfachen Summenverstärker anschliessen. http://sound.westhost.com/articles/dwopa3.htm#sum Sind dann aus Versehen 2 an, tönen halt beide. Hallo @MaWin, das mit dem Summenverstärker klingt sehr interessant. Genau das brauche ich in meinem Fall. Leider funktioniert der Link nicht mehr. Wie ist das ganze denn gedacht gewesen?
Bitte melde dich an um einen Beitrag zu schreiben. Anmeldung ist kostenlos und dauert nur eine Minute.
Bestehender Account
Schon ein Account bei Google/GoogleMail? Keine Anmeldung erforderlich!
Mit Google-Account einloggen
Mit Google-Account einloggen
Noch kein Account? Hier anmelden.





