Hallo liebe Mitglieder, ich möchte einen Limiter bauen, bei dem man die Grenzspannung variabel von 0V -> +-10V einstellen kann. Also wenn ich ein Sinussignal habe, soll er die peaks abschneiden, falls diese den Grenzwert überschreiten. Ich denke es ist nicht so schwer zu realisieren, aber irgendwie steht ich aufm Schlauch. Wäre für ein paar Ansätze oder Infovorschläge zum nachlesen sehr dankbar. VG Kotti
Wieviele Ampere muss dann dieser Limiter schlucken können? Welche Hz/kHz/MHz/GHz kann/soll das zu begrenzende Signal haben? Wie willst Du die Limite einstellen? Poti?
Hallo Peter, Amperzahl ist immer sehr niedrig, also im Milliamperbereich. Die Bandbreite sollte so im 1 MHZ Bereich liegen. Die Einstellung kann über einen Poti sein, darf aber auch anders erfolgen. DA bin ich relativ offen für;) VG
Dann müsste es mit gut OpAmps machbar sein! Muss es von 0V auf ±10V gehen, oder reicht ±1V .. ±10V
Ich habe z.B. gerade den OPA689 gefunden, nur leider passt der Spannungsberreich nicht... Mal eine Frage am Rande. Wo kann man sich am besten nach Bauteilen informieren, falls mal, wie in meinem Fall gerade, einfach irgendwelche Parameter vom Bauteil nicht passen? VG Kotti
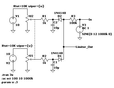
Passende OP bei Hersteller oder Distris suchen, oder hier im Forum fragen, ob jemand einen passenden hat. Ich habe Dir anbei einen Schaltungsentwurf, diese sollte mit jedem OP gehen, der z.B. mit ±12V..15V betrieben werden kann.
>Wäre für ein paar Ansätze oder Infovorschläge zum nachlesen sehr >dankbar. Widerstand und zwei Dioden, so, wie die übliche Schutzschaltung an ADC-Eingängen von µC.
>Ich habe Dir anbei einen Schaltungsentwurf, diese sollte mit jedem OP >gehen, der z.B. mit ±12V..15V betrieben werden kann. 100n-Caps vom Ausgang der OPamps nach Masse??
Also so richtig verstehen tue ich die Schaltung noch nicht. Welche Funktion ahben die einzelnen OPs in der Schaltung? OP1 sieht mir aus wie ein Strom-Spannungswandler... OP2 ist ein nichtinvertierender Verstärker.. und OP3 kann ich nicht identifizieren... Außerdem könntest du mir den Sinn des 5K Ohm Widerstandes erklären bitte?
>100n-Caps vom Ausgang der OPamps nach Masse??
Ist kein Problem, die OPs müssen ja bloss den DC-Level liefern. Das 
hochfrequente Clamping (z.B. >1MHz) läuft dann über die Cs.
  > Ich habe Dir anbei einen Schaltungsentwurf, diese sollte mit jedem OP > gehen, der z.B. mit ±12V..15V betrieben werden kann. 1MHz ? Nie, never. Die Frage wäre, wie scharf der Knick sein muss, wenn das Signal die Begrenzerspannung erreicht. Wenn da eine Diodenkennlinie möglich ist..
Mit dem Poti stellst Du die Clamping-Spannung ein (hier wäre 0..12V möglich, davon sollten auch ohne Rail-to-Rail OP noch 0..10V nutzbar sein) Das C am Poti dient der Filterung (z.B. Rippel auf der Speisespannung) ==> zB 5V Der erste OP puffert lediglich die eingestellte Spannung (Verstärkung 1), zur Optimierung könnte man ihn ev. weglassen, ich würde ihn aber beibehalten, der Spannungsteiler bleibt so schön linear weil er so unbelastet ist. Der zweite OP oben invertiert die Clamping-Spannung, bzw. generiert die negative Clamping-Spannung ==> zB -5V Der OP unten puffert nochmals die positive Clamping-Spannung, da die Spannung vom Poti bereits gepuffert wird, ist der eigentlich nicht wirklich nötig und könnte weggelassen werden. Die Cs am Ausgang helfen bei hohen Frequenzen, welche die OPs nicht mehr schlucken würden ==> so man kann günstige OPs vewenden! Die Dioden clampen das Signal, wenn es über oder unterhalb der eingestellten Clamping-Spannung liegt (Die Vorwärtsspannung der Diode: 0.3V oder 0.7V kommt noch hinzu). Hier sollte eine schnelle, niederohmige Schaltdiode, bzw Detektordiode verwendet werden. Der maximale Clamping-Strom wird durch den maximalen Ausgangsstrom der OPs limitiert.
>OP2 ist ein nichtinvertierender Verstärker..
falsch, OP2 invertiert, OP3 invertiert nicht
  >>Die Frage wäre, wie scharf der Knick sein muss, wenn das Signal die >>Begrenzerspannung erreicht. >>Wenn da eine Diodenkennlinie möglich ist.. >Wäre für ein paar Ansätze oder Infovorschläge zum nachlesen sehr >dankbar. Es ist bloss mal ein einfacher Ansatz, natürlich noch keine perfekte und idealisierte/optimierte Präzisionschaltung. Man weiss auch nicht, ob mehr erforderlich ist!
>Ist kein Problem, die OPs müssen ja bloss den DC-Level liefern.
Ach so. Das mußt du dem OPamp dann aber auch sagen: "Hör mal du, das ist 
hier jetzt nur DC-Betrieb, ja?"
Nein, du ruinierst völlig die "Phase Margin" des OPamp mit der 
kapazitiven Last. Dazu kommt noch der 10k in der Gegenkopplung, der mit 
der Eingangskapazität am "-" Eingang zusätzlich noch einmal die Phase 
dreht. Die Schaltung ist hochgradig instabil!
Kapazitäten direkt am Ausgang eines OPamps sind ein absolutes No-Go. Das 
funktioniert nur in ganz bestimmten Situationen, mit ganz bestimmten 
Caps (genügend ESR!) und mit ganz bestimmten zusätzlichen 
Kompensationsmaßnahmen.
  @Kai Klaas (klaas)
>Die Schaltung ist hochgradig instabil
Wenn Du die Schaltung mit dem durch die Schaltung vorgegebenem Gain (= 
1) zum osillieren bringst, spendiere ich dir eine 3 kühle Kisten 
Bölkstoff!
  >Wenn Du die Schaltung mit dem durch die Schaltung vorgegebenem Gain (= >1) zum osillieren bringst,... Schon 5pF Streukapazität am "-" Eingang reichen für eine Schwingung. In der Realität bringt der TL052 íntern schon rund 10...20pF mit.
Krangel schrieb: > warum nicht die OpAmps druch ein Stereopoti ersetzen? Weil ein Stereopoti genausowenig niederohmig ist, wie ein Monopoti.
Moin, solange nichts Genaues über die Quelle die gelimittet werden soll bekannt ist, kann man eh nur ins Blaue raten. Im Prinzip geht das mit einem Stereopoti schon zu manchen. Die Schaltung hat nur einen Schönheitsfehler, aber den werdet ihr mir gleich unter die Nase reiben. Irgendeiner schrieb: > Popcorn Hi Mods, solche Beiträge gehören sofort gelöscht. Grüße
@Kai Klaas (klaas) >Schon 5pF Streukapazität am "-" Eingang reichen für eine Schwingung. In >der Realität bringt der TL052 íntern schon rund 10...20pF mit. Diese Kapazität müsste im OP-Model des Simmulators bereits enthalten sein. Durch das Layout könnten aber durchwegs noch 0.5 .. 2pF hinzukommen. Aber offenbar ist man tatsäächlich an der Stabilitärtsgrenze, mit einem C von ca 10nF parallel zu R1 müsste aber die GBW der Schaltung auf einen unschädlichen Wert reduziert werden!
>solange nichts Genaues über die Quelle die gelimittet werden soll >bekannt ist, kann man eh nur ins Blaue raten. Genau. >Im Prinzip geht das mit einem Stereopoti schon zu manchen. Die Schaltung >hat nur einen Schönheitsfehler, aber den werdet ihr mir gleich unter die >Nase reiben. Ich würde es auch so machen. Die Spannungen an den Potischleifern könnte man ja noch mit OPamps puffern. Damit ließe sich auch bequem die negative Spannung aus einem Monopoti erzeugen. R1 und R2 könnte man etwas verkleinern. C1 und C2 würde ich deutlich vergrößern und R3 wohl deutlich verkleinern. Bei hohen Frequenzen könnte man für die Dioden wohl auch Kleinsignal-Schottkys mit niedrigen Sperrströmen wählen. Bei hohen Umgebungstemperaturen kann es aber eng werden. >Diese Kapazität müsste im OP-Model des Simmulators bereits enthalten >sein. Wenn das der Fall wäre, müßte sich mit einem R (so 100k...1M) in Reihe zum Eingang des OPamps mit dessen Streukapazität ein RC-Tiefpaßfilter bilden. Eine Simulation zeigt aber nicht den geringsten Abfall. -> Eingangskapazitäten sind nicht im Spice-Modell enthalten. >Aber offenbar ist man tatsäächlich an der Stabilitärtsgrenze, mit einem >C von ca 10nF parallel zu R1 müsste aber die GBW der Schaltung auf einen >unschädlichen Wert reduziert werden! Leider nicht, weil der 10nF-Cap mit den 10pF einen Spannungsteiler bildet, der bei hohen Frequenzen immer noch eine Verstärkung von Faktor 1 einstellt. Der 10nF Cap bewirkt nur, daß die Phase in der Gegenkopplung nicht mehr von 0-180° dreht, sondern nur noch bis 90°. Das unterbindet zwar die stationäre Schwingung, aber das Einschwingen zeigt immer noch ein unzumutbares "Ringing". Abhilfe schafft hier nur die übliche Kompensationsschaltung für kapazitive Lasten, also einen zusätzlichen kleinen Serienwiderstand am Ausgang des OPamp, der die kapazitive Last vom Ausgang entkoppelt und eine kleine "Phase Lead"-Kapazität direkt vom OPamp-Ausgang zum "-" Eingang des OPamp.
Krangel schrieb: > Irgendeiner schrieb: >> Popcorn > Hi Mods, solche Beiträge gehören sofort gelöscht. > Grüße Eher die unqualifizierten Antworten hier! Anbei die erst besten Antworten von google zum Thema limiter (Bildersuche): http://www.repeater-builder.com/projects/limiter.html http://www.dieelektronikerseite.de/Projects/Audio-Limiter.htm http://senderbau.egyptportal.ch/audiolimiter1.htm http://gyraf.dk/schematics/schematics.html >Wieviele Ampere muss dann dieser Limiter schlucken können? Schlucken? Aha... >Widerstand und zwei Dioden, so, wie die übliche Schutzschaltung an >ADC-Eingängen von µC. Das mit der Einstellbarkeit überlesen? Beitrag "Re: Limiter für +-1V -> +- 10V" Wo ist hier Vin? Einzig qualifizierte Antwort: >Die Frage wäre, wie scharf der Knick sein muss, wenn das Signal die >Begrenzerspannung erreicht.
Hi, ein wenig Trollfutter. Irgendeiner schrieb: > Antworten von google zum Thema limiter (Bildersuche): Die Links passen nur nicht zum Problem von Manuel Kottmeier. Grüße
>Anbei die erst besten Antworten von google zum Thema limiter: >http://www.repeater-builder.com/projects/limiter.html >http://www.dieelektronikerseite.de/Projects/Audio-... >http://senderbau.egyptportal.ch/audiolimiter1.htm >http://gyraf.dk/schematics/schematics.html Solange wir nichts von der genauen Anwendung des TE wissen, ist das reine Spekulation. Außerdem will der TE ja wohl bis 1MHz hinauf begrenzen. Da funktionieren deine Schaltungen längst nicht mehr. >>Widerstand und zwei Dioden, so, wie die übliche Schutzschaltung an >>ADC-Eingängen von µC. >Das mit der Einstellbarkeit überlesen? Natürlich gegen die einstellbare Begrenzerspannung. Also, ein bißchen mitdenken darf man schon.
Bitte melde dich an um einen Beitrag zu schreiben. Anmeldung ist kostenlos und dauert nur eine Minute.
  
  Bestehender Account
  
  
  
  Schon ein Account bei Google/GoogleMail? Keine Anmeldung erforderlich!
Mit Google-Account einloggen
Mit Google-Account einloggen
  Noch kein Account? Hier anmelden.






