Forum: Mikrocontroller und Digitale Elektronik Maximale Helligkeit von 7-Segment-Displays im PWM-Multiplex-Betrieb


von Christian W. (christian_w)


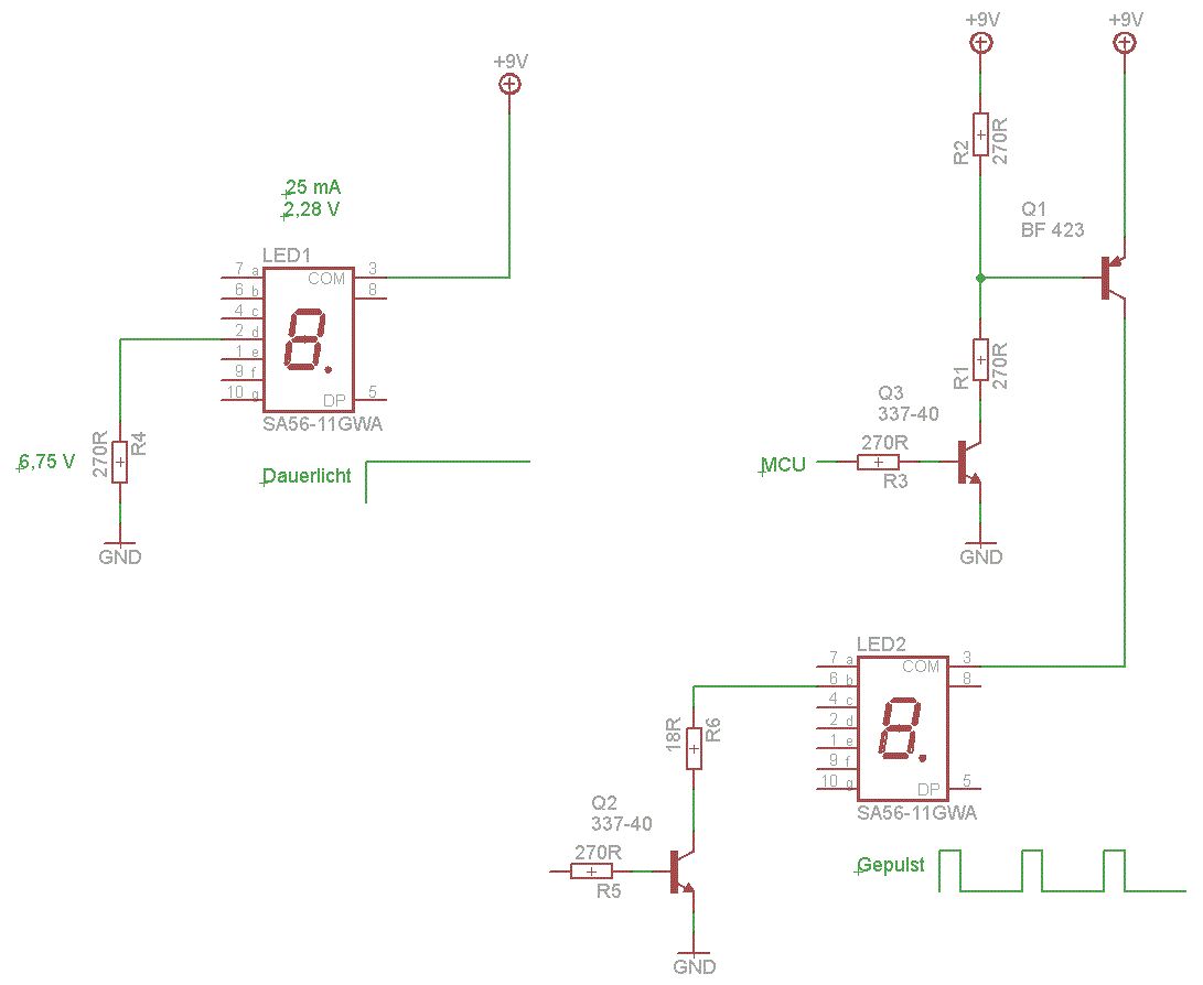
Angehängte Dateien:

Lesenswert?

Hallo zusammen,

ich hätte da gerne mal ein Problem, und zwar: Ich schaffe es nicht, ein 
durch PWM angesteuertes Segment einer 7-Segment-Anzeige heller leuchten 
zu lassen, als das entsprechende Pedant im Dauerbetrieb, das mit 25 mA 
betrieben wird. Es scheint so, als gäbe es aus mir unerfindlichen 
Gründen eine Obergrenze für den Lichtstrom, den Grund dieses Phänomens 
habe ich aber bisher nicht ausfindig machen können.

Es klappt zwar, mit PWM-Ansteuerung das gepulste Segment genauso hell 
leuchten zu lassen, wie das Segment im Dauerbetrieb, aber NOCH viel 
heller geht es nicht. Wäre aber von Vorteil, weil die Displays später 
mal hinter eine getönte Plexiglasplatte kommen, und dort schön hell 
leuchten sollen, wenngleich die Displays auch nur 1- oder 2 Jahre 
halten, das spielt dann keine Rolle. Wichtig ist maximale Helligkeit. Es 
werden später mal 6 Displays sein. Ich habe schon sämtliche 
LED-Vorwiderstände durchprobiert, mittlerweile bin ich bei 18 Ohm 
angekommen, aber an der Helligkeit ändert sich ab ca. 39 Ohm nix mehr.

Anbei mal Fotos vom Aufbau, vom Schaltplan und ein Screenshot vom LA.

Nun die Frage: Gehts NOCH heller? Wenn ja, wie? 18-Ohm-Vorwiderstände 
finde ich jetzt eh schon ziemlich übertrieben :-)

Hier noch der entsprechende Code für die PWM-Steuerung. Bitte nicht 
irritieren lassen, weil da verdächtig oft "PC1" und "PC4" auftaucht, das 
dient nur als Platzhalter und zur Simulation der Steuerzeiten.
1
/*
2
 * main.c
3
 *
4
 * Created: 20.08.2013 17:16:29
5
 * Author: Christian
6
 */ 
7
8
9
// Testaufbau Steckbrett Displaymultiplexing
10
11
12
#include <avr/io.h>
13
#define F_CPU 8000000UL
14
#include <util/delay.h>
15
16
17
// Displaywähler
18
void SELECT_DISPLAY(unsigned char nummer, unsigned char status)
19
{
20
  switch(nummer)
21
  {
22
    case 1:
23
      if(status==1) PORTC |= (1<<PC5);
24
      if(status==0) PORTC &=~(1<<PC5);
25
    break;
26
27
    case 2:
28
      if(status==1) PORTC |= (1<<PC4);
29
      if(status==0) PORTC &=~(1<<PC4);
30
    break;
31
32
    case 3:
33
      if(status==1) PORTC |= (1<<PC4);
34
      if(status==0) PORTC &=~(1<<PC4);
35
    break;
36
37
    case 4:
38
      if(status==1) PORTC |= (1<<PC4);
39
      if(status==0) PORTC &=~(1<<PC4);
40
    break;
41
42
    case 5:
43
      if(status==1) PORTC |= (1<<PC4);
44
      if(status==0) PORTC &=~(1<<PC4);
45
    break;
46
47
    case 6:
48
      if(status==1) PORTC |= (1<<PC4);
49
      if(status==0) PORTC &=~(1<<PC4);
50
    break;
51
  }
52
}
53
54
// Segmentwähler
55
void SELECT_SEGMENTS(unsigned char symbol)
56
{
57
  switch(symbol)
58
  {
59
    // Unterstrich
60
    case '_':
61
      PORTC |= (1<<PC0);
62
      PORTC &=~(1<<PC1);
63
      PORTC &=~(1<<PC1);
64
      PORTC &=~(1<<PC1);
65
      PORTC &=~(1<<PC1);
66
      PORTC &=~(1<<PC1);
67
      PORTC &=~(1<<PC1);
68
      PORTC &=~(1<<PC1);
69
    break;
70
  }
71
}
72
73
74
// Hauptprogramm
75
// -------------
76
int main(void)
77
{
78
  // Ausgänge
79
  // PC5 = Display 1
80
  // PC4 = Pseudo-Displays zum Testen
81
  // PC0 = Segment d
82
  // PC1 = Pseudo-Segmente zum Testen
83
  DDRC = (1<<PC5) | (1<<PC4) | (1<<PC1) | (1<<PC0);
84
  
85
  
86
  // Hauptschleife
87
    while(1)
88
    {
89
    // Displays durchzählen
90
    for(unsigned char n = 0; n < 6; n++)
91
    {
92
      // Segmente auswählen (Unterstrich)
93
      SELECT_SEGMENTS('_');
94
    
95
      // Display ein
96
      SELECT_DISPLAY(n, 1);
97
    
98
      // Pause  
99
      _delay_ms(1);
100
      
101
      // Display aus
102
      SELECT_DISPLAY(n, 0);
103
    }
104
    }
105
}


Grüße, Christian

PS: Das Bild vom Logic Analyzer ist ein früheres, mittlerweile sind's 
nicht mehr 100, sondern 168 Hz.

von Der (Gast)


Lesenswert?

Christian W. schrieb:
> im Dauerbetrieb, das mit 25 mA
> betrieben wird

Welchen maximalen Strom haben die LEDs den?
LEDs werden zwar über dem Maximalstrom noch etwas heller (eben zu Lasten 
der Lebensdauer) aber irgendwann ist Schluss. Dann kannst du den Strom 
erhöhen wie du willst, die Helligkeit bleibt.

Christian W. schrieb:
> Pedant

Hihi...

von m.n. (Gast)


Lesenswert?

Du muß den Controller mit 20MHz betreiben, dann werden sie deutlich 
heller :-)
Bei 25mA ist Schluß und Multiplexen bringt bestenfalls etwas, wenn im 
Mittel kleinere Ströme genommen werden. Du könntest LEDs mit noch 
höherem Wirkungsgrad suchen, aber besser wäre es wohl, das Plexiglas 
passend zur Wellenlänge der LEDs zu bekommen, um die Dämpfung zu 
verringern.
Vor 20-30 Jahren gab es soetwas noch.

von Thomas D. (thomasderbastler)


Lesenswert?

Der schrieb:
> Dann kannst du den Strom
> erhöhen wie du willst, die Helligkeit bleibt.

dann wirds dann dunkel..

von Erich (Gast)


Lesenswert?

Bei Mux mit 1:6 fliesst eben der Strom nur 1/6 der Zeit, und da kann die 
Helligkeit natürlich niemals mehr sein als statisch angesteuert.
Komisch in deinem Schaltbild ist der HF-Transistor, der sowieso nur auf 
50mA spezifiziert ist.
Für "helle" Anzeige solltest du auf ein Schieberegister pro 7-Segment 
und statischer Ansteuerung umstellen.
Mit 74HC595 + Transistoren oder TPIC6C595.
Gruss

von Peter II (Gast)


Lesenswert?

Du hast eine Puls/Pause verhältniss von 1/8. Wenn du also die gleiche 
Helligkeit willst wie bei 25mA, dann musst du durch die LED mindestens 
200mA fließen lassen. Vermutlich sogar mehr als 300mA weil der 
Wirkungsgrad viel schlechter wird.

Das wird also nichts.

von Falk B. (falk)


Lesenswert?

@ Christian W. (christian_w)

>ich hätte da gerne mal ein Problem, und zwar: Ich schaffe es nicht, ein
>durch PWM angesteuertes Segment einer 7-Segment-Anzeige heller leuchten
>zu lassen, als das entsprechende Pedant im Dauerbetrieb, das mit 25 mA
>betrieben wird.

Wer hat dir das erzählt? Das geht nicht.

> Es scheint so, als gäbe es aus mir unerfindlichen
>Gründen eine Obergrenze für den Lichtstrom, den Grund dieses Phänomens
>habe ich aber bisher nicht ausfindig machen können.

Die überaus nichtlineare LED-Kennlinie. Da knickt nämlich der Lichtstrom 
ab einem bestimmten Strom wieder ab, d.h. doppelter Strom ergibt WENIGER 
als doppelte Lichtmenge.

Alles in allem wurde mehrfach theoretisch wie praktisch nachgewiesen, 
dass eine LED mit Gleichstrom die maximale Helligkeit bringt. 
Multiplexen macht es tendentiell schlechter, wenn gleich es ausreicht.

von Christian W. (christian_w)


Lesenswert?

Der schrieb:
> Welchen maximalen Strom haben die LEDs den?
140 mA

> Christian W. schrieb:
>> Pedant
>
> Hihi...
Da fehlt noch ein "n" :-)

Erich schrieb:
> Komisch in deinem Schaltbild ist der HF-Transistor, der sowieso nur auf
> 50mA spezifiziert ist.
Welcher? Der BF? Die Transistoren und die Widerstände hab ich schon ein 
paarmal durchgetauscht, auch mit anderen Typen bleibt die Helligkeit, 
wie sie ist...

> Für "helle" Anzeige solltest du auf ein Schieberegister pro 7-Segment
> und statischer Ansteuerung umstellen.
Ok, werd ich mal testen.

Falk Brunner schrieb:
> @ Christian W. (christian_w)
>
>>ich hätte da gerne mal ein Problem, und zwar: Ich schaffe es nicht, ein
>>durch PWM angesteuertes Segment einer 7-Segment-Anzeige heller leuchten
>>zu lassen, als das entsprechende Pedant im Dauerbetrieb, das mit 25 mA
>>betrieben wird.
>
> Wer hat dir das erzählt? Das geht nicht.
Hab ich schon auf ein paar Internetseiten aufgeschnappt, dass die 
Kfz-Hersteller ihre Rückleuchten im Puls-Betrieb ansteuern, um so eine 
größere Helligkeit der LED zu erreichen. Ist das dann Nonsens?


Christian

von Falk B. (falk)


Lesenswert?

@ Christian W. (christian_w)

>Kfz-Hersteller ihre Rückleuchten im Puls-Betrieb ansteuern, um so eine
>größere Helligkeit der LED zu erreichen. Ist das dann Nonsens?

Ja.

Nicht immer alles glauben was im Internet steht (ähhhh, rekursiv 
betrachtet . . . ;-)

von Peter II (Gast)


Lesenswert?

Falk Brunner schrieb:
>>Kfz-Hersteller ihre Rückleuchten im Puls-Betrieb ansteuern, um so eine
>>größere Helligkeit der LED zu erreichen. Ist das dann Nonsens?
>
> Ja.

jein, die Helligkeit ist für einen kurzen moment wirklich höher. Du 
durchschnittliche Helligkeit ist kleiner.

Wie bei einen Blitz, eine 60W Lampe ist auch heller als ein Blitz dabei 
kann man Zeitung lesen bei einen Blitz schafft man es nicht.

von Christian W. (christian_w)


Lesenswert?

Falk Brunner schrieb:
> @ Christian W. (christian_w)
>
>>Kfz-Hersteller ihre Rückleuchten im Puls-Betrieb ansteuern, um so eine
>>größere Helligkeit der LED zu erreichen. Ist das dann Nonsens?
>
> Ja.
>
> Nicht immer alles glauben was im Internet steht (ähhhh, rekursiv
> betrachtet . . . ;-)

ok, dann werd' ich mich mal den Versuchen mit dem TPIC6C595 widmen ;)

Laut Display-Datenblatt gehen 25 mA im Dauerbetrieb, und 140 mA gepulst 
bei 1/10.

Kann man da grob abschätzen, wieviel Strom man durchjagen kann, dass die 
Segmente ein paar Monate halten? Gehen 30 oder 35 mA?

Peter II schrieb:
> jein, die Helligkeit ist für einen kurzen moment wirklich höher. Du
> durchschnittliche Helligkeit ist kleiner.
Was bringt das dann? Nix. :-)

Christian

von Falk B. (falk)


Lesenswert?

@ Christian W. (christian_w)

>Kann man da grob abschätzen, wieviel Strom man durchjagen kann, dass die
>Segmente ein paar Monate halten? Gehen 30 oder 35 mA?

Was soll denn das? Wenn deine Anzeigen WIRKLICH nicht hell genug sind, 
kauf andere. Ultrahelle LEDs sind erfunden, die muss man nicht 
überfahren.

von MaWin (Gast)


Lesenswert?

370mA liegt deutlich über dem Peak-Strom der LEDs.
Richtig, sie werden dann nicht mehr heller, egal wie weit du den Strom 
noch erhöhst, sie gehen nur irgendwann kaputt (und vorher leiden sie).
Daher gibt es eine Maximalgrenze für die Multiplexanzahl, meist 1:10 
(bei 10mA MNennstrom für die Segmente).

Die Aussagen der im Datenblatt gennnaten Werte sin eindeuticg:
DC Forward Current 25 mA
Peak Forward Current [1] 140 mA
Das Diagrtamm LUNIMOUS INTENSITY VS.  FORWADR CURRENT hört bei 20mA auf, 
als Beispiel wie eine LED in die Begrenzun geht mal:
http://katalog.we-online.de/led/datasheet/150141M173100.pdf
Hier sieht man, wie grün sicherlich nicht immer heller wird, sondern 
einer maximalen Helligkeit zusteuert.

von m.n. (Gast)


Lesenswert?

Die statische Ansteuerung von roten LEDs mit 74HC4094-Registern hatte 
ich schon mal gezeigt.
Beitrag "7-Segm.-LED-Anzeige, 6-stellig, statische Ansteuerung mit (74HC)4094"

Dabei ist die Helligkeit so groß, dass sie für taghelle Umgebung völlig 
ausreichend ist und eher abgedimmt als erhöht werden muß.

Welches Plexiglas verwendest Du denn bislang?

von Christian W. (christian_w)


Lesenswert?

> Was soll denn das? Wenn deine Anzeigen WIRKLICH nicht hell genug sind,
> kauf andere. Ultrahelle LEDs sind erfunden, die muss man nicht
> überfahren.

Weiß ich auch nicht was das soll. Hab mich irgendwie in dem Gedanken 
festgefahren ;)

Wäre halt genial, wenn es die grünen Displays (Diese hier: 
http://www.reichelt.de/Siebensegment-Anzeigen/SA-56-11-GN/3//index.html?ACTION=3&GROUPID=3002&ARTICLE=54117&SHOW=1&START=0&OFFSET=500&; 
) auch in einer "superbright"-Ausführung geben würde. Es müssen ja nicht 
die gleichen sein, Hauptsache die Größe passt ungefähr. Hab aber noch 
keine gefunden. Superrote gibt es, die hab ich schon. Nur noch keine 
Super-Grünen.

m.n. schrieb:
> Welches Plexiglas verwendest Du denn bislang?

Ich hab's noch nicht da. Aber es ist dieses: 
http://www.ebay.de/itm/251195532768

Christian

von c-hater (Gast)


Lesenswert?

Falk Brunner schrieb:

> Alles in allem wurde mehrfach theoretisch wie praktisch nachgewiesen,
> dass eine LED mit Gleichstrom die maximale Helligkeit bringt.

Nein. Das ist nur so, wenn man im DC-Betrieb an's Limit geht und beim 
Muxen den Strom entsprechend des Duty Ratio erhöht.

Ist der Vergleichswert aber z.B. die DC-Helligkeit bei halbem Nennstrom 
und man erhöht auch diesen Strom proprtional zum Duty-Ratio, dann ergibt 
sich definitiv eine höhere mittlere Helligkeit oder alternativ eine 
unterproportionale Stromerhöhung für gleiche Helligkeit. Letztlich also 
mehr Licht und/oder mehr Lebensdauer für's gleiche Energiegeld.

Was glaubst denn du, warum die Autobauer ihre LED-Signallichter alle 
Pulsen? Weil da nur Idioten entwickeln, die im Vergleich zu dir sowas 
von überhaupt keine Ahnung haben?

Oder vielleicht möglicherweise doch, weil es physikalisch einen Sinn 
ergibt?

von Falk B. (falk)


Lesenswert?

@ c-hater (Gast)

>> Alles in allem wurde mehrfach theoretisch wie praktisch nachgewiesen,
>> dass eine LED mit Gleichstrom die maximale Helligkeit bringt.

>Nein. Das ist nur so, wenn man im DC-Betrieb an's Limit geht und beim
>Muxen den Strom entsprechend des Duty Ratio erhöht.

Sicher.

>Ist der Vergleichswert aber z.B. die DC-Helligkeit bei halbem Nennstrom
>und man erhöht auch diesen Strom proprtional zum Duty-Ratio, dann ergibt
>sich definitiv eine höhere mittlere Helligkeit

Na das rechne mal vor ;-)

> oder alternativ eine
> unterproportionale Stromerhöhung für gleiche Helligkeit.

Klingt fast nach freier Energie.

>Letztlich also
>mehr Licht und/oder mehr Lebensdauer für's gleiche Energiegeld.

Aha, der Wikrungsgrad steigt also mit sinkendem Durchschnittsstrom. 
Interessante Theorie.

>Was glaubst denn du, warum die Autobauer ihre LED-Signallichter alle
>Pulsen? Weil da nur Idioten entwickeln, die im Vergleich zu dir sowas
>von überhaupt keine Ahnung haben?

U.a. weil dort Geiz geil ist. Nicht mal die Premiumhersteller kriegen es 
gebacken, flimmerfei LED-Rückleuchten zu bauen, die auch bei 
Seitwärtsbewegungen NICHT flimmern oder Lichtpunktketten erzeugen.

>Oder vielleicht möglicherweise doch, weil es physikalisch einen Sinn
>ergibt?

Nicht labern, VORRECHNEN! Und mit Kennlinien realer LEDs belegen!

von MaWin (Gast)


Lesenswert?

> Ist der Vergleichswert aber z.B. die DC-Helligkeit bei halbem Nennstrom
> und man erhöht auch diesen Strom proprtional zum Duty-Ratio, dann ergibt
> sich definitiv eine höhere mittlere Helligkeit

Das ist vollkommener Schwachsinn
der nur zeigt, daß du das in deinem Leben noch nie messtechnisch 
ausprobiert hast.

Selbst wenn man sich noch im linearen Bereich der LED befindet,
also bei doppeltem Strom wirklich die doppelte Helligkeit, nur
eben die Hälfte der zeit, entsteht (was für das Auge gleich
hell erscheint), sind die Verluste im Bahnwiderstand der LED
vier mal so hoch P=I*U=I*I*R bei nur doppelter Helligkeit,
man hat also immer zwangsweise einen niedrigeren Wirkungsgrad.

von Wilhelm F. (Gast)


Lesenswert?

Irgendwo hab ich hier auch noch was zu Multiplexung liegen, ein 
Taschenbuch zu LED-Anwendungen, muß mal nach sehen.

Wenn auch die LEDs im Multiplexbetrieb nicht eine höhere gemessene 
Lichtausbeute machen, aber das menschliche Auge macht mehr empfundene 
Helligkeit daraus.

Das hat mit der Elektronik und Bauteilen und Ansteuerung weniger zu tun.

von m.n. (Gast)


Lesenswert?

Wilhelm F. schrieb:
> Irgendwo hab ich hier auch noch was zu Multiplexung liegen, ein
> Taschenbuch zu LED-Anwendungen, muß mal nach sehen.

Ich hab hier noch alte HP-Datenblätter für diverse LEDs mit Kennlinien, 
die zeigen, dass mit zunehmenden Strom <50mA der Wirkungsgrad zunimmt. 
Demzufolge steigt die Helligkeit durch Multiplexen.
Wenn oben behauptet wird, dass irgendwann die Helligkeit wieder abnimmt, 
stimmt das natürlich für Ströme >10A.

von John (Gast)


Lesenswert?

Hallo Christian,
bei Reichelt gibt es diese 7-Segment-Anzeigen ohne LEDs:
http://www.reichelt.de/Siebensegment-Anzeigen/MEN-2274-1003/3//index.html?ACTION=3&GROUPID=3002&ARTICLE=135535&SHOW=1&START=0&OFFSET=500&;

Diese könntest Du z. B. mit diesen LEDs betreiben:
http://www.reichelt.de/SMD-LED-0603-0805-1206/LED-0603-180-GN/3//index.html?ACTION=3&GROUPID=3035&ARTICLE=97029&SHOW=1&START=0&OFFSET=500&;

Die Frage ist nur wie viel von den 180mcd der LEDs noch außen ankommen 
(durch den transparenten Lichtleiter). Die von Dir verlinkten 
7-Segment-Anzeigen sind mit 3-10,5mcd angegeben.

Gruß
John

von Christian W. (christian_w)


Lesenswert?

John schrieb:
> Hallo Christian,
> bei Reichelt gibt es diese 7-Segment-Anzeigen ohne LEDs:
> 
http://www.reichelt.de/Siebensegment-Anzeigen/MEN-2274-1003/3//index.html?ACTION=3&GROUPID=3002&ARTICLE=135535&SHOW=1&START=0&OFFSET=500&;
>
> Diese könntest Du z. B. mit diesen LEDs betreiben:
> 
http://www.reichelt.de/SMD-LED-0603-0805-1206/LED-0603-180-GN/3//index.html?ACTION=3&GROUPID=3035&ARTICLE=97029&SHOW=1&START=0&OFFSET=500&;

Geniale Sache. Wusste ich bisher nicht, dass es sowas gibt.

Aber ich und SMD, das ist so wie ein Steinmetz im Feinmechanikerlabor 
:-D

Evtl. passen ja auch THT-LEDs rein. (die mit 1 mm)

Christian

von MaWin (Gast)


Lesenswert?

> Wenn auch die LEDs im Multiplexbetrieb nicht eine höhere gemessene
> Lichtausbeute machen, aber das menschliche Auge macht mehr empfundene
> Helligkeit daraus.

Was für ein hirnrissiger Unsinn.

> Ich hab hier noch alte HP-Datenblätter für diverse LEDs mit Kennlinien,
> die zeigen, dass mit zunehmenden Strom <50mA der Wirkungsgrad zunimmt.
> Demzufolge steigt die Helligkeit durch Multiplexen.
> Wenn oben behauptet wird, dass irgendwann die Helligkeit wieder abnimmt,
> stimmt das natürlich für Ströme >10A.

Die relative nimmt schon für Strom über 50mA ab, sie das von mir 
gepostete Datenblatt, die absolute gegenüber der Helligkeit bei 20mA 
sicher bei 10A.

von Wilhelm F. (Gast)


Lesenswert?

m.n. schrieb:

> Wenn oben behauptet wird, dass irgendwann die Helligkeit wieder abnimmt,
> stimmt das natürlich für Ströme >10A.

Ja, da ändert sich allmählich das Lichtspektrum, in Richtung hellblaue 
Blitze. ;-)

von Christian W. (christian_w)


Lesenswert?

Ich hab noch was gefunden. So wie es aussieht, habe ich ausgerechnet die 
schwächsten 7-Segment-Anzeigen verbaut, mit einer maximalen Helligkeit 
von 10,5 mcd.

Bin grad bei ELV auf diese hier gestoßen: 
http://www.elv.de/lucky-light-7-segment-anzeige-kw1-561awb-y-weiss-14-2-mm.html
Laut Datenblatt haben die 30 mcd bei 20 mA. Wäre interessant zu wissen, 
was von dieser Intensität noch übrig bleibt, wenn man diese Anzeigen 
hinter ein grünes Farbfilter steckt.

Christian

von Wilhelm F. (Gast)


Lesenswert?

Christian W. schrieb:

> wenn man diese Anzeigen
> hinter ein grünes Farbfilter steckt

Auch wenn ein Farbfilter Licht dämpft: Es verbessert aber die 
Sichtbarkeit insgesamt.

von Axel S. (a-za-z0-9)


Lesenswert?

John schrieb:
> Hallo Christian,
> bei Reichelt gibt es diese 7-Segment-Anzeigen ohne LEDs:
> 
http://www.reichelt.de/Siebensegment-Anzeigen/MEN-2274-1003/3//index.html?ACTION=3&GROUPID=3002&ARTICLE=135535&SHOW=1&START=0&OFFSET=500&;

Oh f*ck. Ich zitiere mal:

"Die zum Patent angemeldete 7-Segmentanzeige von MENTOR ...
- Innovative 7-Segmentanzeige"

Die "Innovation" besteht jetzt also darin, dem Kunden nur noch den 
Lichtschacht des Diplays zu verkaufen und ihn die LED-Chips, die sonst 
auf einer Trägerplatine im Bauelement sitzen, selber dazu bauen zu 
lassen. Und das zu einem Preis, daß einem die Tränen kommen. Was mag so 
ein Spritzgußteil kosten? 1 ct? Aber gut, das Patentamt muß sicher gut 
geschmiert werden damit sie das Patent erteilen.


XL

von MaWin (Gast)


Lesenswert?

> Die "Innovation" besteht jetzt also darin

Nein, die Innovation besteht darin, daß du bei Mentor diese Plastikhülen 
in jeder Höhe von 5 bis 25mm bestellen kannst, und deren Spritzgussform 
darauf eingestellt werden kann.

Absägen geht ja nicht, die hat ja auf der Unterseite solche Stifte die 
in Löcher der Platine sollen, die wären dann ja weg.

von Christian W. (christian_w)


Lesenswert?

MaWin schrieb:
> Nein, die Innovation besteht darin, daß du bei Mentor diese Plastikhülen
> in jeder Höhe von 5 bis 25mm bestellen kannst, und deren Spritzgussform
> darauf eingestellt werden kann.

Sicher? Da kommen mir Zweifel...

Ich kenne mich ein kleines bisschen mit Spritzgussformen aus, hab auch 
schon einige Formen und Maschinen aus der Nähe gesehen, und "einstellen" 
in dem Sinn kann man da nichts, bei dem Druck der da in der Metallform 
innen herrscht (bis zu 2000 bar). Die Form muss absolut dicht sein und 
wird mit hohem Druck zusammengepresst, bevor der heiße Kunststoff 
reingespritzt wird. Für verstellbare Elemente ist dieses System nicht 
geeignet, da sonst alles rausquillt.

Im Datenblatt heißt es: "Die 7-Segmentanzeige ist standardmäßig in den 
Höhen 9,7 mm und 12,5 mm sowie den drei Zifferngrößen 7,62 mm, 10,16 mm 
und 14,2 mm verfügbar".

Das heißt, es gibt höchstwahrscheinlich nur eine einzige Spritzgussform 
(die alleine einige 1000 Euro kosten kann), mit unterschiedlichen 
Bauteilgrößen. Wer eine geringere Höhe als 9,7 mm braucht, muss sich die 
Bauteile absägen ;-)

Mehr als 6 unterschiedliche Varianten gibt es also nicht von Mentor.

Das ist zumindest mal meine Meinung. Kann ja sein, dass es mittlerweile 
andere Spritzgussformen gibt, die verstellbar sind. Aber bei einem 
derartig hohen Druck glaube ich das nicht.

Achja, zurück zum Thema, bevor ich's vergesse: Hab mir von ELV die 
weißen 7-Segment-Anzeigen bestellt, und werde die mal mit einem grünen 
Filter testen, und berichten.

Christian

von MaWin (Gast)


Lesenswert?

> Das ist zumindest mal meine Meinung.

Du könntest halt einfach die Produktseite bei Mentor lesen.
Das ist dir wohl zu viel Aufwand, lieber schwurbelst du.

von Christian W. (christian_w)


Lesenswert?

MaWin schrieb:
> Du könntest halt einfach die Produktseite bei Mentor lesen.
Nein.

> Das ist dir wohl zu viel Aufwand
Ja.

Hier geht's um die Helligkeit von meiner grünen 7-Segment-Anzeige.

Christian

von John (Gast)


Angehängte Dateien:

Lesenswert?

Christian W. schrieb:
> Im Datenblatt heißt es: "Die 7-Segmentanzeige ist standardmäßig in den
> Höhen 9,7 mm und 12,5 mm sowie den drei Zifferngrößen 7,62 mm, 10,16 mm
> und 14,2 mm verfügbar".

von John (Gast)


Lesenswert?

Gibt es eigentlich superhelle weiße Anzeigen, vor die Du eine grüne 
Filterscheibe anbringen kannst?

von Christian W. (christian_w)


Lesenswert?

Geht's jetzt in diesem Thread um Spritzgussformen oder um Helligkeit von 
grünen 7-Segment-Anzeigen?

Ich bin mir gerade nicht sicher...



John schrieb:
> Gibt es eigentlich superhelle weiße Anzeigen, vor die Du eine grüne
> Filterscheibe anbringen kannst?

Gibt es bei ELV, ja.

Hab aber noch was anderes gefunden, und zwar die "SA 52 11CGKWA".
Sind laut Datenblatt 4-mal so hell wie die, die ich zuhause habe.

Gibt's aber nur bei Farnell und die liefern nicht an privat :-(

Christian

von John (Gast)


Lesenswert?


von Christian W. (christian_w)


Lesenswert?

John schrieb:
> http://www.hbe-shop.de/katalog/

Kenn ich :-) Sind nicht im Shop. Außer, ich hab sie übersehen.
Hab mal per Mail ne Anfrage gestellt.

von Dietrich L. (dietrichl)


Lesenswert?


von Christian W. (christian_w)


Lesenswert?

Dietrich L. schrieb:
> ... und was ist das?:

Tja, DAS ist der Artikel der vorher noch nicht da war, aber eben jetzt 
grade in den Shop eingepflegt wurde, weil ich per Mail vorhin angefragt 
hatte.

Hier der Mailverkehr:

"Sehr geehrter Herr W,

Ihren angefragten Artikel habe ich jetzt in unserem Shop eingepflegt. 
Geben Sie am einfachsten die Farnellartikelnummer, in diesem Fall 
2314235 rechts oben in das Suchfeld ein. Der Artikel wird erst nach 
Ablauf von etwa 2 Stunden nach Erhalt dieser Mail im Shop zu finden 
sein, weil sich die Datenbank noch indexieren muss.
Mit freundlichen Grüßen

M..."

Sachen gibts... **grins***

Christian

von Dietrich L. (dietrichl)


Lesenswert?

Christian W. schrieb:
> Sachen gibts... **grins***

... und ich dachte schon, ist der Christian doof ... **2x grins***

von Christian W. (christian_w)


Lesenswert?

Ein bisschen mehr Respekt bitte!!!

Wär das möglich?

Christian

von Wilhelm F. (Gast)


Lesenswert?

John schrieb:

> Gibt es eigentlich superhelle weiße Anzeigen, vor die Du eine grüne
> Filterscheibe anbringen kannst?

Interessante Frage. Wie ist denn das Spektrum weißer LEDs?

von Christian W. (christian_w)


Angehängte Dateien:

Lesenswert?

Wilhelm F. schrieb:
> Wie ist denn das Spektrum weißer LEDs?

Ziemlich blau :-)

Christian

von Wilhelm F. (Gast)


Lesenswert?

Christian W. schrieb:

> Wilhelm F. schrieb:
>> Wie ist denn das Spektrum weißer LEDs?
>
> Ziemlich blau :-)
>
> Christian

Danke. Ich hab hier nur mal so nebenbei gefragt, bevor ich das aufwändig 
selbst suche.

Dann wirds wohl eher was mit einem Blaufilter, rot, grün, orange oder 
gelb würden etwas schwach.

Sie liegen aber immer noch über 30% Intensität, das muß in der Praxis 
gar nicht so sehr viel bedeuten, weil das Auge ja logarithmisch 
arbeitet.

Immerhin: Kontinuierliches Spektrum. Ich hätte jetzt eher ein paar 
schmale diskrete Linien vermutet.

von Christian W. (christian_w)


Lesenswert?

Wilhelm F. schrieb:
> Danke. Ich hab hier nur mal so nebenbei gefragt, bevor ich das aufwändig
> selbst suche.

Sehr gefährlich. Es gibt einen kleinen Prozentsatz von Usern hier im 
Forum, die einen für so eine Einstellung schnell steinigen, ich spreche 
da aus Erfahrung :-)

Bei Licht-Sachen gilt generell: Lieber am Steckbrett probieren, als 
ausrechnen. Das Helligkeitsempfinden vom Auge kennt keine Datenblätter 
;-)

Beispiel: Ich hab mir mal vor einiger Zeit passende Vorwiderstände auf 
das Steckbrett hingebastelt, damit eine grüne und rote LED direkt 
nebeneinander gleich hell leuchten. So etwas vorher auszurechnen, wäre 
etwas aufwändig geworden. Probieren geht da schneller.

Christian

von Falk B. (falk)


Lesenswert?

@ Christian W. (christian_w)

>das Steckbrett hingebastelt, damit eine grüne und rote LED direkt
>nebeneinander gleich hell leuchten. So etwas vorher auszurechnen, wäre
>etwas aufwändig geworden. Probieren geht da schneller.

Stimmt, vor allem wenn man nicht weiß wie. Denn die photometrischen 
Angaben sind ja schon auf das Helligkeitempfinden des menschlichen Auges 
umgerechnet.

Also gilt. 10 Candela rot = 10 Candela grün = 10 Candela blau.

Und die Lichtstärke in Abhängigkeit des Strom steht im Datenblatt. Hmm, 
wahrlich hohe Mathematik.

von Christian W. (christian_w)


Lesenswert?

Wird jetzt angezweifelt, dass probieren schneller geht?

Ich möchte dich mal den Vorwiderstand ausrechnen sehen, so dass wirklich 
rot und grün am Schluss gleich hell leuchten.

Rechne's mal vor.

Ich bin neugierig.

Christian

von Wilhelm F. (Gast)


Lesenswert?

Christian W. schrieb:

> Wilhelm F. schrieb:
>> Danke. Ich hab hier nur mal so nebenbei gefragt, bevor ich das
>> aufwändig selbst suche.
>
> Sehr gefährlich. Es gibt einen kleinen Prozentsatz von Usern hier im
> Forum, die einen für so eine Einstellung schnell steinigen, ich spreche
> da aus Erfahrung :-)

Oooch, mit der Zeit kann man einfach ein dickes Fell bekommen, wie ein 
Elefant. Sonst wäre ich längst nicht mehr hier. Dafür habe ich notfalls 
auch eine eigene dicke spitze Stecknadel, die besonders gut in einen 
Arsc* sticht. Wenn es wirklich selten mal sein muß. ;-)

von Christian W. (christian_w)


Angehängte Dateien:

Lesenswert?

Hallo zusammen,

heute sind meine neuen 7-Segment-Anzeigen von Farnell (HBE) angekommen.

Anbei mal ein Foto auf dem man den Vergleich zwischen einer SA56-11GWA 
(oben) und einer SA56-11CGKWA (unten) sieht.

Die GWA ist gepulst, hat aber fast die selbe Helligkeit wie eine 
dauerhaft leuchtende. Die CGKWA läuft im Dauerbetrieb.

Ich denke, damit hat sich meine Suche nach der passenden 
7-Segment-Anzeige erledigt. Bleibt noch abzuwarten, wie sich die Anzeige 
hinter einer grau getönten Platte verhält - jedenfalls besser als die 
GWA :-)

Danke für die Unterstützung und die Beiträge.

Christian

von m.n. (Gast)


Lesenswert?

Das sieht ja gut aus!
Die CGKWA ist zwar nur 13,2 mm groß hat aber auch die 'schöneren' 
Segmente mit sich verjüngenden Ecken. Und auch das Grün ist viel grüner 
:-)

von Christian W. (christian_w)


Angehängte Dateien:

Lesenswert?

m.n. schrieb:
> Und auch das Grün ist viel grüner

Ja, das stimmt. Die GWA wirken ziemlich gelblich.

Nun ist auch noch meine getönte Plexiglasplatte angekommen. Auch wenn es 
durch die Handyfotos ziemlich überstrahlt aussieht, so ist dennoch ein 
Unterschied zu erkennen. Die CGKWA wirkt fast doppelt so hell, und hat 
auch bei Tageslicht-Einstrahlung eine ausreichende Helligkeit.

Beide LED laufen mit maximalem Strom (GWA 25 mA, CGKWA 30 mA)

Christian

von Reinhold E. (Gast)


Lesenswert?

Hier zwei Gründe warum bei den PKW's die LED's per PWM und nicht per 
Dauerstrom angesteuert werden:

a) GESAMT-Wirkungsgrad: steigt ein klein wenig an weil sich die 
Aufteilung zwischen Vorwiderstand und LED-Chip selbst etwas verschiebt

b) Gleichmässigere Helligkeit: Damit die LED immer gleich hell leuchtet, 
wird die schwankende Bordnetzspannung durch Änderung PWM-Tastverhältnis 
kompensiert. Das ist deutlich einfacher zu bauen als eine analoge 
Stromregelung.

Grund b) ist damit natürlich der Hauptgrund.

Bitte melde dich an um einen Beitrag zu schreiben. Anmeldung ist kostenlos und dauert nur eine Minute.
Bestehender Account
Schon ein Account bei Google/GoogleMail? Keine Anmeldung erforderlich!
Mit Google-Account einloggen
Noch kein Account? Hier anmelden.