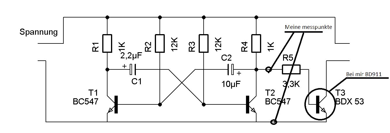
Hallo, habe den Schaltplan im Anhang aufgebaut. Bis auf den letzten Leistungstransistor. Ich habe anstatt eig. 5Hz 11Hz und irgendwie sollten auch an die 100VOlt rauskommen. Ich verstehs grad einfach nicht warums nicht tut. Ich hab n "schönes" Rechtecksignal mit ca 11Hz. und zwar nur ca. Eine Ausgangsspannung gleich der Eingangsspannung. Meine Messpunkte habe ich eingzeichnet. Mfg Sebastian Neusch
Sebastian N. schrieb: > Hallo, habe den Schaltplan im Anhang aufgebaut. Bis auf den Da ist kein Anhang. > letzten > Leistungstransistor. > Ich habe anstatt eig. 5Hz 11Hz und irgendwie sollten auch an die 100VOlt > rauskommen. Ein Vibrator mit 100V? Oha... > Ich verstehs grad einfach nicht warums nicht tut. Ich hab n "schönes" > Rechtecksignal mit ca 11Hz. und zwar nur ca. Eine Ausgangsspannung > gleich der Eingangsspannung. Was ist ein "schönes" Rechtecksignal? Rechteck oder nicht... :-) > Meine Messpunkte habe ich eingzeichnet. Wo? >
Sebastian N. schrieb: > Vibrator funktioniert nicht Tja, dann ist wohl Handbetrieb angesagt! (gnihihihi...)
tschuldigunhg hab den anhang vergessen das mit dem dass der vibrator 100v ergibt habe ich daraus geschlossen, dass im orginal eig. noch n trafo dranhängt ders auf 2000V bringen soll also grob hundert vor dem trafo (12V)
@beate u. mein gott mir ist grad der richtige begriff für die schaltung nicht eingefallen.
Hast du die Schaltung auf einem Steckboard oder anderweitig aufgebaut? Falls ja, schick' doch bitte mal ein Foto des Aufbaus! Wofür ist denn eigentlich T3? P.S.: Bitte ergänze doch die fehlenden Spannungsangaben in deinem Schaltplan.
Also Eingangsspannung: 12V Aufbau: Streifenraster Woher die 100V herkommen sollen kp. War auf der Seite so erklärthat mein Onkel gesagt der mir diesen Schaltplan gegeben hat.
Wofür benötigst du den Rechteckgenerator denn? Das erklärt vielleicht schonmal den T3.
also nicht als rechteckgenerator sondern ich wollte ursprünglich nen einfachen hochspannungsgenerator
Du möchtest also aus 12V Gleichspannung 100V Wechselspannung über eine astabile Kippstufe generieren?
Mach mal den linken Elko auch 10µF groß (so wie den rechten). Dann hast du ca. 5.6Hz. Und die Spannung ist normal so. Sie ist so hoch wie die Betriebsspannung. Wo sollen da auch 100V herkommen? Also bis auf den linken Elko alles in Butter.
Schaltplan für einen "einfachen" Hochspannungsgenerator: http://www.sr71.dyndns.info/info--HochspannungsGenerator.php Hoffe, das hilft dir weiter.
Alter einfach? ich wollte doch nur aus 12V= 2000V wechsel machen und nicht gleich ne kfzzündspule kaufen
Sebastian N. schrieb: > Alter einfach? Alter? N' Bissel freundlicher??? Sebastian N. schrieb: > ich wollte doch nur aus 12V= 2000V wechsel machen Achso... "Nur"... Dann mach' das mal.
entschuldige alter sollte nicht unfreundlich sein sondern einfach nur naja kp. warte jetzt hab ich die seite von der der orginal schaltplan ist den ich gebaut habe.http://knollep.de/Hobbyelektronik/projekte/28/
?? schrieb: > Wo sollen da auch 100V herkommen? > 100V ist die Induktions-Spannugnsspitze, die beim Abschalten des TRAFOS auftritt. Da der TE den Trafo nur erwähnt, aber nicht eingezeichnet hat: Erst wenn's komplett ist, tut das so tun .-)
>Alter einfach? ich wollte doch nur aus 12V= 2000V wechsel machen und >nicht gleich ne kfzzündspule kaufen Und woher sollen die 2000 Volt kommen ohne Zündspule oder sonstwelche Transformatoren? Esoterische Äther-Extraktion? Anzapfen der Nullpunktenergie? Du kannst ja versuchen, mit deinem "Vibrator" und einem Kunstfaserteppich Reibungselektrizität aufzubauen.
Sebastian N. schrieb: > warte jetzt hab ich die seite von der der orginal schaltplan ist den ich > gebaut habe.http://knollep.de/Hobbyelektronik/projekte/28/ "Ich habe bisher leider noch keine Schraubklemmen in meinem Layout Programm gefunden, daher missbrauche ich immer 3-polige Stiftleisten um dann 2-polige Schraubklemmen da rein zu setzen." und so jemand verkauft allen Ernstes Elektronik?
Mark Brandis schrieb: > Und der Preis für den Thread-Titel der Woche geht an... ;-) Och, lasst doch mal bitte den Mist ;-) Im Ernst jetzt, wie hoch ist denn der Strom, den du durch deine SCHaltung schickst?
Gigelgagel schrieb: > Esoterische Äther-Extraktion? Anzapfen der Nullpunktenergie? > > Du kannst ja versuchen, mit deinem "Vibrator" und einem > Kunstfaserteppich Reibungselektrizität aufzubauen. Jawoll, es ist mal wieder soweit... Sorry, aber der Link muss jetzt sein: Beitrag "Amper hoch skillen?"
Jaja "Mein Vibrator tut nicht" :)) aber ja mit nem trafo tuts auchnicht . hab ich log. schon ausprobiert. Ich habe aber anstatt dem BDX53 nen BD911 spielt dass ne rolle? und mein Rechtecksignal ist gleichmäßig also normal im anhang
Sebastian N. schrieb: > Ich habe aber anstatt dem BDX53 nen BD911 spielt dass ne rolle? Schau dir mal die Datenblätter der beiden Transistoren an und vergleiche deren Parameter.
Also ehrlich ich seh auf die schnelle nichts. Sag mal was du meinst.
Was kann ich alternativ zum BDX53 benutzen? Ich müsste zum Conrad wenn ich den BDX53 will und das ist weit.
Wie weit reichen denn deine Kenntnisse, bezüglich des Auswertens von Datenblättern? (Wenn ich fragen darf)
Sebastian N. schrieb: > Ich müsste zum Conrad wenn > ich den BDX53 will und das ist weit. Bestellen?
naja ehrlich gesagt wegen dem bestellen ih bin 15 und meine Eltern sind grad drei wochen weg. und das mit dem auswerten ich kann nicht perfekt anglisch aber ich habe die blätter auch nur überflogen
Justus schrub: >und so jemand verkauft allen Ernstes Elektronik? Weiter unten heißt es dann: >>Ich habe jetzt entlich das neue säuresparendere Layout hochgeladen. Jetzt >>sind auf der Platine auch die richtigen Pads für die Schraubklemmen. Es besteht also kein Grund zur Veranlassung. ;-) MfG Paul
Sebastian N. schrieb: > Was wäre also eine ALternative zum BDX53 Was hättest du denn da (da du ja weder zu Conrad, noch bestellen möchtest)?
Was soll eigentlich dieses "kp" bedeuten? "Kein Plan"? "Kleiner Pim..l"? "Keine Peilung"? Muß wohl irgendwas "neudeutsches" sein...
Um nochmal zum Thema zurückzukommen: Die beiden Transistoren haben (unter Anderem) unterschiedliche Basisspannungen. Wird an die Basis eines Transistors (NPN) eine Spannung angelegt, wird die Strecke Kollektor-Emitter leitend.
Der Multivibrator alleine sollte auf jeden Fall funktionieren. Diese Schaltung ist bald 50 Jahre alt, und ausreichend oft genug getestet. Es gibt allerdings Randbedingungen: Man sollte ihn nicht mit mehr als 9V Betriebsspannung betreiben, weil beim jeweiligen Kippen der Stufen negative Spannungsspitzen entstehen, die die BE-Strecke der BC547 invers leitend machen. Funktionieren wird er z.B. mit 12V schon noch, aber nicht mehr mit den berechneten Werten für R und C. Der Leistungstransistor sollte eine sehr hohe Sperrspannung UCE haben, damit er in einer Zündspulenschaltung nicht durch schlägt. Wenn man keinen solchen Transistor hat, da haben verbesserte Schaltungen eine Dämpfung der Abschaltflanke, z.B. ein RC-Glied an der Basis. Allerdings wird dann mit so einem schwächeren Transistor der Zündfunke auch nicht so kräftig. Da ich auch mal solche Basteleien vor hatte, habe ich noch einen alten Hochspannungstransistor aus einer TV-Horizontalstufe hier liegen, der UCE 1,7kV hat, umd IC 5A. Allerdings hat er nur ein B von knapp 5, und braucht an der Basis ganz bestimmt noch einen Treiber. Für die Spule empfiehlt sich mal ein Oszillogramm, um die Aufladezeit zu sehen. Sonst frißt so eine Spule auch nur unnötig Energie. Dann entkoppelt man die Spulenstromversorgung am besten auch von der Versorgung des Multivibrators.
Christian L. schrieb: > Die beiden Transistoren haben > (unter Anderem) unterschiedliche Basisspannungen. ... denn der BDX53 ist ein Darlington-Transistor. Und das Wichtigste: der hat eine wesentlich höhere Stromverstärkung. @Sebastian N.: Du kannst Dir einen Darligton auch selber zusammenbasteln (siehe http://de.wikipedia.org/wiki/Darlington-Schaltung). Links z.B. einen BC547 und danach Deinen BD911. Zusätzlich ist noch ein Widerstand zwischen Basis und Emitter des BD911 sinnvoll (100 Ohm?). Ob die Daten dann dem BDX53 entsprechen weiß ich nicht, aber es sollte sich damit schon mehr tun... Gruß Dietrich
Dietrich L. schrieb: > Ob die Daten > dann dem BDX53 entsprechen weiß ich nicht, aber es sollte sich damit > schon mehr tun... Zum Schutz des Transistors bei Spulenbasteleien könnte er noch mit einem Snubber RC-Glied an der Transistorbasis experimentieren, was die Abschaltflanke etwas abflacht. Denn eine Freilaufdiode gibt es ja da bei einer Zündspule nicht. Aber ich würde auch mal die Forensuche z.B. nach dem Begriff "Zündspule" durchsuchen. Es gab hier schon so einige interessante Diskussionen dazu, und die enthalten auch wiederum Links zu Schaltungen.
Wilhelm F. schrieb: > Der Multivibrator alleine sollte auf jeden Fall funktionieren. Diese > Schaltung ist bald 50 Jahre alt, und ausreichend oft genug getestet. Der ist sogar noch ein paar Jahrzehnte älter ;-)
Bitte melde dich an um einen Beitrag zu schreiben. Anmeldung ist kostenlos und dauert nur eine Minute.
Bestehender Account
Schon ein Account bei Google/GoogleMail? Keine Anmeldung erforderlich!
Mit Google-Account einloggen
Mit Google-Account einloggen
Noch kein Account? Hier anmelden.

