Hallo, ich möchte mich mit SDR per DVB-T Stick beschäftigen und experimentel einen upconverter für KW Bereich aufbauen. Als Mischer ist ein NE602 vorgesehen, Aus anderen Versuchen habe ich hier noch 48Mhz Quarzoszillatoren mit Rechtecksignal. Spricht da was gegen die Verwendung, oder ist dabei unbedingt ein Sinussignal erforderlich. Gruß Alea
Hallo Alea Das funktioniert, jedoch sollte die Amplitude für den NE602 mit einem Spannungsteiler auf ca. 250-300 mV reduziert werden. Auf jeden Fall sollte am Eingang ein 30MHz Tiefpass vorgesehen werden und am Ausgang vom Konverter zum DAB-Stick ein Bandpass (48-78MHz), der Optimalerweise auch noch die 48 MHz ausnotched. Der NE602 liefert 17 dB Verstärkung. Also stürmt der ganze Bereich von 1kHz bis 30 MHz um 17 dB verstärkt auf den DAB-Stick ein. Der ist damit hoffnungslos überfordert. Ist der Stick schon vorhanden? Gruß, Bernd Nachtrag, falls noch nicht entdeckt, ganz unten wird auch Werners und mein Konverter vorgestellt: Beitrag "2m-Empfang mit DAB-Stick"
Hallo Bernd, da seid ihr ja schon ganz schön tief im Thema. Auf so fundierte Erfahrungen möchte ich gerne zurückgreifen. Da werde ich mit den 48Mhz Oszillatoren auch mal die Frequenz verdoppeln, oder gleich ca. 100 Mhz besorgen. Einen SRA-1h Mischer hätte ich auch noch, der verträgt mehr Eingangsspannung. Evtl. werde ich im Eingang Bandpässe für die Amateurbänder vorsehen, aber zuvor, also vor einem großen Aufwand werde ich erst mal reinhöern und mir ein Bild machen. Welche Software verwendest du? Habe ich das bei meiner kurzen Durchsicht des Threads richtig gesehen, du baust alles in diskreter Form? Als Stick habe ich bei ebay diesen geordert 190982108260 Gruß Gerd
> gleich ca. 100 Mhz besorgen Um den UKW-Bereich würde ich einen großen Bogen machen. Lieber einen 150MHz Oszillator nehemen. Dann wird 0,1-30 auf 150,1-180 MHz gemischt und UKW schlägt kaum durch. Die Sticks funktionieren weiter oben eher besser. Es wird auch Mischprodukte geben bei z.B. 450 +/- 30 MHz, die müssen auch weg, da sie den Stick überlasten. Da der R820 bis 25 MHz runtergeht, können das 10m und 11m Band auch direkt empfangen werden. > Einen SRA-1h Mischer hätte ich auch noch, > der verträgt mehr Eingangsspannung. Der Flaschenhals bezüglich Großsignalfestigkeit ist und bleibt der Stick. Ich würde eher eine Topologie wählen, welche nur gerade die Mischerverluste ausgleicht. Bloß nicht zu viel verstärken. Der Dioden-Ringmischer kann viel mehr ab, als der Stick. Andererseits schadet er auch nicht. Der NE602 ist selber nicht großsignalfest und überfordert zusätzlich das Frontend des Sticks. Da müsste evtl. ein Dämpfungsglied dazwischen. > am Eingang Bandpässe für die Amateurbänder vorsehen Das ist eine gute Idee, ein reiner Tiefpass kann dann bei Bedarf für Rundfunk vorgesehen werden. > du baust alles in diskreter Form? Ich hab auch einen Quarz-Oszillator, dann bleibt ja nur noch der Mischer. Zwischen dem selbstgebauten und dem TFM2s war kein großer Unterschied festzustellen. Mein aktueller Oszillator läuft jetzt mit 48 MHz und links davon an der freien Stelle gibt es noch einen 76 MHz Tiefpass: Beitrag "Re: 2m-Empfang mit DAB-Stick" Da ein doppelt balancierter Mischer das Oszillatorsignal nur mit ~50dB dämpft, hat Werner ein Quarz-Notchfilter nachgeschaltet. Das bringt nochmal einen deutlichen Vorteil.
Hallo Bernd, ich komme noch mal auf meine erste Frage zur Wellenform des LO Oszillators zurück. Rechteck ermöglicht wohl schnellere Nulldurchgänge der Spannung. Könnte dann ein geringeres Spektrum an Oberwellen entstehen, die einfacher heraus zu filtern sind? Ist das Rechtecksignal am Ausgang des Oszillators exact genug, oder muss da noch nachgearbeitet werden mit einem TTL ? Hallo Joe, wo finde ich denn davon einen Schaltplan? Gruß Alea
Alea schrieb: > Hallo Joe, > wo finde ich denn davon einen Schaltplan? > Gefunden!, ich war auf der Seite zu weit unten. Danke
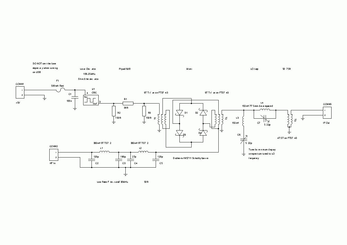
Hallo Bernd, ich habe mal den Schaltplan von DD7Lp angehängt, Ist das so perfekt, siehst du noch Ansätze zur Optimierung, wie hier zuvor von dir vorgeschlagen? Ich würde nach dem LO an –Stelle von R2,3,4, einen 74AC125 schalten und über die Betriebsspannung die Ausgangsspannung limitieren wollen. Gruß Gerd
Hallo Alea Das Eingangsfilter kann mit Übertrager ausgeführt werden. Dadurch werden weniger Störungen zur Antenne geleitet und die beiden Eingänge des NE602 werden symetrisch angesteuert. Die Anpassung an den 50 Ohm Eingang ist nicht perfekt, aber deutlich besser als die andere Variante. C10 kann weg, der schadet IMO eher. Auch der C11 kann entfallen. Der Oszillator ist so ok. Er hat schon einen TTL-Ausgang und auch ein weiterer Treiber würde keinen exakten Rechteck liefern. Der NE602 hat am Pin6 eine relativ hohe Eingangsimpedanz. Es kommt ein abgerundeter Rechteck und das ist nicht die schlechteste Variante. 5dB hin oder her machen bei den Harmonische keinen großen Unterschied. Sie sollen nur keinen Schaden anrichten und dies wird durch das Eingangsfilter bewirkt. Beim Ausgang handelt es sich um einen 100 MHz Tiefpass. Gleichzeitig bewirkt es eine Impedanzanpassung zwischen 1,5k und 50 Ohm. Dabei sinkt das Signal um 24 dB ab. Das ist ungefähr der selbe Betrag, um den der NE602 zuvor verstärkt hat plus der Gewinn am Eingangsfilter durch Fehlanpassung (6dB + 17dB = 23dB). Eine Signalabsenkung kommt dem Stick zugute, aber ein kleiner Restgewinn von 3-6 dB würde nicht schaden. Um genauere Aussagen zu treffen, solltest Du zuerst die Oszillatorfrequenz und den Empfangsbereich festlegen. Gruß, Bernd
Hallo Bernd, da hast du ja schon richtig gearbeitet. Ich würde gerne in meine Überlegungen noch mal die Lösung mit Diodenringmischer einbeziehen, Ich könnte Diodenringmischer EMA-1 bekommen und schwanke noch zwischen den beiden LO Frequenzen: 110.0000 MHz EPSON Quarzoszillator 120.0000 MHz EPSON Quarzoszillator in 5V TTL, sowie 125.000 Mhz in 3,3V Cmos die recht preiswert zu bekommen sind, ich habe auch nach 150Mhz gesucht aber nur hochpreisiges gefunden. welche Frequenz ist die bessere Wahl? Soweit ich das verstanden habe besteht bei den Diodenringmischern das Problem im Ausgangseitigenabschluß, und da wird von Diplexer geschrieben. geht das dann auch so breitbandig? Gruß Alea
soeben bei ebay.com gefunden: 131066164267, STAA9FC-106.2500T geht die "krumme" Frequenz auch?
Hallo Bernd, kannst du mir vielleicht einen Tipp geben wo ich ein Tool finde um die Anpassung z.B. als Diplexer auszulegen für den Ausgang? Wenn das so breitbandig überhaupt praktikabel ist. Oder gibt es auch eine andere gangbare Anpassung für die Eingangs und Ausgangsfilter Gruß Gerd
Habe noch mal gegoogelt nach dem Oszillator und das gefunden: http://www.dxzone.com/cgi-bin/dir/jump2.cgi?ID=28506
Nur mal am Rande. Während ich mir Gedanken mache, ob Alea ein Frauen- oder Männername ist, sehe ich dann mal einen Eintrag als Gast und dann als User und noch besser, auch noch mit Gerd unterschrieben.
Hallo Alea, hier findest du ein Tool zur Berechnung von Diplexern: http://www.bartelsos.de/dk7jb.php/diplexer-berechnen Grüße Jörn
Hallo Alea aka Gerd > ein Tool zur Berechnung von Diplexern Das geht so leider nicht. Da die Durchlass-Bandbreite 30 MHz beträgt, muss mit Hoch- und Tiefpässen gearbeitet werden. Die unerwünschten Frequenzen werden mit 50 Ohm abgeschlossen. Alternativ könnte ein Pufferverstärker den 50 Ohm Abschluss gewährleisten. Ein schlecht angepasster Dioden-Ringmischer kommt statt +7 dBm immer noch auf einen IP3 von z.B. 0..2 dBm. Das ist immer noch viel besser, als der DAB-Stick. Auf den oberen Bändern ab 14 MHz spielt Rauschen schon eine Rolle. Der Ringmischer verschlechtert den Rauschwert um ca. den Betrag seiner Dämpfung. Wer also auf gute Empfindlichkeit bei 10m Wert legt, benötigt hier einen Vorverstärker. Eine Schaltung ist immer so gut, wie das schwächste Glied in der Kette. Beim NE602 ist der IP3 mit -13 dBm angegeben. Der DAB-Stick wird auf einem ähnlichen Niveau liegen. Dafür ist der NE bezüglich Rauschen ok. Meine Empfehlung: Nimm besser den NE602 und leg den Schwerpunkt auf die Filter. Am Eingang umschaltbare Bandpässe und am Ausgang ein 30 MHz breiter Bandpass. Der NE602 funktioniert etwas besser, wenn er symetrisch angesteuert wird, ebenso 8 Volt Betriebsspannung. Für Filter verwende ich den AADE Filter Designer. Das Filter wird anschließend noch mit LTspice simuliert, auch um von den krummen Bauteilwerten auf handelsübliche zu kommen. http://www.aade.com/filter.htm Gruß, Bernd
Hallo Bernd und Alea, mea culpa. Ein Diplexer ist hier natürlich fehl am Platze, wenn man für den LO eine Festfrequenz nehmen möchte - die Finger waren schneller als der Kopf ;-). Nur enge Filter und evtl. ein Trennverstärker helfen weiter. Der FA-SDR-Transceiver verwendet einen einstellbaren Bandpass, der recht schmalbandig ist. Es wird auf maximales Rauschen/Signal abgestimmt, was recht gut klappt. Hier wird es erklärt: http://www.box73.de/download/bausaetze/Vortrag_DJ9CS.pdf Wenn die IP3-Werte begrenzt sind, helfen eben nur schmalbandig Filter, wenn man möglichst wenig mit Dämpfungsgliedern arbeiten möchte. Die Frage ist, ob die symmetrische Ansteuerung des Ne602 wirklich so viel bringt? Hast du die unterschiedlichen IP3-Werte mal gemessen? Wenn es wirklich notwendig sein sollte, würde ich auch erst kurz vorher mit einem Übertrager das Signal symmetrieren. Wegen dem Trennverstärker müsste man auch noch mal nachdenken. Bei einem anderen Projekt arbeite ich mit einem Trennverstärker, der auf maximalen IP3-Wert gezüchtet worden ist (hier natürlich völlig überdimensioniert - mit Kanonen auf Spatzen schießen). Hier beträgt die Rückflussdämfung S12 40-50dB. http://www.bartelsos.de/dk7jb.php/selbstbau-trx-2012 Band 1 Seiten 50-72 Ein solcher Verstärker verbessert auch die Noise Figure der gesamten Anordnung. Man könnte natürlich auch andere Verstärker nehmen, nur habe ich momentan keine bewährte Schaltung parat. Für den ersten Aufbau könnte man natürlich auf einen Trennverstärker verzichten - keep it siple - und dem Mischer nur einen Bandpass vorschalten. Grüße Jörn
Hallo Alea, im Netz habe ich diesen "RTL-SDR Up-Converter" von sv1afn als Anregung gefunden: https://sv1afn.com/projects.html (unter RTL-SDR Up-Converter) Sehr gut finde ich seinen Diplexer, der anders aufgebaut ist als der von mir vorgeschlagene - mit einem Hochpass und einem Tiefpass. Angehängt findest du die Simulation des Diplexers mit RFSIM99. Grüße Jörn
at all: habe das mit dem Namen geändert Danke für die Hinweise. Ist so eindeutiger Gruß Gerd
Hallo Jörn, das ist doch schon mal ein Lichtblick da muss man ja auch erst mal drauf gestoßen werden, dass es Legendre-Filter gibt. Scheint mir von den Bauteilwerten sehr kritisch, zumal ich diskret aufbauen möchte. Ich würde gerne RFsim99 verstehen und nutzen wollen, finde leider die deutsche Anleitung im Netz nicht zum runterladen. Der Link ist tot. Kennst du evtl. eine Möglichkeit? Ich selber habe letzte Nacht noch mal über die 50 Ohm Anbindung an den Ringmischer nachgedacht und war zu der Überlegung gekommen theoretisch eine Art Filter mit drei Zweigen zu versuchen, also Hochpass, Bandpass, Tiefpass. Hochpass und Tiefpass leiten alles was nicht gebraucht wird ab und der Bandpass lässt durch. SV1AFN arbeitet mit 200Mhz LO Frequenz, die hochfrequenten Oszillatoren sind alle recht teuer im Gegensatz zu den 125Mhz. Da schwanke ich noch welche Frequenz ich nehmen soll. Ich werde gleich noch mal googeln. Gruß Gerd
Hallo Bernd, Vielleicht teste ich mal beide Möglichkeiten Ringmischer und AN602 Ich selber habe noch mal über die 50 Ohm Anbindung an den Ringmischer nachgedacht und war zu der Überlegung gekommen theoretisch eine Art Filter mit drei Zweigen zu versuchen, also Hochpass, Bandpass, Tiefpass. Hochpass und Tiefpass leiten alles was nicht gebraucht wird ab und der Bandpass lässt durch. Habe im AAA-Filter-Designer auch das von SV1AFN verwendete Legendre-Filter gefunden, muss mich aber erst mit solchen Programmen vertraut machen. Soweit ich das im Moment überblicke wird es am Ende davon abhängen, dass die wirklichen Filterdurchlassbereiche nachgemessen werden. Da habe ich leider keine Geräte. Bei der LO Frequenz bin ich noch nicht schlüssig. Gruß Gerd
Hallo Gerd, das Programm RFSIM99 findest du hier - auch mit einer kleinen Anleitung: http://elektronikbasteln.pl7.de/rfsim99-filter-berechnung.html Auf Rechnern mit einem 64-Bit System gibt es immer mal wieder Probleme mit der Installation. Probleme bereitet hierbei der Installer, der eigentlich nicht notwendig wäre. Im Fall des Falles kannst du das Programm einfach auf einem Rechner mit Win XP installieren und das Programmverzeichnis nach z.B. Win7 kopieren. Die RFSIM99 Datei, die ich zu dem Diplexer erstellt habe, findest du im Anhang und den Screenshot in meinem vorherigen Beitrag. Wie gut die IP3-Werte von Filtern mit kleinen SMD-Fertigspulen sind, kann ich nicht abschätzen, da ich das noch nicht gemessen habe. Als ersten Versuch sollte man es aber ruhig ausprobieren. Ob die Bauteilwerte kritisch sind, kannst du auch mit RFSIM99 ausprobieren, indem du den Toleranzbereich angibst und einen "Tolerance Sweep" durchführst. Weiterhin können die Ls und Cs vor dem Einbau vermessen werden. Wenn du einen LO von 125 MHZ verwenden möchtest, müsstet du eigentlich nur einen Tiefpass und einen Hochpass entwerfen und ihn so dimensionieren, dass man auf beschaffbare Bauteile trifft. Sonst must du eben auf selbstgewickelte Luftspule zurückgreifen ;-). Der Diplexer wird dann vermutlich so viel "Arbeit" machen, wie der Rest der Schaltung. Welche Messmittel stehen dir zur Verfügung? (VNWA, NWT, Spektrum Analyser, genaues LC-Meter ...?) Nun habe ich doch mal meinen beschriebenen Diplexer mit einem einfachen Bandpass und Bandstopp simuliert für 130 MHz und bin überrascht, wie gut sich diese Anordnung hier doch noch eignet. Im Anhang findest du hierzu alle Unterlagen und auch das RFSIM99-File. Darf man fragen, ob du Rufzeichen hast? Grüße Jörn
Hallo Gerd, nun habe ich erst deinen letzten Beitrag gefunden und gelesen, dass dir die Messmittel für die Filter fehlen. Vielleicht solltest du dir dann doch erst einmal den Bausatz von sv1afn besorgen und ihn aufbauen. Grüße Jörn
Hallo Jörn, ja, cs ist vorhanden, bin aber nicht aktiv. Allgemeine Messmittel sind vorhanden, sowie Frequenzmesser, LC Messgerät digital und als LC-Brücke. 100Mhz Oszi., Meßsender und der übliche Kleinkram. Mein letztes Hf-Projekt war ein zweistufiger DVB-T Vorverstärker in diskreter Bauweise. Na ja das fertige SDR Teil reizt schon, insbesondere zu dem günstigen Preis, aber ich wollte eigentlich mal wieder was Hf mäßige Beschäftigung haben und selber denken und bauen, und wie in diesem Fall doch schon mein Verständnis zum Anpassen von Mischern erweitern können. Beim näheren Betrachten der Schaltungsdesigns der am Markt existierenden SDR upconverter wurden einige Fragen aufgeworfen, insbesondere wenn ich Erfahrungsberichte lese und dort von durchschlagenden Trägern und Spiegelfrequenzen usw. berichtet wird. Was bei sorgfältiger Auslegung eigentlich vermieden werden kann. Es währe zu überlegen auf die LO 200Mhz zu gehen und aus der Lösung von SV1AFN die „Rosinen“ herauszupicken. Nur die 200Mhz Oszillatoren die ich bis jetzt gefunden habe sind im Einzelbezug zu teuer, vielleicht geht ja auch was mit Frequenzverdopplung aus einem 100MHZ Oszillator, durch Nutzung der Oberwelle. Danke für den Link, habe das Programm installiert, läuft, ich muss mich noch eindenken. Gruß Gerd
Hallo Gerd, vielleicht verkauft SV1AFN die Oszillatoren auch einzeln, was ich mir vorstellen könnte. Wenn du nur einen Oszi bis 100MHz zur Verfügung hast, ist der Abgleich von Diplexern in dem Frequenzbereich schon sehr schwierig. Was hältst du von dem Vorschlag, den Bausatz von SV1AFN zu nehmen und im ersten Schritt den Schwerpunkt nur auf die Selektion zu legen? Für die Selektion könntest du dann z.B. mit dem Preselector vom Funkamateur FA-SDR beginnen. Diese Schaltung ist bewährt. Später könntest du dann Schritt für Schritt die Baugruppen verfeinern. Hier findest du Messungen, die ich vor Jahren an dem Preselector von meinem FA-SDR durchgeführt habe: http://www.bartelsos.de/dk7jb.php/fa-sdr Vielleicht gefällt dir dieser Preselector oder du wählst für dein Projekt einen völlig anderen Weg. ;-) Grüße Jörn Hier noch einige Links: http://www.george-smart.co.uk/wiki/FunCube_Upconverter http://www.darc-husum.de/sdr-konverter.html Funkamateur FA 7/13
> von durchschlagenden Trägern und Spiegelfrequenzen usw. berichtet wird. > Was bei sorgfältiger Auslegung eigentlich vermieden werden kann. Das Problem ist eher prinzipbedingt. Will man den SAQ oder den DCF77 usw. empfangen, befinden die sich nur ein paar kHz neben dem Träger. Es macht schon einige Mühe, 125 MHz wegzufiltern und 125,0172 MHz durchzulassen. Es macht nur einen kleinen Unterschied, ob dieses Problem bei 48 MHz oder bei 200 MHz auftaucht. Bei 200 MHz lässt es sich kaum mehr wegfiltern. Dann würde die Entscheidung Sinn machen, erst ab 80m aufwärts zu empfangen. > Frequenzverdopplung aus einem 100MHZ Oszillator Oder z.B. Frequenzverdoppelung aus einem 66 Mhz Oszillator. Da ist man immerhin auf 132 MHz. Oder doch den 125er nehmen, wenn er auch eine extra 3.3 Volt Versorgung benötigt. Je höher, desto sorgfältiger muss aufgebaut werden.
Viele Konverter wurden zu Beginn an die ersten verfügbaren Frontends angepasst. Der E4000 fängt erst bei ca. 60MHz an und hat weiter oben bessere Eigenschaften. Für den R820 kann der Konverter anders dimensioniert werden. IMO kann man da auch unterhalb von UKW bleiben. Mit einem LO = 40 MHz wird dann auf 41-70 MHz gemischt. Aber, ein durchs Vorfilter durchschlagender UKW-Sender mischt sich auf 100-40 = 60 MHz. Das passiert bei hohem LO nicht. Dafür gibt es dort Kreuzmodulation: 100 MHz + 125MHz -> Es zwitschert bei 150 MHz Deshalb ist doch eine gute Großsignalfestigkeit des Konverters ein Vorteil.
Hallo Gerd, Bernd und Jörn, mit mehreren neuen 100MHz 3,3V TTL Oszillator kann ich dienen, PN wenn Interesse.
Hallo Jörn, das ist alles richtig, nur ich will was bauen und klopfe vorher alle Möglichkeiten ab. Insbesondere reizt mich die Arbeit am Ringmodulator, da ich damals mit den Plessey ICs und dem ganzen Drumherum aufgrund fehlender Informationsmöglichkeiten nicht zum erhofften Ziel gekommen bin. Heute weiß ich, das wir die Anpassungen einfach falsch ausgeführt haben. Da ich die ganzen Bauteile noch hier habe werde ich bei Gelegenheit das Projekt noch mal angehen um mir zu beweisen, dass es geht. Danke für die geduldigen Hinweise. Hallo Bernd, die Überlegung zur LO40 Mhz ist doch prima, und auch in den Filtern einfacher zu bewerkstelligen, ohne riesigen Messgerätepark. Und die gibt es zum Schnäppchenpreis um 1€. 3,3V Betriebsspannung ist aus meiner Sicht grundsätzlich nicht verkehrt, zusätzliche Verstärker wie ERA-3SM können dann direkt mit betrieben werden. und eine bessere Entkopplung zum PC hin auf der Versorgungsseite ist damit evtl. auch möglich. Ich habe auch schon eine externe Stromversorgung ins Auge gefasst. Ich tendiere zu der Variante mit dem Ringmodulator, da bei richtigem Abschluss die Großsignalfestigkeit besser ist. Hoffentlich. So ein DVB-T Stick in Verbindung mit der Software ist doch im weitesten Sinn ein Spektrum-Analysator, da könnte man das auch zum Filterabgleich nutzen? Gruß Gerd
Hallo Gerd Dann sieht das so aus: - Antenne - 30MHz Tiefpass - Verstärker ERA-3SM - LO mit ~40MHz und Spannungsteiler Ra=50 Ohm - Dioden-Ringmischer - Dämpfungsglied ca. 10 dB - Tiefpass auf 50 Ohm - Hochpass auf 50 Ohm - Bandpass 40-70MHz zum DAB-Stick > da könnte man das auch zum Filterabgleich nutzen? Rauschgenerator vorschalten, das sollte funktionieren. Versuch macht klug! > eine bessere Entkopplung zum PC hin auf der Versorgungsseite > ist damit evtl. auch möglich Möglicherweise breitet sich die Störung vom PC über die Steckdose und die externe Stromversorgung aus. Bei mir hat ein Übertrager auf der Antennenseite am besten isoliert. 1-30 MHz ist für einen HF-Übertrager kein Problem. Gruß, Bernd
Hallo Bernd, ja, im Prinzip könnte das so aussehen, wobei ich mir noch nicht sicher bin, ob die nachgesetzten Filter so zusammenspielen, oder ob ein Legendre-Filter einfacher zu realisieren geht, obwohl eine Lösung mit drei getrennt abstimmbaren Bereichen doch sehr angenehm währe. Wie du schon sagst Versuch macht klug. Gruß Gerd
Hallo, ich habe mal was mit drei Filtern gezeichnet, wie ist das Ergebnis zu interpretieren? Gruß Gerd
Hallo Gerd Da ich RFSim99 nicht auf dem Rechner habe, versuche ich das per LTspice nachzuempfinden. Das Eingangssignal muss ja bei Leistungsanpassung um 6 dB kleiner werden als beim Leerlauf. In meiner Simulation müsste also das Signal mix bei 0dB waagerecht verlaufen. Die Filter müssen so ineinandergreifen, daß über den ganzen Frequenzbereich eine möglichst gleichmäßige Belastung von 50 Ohm auf den Mixer wirkt. Beim Bandpass hat ein Kondensator 18.5F, muss das nicht pF heißen? Das wird von RFSim99 vermutlich als femto-Farad interpretiert. Gruß, Bernd
Hallo Gerd Prinzipiell darf man keine Pi-Filter verwenden, sondern eine T-Filter-Topologie. Letztere hat neben dem Durchlassbereich im Gegensatz zum Pi eine hohe Impedanz. Arbeitet man mit Pi-Filtern, schließen die sich gegenseitig kurz. Im Prinzip möchte man eine Flache Durchlasskurve mit einer Welligkeit von max. 1dB. Die Filterkurven müssen sich aber bei -3dB überschneiden, um einen flachen Verlauf zu bekommen. Zusätzlich hilft beim Glätten ein wenig Dämpfung. Das mix-Signal liegt so innerhalb +/- 2dB um die Nullinie. Mit etwas Mühe geht es auch noch ein wenig besser.
Hallo Bernd, hast recht, = falscher Wert. Du hast die R vor den Filterzweigen weggelassen. Ich habe noch was mit dem Programm rumgespielt es sieht jetzt wie in der Anlage aus. Ist das besser? Gruß Gerd ups! hat sich mit deinem Beitrag überschnitten
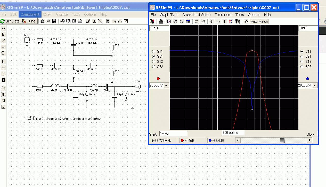
Hallo Bernd, ich habe deine Anordnung mal in RFSim eingegeben und es kommt ein Ergebnis gemäß Anlage „Bernd“ heraus. Weiterhin habe ich einen neuen eigenen Entwurf Triplex0007 gemacht mit gleichmäßigeren Kurven. Ich kann leider keine Anleitung zu dem Programm finden, somit fehlt mir der Hintergrund um das zu interpretieren. Ich habe mal beide mit 75 Ohm abgeschlosen, da der Stick ja eine normale Antenne sehen möchte. Ein weiterer Bandpass oder Abschwächer erübrigt sich wohl. Wenn die Anordnung final funktioniert, sollte eigentlich kein Stötsignal mehr durchkommen. (hoffentlich) Als Mittenfrequenz für den Bandpass 40/70 habe ich 53Mhz gewählt. Hallo Jörn, wenn du mitliest, vielleicht kannst du ja was dazu sagen. Gruß Gerd
Hallo Gerd Die blaue Linie S11 soll möglichst weit unten und waagerecht verlaufen. Dann wird wenig reflektiert und die Eingangsimpedanz weicht am wenigsten von 50 Ohm ab. Folgende Vorausetzungen: - jedes einzelne Filter hat im Durchlassbereich eine Eingangsimpedanz von 50 Ohm - jedes einzelne Filter ist im Sperrbereich hochohmig - die Filter haben keine allzugroße Welligkeit (<=1dB) - die Filterkurven überschneiden sich bei -3dB Die letzte Anforderung setzt ein wenig probieren voraus, da bei der Eingabe Welligkeit=1dB die Grenzfrequenz auf 1dB bezogen wird. Gruß, Bernd Nachtrag: Bei mir ist es die lila Kurve.
Hallo Bernd, habe in W7 die Hilfe installieren können, jetzt kenne ich zumindestens die Funktionen der "Knöpfe", habe an der Schaltung noch was geändert, siehe Anlage, Bandp. als 4pol. und die R kleiner, Ausgang 75ohm.. in smith chart wird die Impedance wie folgt angezeigt: ca.: 10Mhz-80ohm, 51Mhz-33ohm, 200Mhz 73ohm, liegt alles um 50ohm. Der Ringmischer wird ja auch nicht über den gesamten Arbeitsbereich 50ohm haben,das ist doch nur die Angabe zur Quellimpedanz z.B. für die LO Quelle, mit 50ohm +7dbm. Gruß Gerd
B e r n d W. schrieb: > Nachtrag: > Bei mir ist es die lila Kurve. ja die lila Kurve ist im RFTSim die blaue.
Damit könnte der Mischer im Prinzip schon funktionieren. Versuch mal, handelsübliche Bauteile z.B. aus der E12-Reihe zu verwenden. 600nH sind auch schon relativ groß als freitragende Luftspule. > Der Ringmischer wird ja auch nicht über den gesamten Arbeitsbereich > 50ohm haben,das ist doch nur die Angabe zur Quellimpedanz Der Mischer hat selber eigentlich keine 50 Ohm. Stell Dir eine Schaltdiode vor und 3 Widerstände in Reihe. Die Diode schaltet nur richtig ein und aus, wenn sie sauber angesteuert wird. Hier hängen halt noch Übertrager dazwischen. Mit 50 Ohm Abschlüssen an allen drei Ports werden lediglich die besten Eigenschaften erreicht. Der Mischer funktioniert auch mit 100 Ohm an allen drei Ports, erreicht damit aber nicht die Angaben des Herstellers.
Hallo Gerd, gerade eben habe ich mir den ganzen Thread wieder durchgelesen. Da hat sich ja was getan :-). Momentan verstehe ich nicht, warum du mit 75 Ohm abschließt. Könntest du mir das bitte erklären? Habt ihr mal versucht einen Bandpass und eine Bandsperre zu nehmen? Hierzu habe ich noch keine Simulation durchlaufen lassen. Mit welchem Programm generierst du deine Filter? Grüße Jörn
Hallo Gerd Noch eine Idee: Falls ein Dämpfungsglied zwischengeschaltet wird, welches mit der kleinst möglichen Dämpfung von ca. 6dB von 50 auf 75 Ohm wandelt, wird noch ein Widerstand gespart. Dann werden die Filter von vorneherein auf 75 Ohm ausgelegt. Hoch und Tiefpass verwenden jetzt den selben Abschlußwiderstand. Damit ist IMO dieses Prinzip ausgereizt. Sicherlich gibt es noch Schaltungstricks, indem ein Bandpass und eine Bandsperre miteinander kombiniert werden. Hallo Joern > warum du mit 75 Ohm abschließt Das war mir auch neu, aber anscheinend sind die Frontends der DAB-Sticks auf 75 Ohm ausgelegt. > einen Bandpass und eine Bandsperre zu nehmen? Das geht ähnlich gut, aber alles beeinflusst sich gegenseitig. Das ist vermutlich später schwieriger abzugleichen.
Hallo Gerd Noch eine Variante mit weniger Bauteilen. Meine Durchlassbereich geht nach wie vor von 48 - 78 MHz.
Hallo Bernd, Hallo Jörn, Die Filter habe ich mit AADE ausgelegt und dann im RFSim eingezeichnet und simuliert. Der Stick soll wie normale Fernsehgeräte 75ohm haben, siehe Anlage. Habe gerade einen Versuch gemacht, alle Filter mit 150ohm Eingang gerechnet ergibt parallel ca. 50ohm, low und high mit 50ohm abgeschlossen und den Bandpaß mit 75. In der Simulation dann auf 125,125,100ohm geändert. habe jetzt im smith gleichmäßigere Impedanzwerte Werte. Ich werde mich noch etwas mit diesem Prinzip beschäftigen und mit diesen Werten auch im AADE etwas variieren und mal handelsübliche Werte eingeben mal sehen was dann passiert. Bernd, wie sähe diese Kombi mit dem Dämpfungsglied aus? Ist die letzte einfach Schaltung den dann ein normaler diplexer? Gruß Gerd
> wie sähe diese Kombi mit dem Dämpfungsglied aus? In der letzten Schaltung im Anhang, bestehend aus R11 und R6. >> versucht einen Bandpass und eine Bandsperre zu nehmen? > Ist die letzte einfach Schaltung den dann ein normaler diplexer? Nein, das ist eine Bandsperre und ein Bandpass. Die Bandsperre ist zur Vereinfachung auf 2. Ordnung reduziert. Nur bei den zwei Peaks ist das Ergebnis minimal schlechter.
Hallo Bernd, ich habe mich in den letzten Tagen mit dem RFSim beschäftig und auch mal die diversen publizierten IF-Filter Schaltungen simuliert. Das sah nicht gut aus, was die Impedanz von 50 Ohm über den gesamten Bereich betrifft, das streut von 15-190 Ohm. Beim Legendre diplexer von sv1afn wird auch nur in HP und LP aufgeteilt, so dass das ganze ungewünschte, evtl. vorhandene Spektrum zum Stick durchgereicht wird und den Tuner mit Signalen die oberhalb des umgesetzten Bereichs liegen zugestopft werden kann. Die bisher gemachten Entwürfe sind da zwar teilweise besser, aber nur schwer praktikabel. Wenn ich mal in den einzelnen Zweigen nur die Bauteilstreuungen berücksichtigt habe war schon alles verstimmt. Also hoher Messaufwand beim Abstimmen, was ich umgehen möchte bzw. muss. Mit dem tool von http://www.qrp.pops.net/software.asp habe ich den dargestellten Diplexer ausgelegt. Damit sollte der IF-port gut abgeschlossen sein und das mit wenigen gut vorselektierbaren Bauteilen. Nur ist das Ausgangsspektrum ziemlich breit und die Durchlasskurve ist „nur“ ein Höcker, bei 40 bis 70 Mhz ca,1db. Soll ich ein Bandfilter anhängen, das gleichzeitig auf 75Ohm Antennenimpedanz anpasst? Was sollte ein von dir vorgeschlagenes Dämpfungsglied von 10db dazwischen bewirken? Beim LO ist mir das klar, da muss von 21db auf 7-10db reduziert werden. Gruß Gerd
> Was sollte ein von dir vorgeschlagenes Dämpfungsglied von 10db > dazwischen bewirken? Es verbessert die Anpassung zwischen Filter und Mixer und es reduziert das Signal auf einen Wert, dem der Stick noch einigermaßen gewachsen ist. > Beim LO ist mir das klar, da muss von 21db auf 7-10db 7dBm > Soll ich ein Bandfilter anhängen, das gleichzeitig auf 75Ohm > Antennenimpedanz anpasst? Das funktioniert breitbandig nicht so toll. Das Wichtigste sind die 50 Ohm Anpassung des Mixers und ein Bandfilter für den Stick, alles andere sind Symptome und deren Behebung. Mein Gegenvorschlag wäre, die Dämpfung auf 7 dB zu erhöhen und nur ein Bandfilter nachzuschalten. Das sieht nicht mal so schlecht aus (siehe Anhang).
Hallo Bernd, leider ist mein Stick noch nicht aus China eingetroffen, so dass ich mich noch mal etwas theoretisch mit dem Diplexer versucht habe. Beiliegende Darstellung ist dabei heraus gekommen. Ein Hochpass und ein Tiefpass mit ca. 15 Mhz Überlappung(-3dB) ergeben einen Hochpass mit -3dB Punkt genau in der Mitte der Überlappung, und das zusammengeschaltet ergibt überraschend fast 50 Ohm. Wobei C3=C1 x 2 +5%von C1, und L3=L1 x 0,5 -5% von L1. bisher ein Optimum ergaben. Ich weiß aber nicht warum!! Die einzelnen Pässe haben solo simuliert ganz andere Werte, was mich bisher immer verwirrt hat. Der Diplexer arbeitet ohne ohmsche Widerstände, was ich als Abschluss für den Ringmischer als günstiger erachte. Leider ist es mir noch nicht gelungen rückwirkungsfrei einen Tiefpass mit Ausgangsseitig 75 Ohm anzuschließen. Hast du noch eine Idee? Das Konzept bzw. die Vorgehensweise habe ich auch noch mal überdacht. Im ersten Schritt werde ich ohne zusätzlichen Hf-Vorverstärker arbeiten, um überhaupt erst mal zu sehen was da so los ist und dann weiter entscheiden, welche Erweiterungen erforderlich sind, und wie ich frontseitig aufsplitten werde. Gruß Gerd
Hallo Gerd > Hochpass mit -3dB Punkt genau in der Mitte der Überlappung, > und das zusammengeschaltet ergibt überraschend fast 50 Ohm. -3dB bei der Spannung bedeuten die halbe Leistung. Zweimal die Hälfte -> ein Ganzes. Beachte mal auf dem angehängten Bild die Phase der Ströme. Am Schnittpunkt haben die Einzelphasen +/- 45°, was in der Summe ~0° ergibt. Übrigens wird das bei Lautsprecher-Weichen genau so gemacht. Gruß, Bernd
Hallo Bernd, ja, ergibt ein ganzes, was mich verwunderte, dass die Werte für C3 und L3 nicht den Werten der reinen Passfilterformeln entsprechen. und dass die Zusammenschaltung der Filtereingänge entgegen meinen vorherigen Versuchen um die 50 Ohm generiert. Aber es muß noch ein Tiefpass dahinter mit Abschluß 75Ohm. Was mir im Moment noch nicht rückwirkungsfrei gelingt. Gruß Gerd
> Aber es muß noch ein Tiefpass dahinter mit Abschluß 75 Ohm
LC-Gebilde sind immer frequenzabhängig, etwas breitbandiger
funktionieren kapazitive und induktive Spannungsteiler und auch
Übertrager.
Richtig breitbandig sind nur Widerstände. Letztere bedeuten dann aber
bei 50 auf 75 Ohm -> 6-7 dB Verlust. Eine ohmsche Last ist dem Mischer
am liebsten, deshalb hat die Phase bei guter Anpassung auch 0°.
Bitte melde dich an um einen Beitrag zu schreiben. Anmeldung ist kostenlos und dauert nur eine Minute.
Bestehender Account
Schon ein Account bei Google/GoogleMail? Keine Anmeldung erforderlich!
Mit Google-Account einloggen
Mit Google-Account einloggen
Noch kein Account? Hier anmelden.





















