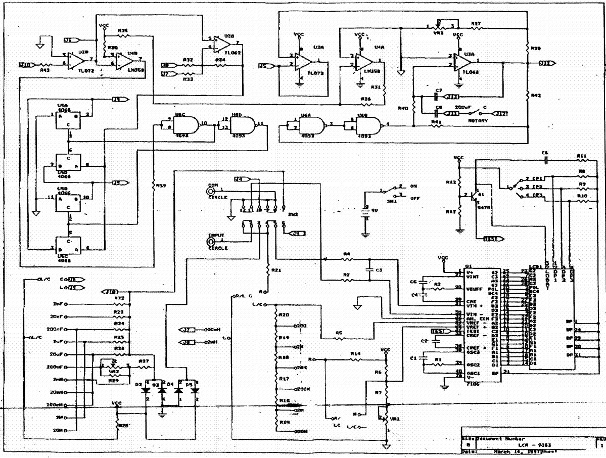
Hallo Leute, ich betreibe zurezit Fehlersuche an einem Voltcraft LCR-9063. Den eingebaute AD-Converter UM7106 habe ich bereits durch einen ICL7106 ersetzt, weil der originale defekt war. Allerdings bin ich mit den Messergenissen nocht nicht zufrieden. Dazu habe ich eine grundsätzliche Frage zum Messprinzip des L/C-Kreises. Mir ist das Messprinzip noch nicht ganz klar geworden / bzw. ich konnte es nicht aus dem obigen Schaltplan ableiten. Leider ist die Qualität des Schalplanes nicht gerade berauschend. Vllt. kann mir da jemand ein paar Tipps geben.
Patrick L. schrieb: > Allerdings bin ich mit den > Messergenissen nocht nicht zufrieden. Was genau stoert dich denn an den Messergebnissen? Hast du die Moeglichekit es mit dem Zustand vor der Reperatur vergleichen?
Z.B. bei der Widerstandsmesssung dauert es eine ewigkeit bis ein konstanter Wert angezeigt wird. Wenn dieser dann angezeigt wird hat er eine große abweichung. Bei 18 Ohm wird z.B. 40 Ohm angezeigt. Gut man kann das ganze über Potis anpassen, aber ich denke da könnte noch ein Widerstand der zur Messbereichserweiterung da ist defekt sein. Kapazitäts-\Spulenmessung zeigt auch hohe abweichungen und schwankende Messwerte.
Patrick L. schrieb: > Z.B. bei der Widerstandsmesssung dauert es eine ewigkeit bis ein > konstanter Wert angezeigt wird. Wenn dieser dann angezeigt wird hat er > eine große abweichung. Bei 18 Ohm wird z.B. 40 Ohm angezeigt. Gut man > kann das ganze über Potis anpassen, aber ich denke da könnte noch ein > Widerstand der zur Messbereichserweiterung da ist defekt sein. Naja, vor dem Messen mal zu Kalibrieren/Justieren gehoert schon dazu, speziell nach einer Reperatur. Wuerde erst mal kalibirieren und es dann wieder versuchen. Wenn es dann immer noch nich geht kannst du ja wieder suchen. Was zeigt es denn als Widerstand an wenn du die Pruefspitzen zusammen haelst? Sollte ja so ziemlich 0 sein.. Patrick L. schrieb: > Kapazitäts-\Spulenmessung zeigt auch hohe abweichungen und schwankende > Messwerte. Da geht mir immer so wenn ich lange Messleitungen verwende (zB. 1 Meter) die nicht (!) ca. alle 10 cm zusammengebunden sind um Kapazitaeten/Induktivitaeten/ESR zu messen. Wie lang sind denn deine Messleitungen?
Mladen G. schrieb: > Naja, vor dem Messen mal zu Kalibrieren/Justieren gehoert schon dazu, > speziell nach einer Reperatur. > Wuerde erst mal kalibirieren und es dann wieder versuchen. > Wenn es dann immer noch nich geht kannst du ja wieder suchen. > Was zeigt es denn als Widerstand an wenn du die Pruefspitzen zusammen > haelst? > Sollte ja so ziemlich 0 sein.. Schwankt zwischen 32 und 18 Ohm, allerdings waren das vor der Reperatur nur ca. 0,8 Ohm. Da hatte der Widerstandsmessbereich noch sauber funktioniert, nur der C/L Bereich zeigte Probleme. Eine Kalibierung kann ich vornehmen allerdings denke ich nicht das sich dadurch eine verbesserung einstellen wird. So wie ich das sehe wird da noch ein defekt vorliegen. > Da geht mir immer so wenn ich lange Messleitungen verwende (zB. 1 > Meter) die nicht (!) ca. alle 10 cm zusammengebunden sind um > Kapazitaeten/Induktivitaeten/ESR zu messen. > Wie lang sind denn deine Messleitungen? Messleitungen sind recht kurz. ca. 12cm beide.
Patrick L. schrieb: > Schwankt zwischen 32 und 18 Ohm, allerdings waren das vor der Reperatur > nur ca. 0,8 Ohm. Da hatte der Widerstandsmessbereich noch sauber > funktioniert, nur der C/L Bereich zeigte Probleme. Eine Kalibierung kann > ich vornehmen allerdings denke ich nicht das sich dadurch eine > verbesserung einstellen wird. So wie ich das sehe wird da noch ein > defekt vorliegen. Wenn vor Austausch des zumindest Widerstandsmessungen ok waren wuerde ich die Loetstellen nachkontrollieren, ob keine unerwuenschten Bruecken entstanden sind. Vielleicht hat auch ein Widerstand/Kondensator die Hitze des Loetkolbens nicht so gut vertragen. Wuerde auch das Trimm Poti mal in jeder Richtung bis zum Anschlag drehen, koennte Verkrustungen loesen. Ansonsten gibt es im Datenblatt zum ICL7106 (http://www.intersil.com/content/dam/Intersil/documents/fn30/fn3082.pdf) einige Beispielschaltungen, da sieht vieles aehnlich aus wie auf deinem Diagramm.
Wenn nur der L/C Bereich nicht funktioniert hat, sollte der AD/Wandler eher nicht das Problem gewesen sein, sondern eher der L/C Teil. Der Scan ist leider nicht ganz zu entziffern und entsprechend schwer zu verstehen. Ein erster Test wäre nachzumessen ob das Wechselspannungssignal zur L / C MEssung vernünftig da ist. Das Wäre z.B. am Ausgang des OPs U3A (rechts obem im Plan). Das Signal müsste so ähnlich auch am 4066 ankommen, einmal invertiert und einmal nicht. Irgendwie fehlt mir im Plan ein Abgleichpunkt für die Phase Dann wäre zu klären ob der AD-Wandler geht oder nicht. Hier könnte man erst einmal die Ref. Spannung überprüfen, ob die eine vernünftige Größe hat. Die Eingangsspannung für den AD sollte an C3 anliegen. Mit einem Widerstand im passenden Bereich sollte sich da eine stabile Spannung an C3 einstellen..
Ich habe jetzt mal mit dem Oszi an diversen stellen gemessen. Das Bild mit der Dreieckspg. wurde an Pin 1 von U3 aufgenommen. Das Bild mit den Rechteckimpulsen an Pin 3 des U6. ICh habe den Schaltplan/service-Manual auch nochmal als PDF angehängt, allerdings ist auch hier die Qualität nicht besser. @Ulrich Vllt. kannst du mir kurz und knapp erklären wir das Messprinzip hinter der L/C Messung funktioniert. Ich hab zwar schon ein bisschen darüber gelesen: Wechselspannung an C oder L und dann über Verstimmung die diese hervorrufen auf den Wert schließen, aber so ganz konnte ich diese nicht im Schaltplan erkennen.
Der Plan ist leider immer noch nicht besser zu entziffern. Vor allem die nicht direkt gezeichneten Verbindeungen mit J... sind nur zu erraten. So ganz komplett und korrekt schein der Plan auch nicht zu sein. Die Schaltung von U4a und U4B macht so wie gezeichnet keinen wirklichen Sinn Jedenfalls ist die Widerstandsmessung einfach zu erkennen. werden die ganzen OPs usw. gar nicht gebraucht - also nur der AD Wandler, der rechte Teil des Stufenschalters und das bisschen dazwischen. Bei der L/C Messung dient U3A und die Hälfte vom 4093 als Signalgenerator für ein Dreiecksignal. Der OP U2A dient einfach als Impedanzwandler für das Signal. Der OP U4B dient Wohl als eine Art Komparator um dann ein passendes Rechtecksignal zu erzeugen - wie genau ist irgendwie nicht klar - da fehlt auch irgendwie ein Abgriff am 4093 - da wäre ein passendes Signal. Ist aber schon irgendwie komisch, weil da ja schon ein Digitales Signal wäre. Es könnte auch sein, dass da gar keine Phasenrichtige Gleichrichtung probiert wird wie es eigentlich passender wäre. Der OP U3B Erzeugt jedenfalls am Ausgang eine Wechselspannung (vermultich näherungsweise Rechteck) proprotional zur Größe der Induktivität oder Kapazität. Die Spannung geht dann auf die 4 Gattes des 4066 (CMOS Schalter), die einen Gleichrichter darstellen. Die Ausgangsspanung ist aber nur Differentiell und geht den Schalter in der Mitte zum Differenzeinagng des ADs. Vom Prinzip her sollte es so funktionieren das bei Kondensatoren die Dreieckspannung Spannung angelegt wird, und der Strom gemessen wird. Bei Induktivitäten sollte der Strom eingeprägt werden, und dafür wird die Spannung gemessen. Wie das genau funktioniert ist halt kaum zu erkennen.
Ist nachvollziehbar, wie das Meßgerät zu Schaden gekommen ist?
Danke für die ausführliche Erläuterung, dass hilft mir auf jedenfall weiter. So weiß ich zumindest wie das Messprinzip funktioniert. Ich werde erstmal versuchen den Widerstandsmessbereich wieder zum laufen zu bringen, da man die Platine der L/C-Messung einfach abziehen kann. So kann ich Querbeinflussungen verhindern. Ich habe dazu den für die Widerstandsbestimmung relavanten Teil ins reine gezeichnet. Ich Versuch mal diesen Teil so zu erklären wie ich ihn verstanden habe: Die Referenzspannung (VREF+ und VREF-) wird über einen Spannungsteiler erzeugt. Dabei wird R14 überbrückt. Der Spannungsteiler bildet sich aus R6 und den Widerständen R5 und R15 bis R20, je nach Messbereich. Bei 200 Ohm Messbereich aus R6, R20 und R5. Wo allerdings der Massebezug des Spannungsteilers herkommt ist mir schleierhaft. Genauso bei dem zu messenden Widerstand, dieser hängt zwischen INPUT und COM aber woher jetzt eine Spannung, bzw. ein konstanter Strom herkommt der diesen durchfließt ist mir noch nicht klar. Möglicherweise enthält der Schaltplan mehrere Fehler, was auch nicht unüblich ist. So werden teilweise absichtlich Fehler eingebaut um Leuten die nicht in der Materie drinstecken einen Nachbau zu erschweren. Ein Profi. würde einen offensichtlichen Fehler direkt erkennen. Sowas wird zumindest oft gemacht, wenn Entwürfe an andere Firmen weitergegeben werden und man sich nicht sicher ist, was die damit anstellen.
D. V. schrieb: > Ist nachvollziehbar, wie das Meßgerät zu Schaden gekommen ist? Nein leider nicht, da es nicht bei mir kaputt gegangen ist ;-) Aber besonders viele möglichkeiten gibt es da ja nicht. Ich denke das es wohl durch messen eines unter Spannung stehenden Bauteils respektive aufgeladenen Kondensators passiert ist. Diesbezüglich besitzt das Messgerät keine Schutzschaltung, worauf auch in einer Bedienungsanleitung von Conrad hingwiesen wird.
Patrick L. schrieb: > Ich denke das es wohl > durch messen eines unter Spannung stehenden Bauteils respektive > aufgeladenen Kondensators passiert ist Vorausgesetzt, der Anwender hat zumindest den korrekten Meßbereich ausgewählt, würde ich mein Augenmerk auf die Dioden D2-D5 richten. Aus dem Schaltbild geht leider deren Bezeichnung nicht hervor. Falls diese durch einen geladenen Kondensator in Mitleidenschaft gezogen wurden, könnten sie das Meßergebnis nachhaltig beeinflussen.
Die Dioden sind vom Typ 1N4001 und erfüllen wohl den zweck bei einer Verpolung des 9Volt Blockes einen Kurzschluss dieser zu vollführen. Es soll damit verhindert werden, dass eine zu hohe negative Spannung an den Bauteilen anliegt. Ich habe diese mal mit der Dioden Funktion meines DMM durchgetestet, hatten alle eine Durchlassspg. von ca. 0,5-0,6V. In die andere Richtung natürlich sperrend.
Die Widestandsmessung sollte nach dem Prinzip gehen das der zu messende Widerstand und ein Vergleichswiderstand (wird mit dem Bereich umgeschaltet) in Reihe liegen und mit einer relativ beliebigen Spannung (z.B. Versorgung geteilt auf etwa 1-2 V, oder mit "Vorwidestand) versorgt werden. So etwas wie eine Konstantstromquelle gibt es nicht. Erst einmal die Widestandsmessung wieder zum laufen zu bringen ist schon mal eine gute Idee. Bei so alten Geräten ist es möglich das einfach nur die Kontakte der Schalter Oxidiert sind. Das gibt teils schlecht reproduzierbare Fehler. Wenn es noch nicht so schlimm ist, reicht aber ggf. schon ein häufigeres hin und her schalten. Da die Widerstandsmessung erst seit dem Austausch nicht geht - wären auch kalte Lötstellen im Bereich des ADs eine mögliche Ursache. Die Dioden sind ein Überspannungschutz für 2 Punkte der Schaltung. Einfach ein Begrenzung nach unten und oben, z.B. als Schutz bei geladenem Kondensator.
Ulrich schrieb: > Bei so alten Geräten ist es möglich das einfach nur die Kontakte der > Schalter Oxidiert sind. Das gibt teils schlecht reproduzierbare Fehler. > Wenn es noch nicht so schlimm ist, reicht aber ggf. schon ein häufigeres > hin und her schalten. Da die Widerstandsmessung erst seit dem Austausch > nicht geht - wären auch kalte Lötstellen im Bereich des ADs eine > mögliche Ursache. Habe ich auch in Betracht gezogeen, allerdings sehen die Kontakte alle spitze aus. Ich bin jetzt mal mit zwei Messwiderständen (100 und 550 Ohm) den gesammten Messbereich durchgegangen. Dabei habe ich jeweils den angezeigten Wert auf dem Display, die Referenz- sowie die AD-Eingangsspannung protokolliert. Siehe Anhang. Dabei sieht man eine auffälligkeit im 200 Ohm und 2k Messbereich, wo die Referenzspannung höher liegen sollte. Aufgrund dessen habe ich mal alle beteiligten Widerstände durchgemessen (in der Schaltung!!), dabei ist mir nur eine große abweichung bei dem Widerstand R14 aufgefallen, der 1,8k hat. Statt der angegebenen 4,7k. Diesen werde ich jetzt einmal ausbauen und dann nochmal durchmessen. --> Hab ihn durchgemseen, 2,15k laut Farbcode 2,2k. Steht also im Schaltplan falsch....
Wo sind die Spannungen für Vref und Vin gemessen ? Die beiden Eingänge sind Differenzeingänge. Insbesondere bei Vref. ist da keiner der Anschlüsse auf GND. So grob gesehen passen die Spannungen - dass Werte mit dem 100 Ohm Widerstand bzw. 200 Ohm Bereich relativ niedrig sind irritiert etwas, aber das scheint so geplant zu sein in der Schaltung, der kleine Messbereich ist wohl nicht so genau. Das die Ref. Spannung im 200 Ohm und 2 K Messereich kleiner wird ist normal bei dem Messprinzip. Was etwas wundert, ist die Überlaufanzeigte bei 100 Ohm im 200 Ohm Bereich - deshalb die Frage wo genau gemessen wurde. Irgendwie wird die Ref. Spannung auch nie wirklich groß - nach dem Plan hätte ich da mehr Spannung (bis etwa 1 V erwartet). Wie groß ist denn die Versorgungsspannung ? Der genaue Wert von R14 sollte relativ unkritisch sein - damit wird nur der ungefähre Messstrom eingestellt - auf den Angezeigten Wert sollte das fast keinen Einfluss habe.
Ulrich schrieb: > Wo sind die Spannungen für Vref und Vin gemessen ? Die beiden > Eingänge > sind Differenzeingänge. Insbesondere bei Vref. ist da keiner der > Anschlüsse auf GND. Habe Vref natürlich differentiell zwischen Vref+ und Vref- direkt an den Pins des ICs gemessen. Das gleiche bei Vin. > Irgendwie wird die Ref. Spannung auch nie wirklich groß - nach dem Plan > hätte ich da mehr Spannung (bis etwa 1 V erwartet). Wie groß ist denn > die Versorgungsspannung ? Versorgungsspannung ist normalerweise ein 9V Block. Im Moment betreibe ich das ding aber mit einem Labornetzteil. Das ist auch auf 9V eingestellt. Hat den Vorteil das ich da eine Strombegrenzung und Stromanzeige habe. > Der genaue Wert von R14 sollte relativ unkritisch sein - damit wird nur > der ungefähre Messstrom eingestellt - auf den Angezeigten Wert sollte > das fast keinen Einfluss habe. Ok.
Wenn die Vref / Vin Werte so richtig gemssen sind, ist da wohl was mit dem AD Wandler faul. Der Messbereich geht von - 2*Vref bis 2*Vref. Ein erster Testpunkt wäre der Pin 27 am IC. Das ist der Dual Slope Integrator Ausgang. Da sollte so eine Art Dreieckspannung mit einer Pause zu sehen sein. An Pin38 sollte ein Takt von etwa 40 KHz sein. Da etwas zu viel angezeigt wird, würde ich mal die Verbindungen Lötstellen zum Ref Kondensator (Pins 33 und 34) Kontrollieren. Eine Unterbrechung da könnte ähnliche Effekte haben.
Dein R3 muss R2 heißen, denn R2 ist der Integratorwiderstand am 7106/28. > So werden teilweise absichtlich Fehler eingebaut um Leuten > die nicht in der Materie drinstecken einen Nachbau zu erschweren. > Ein Profi würde einen offensichtlichen Fehler direkt erkennen. Genau, der liegt in der Beschriftung des Dreh-Schalters am R20 / R21. Im R-Bereich muss R und LC verbunden sein. Der Mess-Strom kommt so zustande: Der 7106 stellt zwischen Vcc und COM eine geregelte Spannung von etwa 3V her. Diese fließt über R14, (R15-R20), R21 zum Input+ über das DUT nach COM. Ratiometric measurement ergibt sich aus der Tatsache, dass Vref die Spannung an den R14-R21 misst und Vin die Spannung am DUT (siehe Datenblatt 7106). > Die Dioden sind ein Überspannungschutz für 2 Punkte der Schaltung. > Einfach ein Begrenzung nach unten und oben, z.B. als Schutz > bei geladenem Kondensator. Genau so sehe ich den Zustandekommen des Defektes: Diese Begrenzerdioden haben die Vcc zu stark ansteigen lassen (die Batterie wurde "überfahren". Evtl. könnte dabei auch einer der 12 Kontakte des Schiebeschalters R / LC kaputt gegangen sein. > Die Dioden sind vom Typ 1N4001 und erfüllen wohl den zweck bei > einer Verpolung des 9Volt Blockes einen Kurzschluss dieser zu > vollführen. Das ist nur ein angenehmer Nebeneffekt. Warum kann mit den meisten LRCs keine Spannungen / Ströme messen?
Korrektur: Dein R2 muss R3 heißen, denn R2 ist der Integratorwiderstand am 7106/28. DUT = Messobjekt Zu deinen geposteten Messwerten: DUT = 100 Ohm: range Vref Vin displ calc 200 23,2 21,6 1__._ 93.1 2k 167,9 14,7 .132 .087 20k 419,0 2,4 0.11 0.05 200k 496,0 1,0 00.3 00.2 2M 505,0 1,3 .001 .003 20M 506,0 1,6 0.01 0.03 DUT = 550 Ohm: range Vref Vin displ calc 200 19,2 107,6 1__._ 560.4 --> overflow 2k 146,3 79,5 .542 .543 20k 404,0 21,2 0.55 0.52 200k 494,0 0,9 00.7 00.2 2M 505,0 1,1 .002 .002 20M 506,0 1,6 0.02 0.03 Die 550 Ohm-Werte passen ja in etwa. Was mich stutzig macht, dass er bei 100 Ohm im 200-Ohm-Bereich 1 (also Overflow) anzeigt, obwohl Vin (21mV) etwa gleich Vref (23,2mV) ist. Bei Gleichheit von Vin und Vref sollte er nämlich 1000 (hier also 100.0) anzeigen (angezeigter Wert = 1000 * Vin / Vref ). N.B. Messe lieber die Werte vor den R3, R4 und R5, sonst ist wegen des Innenwiderstand des Messgerätes zu viel Abweichung. Bei kurzgeschlossenem Eingang (DUT = 0 Ohm) ist die Vref maximal und Vin 0. Wenn in diesem Fall etwas angezeigt wird, ist ein schlechter Kontakt im Spiel. Kannst Du bitte gute Fotos von Vorder- und Rückseite (auch die L/C-Platine) machen?
Ulrich schrieb: > An Pin38 sollte ein Takt von etwa 40 KHz sein. Sind ziemlich genau 48kHz. > Ein > erster Testpunkt wäre der Pin 27 am IC. Das ist der Dual Slope > Integrator Ausgang. Da sollte so eine Art Dreieckspannung mit einer > Pause zu sehen sein. An Pin38 sollte ein Takt von etwa 40 KHz sein. Oszi-Bild siehe Anhang. Habe dafür das Oszi in den AC-Modus gestellt, da sonst die Kurve kaum zu erkennen war. Mich stört dass das hochintegrieren nicht zu erkennen ist und das dem ganzen eine Gleichspannung von 6,5V unterlagert ist. Das kann ich so im Datenblatt von 7106 nicht erkennen. Vorn Nachn schrieb: > Dein R3 muss R2 heißen, denn R2 ist der Integratorwiderstand am > 7106/28. Versteh ich nicht? > Genau, der liegt in der Beschriftung des Dreh-Schalters am R20 / R21. > Im R-Bereich muss R und LC verbunden sein. > > Der Mess-Strom kommt so zustande: > Der 7106 stellt zwischen Vcc und COM eine geregelte Spannung von etwa 3V > her. Diese fließt über R14, (R15-R20), R21 zum Input+ über das DUT nach > COM. Ratiometric measurement ergibt sich aus der Tatsache, dass Vref die > Spannung an den R14-R21 misst und Vin die Spannung am DUT (siehe > Datenblatt 7106). Das erklärt einiges, dann macht die Schaltung auch wieder sinn.
Die Verschiebung um etwa 6,5 V (oder etwa 2,8 V von VCC) ist normal, das ist vermutlich die Spannung am Pin analog Commn., der internen Masse für das IC. Das mit den 2 Massesymbolen macht dann auch Verständlich wieso man nur maximal etwa 0,5 V als Ref. bekommt. Darüber muss man sich also auch nicht weiter wundern. Die 48 kHz sind Ok, wenn auch nicht ideal - das kann man aber zumindest erst mal so lassen. Für Europa wären 40 kHz oder 50 kHz besser, aber da sind Feinheiten. Die Gemessene Spannung am Pin 27 sieht wirklich nicht schön aus. Woher die Störungen ist schwer zu sagen - wie sauber ist den die Versorgungsspannung, bzw. die Spannung am Pin 32 ? Im Plan ist keine Kondensator an der Versorgungsspannung für das IC drin, der könnte Fehlen wenn die Versorgung nicht von einer Batterie kommt. Schaden sollte der jedenfalls nicht. Der Offset vom 6,5 V und nur etwa 500 mV (p-p) Amplitude heißt zumindest das die Schaltung da noch nicht am Limit ist. Bei der Signalform ist noch die Frage wo welche Phase ist. Der starke Sprung ist irgendwie schon Komisch, sollte eigentlich nicht passieren bei einem Integrator. Kann es vielleicht sein, das der Autozero Kondensator (an Pin 29) keinen Kontakt mehr hat ? Dann wäre der Sprung der Anfang der AZ Phase mit viel zu viel Amplitude, weil nur noch eine kleine Parasitäre Kapazität bei C_AZ ist. Die eigentliche Integration und Desintegration wäre dann der kleine Buckel. Das könnte einiges - auch das gestörte Signal erklären.
So langsam verzweifel ich... Ich habe jetzt mal die beiden Elkos C10 und C11 getauscht, nur auf verdacht. Aber auch keine Verbesserung. Diese sind im Schaltplan auch nicht zu finden, zumindest einer davon dient aber zu Versorgungsspannungsstabilisierung. Auto-Zero Kondensator ist heile und hat auch Verbindung. Die Signalform am INT Pin wird ein wenig besser wenn man z.B. in den 2k Messbereich schaltet. Im 200 Ohm Messbereich kommt es eh zu einem überlauf der Anzeige obwohl ich nur einen 100 Ohm Widerstand messe!! Vllt. ist der 7106 auch einfach den ESD-Tot gestorben, ich werde morgen mal einen neuen einbauen und dann mal sehen ob es besser wird....
Schuß ins Blaue: C4 und C6 ok? (Sample & Hold). Integration Resistor vs. Integration Capacitor? Die bilden die Referenz für jede Messung. Wenn die wegschwimmen, dann "wackelt" auch dein Meßergebnis. Bezug & Ref.: Datenplatt 7106
Ein ESD Schaden ist bei so einem CMOS IC möglich. Hoffentlich ist das IC gesockelt - dann wäre der Austausch ja relativ leicht. Das alte IC sollte ja eigentlich auch noch gehen, da ging die Widerstandsmessung ja noch. C4 wäre der Autozero Kondensator. Wenn C6 defekt (zu klein) wäre würde die Amplitude der Spannung eher zu groß sein, weil viel zu schnell integriert wird. Es ist auch weniger anzunehmen das die Kondensatoren selber defekt sind, sondern eher das es da kalte Lötstellen oder Mikrorisse in den Leiterbahnen gibt. Ggf. könnte es auch defekt im IC sein, etwa der Bonddraht von Autozero.
D. V. schrieb: > Schuß ins Blaue: > C4 und C6 ok? (Sample & Hold). Integration Resistor vs. Integration > Capacitor? > Die bilden die Referenz für jede Messung. Wenn die wegschwimmen, dann > "wackelt" auch dein Meßergebnis. > Bezug & Ref.: Datenplatt 7106 Mit einem C-Messgerät durchgemessen (in der Schaltung), beide funktionstüchtig, bzw. richtiger Wert. Ulrich schrieb: > Ein ESD Schaden ist bei so einem CMOS IC möglich. Hoffentlich ist das IC > gesockelt - dann wäre der Austausch ja relativ leicht. Das alte IC > sollte ja eigentlich auch noch gehen, da ging die Widerstandsmessung ja > noch. Hab gerade mal einen neuen 7106 eingebaut, zeigt die selben Symptome. Also kann ein ESD defekt ausgeschlossen werden. ZUm Glück habe ich einen Sockel eingelötet nachdem ich den ersten 7106 gewechselt hatte. > Es ist auch weniger anzunehmen das die Kondensatoren > selber defekt sind, sondern eher das es da kalte Lötstellen oder > Mikrorisse in den Leiterbahnen gibt. Ggf. könnte es auch defekt im IC > sein, etwa der Bonddraht von Autozero. Das Glaube ich auch langsam. Aber ich hab die Pins am 7106 alle nochmal warm gemacht und das hatte auch nichts geändert. Ist den der ICl7106 überhaupt kompatibel zum UM7106, bin ich jetzt von ausgegangen, aber vllt. steckt da ja das Problem.
Interesant sehen auch die Oszi-Bilder ohne einen zu messenden Widerstand an den Klemmen aus. Auf einmal ganz glatt und ohne Rauschen. Ein Bild ist wieder im AC-Modus das andere im DC-Modus. Ist schon komisch. Die Periodendauer des Signal passt auch. Ausgerechnet habe ich 333,33ms, was in etwa übereinstimmt.
Ich denke es ist sinnvoller hier weiter zu machen als einen neuen Thread aufzumachen, auch wenn dieser schon etwas betagt ist. ... Die Geräte sind nach wie vor verbreitet und in Gebrauch und vielleicht - so wie meines - nunmehr etwas reparaturbedürftig. Ich bin dankbar dass ich hier den Schaltplan gefunden habe und hab ihn etwas überarbeitet damit er etwas besser lesbar ist. Die Beschriftungen der Verbindungsverweise waren schon sehr schwer lesbar, deshalb wer einen Fehler findet - bitte kund tun! Mein Problem, das ich bisher nicht lösen konnte, ist eine starke Instabilität im Induktivitätsbereich. Der Wert schwank stark und läuf über längere Zeit total davon. Insbesondere im 20mH und 2mH Bereich. Mir ist auch noch nicht aufgegangen wie die Induktivität überhaupt gemessen wird. Das im Schaltplan eine Verbindung zu fehlen scheint (Vom R-LC(3) Schalter auf die Drehschalterkontakte) macht es auch nicht gerade leichter. Der Kapazitätsbereich scheint auch nicht mehr sehr genau zu sein, ist aber stabil. Die gemessene Messfrequenz liegt bei rund 245Hz bzw. 42 Hz im 200µF-Bereich und ist, bis auf einen Jitter der einsetzt wenn man irgendwo zu nahe kommt, relativ stabil. Was es mit dieser obskuren Signalaustastung durch die 4066-Schalter auf sich hat ist mir auch noch Rätselhaft. Aber gerade diese 4066 sind meine bevorzugten Kanditaten für die Ursache, da es sich meines Wissens um MOS-Bauteile handelt, die schon zucken wenn am Horizont ein Gewitter aufzieht. ;-) Falls jemand schon mal so einen Fehler hatte, oder für ein bisschen Klarheit sorgen könnte wie das Ding im Detail funktioniert, wär ich für eine kleine Hilfe sehr Dankbar. So long Ede
Bitte melde dich an um einen Beitrag zu schreiben. Anmeldung ist kostenlos und dauert nur eine Minute.
Bestehender Account
Schon ein Account bei Google/GoogleMail? Keine Anmeldung erforderlich!
Mit Google-Account einloggen
Mit Google-Account einloggen
Noch kein Account? Hier anmelden.









