Hallo, ich bin gerade dabei einen Verstärker für meinen MP3 Player zu bauen. Die Signalspannung des MP3 Players beträgt rund 200mV. Die beiden Endstufentransistoren sind ein BD135 und BD136! In der ersten Stufe soll das Signal auf ca. 4V verstärkt werden. Wenn ich den Gegentaktverstärker über C2 ankopple, bricht mir hier die Spannung zusammen. Meine Vermutung ist, das die Impedanz des Ausgangs der 1. Stufe mit der Eingangsimpedanz des Gegentaktverstärkers nicht zusammenpasst. Meine Frage: Welche Eingangsimpedanz habe ich bei der Gegentaktendstufe? Wie kann ich sie berechnen?
m. g. schrieb: > ich bin gerade dabei einen Verstärker für meinen MP3 Player zu bauen. zu welchem zweck? lautsprecherbetrieb oder nur n vorverstärker? kopfhörerverstärker. das ding ist bei +-12v echt laut. wenn man passende endtransis benutzt (wie die im schaltplan)ist auch lautsprecherbetrieb möglich.
dolf schrieb: > zu welchem zweck? lautsprecherbetrieb mit einen 6 Ohm Lautsprecher! Leistung soll so um 5-10 Watt betragen!
m. g. schrieb: >> zu welchem zweck? > > lautsprecherbetrieb mit einen 6 Ohm Lautsprecher! > Leistung soll so um 5-10 Watt betragen! Für solch kleine Leistungen würde ich eindeutig ein IC, wie z.B. den TDA2030 vorziehen. Gruss Harald
Harald Wilhelms schrieb: > Für solch kleine Leistungen würde ich eindeutig ein IC, wie z.B. > den TDA2030 vorziehen. > Gruss > Harald Ich möchte den Verstärker gerne diskret ohne einen IC aufbauen!
m. g. schrieb: > Harald Wilhelms schrieb: > >> Für solch kleine Leistungen würde ich eindeutig ein IC, wie z.B. >> den TDA2030 vorziehen. >> Gruss >> Harald > > Ich möchte den Verstärker gerne diskret ohne einen IC aufbauen! Dann solltest Du zweigleisig fahren. Einen Verstärker mit IC, der vermutlich sofort funktioniert und einen zweiten mit Transistoren, an dem Du vermutlich länger basteln wirst. Während dieser Zeit kannst Du dann schon mal nebenher mit dem IC MP3 hören. :-) Gruss Harald
m. g. schrieb: > Welche Eingangsimpedanz habe ich bei der Gegentaktendstufe? Wie kann ich > sie berechnen? Lass sie Dir doch durch LTSpice plotten: U(Collector_Q1) / I(C2). Im Modus "AC analysis". Ansonsten hast Du ja 2 mal die Eingangsimpedanz eines Emitterfolgers. Gruß
Aber dann nicht mit diesen Transistoren. Denn die vertragen nur 0,5W Verlustwärme. Eine Endstufe, die 10W liefern soll, muss auch grob geschätzt 10 Watt Verlustwärme verheizen können. Mit diesen Transistoren geht das nie und nimmer. Außerdem brauchst Du eine Regelung für die Basis-Vorspannung. Die beiden Dioden in Riehe sind zu simpel gedacht. So funktioniert es nur, wenn die Spannung an den Dioden ganz knapp über der Basis-Emitter Spannung der Transistoren liegt. Beide Spannungen hängen aber vom Strom und der Temperatur ab. Man kann Endstufen diskret aufbauen, das ist aber mindestens 10x teurer, als einen fertigen Chip zu verwenden und funktioniert kein bisschen besser. Deswegen, tu uns und Dir den Gefallen, und nimm eine TDA2030. Ein funktionierender Beispiel-Schaltplan befindet sich im Datenblatt. Der Chip kostet nur einen Euro! Wegen Deiner Frage, warum der Vorverstärker ausfällt, sobald er belastet wird: Sein Ausgangswiderstand ist etwa um Faktor 10 größer, als der Eingangswiderstand der Endstufe. Darum funktioniert es so nicht. Hier hast Du eine anständige diskrete Schaltung: http://www.corvintaurus.de/transistor_endstufe/schaltplaene/corvintaurus_stromlaufplan_endstufe.jpg Im Gegesatz zu deiner zu primitiven Schaltung hat sie mehrere Vorteile: - Einstellbarer Ruhestrom / Basis-Vorspannung - Gegenkopplung, zum Ausgleich von nicht-linearem Verstärkungsverhalten
Stefan us schrieb: > Hier hast Du eine anständige diskrete Schaltung: > http://www.corvintaurus.de/transistor_endstufe/schaltplaene/corvintaurus_stromlaufplan_endstufe.jpg > > Im Gegesatz zu deiner zu primitiven Schaltung hat sie mehrere Vorteile: > - Einstellbarer Ruhestrom / Basis-Vorspannung > - Gegenkopplung, zum Ausgleich von nicht-linearem Verstärkungsverhalten Interessante Schaltung. Vor allen Dingen ist sie, im Gegensatz zu vielen anderen im Netz gut dokumentiert mit Spannungs- und Stromwerten an den wichtigsten Punkten. Aber trotzdem: Nach meiner Erfahrung wird sie n i c h t auf Anhieb funktionieren, sondern ein längeres Bastelprojekt werden. Gruss Harald
Stefan us schrieb: > Hier hast Du eine anständige diskrete Schaltung: > http://www.corvintaurus.de/transistor_endstufe/schaltplaene/corvintaurus_stromlaufplan_endstufe.jpg die bootstrappschaltung sollte man durch ne zweite stromquelle ersetzen. der kurzschlußschutz fehlt. der lautsprecher muß bei solchen schaltungen durch ne dc schutzschaltung geschützrt weren.
Hai! m. g. schrieb: > Die Signalspannung des MP3 Players beträgt rund 200mV. [...] > In der ersten Stufe soll das Signal auf ca. 4V verstärkt werden. Dann solltest Du C3 weglassen. Ohne C3 ist die Leerlaufverstärkung der Emitterstufe etwa R_C / R_E, also 2k/0.1k = 20. Das sollte ungefähr passen. > Wenn ich den Gegentaktverstärker über C2 ankopple, bricht > mir hier die Spannung zusammen. Logisch. > Meine Vermutung ist, das die Impedanz des Ausgangs der 1. Stufe > mit der Eingangsimpedanz des Gegentaktverstärkers nicht > zusammenpasst. Ja, richtig. > Meine Frage: > Welche Eingangsimpedanz habe ich bei der Gegentaktendstufe? Grob über 2 Fäuste gepeilt: 150 Ohm. (Also viel zu wenig für die vorhergehende Emitterstufe.) > Wie kann ich sie berechnen? Exakt berechnen ist schwierig bis unmöglich. Rechnerisch ungefähr abschätzen ist meistens ausreichend und geht so: Die Dioden werden in Flussrichtung bestromt und können außer Betracht bleiben, weil ihr differenzieller Widerstand sehr gering ist (unterer Ohm-Bereich). Für das Signal sind das Kurzschlüsse. Das Wechselsignal, das hinter C2 (also zwischen den beiden Dioden) anliegt, findet 3 parallele Stromwege vor: Einmal über R5 nach Plus, einmal über R6 nach Minus, und einmal über die Basis des gerade leitenden Transistor, seinen Emitterwiderstand und die Last zur Masse. R5 und R6 haben jeweils 470 Ohm; die Parallelschaltung ergibt also 235 Ohm. Für Bipolartransistoren, die mit einem Emitterwiderstand gegengekoppelt sind, kann man den Eingangswiderstand durch R_eingang = h21e * R_E abschätzen. "h21e" ist die Strom- verstärkung des Transistors; R_E der Emitterwiderstand. Für eine geschätzte Stromverstärkung von 40 und einen wirksamen Emitterwiderstand von 8 Ohm (2.2 Ohm + 6 Ohm) folgt ein Eingangswiderstand der Stufe von 320 Ohm. 235 Ohm parallel 320 Ohm ergibt 135 Ohm. Noch 3 Bemerkungen: 1) Der Eingangswiderstand der Transistorstufe hängt, wie man bemerkt, von der Stromverstärkung des Transistors ab. Da diese in der Praxis stark streuen kann, lässt sich der Eingangswiderstand nicht exakt berechnen, sondern nur abschätzen. 2) Eine mögliche Lösung für Dein Problem kann darin bestehen, zwischen Q1 und C2 einen Impedanzwandler einzufügen. 3) Deine (grundsätzlich richtige) Schaltung hat zahlreiche Verbesserungsmöglichkeiten. Ich halte es für zielführender, Deine klar gestellte Frage zu beantworten, als Deinen Schaltungsentwurf in Grund und Boden zu kritisieren. Das überlasse ich den zahlreichen hier anwesenden "Fachleuten". Gruß, Rainer
m. g. schrieb: > Meine Vermutung ist, das die Impedanz des Ausgangs > der 1. Stufe mit der Eingangsimpedanz des Gegentaktverstärkers nicht > zusammenpasst. Du versuchst mit 2k Ausgang 235 Ohm zu treiben. Da muß die Spannung zusammenbrechen.
m. g. schrieb: > Hallo, > > ich bin gerade dabei einen Verstärker für meinen MP3 Player zu bauen. > Die Signalspannung des MP3 Players beträgt rund 200mV. > > Die beiden Endstufentransistoren sind ein BD135 und BD136! > > In der ersten Stufe soll das Signal auf ca. 4V verstärkt werden. Wenn > ich den Gegentaktverstärker über C2 ankopple, bricht mir hier die > Spannung zusammen. Meine Vermutung ist, das die Impedanz des Ausgangs > der 1. Stufe mit der Eingangsimpedanz des Gegentaktverstärkers nicht > zusammenpasst. > Du versuchst mit einem 2k die beiden 470 Ohmer zu überwinden. Kurt
Die Schaltung oben taugt bestenfalls zum lernen. Fall man nur wenig verändern will, und auch nicht so viel mehr Teile hat: Die Vorstufe und Emitterfolgerstufe Gleichspannungsmäßi kopplen, also C2 zur Seite legen. R6 kann weg, dafür kann der Kollektor von Q1 an die Basis von Q3. R4 ist dann auch Überflüssig. Damit hätte man schon eine erste Lösung die wenigstens halbwegs geht, wenn auch mit weniger Verstärkung.
m. g. schrieb: > ich bin gerade dabei einen Verstärker für meinen MP3 Player zu bauen. hier ne schaltung die ich in meiner jugend gebaut habe. die im schaltplan angegebenen transis sind natürlich heute erhältliche typen. soll nur als beispiel dienen wie man den vorverstärker aufbauen kann. der verstärker hat zwei gegenkopplungen. einmal global vom ausgang zum emitter von t1 und dann noch eine von emitter t2 zur basis von t1. d1 ist mit dem kühlkörper oder mit dem gehäuse des endtransis zu verbinden. die enstransis sind zu paaren. die endstufe hat nachteile. - kein diff verstärker /opamp - keine +- versorgung was nen ausgangselko bedingt.
Ich habe meine Schaltung nun etwas erweitert und die Vorverstärkung über 4 Stufen aufgebaut. Nach der Simulation mit LTSpice sieht das schon mal nicht so schlecht aus! Mein Problem ist aber die Vollaussteuerung der beiden Leistungstransistoren im Gegentaktbetrieb. Ich habe hier schon einiges versucht, komme aber nicht dahinter wie ich eine Ausgangsspannung von ca. +- 10V erreichen kann? Wenn ich die Spannungsverstärkung der 4. Stufe erhöhe, wird das Ausgangssignal nur verzerrt! Anbei die Schaltung und die Messwerte der Ausgangsspannung (2) und der Spannung am Eingang des Gegentaktverstärkers (1). Kann mir jemand einen Tip geben, wie ich die Ausgangsspannung der Endstufe erhöhen kann?
m. g. schrieb: > Kann mir jemand einen Tip geben, wie ich die Ausgangsspannung der > Endstufe erhöhen kann? Ganz einfach: indem du die Versorgungsspannung der Enstufentransis erhöhst!
m. g. schrieb: > Wenn ich die Spannungsverstärkung der 4. Stufe erhöhe, wird das > Ausgangssignal nur verzerrt! Natürlich, denn der lieferbare Strom ist viel zu klein. Der maximale Ausgangsstrom wird nämlich von R16/R17 und nicht vom Eingangssignal an (1) bestimmt. > Kann mir jemand einen Tip geben, wie ich die Ausgangsspannung der > Endstufe erhöhen kann? R16/R17 verkleinern, Transitoren mit größerer Stromverstärkung (Darlingtons) einsetzen. Ich schrieb: > Ganz einfach: indem du die Versorgungsspannung der Enstufentransis > erhöhst! Die Versorgung ist 24V und das Ausgangssignal ist 5V, da ist die Versorgung ganz sicher nicht das Begrenzende.
Ich habe hier eine Versorgung von 24V. Damit könnte ich doch eine Aussteuerung von rund +-10V erreichen oder? Wenn ich R16/ R17 auf 470 Ohm reduziere, erhalte ich eine Ausgangsspannung von +- 2V. Vielleicht belaste ich hier die 4.Stufe schon zu stark?
m. g. schrieb: > Kann mir jemand einen Tip geben, wie ich die Ausgangsspannung der > Endstufe erhöhen kann? Last verringern. Dir fehlt komplett eine Stabilisierung des Nullpunktes der Ausgangsspannung bei 12V durch Gegenkopplung. Welche mittlere Spannung an 1 liegt, ist bei dir Zufall. Nur in einer Simulation mit perfekt gleichen Transistordaten kämen da 12V raus. Ebenso der Ruhestrom, den du durch die Vorspannung mit den Dioden erreichst. Es ist kompletter Zufall, ob du eine Klasse B oder Klasse AB Endstufe bekommst und welche Übergangsverzerrungen sie haben wird. Bis zum tauglichen Gegentaklt-Endverstärker wird es bei dir noch sehr lange dauern.
MaWin schrieb: > m. g. schrieb: >> Kann mir jemand einen Tip geben, wie ich die Ausgangsspannung der >> Endstufe erhöhen kann? > > Last verringern. Kann ich nicht. Ich habe einen 6-Ohm Lautsprecher! > Dir fehlt komplett eine Stabilisierung des Nullpunktes der > Ausgangsspannung bei 12V durch Gegenkopplung. Wie mache ich das?
Um bei 24 V Versorgung +-10 V (also 20 Vss) zu erreichen muss man sich schon etwas anstrengen. Das ist nicht so ganz einfach, wenn auch nicht unmöglich. Die Schaltung hat gleich mehrere Probleme: Die Endstufe arbeitet ohne definierten Ruhestrom - das kann von sehr viel (bis zur Selbstzerstörung) bis 0 (klasse B Betrieb) reichen. Wenn man einen Ruhestrom haben will, gehören die Widerstände an die Emitter der Endtransistoren. Ohne Rückkopplung vom Ausgang her gibt es bei Klasse B (also ohne Ruhestrom) erhebliche Verzerrungen. Die Widerstände R16 und R17 belasten die Stufe davor auch recht erheblich. Einfach mit Kapazitiver Kopplung zwischen die beiden Diode ist einfach unpraktisch. Besser sollte der Transistor davor schon auf die Basis vom PNP Endtransistor wirken und der "Lastwiderstand" am NPN Transistor liegen. der "Lastwiderstand" sollte auch eher eine Stromquelle sein - etwa als 2 Widerstände mit einem sogenannten Bootstrapping Kondensator zum Ausgang. Da auch der Widerstand am Emitter von Q6 die Maximale Amplitude einschränkt sollte wenigstens die Letzte Stufe ohne auskommen, etwa mit Spannungsgegenkopplung. Das geht dann auch gleich vom Ausgang. Im Prinzip reicht das auch schon als Schaltung - wobei man für die Endstufe ggf. Darlington Transistoren bräuchte für genügend Strom.
Danke Ulrich! Das ist nun schon einiges was du mir da vorschlägst! Hast du vielleicht ein Schaltungsbeispiel als Vorlage?
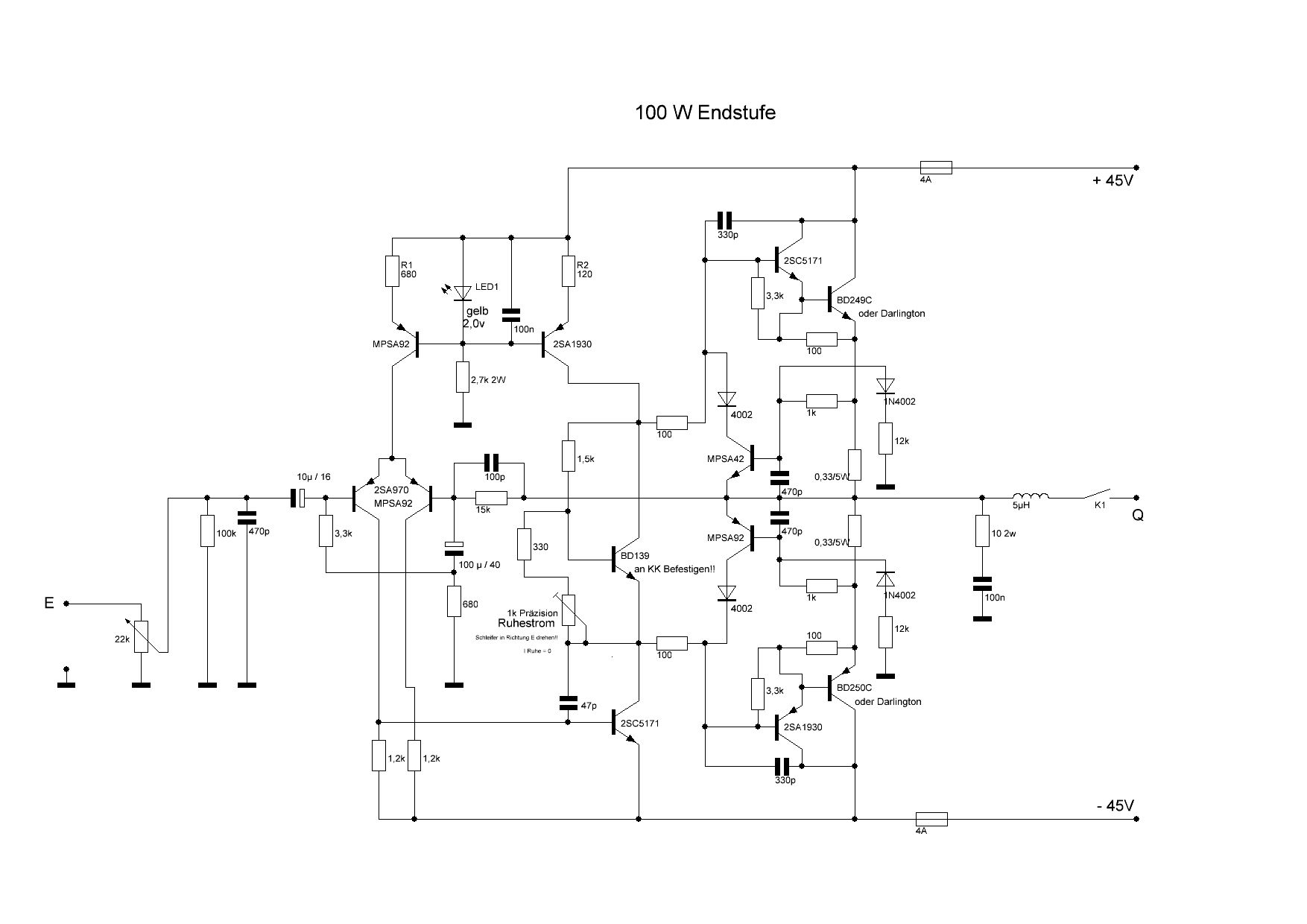
m. g. schrieb: >> Dir fehlt komplett eine Stabilisierung des Nullpunktes der >> Ausgangsspannung bei 12V durch Gegenkopplung. > Wie mache ich das? hast tomaten auf den augen? endstufe_kleinleistung.gif? die schaltung hat sogar zwei gegenkopplungen. deine endstufe ist unterirdisch. so hat man das in den allerersten anfängen der transitechnik gemacht. das baut man direkt gekoppelt also ohne koppel c zwischen den stufen und an den eingang gehört ne diff stufe. dann hast nen opamp den du z.b. als nichtinvertierenden opamp verschalten kannst. 100w endstufe. dann wird über alles gegengekoppelt. und vier stufen bei den heute verfügbaren transis?? diff stufe, spannungsverstärkerstufe, endstufe. dazu noch die stromquellen und aus.
Da es in Worten etwas schwer ist, hier mal ein minimaler 3 Transistor Klasse B Verstärker. Für 6 Ohm Last reicht das so noch nicht ganz, und die Einstellung des DC Levels ist auch nicht gut.
Ulrich schrieb: > Für 6 Ohm Last reicht das so noch nicht ganz, und > die Einstellung des DC Levels ist auch nicht gut. nimm wie oben beschrieben zwei transis in der vorstufe und koppel passend gegen. am besten funzt das wenn man das ganze als opamp auslegt. und dann darlington transis in der endstufe und go. siehe auch. http://www.hifi-forum.de/viewthread-103-71.html
m. g. schrieb: > Wie mache ich das? Wie bereits geschrieben durch Gegenkopplung, den Gleichspannungsanteils. Schau dir halt mal übliche Gegentaktverstärkerschaltungen an, bevor du hier jedes einzelne Bauteil lang und breit erklärt bekommen willst. Das kennst du schon: http://haggenmiller.name/resources/sc_lvst.pdf http://elektroniktutor.de/analogverstaerker/ab_verst.html das zeigt die Gegenkopplung http://elektroniktutor.de/analogverstaerker/kompl.html
Danke für eure Vorschläge! Dann wird ich mich mal an die Arbeit machen :-)
m. g. schrieb: > Kann mir jemand einen Tip geben, wie ich die Ausgangsspannung der > Endstufe erhöhen kann? Besondere Situationen erfordern besondere Maßnahmen ... Mit anderen Worten: Zu Deiner recht ungewöhnlichen Schaltung kommt nun eine weitere hinzu: Die Doppelbootstrap-Schaltung :-) Teile R16 und R17 jeweils in zwei Widerstände. Dann kommt jeweils ein Elko (100µF) vom Ausgang zu dem Mittelpunkt der geteilten Widerstände. Ach, ich hätte zwischendurch mal neu laden sollen ... :-/ Gruß Jobst
Bitte melde dich an um einen Beitrag zu schreiben. Anmeldung ist kostenlos und dauert nur eine Minute.
Bestehender Account
Schon ein Account bei Google/GoogleMail? Keine Anmeldung erforderlich!
Mit Google-Account einloggen
Mit Google-Account einloggen
Noch kein Account? Hier anmelden.







