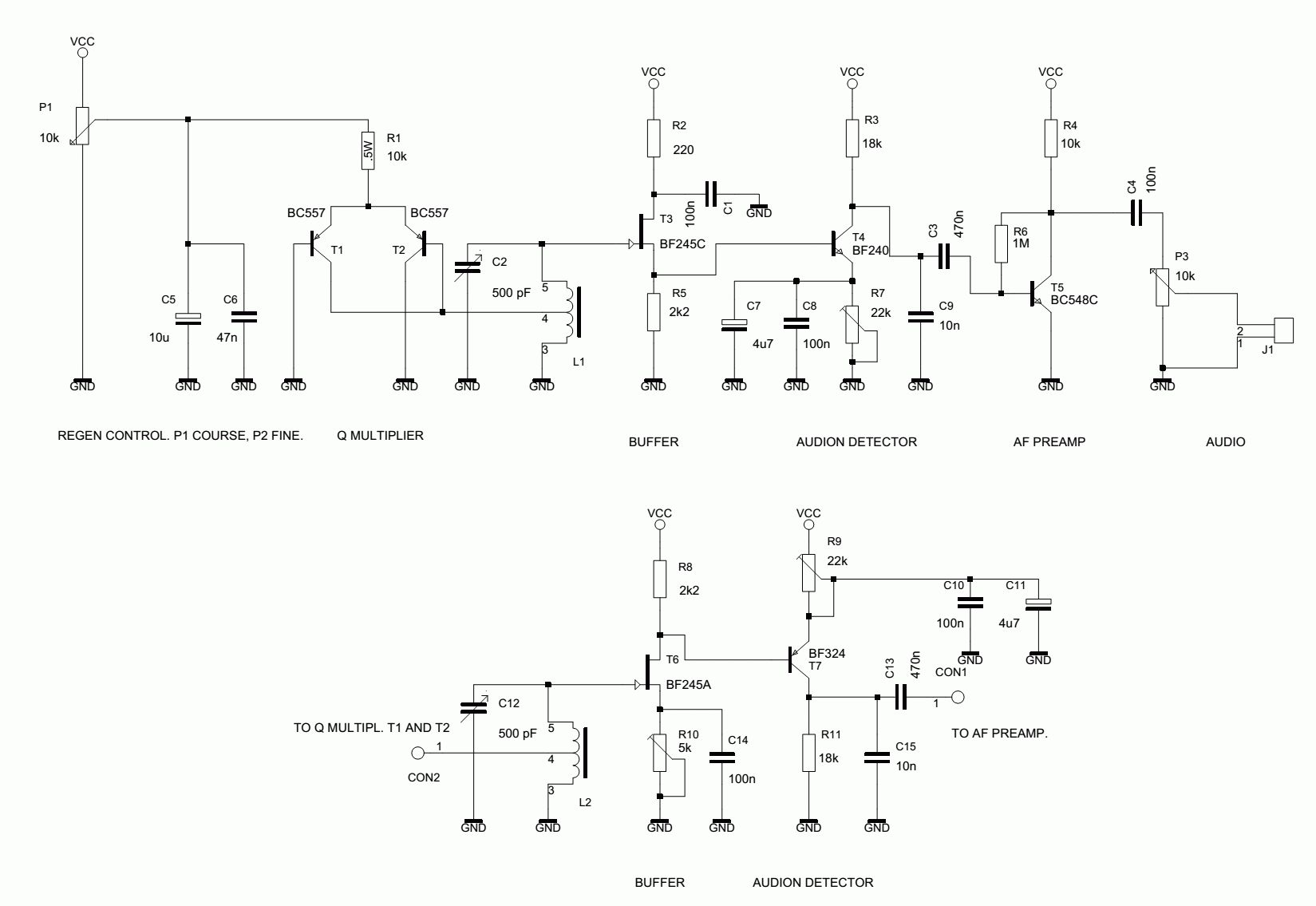
Servus, mich hatte mal wieder die Bastellaune gepackt und ich wollte schon seit längerem mal einen kleinen Receiver für 49-40m bauen, der auch in die Hosentasche passt. Im Anhang der Schaltplan mit allen Werten, die ich fast Ausnahmslos experimentell ermittelt habe (bis auf den Schwingkreis). Warum es in der Praxis funktioniert verstehe ich selbst zwar nicht, aber seis drum. Die Simulation an sich bringt keine vernünftigen Ergebnisse. Zur Entdämpfung ist zu sagen, dass ich anfangs das Ganze mit klassischer Mitkopplung vom Drain über Drehko zurück zur Einkoppelspule aufgebaut hatte. War mir persönlich aber zu instabil und zu stark von der Betriebsspannung abhängig, weshalb ich die Entdämpfung mittels PNP-Differenzverstärker (nach B.Kainka) benutze. Ist mir allerings nicht gelungen das passend zu simulieren (auch wegen dem Mittelabgriff an der realen Spule), daher im Schaltbild nicht angeschlossen. Die dadurch eigtl. überflüssige Einkoppelspule habe ich dann für die HF-Vorstufe zweckentfremdet. Die Audionstufe hat eigtl. einen BF245C, wovon mir aber das Modell fehlt. Die beiden gekoppelten Schwingkreise am Eingang sollen als Vorfilter wirken und sind ungefähr auf 5,8 - 7,3 MHz abgestimmt. Die 2pF am Hochpunkt sollen die kapazitive Kopplung der Windungen simulieren. In der Realität ist die Schaltung auch jetzt schon, lose aufs Brettchen gelötet mit viel zu langen Anschlüssen, sehr empfindlich und Empfang im 40m-Band geht auch bei schwachen Stationen mit entsprechender Antenne problemlos. Die Verstärkung des NF-Signals übernimmt ein kleiner LM386. Falls jemand noch Verbesserungsvorschläge hat die nicht gleich die ganze Schaltung verwerfen, immer her damit. Würde mich über Kritik/Anmerkungen/Kommentare freuen. vg sn
Hallo Sven Hier sind erstmal ein paar JFet Modelle. Gruß, Bernd
1  | .MODEL J310 NJF(Beta=3.384m Betatce=-500m Rd=1 Rs=1 Lambda=17m Vto=-3.409 Vtotc=-2.5m Is=193.9f Isr=1.881p N=1 Nr=2 Xti=3 Alpha=7.533u Vk=74.1 Cgd=6.2p M=464.7m Pb=1 Fc=500m Cgs=6.2p Kf=4.634e-002f Af=1 mfg=Fairchild)  | 
2  | .MODEL BF245A NJF(VTO=-1.7372E+000 BETA=1.16621E-003 LAMBDA=1.77211E-002 RD=9.01678E+000 RS=9.01678E+000 IS=2.91797E-016 CGS=2.20000E-012 CGD=2.20000E-012 PB=7.80988E-001 FC=5.00000E-001)  | 
3  | .MODEL BF245B NJF(VTO=-2.3085E+000 BETA=1.09045E-003 LAMBDA=2.31754E-002 RD=7.77648E+000 RS=7.77648E+000 IS=2.59121E-016 CGS=2.00000E-012 CGD=2.20000E-012 PB=9.91494E-001 FC=5.00000E-001)  | 
4  | .model BF245C NJF(VTO=-5.0014E+000 BETA=5.43157E-004 LAMBDA=2.71505E-002 RD=1.20869E+001 RS=1.20869E+001 IS=3.64346E-016 CGS=2.00000E-012 CGD=2.00000E-012 PB=1.24659E+000 FC=5.00000E-001)  | 
5  | .model BF256B NJF(VTO=-2.3085E+000 BETA=1.09045E-003 LAMBDA=2.31754E-002 RD=7.77648E+000 RS=7.77648E+000 IS=2.59121E-016 CGS=2.00000E-012 CGD=2.20000E-012 PB=9.91494E-001 FC=5.00000E-001)  | 
Ok, das Vorfilter ist so überkritisch gekoppelt, daß die beiden Maximas auf den interessanten Bereichen 6 MHz und 7 MHz zu liegen kommen. Mit L3 als Koppelwicklung plus einem 1k Widerstand in Reihe koppelt nicht wirklich viel in den Schwingkreis über. Außer mit angezogener Rückkopplung, weil dann die Impdanz aufs 10-100 fache ansteigt. Dann gibt es einen Gewinn von ~5dB. Falls etwas mehr Signal benötigt wird, probier mal diese Variante. Der Parallelwiderstand sollte die Koppelspule so stark bedämpfen, daß J1 auf keinen Fall als Huth-Kühn-Oszillator zu schwingen beginnt. BC327 für den Q-Multiplier sind ungünstig, da diese nur eine Transitfrequenz von 80 MHz haben. Bei 7 MHz liegt also die Stromverstärkung bei ~10 und ist ziemlich frequenzabhängig. Besser wären BC557, 2N3906, BF324 usw. Die Rückkopplung scheint jedenfalls weich anzusprechen. Der Demodulator funktioniert zwar, gibt aber nicht wirklich die Hüllkurve wieder, er hat einen hohen Klirrfaktor >= 10%. Ich hab mal eine andere Variante probiert. Das Ausgangssignal ist ähnlich groß und die Kurve stimmt gut mit der Hüllkurve überein. Aber wie gesagt, der alte funktioniert auch. Einige weitere Bjt-Modelle:
1  | .model BF199 NPN(IS=4.031E-16 NF=0.9847 ISE=9.187E-17 NE=1.24 BF=122.5 IKF=0.065 VAF=135 NR=0.991 ISC=4.1E-13 NC=1.37 BR=5.036 IKR=0.04 VAR=8 RB=16 IRB=0.0004 RBM=8 RE=0.402 RC=5 XTB=0 EG=1.11 XTI=3 CJE=2.258E-12 VJE=0.444 MJE=0.136 TF=2.92E-10 XTF=8 VTF=8 ITF=0.14 PTF=20 CJC=9.333E-13 VJC=0.2488 MJC=0.1974 XCJC=0.86 TR=3.5E-08 CJS=0 VJS=0.75 MJS=0.333 FC=0.9001 Vceo=25 Icrating=100m mfg=CDIL)  | 
2  | .model BF324 PNP(IS=4.031E-16 NF=0.9847 ISE=9.187E-17 NE=1.24 BF=122.5 IKF=0.065 VAF=135 NR=0.991 ISC=4.1E-13 NC=1.37 BR=5.036 IKR=0.04 VAR=8 RB=16 IRB=0.0004 RBM=8 RE=0.402 RC=5 XTB=0 EG=1.11 XTI=3 CJE=2E-12 VJE=0.444 MJE=0.136 TF=2.92E-10 XTF=8 VTF=8 ITF=0.14 PTF=20 CJC=8E-13 VJC=0.2488 MJC=0.1974 XCJC=0.86 TR=3.5E-08 CJS=0 VJS=0.75 MJS=0.333 FC=0.9001 Vceo=30 Icrating=25m mfg=Philips)  | 
3  | .model BFW92 NPN(IS=2.26749E-016 BF=4.27829E+001 NF=9.98081E-001 VAF=3.09206E+001 IKF=2.80682E+000 ISE=1.25812E-011 NE=2.69052E+000 BR=1.50821E+001 NR=9.89755E-001 VAR=1.31800E+001 IKR=3.83070E-001 ISC=6.22829E-016 NC=1.08818E+000 RB=1.00000E+001 IRB=1.00000E-006 RBM=1.00000E+001 RE=3.00000E-001 RC=2.76000E+000 EG=1.11000E+000 XTI=3.00000E+000 CJE=8.93473E-013 VJE=6.00000E-001 MJE=2.81933E-001 TF=1.03700E-010 XTF=8.59092E+001 VTF=4.16619E-002 ITF=9.82771E-002 PTF=0 CJC=1.08829E-012 VJC=4.07523E-001 Vceo=15 Icrating=25m mfg=Philips)  | 
4  | .model BFR93A NPN(IS=1.329E-15 BF=1.02E+2 NF=1.00025E+0 VAF=5.19E+1 IKF=8.155E+0 ISE=1.39E-14 NE=1.513E+0 BR=1.7695E+1 NR=9.94E-1 VAR=3.28E+0 IKR=1.0E+1 ISC=1.043E-15 NC=1.19E+0 RB=1.0E+1 IRB=1.0E-6 RBM=1.0E+1 RE=7.636E-1 RC=9.0E+0 EG=1.11E+0 XTI=3.0E+0 CJE=2.03216E-12 VJE=6.0E-1 MJE=2.90076E-1 TF=6.5579E-12 XTF=3.89752E+1 VTF=1.09308E+1 ITF=5.21078E-1 CJC=1.00353E-12 VJC=3.40808E-1 MJC=1.94223E-1 Vceo=12 Icrating=35m mfg=Philips)  | 
5  | .model BFT93 PNP(IS=1.329E-15 BF=1.02E+2 NF=1.00025E+0 VAF=5.19E+1 IKF=8.155E+0 ISE=1.39E-14 NE=1.513E+0 BR=1.7695E+1 NR=9.94E-1 VAR=3.28E+0 IKR=1.0E+1 ISC=1.043E-15 NC=1.19E+0 RB=1.0E+1 IRB=1.0E-6 RBM=1.0E+1 RE=7.636E-1 RC=9.0E+0 EG=1.11E+0 XTI=3.0E+0 CJE=2.03216E-12 VJE=6.0E-1 MJE=2.90076E-1 TF=6.5579E-12 XTF=3.89752E+1 VTF=1.09308E+1 ITF=5.21078E-1 CJC=1.00353E-12 VJC=3.40808E-1 MJC=1.94223E-1 Vceo=12 Icrating=35m mfg=Philips)  | 
6  | .model BFR96 NPN(IS=2.44463E-015 BF=9.80000E+001 NF=9.87224E-001 VAF=2.66948E+001 IKF=2.00000E+000 ISE=3.95722E-014 NE=1.41333E+000 BR=8.53970E+001 NR=9.78180E-001 VAR=4.69684E+000 IKR=3.08736E-002 ISC=3.07780E-015 NC=1.12019E+000 RB=3.00000E+000 IRB=1.00000E-006 RBM=3.00000E+000 RE=7.17149E-002 RC=6.62000E-001 EG=1.11000E+000 XTI=3.00000E+000 CJE=5.15057E-012 VJE=6.00000E-001 MJE=3.77782E-001 TF=1.61902E-011 XTF=7.50000E+001 VTF=2.83687E-002 ITF=2.48030E-001 CJC=2.38386E-012 VJC=2.98165E-001 MJC=2.14438E-001 Vceo=15 Icrating=100m mfg=Philips  | 
7  | .model BFR181 NPN(IS=0.0010519E-18 BF=96.461 NF=0.90617 VAF=22.403 IKF=0.12146 ISE=12.603E-18 NE=1.7631 BR=16.504 NR=0.87757 VAR=5.1127 IKR=0.24951 ISC=0.01195E-18 NC=1.6528 RB=9.9037 IRB=0.69278E-3 RBM=6.6315 RE=2.1372 RC=2.2171 CJE=1.8168E-18 VJE=0.73155 MJE=0.43619 TF=17.028E-12 XTF=0.33814 VTF=0.12571 ITF=1.0549E-3 PTF=0 CJC=319.69E-18 VJC=1.1633 MJC=0.30013 XCJC=0.082903 TR=2.7449E-9 CJS=0 VJS=0.75 MJS=0 XTB=0 EG=1.11 XTI=3 FC=0.99768 TNOM=300 Vceo=12 Icrating=20E-3 mfg=NXP)  | 
8  | .model BFT92 PNP(IS=4.37563E-016 BF=3.35815E+001 NF=1.00972E+000 VAF=2.33946E+001 KF=9.95381E-002 ISE=8.70539E-014 NE=1.94395E+000 BR=4.94721E+000 NR=1.00254E+000 VAR=3.90385E+000 IKR=5.28157E-003 ISC=3.58864E-014 NC=1.39333E+000 RB=5.00000E+000 IRB=1.00000E-006 RBM=5.00000E+000 RE=1.00000E+000 RC=1.00000E+001 EG=1.11000E+000 XTI=3.00000E+000 CJE=7.46659E-013 VJE=6.00000E-001 MJE=3.56829E-001 TF=1.74921E-011 XTF=1.35455E+000 VTF=1.55654E-001 ITF=1.00000E-003 PTF=4.50000E+001 CJC=9.37103E-013 VJC=3.96455E-001 MJC=1.99949E-001 Vceo=15 Icrating=25m mfg=Philips)  | 
9  | .MODEL BD135 NPN (IS=2.3985E-13 BF=244.9 NF=1.0 BR=78.11 NR=1.007 ISE=1.0471E-14 NE=1.2 ISC=1.9314E-11 NC=1.45 VAF=98.5 VAR=7.46 IKF=1.1863 IKR=0.1445 RB=2.14 RBM=0.001 IRB=0.031 RE=0.0832 RC=0.01 CJE=2.92702E-10 VJE=0.67412 MJE=0.3300 FC=0.5 CJC=4.8831E-11 VJC=0.5258 MJC=0.3928 XCJC=0.5287 XTB=1.1398 EG=1.2105 XTI=3.0 Vceo=45 Icrating=2 mfg=Philips)  | 
Dioden-Modelle:
1  | .model HSMS2865 D(Is=5e-8 Ibv=1e-5 Rs=6 N=1.05 Cjo=0.18p M=.5 Eg=.69 Xti=2 Vj=0.65 Vpk=7 mfg=Agilent type=Schottky)  | 
2  | .model BAT17 D(Is=.25u Rs=8 N=1 Cjo=0.55p M=.3 Eg=.69 Xti=2 Iave=130m Vpk=4 mfg=Vishay type=Schottky)  | 
3  | .model BAT41 D(Is=.1u Rs=1 N=1 Cjo=2p M=.3 Eg=.69 Xti=2 Iave=100m Vpk=100 mfg=Vishay type=Schottky)  | 
4  | .model BAT43 D(Is=.5u Rs=4 N=1 Cjo=7p M=.3 Eg=.69 Xti=2 Iave=200m Vpk=30 mfg=Vishay type=Schottky)  | 
5  | .model BB112 D(IS=10n TT=5U CJO=470P VJ=5 M=1.75843 Rs=2 Bv=10 Vpk=12 mfg=Infineon type=varactor)  | 
6  | .model BB122 D(IS=10n TT=5U CJO=30P VJ=5 M=1.75843 Rs=2 Bv=30 Vpk=30 mfg=Philips type=varactor)  | 
7  | .model BB132 D(IS=10n TT=5U CJO=78P VJ=5 M=1.75843 Rs=2 Bv=28 Vpk=30 mfg=Philips type=varactor)  | 
8  | .model BB133 D(IS=10n TT=5U CJO=48P VJ=5 M=1.75843 Rs=.9 Bv=28 Vpk=30 mfg=Philips type=varactor)  | 
9  | .model BB409 D(IS=10n TT=5U CJO=55P VJ=7 M=1.75843 Rs=.35 Bv=28 Vpk=30 mfg=Philips type=varactor)  | 
Vielen Dank für die Modelle schonmal, früher hatte ich auch einiges mehr im LTSpice, hab aber dummerweise vergessen das vor der Neuinstallation von Windows zu sichern. Zu der Schaltung; da ist wie schon geschrieben eben nichts berechnet oder vorher simuliert, alles nur durch Ausprobieren "ermittelt". Eben ein "quick&dirty" Projekt was ich mal schnell zwischendurch zusammengeklatscht habe. Die Dimensionierung der Koppelwicklung L3 resultiert daher auch noch aus ihrer alten Verwendung zur Rückkopplung. Ich habe bei allen Bauteilen immer nur nach Verbesserung oder Verschlechterung der Lautstärke am Ausgang ausgewählt. Den 1k-Ohm Widerstand R4 hatte ich eingesetzt, weil die Verstärkung schon zu hoch war und manche AM-Sender das komplette Band "Überfahren" haben. Den BF245 ohne Drainwiderstand bzw. Sourcefolger hatte ich als Demodulator schon probiert, allerdings war die Lautstärke wesentlich geringer. Ich werde aber mal den Emitterfolger wie in deinem Schaltbild versuchen, der zusätzliche Bauteilaufwand ist ja gering. Zu den BC327: Habe eben nochmal nachgesehen, es sind tatsächlich BC307 die ich verbaut hatte. Der Grund dafür ist, es sind die einzigen PNP-Transistoren die ich hier habe^^. Evtl. müsste man die Schaltung dann mal auf NPN umändern. Ich hätte noch BF494 zur Verfügung. Ich nehme auch an, daß der momentane Aufbau der Schaltung da zu vielen unvorhersehbaren Effekten führt, weil alles wild miteinander koppelt. Um leicht Änderungen vorzunehmen habe ich alle Anschlussbeinchen der Bauteile sehr lang gelassen. Bin sehr gespannt ob die Schaltung auch noch (so gut wie jetzt) funktioniert sobald sie im Gehäuse steckt.
> und manche AM-Sender das komplette Band "Überfahren" haben Das ist natürlich ein Argument. Möglicherweise wäre ein HF-Regler vor oder nach dem Vorfilter sinnvoll. > es sind die einzigen PNP-Transistoren die ich hier habe^^. > Evtl. müsste man die Schaltung dann mal auf NPN umändern Wie verhält sich die Schaltung, schwingt sie besser bei hohen oder tiefen Frequenzen? Falls die Schwingfreudigkeit in Richtung hoher Frequenzen nicht nachläßt, kann man damit auch leben. Hat die Rückkopplung einen starken Einfluss auf die Frequenz? Große Kapazitäten ergeben auch stärkeren Einfluss. Die beiden RC-Glieder an den Gates der JFets hab ich in der Simulation rausgenommen, denn es sind ja DC-Pfade gegen GND vorhanden und man kann sich da nur Brumm einfangen. In der Simulation gab es funktionell keinen Unterschied. Nachtrag: Der BC307 ähnelt dem BC557, dann eventuell mit dem weitersimulieren.
Nun, ich wollte hier ja eine relativ kompakte Schaltung aufbauen, also so wenig Bauteile wie möglich verwenden (Platzmangel im Gehäuse). Ich muss also einen Kompromiß zwischen Verstärkung und Großsignalfestigkeit finden. Momentan gehen als Bedienelemente aus dem Gehäuse raus: Frequenz grob und fein, Entdämpfung, Lautstärke und Ein/Aus. Ob da noch Platz für Weiteres bleibt muss ich erstmal schauen. Allgemein schwingt die Schaltung bei tiefen Frequenzen etwas besser. Der Einfluß der Rückkopplung auf die Frequenz ist recht gering. Durch Verkleinern von R9 kann man die Schwingfreudigkeit noch etwas verbessern. Ich hatte den schon von ursprünglich 10k auf 4.7k verkleinert, weil anfangs SSB nicht sauber demoduliert wurde. Mit 4.7k geht es aber recht gut. >Die beiden RC-Glieder an den Gates der JFets hab ich in der Simulation >rausgenommen Guter Punkt, fast schon eine blöde Angewohnheit die immer einzubauen^^.
> Platzmangel im Gehäuse. Ich muss also einen Kompromiß > zwischen Verstärkung und Großsignalfestigkeit finden. Genau dieses Problem wurde zu Audion-Zeiten gelöst, indem der Lautstärkeregler das Antennesignal geregelt hat oder beim Zweikreiser die Vorstufen-Verstärkung. Das Audion wird dadurch selektiver, großsignalfester und der Pulling-Effekt bei SSB und CW wird auch deutlich verringert.
So, kurzes Update: Im Betrieb hat sich gezeigt, dass man das Vorfilter mit 2k abschließen muss, sonst schwingt die ganze Schaltung und demoduliert SSB auch mit abgeklemmter Rückkopplung. Die Transistoren für den Q-Multiplier habe ich auf 2N3703 geändert, mit einem f_T von 100 MHz. Mit den BC307 (ft um 300 MHz) gab es Probleme mit hochfrequenten Schwingungen. Der Tip mit dem Abschwächer als Lautstärkeregelung war super, das funktioniert soweit gut. Ein log. 2k-Ohm Poti wäre sicher besser gewesen, aus Bauteilmangel nutze ich aber ein 10k mit 2.7k parallel. Hier müsste ich dann nochmal prüfen ob man die Regelung nicht besser über die Vorstufe macht, und wie man das dann realisieren würde. Es sollte nämlich schon bei der 1-Transistor Stufe bleiben. Den 2-Transistor Demodulator habe ich trotz besserer Qualität doch nicht benutzt um Bauteile (Platz) zu sparen. Die Einkoppelwicklung L3 musste ich bis jetzt nicht mit einem Widerstand dämpfen, aber das kann sich nach Einbau ins Gehäuse noch ändern. Demnächst werde ich die Schaltung mal in ein Gehäuse packen. Die Stromversorgung soll dann evtl. über einen 8,4 V Lipo-Akku laufen. Mit 2000mAh hätte man da eine recht lange Betriebsdauer. Irgendwo scheint in der Simulation noch ein Fehler zu sein, ich bekomme am Ausgang NF-Spannungen im nV-Bereich. Das erscheint mir recht wenig, auch wenn der LM386 ja noch mal um Faktor 200 verstärkt. Was noch ergänzt wird ist eine Feinregelung mit Kapazitätsdiode. PS: Das Spice-Modell für den 3703: .MODEL 2N3703 PNP(Is=650.6E-18 Xti=3 Eg=1.11 Vaf=115.7 Bf=66.92 Ne=1.829 + Ise=189.7f Ikf=1.079 Xtb=1.5 Br=4.197 Nc=2 Isc=0 Ikr=0 Rc=.715 + Cjc=14.76p Mjc=.5383 Vjc=.75 Fc=.5 Cje=19.82p Mje=.3357 Vje=.75 + Tr=120.6n Tf=761.3p Itf=.65 Vtf=5 Xtf=1.7 Rb=10) * National pid=63 case=TO92 * 88-09-09 bam creation
Hier habe ich einen Audion-Empfänger mit einer FET Pufferstufe, gefolgt von einem Bipolär-Audion. Der Q-Multiplier ist derselbe als oben beschrieben. Es ist immer besser um die Audionstufe und die Entdämpfungsstufe zu trennen für bessere Empfängsergebnis.
Hallo Sven > dass man das Vorfilter mit 2k abschließen muss, sonst schwingt die > ganze Schaltung und demoduliert SSB auch mit abgeklemmter Rückkopplung. Die Vorstufe schließt bei ihren ungewollten Schwingung die Drain-Koppelwicklung mit ein (Huth-Kühn-Oszillator) deshalb hatte ich dort einen Widerstand parallel eingezeichnet. > Die Transistoren für den Q-Multiplier habe ich auf 2N3703 geändert, > mit einem f_T von 100 MHz. Mit den BC307 (ft um 300 MHz) gab es > Probleme mit hochfrequenten Schwingungen. Diese Schaltung ist sehr schwingfreudig. Bei Ankopplung an eine Anzapfung ergibt sich eine weitere Resonanz aus der Teilinduktivität an der Anzapfung und der parasitären Kapazitäten der beiden Q-Multiplier-Transistoren, auf der dieser Oszillator zu schwingen beginnt. Bei Ankopplung am oberen Ende des Schwingkreises passiert das in der Regel nicht. > ob man die Regelung nicht besser über die Vorstufe macht Das Poti in Reihe zu C6, aber der Regelbereich ist nicht besonders groß und es gibt evtl einen Einfluss auf die Rückkopplung. Die aktuelle Lösung finde ich besser. > Irgendwo scheint in der Simulation noch ein Fehler zu sein, > ich bekomme am Ausgang NF-Spannungen im nV-Bereich Ich hab nur am Ausgang des Detektors noch ein klein wenig geändert, deshalb häng ich nur die Simulation an. Man muss bedenken, daß von der Antenne nur 100 µV kommen und das HF-Poti auf 50% steht. NF kommen jetzt 3mVss raus. @Mast Zwei Fragen: Ist das eine Ferritantenne? Wie Verhält sich der Demodulator in Kombination mit dem Poti, hat das Vorteile? Ich kenn nur die Version mit einem hochohmigen Widerstand zwischen Basis und Kollektor. Gruß, Bernd
>deshalb hatte ich dort einen Widerstand parallel eingezeichnet. Hab ich in den aktuellen Aufbau auch wieder reingenommen. 10k Ohm. >Ich hab nur am Ausgang des Detektors noch ein klein wenig geändert Besten Dank, werde ich so in den Aufbau übernehmen. Im Laufe der Woche packe ich alles mal ins Gehäuse, mal schauen wie es läuft. Werde dann auch mal Bilder posten. Habe gesehen der R12 parallel zum Poti ist wieder draussen, nachdem ich das Filter mal alleine simuliert habe, sehe ich auch warum^^. Der Simulation nach wäre hier sogar ein noch hochohmigeres Poti (330k wären verfügbar) sogar besser. Spricht etwas dagegen? C7 scheint für den Pegel des NF-Signals sehr wichtig zu sein habe ich bemerkt.
> nachdem ich das Filter mal alleine simuliert habe Bei einem 300k Poti und einer 2k Antenne ändert sich die Belastung des Filters stark und verformt sich entsprechend. > C7 scheint für den Pegel des NF-Signals sehr wichtig zu sein Ohne C7 demoduliert es nicht, ist er zu groß, liegt die Grenzfrequenz bei einigen hundert Herz und alles darüber wird verschluckt. Zuvor war C14 vor C7 neingebaut, wodurch sich ein kapazitiver Spannungsteiler ergäbe.
>Bei einem 300k Poti und einer 2k Antenne ändert sich die Belastung des >Filters stark und verformt sich entsprechend. Davon war ich auch ausgegangen, aber die Simulation bringt nur geringe Unterschiede. Auf Impedanzänderungen am Ausgang reagiert es wesentlich empfindlicher.
B e r n d W. schrieb: > > @Mast > > Zwei Fragen: > Ist das eine Ferritantenne? Wie Verhält sich der Demodulator in > Kombination mit dem Poti, hat das Vorteile? Ich kenn nur die Version mit > einem hochohmigen Widerstand zwischen Basis und Kollektor. > > Gruß, Bernd L1 kann eine Ferritantenne sein, aber auch eine Kurzwellenspule. Die Potis R7 und R9 ist zum einstellen des Audion-detectors (T4 und T7) auf dem optimalen Arbeitspunkt, da sie direkt met dem FET verbunden sind.
Die HF-Vortsufe mit T1 kann sehr leicht unerwünscht schwingen von der Miller-Kapazität zwischen Drain und Gate (Huth-Kühn-Oszillator). Sie müssen am besten eine Kaskodeschaltung oder eine GateSchaltung (Gate an der Masse geschaltet) verwenden um solchen Schwingungen zu vermeiden. Im letzen Fall müssen sie den Antennekreis über eine Anzapfung mit der Source verbinden.
Das wäre auch noch eine Alternative ohne Schwingneigung. Die Vorstufe verstärkt zwar nicht mehr, aber das Signal am Vorfilter steigt wegen R13=10k höher, als an der Antenne. Jetzt gibt es allerdings einen Einfluss des HF-Potis auf die Filterkurve (dieses mal selber überprüft). Die Koppelwicklung hat nur noch 3 Windungen, denn die Impedanz am Source der Vorstufe liegt um 200 Ohm. Dadurch wird das Signal von der Koppelwicklung zum Audion-Schwingkreis hochtransformiert. Bei ~20µV Eingangssignal kommen trotzdem nur 2mVss NF raus. Das könnten IMO 20 dB etwas mehr sein. @Mast > Die Potis R7 und R9 ist zum einstellen des Audion-detectors > (T4 und T7) auf dem optimalen Arbeitspunkt Ja, schon klar. Aber lohnt es sich, die beiden Varianten mit und ohne Poti auszuprobieren/zu vergleichen oder merkt man in der Praxis keinen großen Unterschied?
Servus, die Variante mit Sourcefolger hatte ich auch schon, bewährt sich aber nur an großen Antennen. Für kleinere Antennen (2m Draht o.ä.) braucht man schon die zusätzliche Verstärkung der Vorstufe (zumindest bei meinen Versuchen). Ich hab das Gerät mittlerweile im Gehäuse, und dummerweise nicht an die Handempfindlichkeit bei Verwendung von Metall gedacht :-(. Aber gut, wird sich wohl auch auf Plastik umbauen lassen. Mehr Probleme bereiten mir die Potis für Rückkopplung und Feinabstimmung. Das "Prasseln" beim Drehen macht sich extrem störend (und laut) im Kopfhörer bemerkbar.
Sven N. schrieb: > Mehr Probleme > bereiten mir die Potis für Rückkopplung und Feinabstimmung. Das > "Prasseln" beim Drehen macht sich extrem störend (und laut) im Kopfhörer > bemerkbar. Das habe ich entweder zum Teil mit einem C über dem Poti gelöst oder wenn notwendig Poti reinigen. Aktuell habe ich ein Audion mit einem Drehko zur Einstellung der Rückkopplung. Das geht dann butterweich. Wenn der Aufbau klein sein soll, kann man es mit einen kleinen Foliendrehko versuchen.
>> Das "Prasseln" beim Drehen macht sich extrem störend bemerkbar > mit einem C über dem Poti gelöst Bei diesem Konzept kann halt leider bei der Rückkopplung kein Drehkondensator eingebaut werden. Aber C15 auf 1µF vergrößern, das kann auch ruhig ein Elko sein, oder den Elko noch dazu. Aber bei der Antenne wäre anstatt des Potis ein Drehko möglich, damit wird aber der Stellbereich kleiner. > nicht an die Handempfindlichkeit bei Verwendung von Metall gedacht Bei Handempfindlichkeit hätte ich eher ein Metallgehäuse empfohlen. Dann das Gehäuse in der Nähe des Erdanschlusses mit GND verbinden.
> mit einem C über dem Poti gelöst werde ich mal versuchen >Bei Handempfindlichkeit hätte ich eher ein Metallgehäuse empfohlen >Dann das Gehäuse in der Nähe des Erdanschlusses mit GND verbinden. Ich meinte damit den "Portabel-Betrieb", Berühren des Gehäuses ändert die Masserverhältnisse und beeinflusst die Rückkopplung (nehme ich an).
> Ich meinte damit den "Portabel-Betrieb", Berühren des Gehäuses ändert > die Masserverhältnisse und beeinflusst die Rückkopplung Es wird aber zur Drahtantenne ein Gegenpol benötigt, der Strom muss irgendwo hin fließen. Ohne Gegenpol oder Erde wird der Empfang mit Kunststoffgehäuse noch schlechter. Vermutlich haben dann Änderungen der Signalstärke und eine Kopplungen von der Antenne durch den Vorstufentransistor zum Audion den Einfluss auf die Rückkopplung. Dann wäre vermutlich eine Loopantenne (D=40-60cm) günstiger und/oder eine Vorstufe in Basis- bzw. Gateschaltung. Mit einem Bipolartransistor kann man eine Loop-Antenne so niederohmig ankoppeln, daß die Bandbreite von 6-7 MHz reicht. Durch die niedrigen Impedanzen ist das Ganze auch noch recht rauscharm. Ein Bipolar-Transistor erreicht eine deutlich höhere Verstärkung, als der JFet. Außerdem können Störungen durch drehen der Antenne augeblendet werden.
Servus, nach längerer Abstinenz melde ich mich wieder. Zu der Vorstufe, bzw. allgemein eher zur Emitterschaltung mit Spule/Drossel als Lastwiderstand hätte ich hier nochmal eine Frage: Laut meiner Literatur wird der Ausgangswiderstand der Emitterschaltung (ohne Gegenkopplung) hauptsächlich durch die Parallelschaltung Lastwiderstand/Wechselstromwiderstand des Transistors r_ce bestimmt. Da r_ce gegenüber R_last meist groß sei, kann man den Ausgangswiderstand (meist) mit dem Lastwiderstand gleichsetzen. Wie aber verhält sich das bei Induktivitäten als Last? Geht man vom Blindwiderstand aus? Z.b. 27 MHz und 300nH ~= 50 Ohm ? Eine Spice-Simulation würde das bestätigen wenn ich keinen Fehler gemacht habe.
Hallo Sven > Da r_ce gegenüber R_last meist groß sei, > kann man den Ausgangswiderstand mit dem Lastwiderstand gleichsetzen. Das ist nicht korrekt. Bei einer Kollektorschaltung beträgt der Ausgangswiderstand am Emitter bei Bipolar-Transistoren typischerweise < 10 Ohm. (BF199 ca. 3 Ohm) Oder (vereinfacht): Quell-Impedanz, an der die Basis hängt, durch Verstärkung bei der verwendeten Frequenz plus Emitter-Bahnwiderstand. > Wie aber verhält sich das bei Induktivitäten als Last? > Geht man vom Blindwiderstand aus? Z.b. 27 MHz und 300nH ~= 50 Ohm ? Der BF199 verhält sich dann ungefähr wie eine ohmsche Quelle mit 3 Ohm und einer Last XL = 50 Ohm. Die Ströme sind gleichphasig, da Reihenschaltung, aber die Spannung an der Spule eilt um 90° vor. jFets sind deutlich hochohmiger, wenn mich nicht alles täuscht, war es: Rs = 1 / Steilheit Beim J310 (der ist recht niederohmig): Rs = 1V/8mA = 125 Ohm Beim BF245 ca.: Rs = 1V/4mA = 250 Ohm Nachtrag: Leider hatte ich übersehen, daß da Emitterschaltung steht.
> Da r_ce gegenüber R_last meist groß sei, kann man den > Ausgangswiderstand (meist) mit dem Lastwiderstand gleichsetzen. Volle Zustimmung für die Emitterschaltung. Ein Bipolar-Transistor hat eine Stromverstärkung, der Kollektor verhält sich wie eine Stromquelle/Senke. Der Innenwiderstand einer idealen Stromquelle ist unendlich. In der Realität kann er dynamische Innenwiderstand 50-200 kOhm betragen. > Wie aber verhält sich das bei Induktivitäten als Last? > Geht man vom Blindwiderstand aus? Z.b. 27 MHz und 300nH ~= 50 Ohm ? Mit einen Kleinsignal-Transistor wird es schon schwierig, da überhaupt eine Verstärkung zu erreichen. Aber die Geschichte sieht mit einem parallel geschalteten Kondensator schon anders aus. Da arbeitet der Transistor am Resonanzwiderstand eines Schwingkreises und der kann hier 10 kOhm betragen (je nach Bauteilen und Güte).
Das dU/dI Steigungsdreieck drückt den Innenwiderstand am Kollektor aus. Rc = dU/di = 2V / 4mA = 500 Ohm Diese Stelle hab ich nur gewählt, damit das Dreieck überhaupt sichtbar ist. Welchen Innenwiderstand hat wohl die unterste Linie?
>Da arbeitet der Transistor am Resonanzwiderstand eines Schwingkreises und >der kann hier 10 kOhm betragen Ok, das leuchtet soweit ein. >Mit einen Kleinsignal-Transistor wird es schon schwierig, da überhaupt >eine Verstärkung zu erreichen Gut, da wird dann wohl die Last einfach zu niedrig sein. Ich hatte aber schon in vielen Schaltplänen im Netz Kleinsender gesehen die immer eine Emitterschaltung als Endstufe besaßen und bei welchen der Lastwiderstand immer aus einer Spule mit wenigen 100 nH bestand. Ich hatte mich über die (für KW) niedrigen Werte immer gewundert, aber scheinbar liegt der Zweck exakt darin an 50 Ohm Ausgangswiderstand zu gelangen? >Diese Stelle hab ich nur gewählt, damit das Dreieck überhaupt sichtbar >ist. Welchen Innenwiderstand hat wohl die unterste Linie? Ich nehme an da die Steigung 0 ist, geht der Innenwiderstand gegen Unendlich?
> Kleinsender, die immer eine Emitterschaltung als Endstufe besaßen > und bei welchen der Lastwiderstand immer aus einer Spule > mit wenigen 100 nH bestand. Je nach Modulationsart fungiert der Transistor als Schalter. Da zählt dann das Großsignal-Verhalten. Im Beispiel kann man noch den sägezahnförmigen Strom durch L2 erkennen. Das ähnelt schon fast einem Step-Up-Wandler.
Ist die Stufe im Bild dann im sog. C-Betrieb? Eine solche Schaltung mit Spule von Basis gegen Masse, ohne weitere Vorspannungserzeugung sieht man immer wieder mal im Netz. Aber hat man dabei nicht wahnsinnige Verzerrungen am Ausgang trotz Filterung? Der Oberwellengehalt von einer solchen Endstufe dürfte doch enorm sein?
> Ist die Stufe im Bild dann im sog. C-Betrieb?
Das ist dann D-Betrieb.
Aufgeladen wird die Drossel während des High-Pegels. Weil der Strom 
weiterfließen will, erzeugt sie beim Abschalten eine negative Spannung, 
begrenzt durch die Diode D2. Dadurch schaltet der Transistor schneller 
ab.
Ein 2-3 stufiger nachgeschalteter Tiefpass macht die Harmonischen weg.
  Mk, so langsam wird mir die Sache klarer. Ich nehme auch an so eine Schaltung würde ohne nachfolgendes Filter weniger gut funktionieren, weil das Filter wie so eine Art "Schwungrad" wirkt? Was ich an diesen Schaltungen aber noch merkwürdig finde ist der teils extrem gerine Eingangswiderstand. Die Schaltung im Anhang habe ich so mal direkt von einer QRP-Seite aus dem Netz übernommen. Aber der Eingangswiderstand von 20 Ohm erscheint mir extrem niedrig für eine Emitterschaltung? Man sieht dann auch immer mal wieder solche Schaltungen, wo solche "Endstufen" dann mit Kleinleistungstransistoren als Treiber (ebenfalls Emitterschaltung) angesteuert werden. Nur: Da passen doch dann die Widerstandsverhältnisse hinten und vorne nicht zwischen Treiberausgang und Eingang der Endstufe? Hier noch das Spice-Model für den 2n3866: .MODEL 2N3866 NPN ( BF=100 VAF=240 VAR=24 RC=4.9 RB=12.2 RE=0.132 IKF=0.28 ISE=3.6E-14 TF=7.1E-11 TR=8n ITF=0.12 VTF=9.9 CJC=2.7p CJE=3.5p XTI=3 NE=1.5 ISC=1.2E-14 EG=1.11 XTB=1.5 BR=1.5 VJC=0.75 VJE=0.75 IS=4f MJC=0.33 MJE=0.33 XTF=4.0 IKR=0.28 KF=1f NC=1.7 FC=0.5 RBM=9 IRB=0.04 XCJC=0.5 )
> der Eingangswiderstand von 20 Ohm erscheint mir extrem niedrig
Der Eingangsstrom ist zu 90% Kapazitiv durch die Miller-Kapazität
Cin = Cbc * 36dB. Das stimmt so nur für Eingangsspannungen im mV 
Bereich. Wird mit >= 1 Volt angsteuert, regelt sich die Ausgangsleistung 
auf 500-600 mW zurück, da mit größer werdender Eingangsspannungen die 
Basis sich durch Gleichrichtung negativ vorspannt.
  Hm, klingt alles kompliziert^^. Miller-Kapazität man die innere Kapazität zwischen Basis und Kollektor mal den Verstärkungsfaktor? Im Klartext, man hat eine unerwünschte Gegenkopplung? >Wird mit >= 1 Volt angsteuert, regelt sich die Ausgangsleistung >auf 500-600 mW zurück Aber andererseits brauchen Endstufen (relativ) hohe Steuerleistungen, was auch hohe Spannungspegel bedeutet? Irgendwie erschließt sich mir das Ganze noch nicht vollständig. Gibts evtl. eine Buchempfehlung wo ich mal bisschen nachlesen kann?
> Miller-Kapazität > Im Klartext, man hat eine unerwünschte Gegenkopplung? Die Eingangsimpedanz bei der Emitterschaltung ergibt sich hauptsächlich aus der Summe dieser drei Teile: 1. Die Kennlinie der BE-Diode. Betrachtet man aber den Transistor als Emitterfolger mit seinem Emitter-Bahnwiderstand als Last, dann beträgt die Eingangsimpedanz R_emitter*Hfe. Wenn also nur 1 Ohm in die Emitterleitung geschaltet wird, kann sich unter Umständen die Eingangsimpedanz um mehr als 100 Ohm erhöhen. 2. Die BE-Kapazität. Deren Xc wirkt maximal einfach (nicht mehrfach), falls der Emitter HF-mäßig auf GND liegt. Befindet sich ein Bauteil in der Emitterleitung, so ergibt sich eine Reihenschaltung mit C_be. 3. Die BC-Kapazität, welche sich je nach Miller-Effekt erhöht. Je nach Phasenlage und äußere Beschaltung kann aber auch eine Mitkopplung entstehen -> Huth-Kühn-Oszillator. Alle drei Kapazitäten zwischen BE, BC und CE sind spannungsabhängig, da sich die Sperrschicht-Breiten verändern. Bei welchem Arbeitspunkt sich die Kapazitäten reduzieren lassen, zeigt ein Blick ins Datenblatt. Dann gibt es noch den Sättigungs-Effekt. Wird ein Transistor so kräftig durchgeschaltet, dass er in die Sättigung gerät, benötigt er relativ lange, um sich daraus zu erhohlen. dies kann mit der Schottky-Schaltung umgangen werden. Bei HF-Transistroen ist dieser Effekt deutlich geringer ausgeprägt. http://de.wikipedia.org/wiki/Schottky-TTL Z.B. beschreibt das Gummel-Poon-Modell den Bipolar-Transistor in Spice. http://de.wikipedia.org/wiki/Ersatzschaltungen_des_Bipolartransistors Wenns ganz genau werden soll, kommen z.B. noch die Induktivitäten der Anschlußdrähte hinzu und dann noch die Kapazitäten zwischen den Anschlußdrähten. > Gibts evtl. eine Buchempfehlung In einem Uni-Script oder möglicherweise im Tietze-Schenk? Letzteres kann ich aber nicht garantieren.
Besten Dank, werd mich da ma durchwurschtln. Was mir aber immer noch nicht klar ist: In der Signalkette bei einem Sender hätte man seine Signalerzeugung etc., dann wahrscheinlich eine Treiberstufe und am Schluß eine Endstufe. Soweit klar. Nur mit jeder Verstärkung in der Kette steigt ja auch der Spannungspegel, und bei Steuerleistungen von 100-200mA ist man doch Pegelmäßig schon deutlich über den 5V die so ein Transistor an der Basis abkann. Würde man die Endstufe dann nicht übersteuern? Wo liegt da mein Denkfehler?
Oft sitzt ein Übertrager zwischen Treiber und Endstufe. Das Signal wird 
runter transformiert: Niedrige Spannung, hoher Strom -> niedrige 
Impedanz. Der Strom wird benötigt, um die ganzen Kapazitäten umzuladen.
Bei einem Bipolar-Transistors muss noch darauf geachtet werden, das die 
Basisspannung nicht negativer als -4V gegenüber dem Emitter wird, denn 
dann brechen die meisten Transistoren durch.
Und bei MOS-Fet Transistoren kann die Gate-Kapazität schon mal 100pF ... 
>1nF betragen.
  So, jetzt hat mich die Neugierde nicht mehr losgelassen und ich hab mal vesucht sowas aufzubauen um ein Gefühl dafür zu bekommen. Aber man merkt recht schnell, dass es bei "größeren" Leistungen wieder etwas ganz anderes ist, als bei den kleinen Empfängerschaltungen die ich sonst baue. Zur Schaltung: Vieles habe ich eher experimentell mittels Oszilloskop ermittelt. Als Signalquelle dient ein kleiner Quarzoszillator, der ca. 1Vss abgibt. Da man damit keinen großen T treiben kann, kommt erst mal Q1 und Q2 als Treiberstufe. Über L2/L3 wird dann das Signal heruntertransformiert. Als Q3 nutze ich hier einen 2SC2314, habe dafür aber kein Spice-Modell gefunden. Also ersatzweise ein BD135, der scheinbar ähnliche Werte hat. In der Simulation sieht nun das Signal bis zur Endstufe nicht sehr schön aus, was aber daran liegt, dass ich die realen Bauteilwerte eingesetzt habe. Ich habe da das Modell vom BF495 in Verdacht, reell messe ich da ganz andere Werte. R7 ist ein Poti zur Basisstromeinspeisung. An der 50 Ohm Dummyload messe ich jetzt zwar wenigstens schonmal 20Vss, etspr. 1 W, allerdings ist das Signal an der Basis von Q3 extrem verzerrt (siehe Skizze) und hat mit einem Sinus nicht mehr viel zu tun. Und genau da frage ich mich, warum? Normal kann das ja nicht sein? Das Transformationsverhältnis ist ebenfalls im Versuch ermittelt, mit momentan 40:2. Mehr Windungen sekundär versauen das Ausgangssignal, mit nur 1 Windung reicht der Pegel wiederrum nicht aus. Die Treiberleistung müsste ja eigentlich mehr als ausreichen, Q2 arbeitet schon ziemlich an der Grenze. PS: Um es nochmal deutlich zu erwähnen: R8 ist tatsächlich eine echte 50 Ohm Dummyload. Ich habe das auch mit einem Empfänger nachgeprüft, es geht so gut wie keine HF raus. Verlässt man das Zimmer, ist schon kein Signal mehr wahrnehmbar (auch auf allen harmonischen).
Änderungen:
L2 hab ich mit nem C zum Schwingkreis erweitert.
Das Windungsverhältnis ist nicht mehr so extrem.
Das Filter könnte noch etwas besser sein,
     denn bei 54 MHz gibts noch einen Peak
Die Leistung läßt sich schön mit R7 steuern
Das Signal an der Basis sieht immer noch so ähnlich aus. Schalte mal von 
der Basis eine 1N4148 mit der Anode gegen GND, dann wirds besser.
Will man C-Betrieb erreichen, benötigt die Basis einen größeren Aufwand 
zur Arbeitspunkteinstellung. Manchmal wird der Arbeitspunkt sogar 
ttemperaturkompensiert.
  Hallo, was mir noch auffällt: L1 wurde auf 1uH verkleinert. Diesen Wert hatte ich anfangs auch genommen (wir hatten ja weiter oben schon drüber geschrieben), aber in der Praxis scheint der Wert ab einer bestimmten Größe keinen (?) Einfluß mehr zu haben. Ich hatte da recht viel probiert zwischen 300nH und 54uH. In manchen Publikationen erklärt man diese Drossel einfach so, daß sie das abfließen von HF zur Spannungsquelle verhindern soll. Daher findet man scheinbar in vielen Schaltplänen auch stark abweichende Angaben. R7 mit 2.2 kOhm: Ich habe beobachtet, dass bei meinem Aufbau ab einem bestimmten Wert (um 9-11kOhm) die Ausgangsleistung wieder absinkt. Mag aber sein dass die Werte von BD135 und C2314 doch zu stark abweichen. Bei zu großem Wert fängt mein Aufbau andererseits an zu schwingen. Aber wahrscheinlich liegt das an mangelnder Schirmung (ugly construction). Was mich noch irritiert: In der Simulation pendelt das Eingangssignal an Q3 zwischen -0.9 bis +1.0V. Ich hätte jetzt angenommen man muss für linearen Betrieb die Basis auf ca. 1,6 V vorspannen, damit auch die negative Teilschwingung den Transistor durchschaltet? Zum Ausgangsfilter: Ich hatte das durch AADE-Filter-Design berechnen lassen, für einen Eingangswiderstand von knapp 100 zu Ausgang 50 Ohm. Verwendet hatte ich dazu eine Formel aus folgender AN (Abschnitt 3. Output Load): https://www.macomtech.com/Application%20Notes/pdf/an721.pdf R_L = (Vcc - Vcesat)^2/(2*Pout) -> (15-0.2)^2/2 = 109,52 ~ 100 Ohm Sicher nur eine Faustformel, und scheint in meinem Fall auch daneben gehauen zu haben. Dein Filter scheint 50 auf 50 Ohm zu sein? Jedenfalls sieht man ja dass es deutlich besser ist, und 4-fache Leistung ermöglicht. Scheinbar kann man der Software auch ansonsten in dem Fall nicht trauen, er gibt immer sehr kleine Kapazitäten aus. Scheinbar braucht der Verstärker aber höhere Kapazitäten um richtig Leistung abgeben zu können.
> Ich hatte da recht viel probiert zwischen 300nH und 54uH Die parasitäre Kapazität ist dann recht groß, aber es wird sowieso ein großer C gegen GND geschaltet. > R7 mit 2.2 kOhm: Das gilt für den BD135, bei welchem das Hfe relativ klein ausfällt. > Dein Filter scheint 50 auf 50 Ohm zu sein? Ich hatte mit dem AADE Filter Designer 40 auf 50 Ohm vorgegeben. Des weiteren hab ich als Grenzfrequenz 28 MHz angegeben und eine leichte Welligkeit zugelassen. Die Abweichungen der Werte zwischen Ein- und Ausgang waren ziemlich gering, deshalb bin ich auf identische Bauteile gewechselt. Der BD135 könnte auch 20 Ohm treiben. Allerdings ist er wegen seiner relativ niedrigen Transitfrequenz bei 30MHz schon langsam am Limit. Ca. 1,5 Watt hatte ich in der Praxis schon mal erreicht. Damals waren per Gesetz selbstgebaute Fernsteuersender auf 2 Watt Eingangsleistung begrenzt.
>Des weiteren hab ich als Grenzfrequenz 28 MHz angegeben
Und welche Frequenz F2 (stopband)? Filtertyp vermute ich Chebyshev?
Ich versuche das hier gerade nachzuvollziehen, komme aber immer auf 
andere Werte.
Ich hatte auch nochmal selber schnell ein Butterworth-Filter berechnen 
lassen mit 56p - 180p - 56p und 2x 370nH.
Aber trotz gleicher Impedanz von 50 auf 50 Ohm kommt man damit in der 
Simulation nicht über 1W Ausgangsleistung.
Irgendwo verstehe ich das nicht richtig, denn zwar können die kleineren 
C's weniger Energie speichern, aber dafür sind die Induktoren ja größer.
Letztlich kann man das Ausgangsfilter doch als eine Art Tankkreis sehen, 
wie man ihn von Röhren kennt? Oder eignen sich Butterworth-Topologien 
grundsätzlich nicht als Ausgangsfilter?
PS: Zu den großen Verzerrungen an der Basis: Könnte man das evtl dann 
doch als "normal" ansehen und muss damit leben?
  > Und welche Frequenz F2 (stopband)? Filtertyp vermute ich Chebyshev? Chebyshev, dann gebe ich aber Order=5 an. In dem Moment wird F2 ignoriert. > PS: Zu den großen Verzerrungen an der Basis: Könnte man das evtl > dann doch als "normal" ansehen und muss damit leben? Für CW ja, aber z.B. für SSB nicht. Bei SSB soll die Endstufe erst aufsteuern, wenn vom Treiber ein Signal kommt, sonst fließt zuvor ein unnötiger Ruhestrom. Dann sollen aber auch Feinheiten/leise Passagen noch hörbar sein. Also muss der Arbeitspunkt relativ genau stimmen.
So, habe jetzt noch mal viel herumprobiert, weil mich das bisherige Ergebnis nicht so recht zufriedengestellt hat. Es steht und fällt scheinbar alles mit der korrekten Anpassung zwischen Treiber und Endstufe. Das erste Problem ist da schon, wie bestimmt man den Eingangswiderstand, wenn im Datenblatt des Transistors dazu keine Hinweise stehen (Ich kann zumindest keine entdecken): http://pdf.datasheetcatalog.com/datasheet/sanyo/ds_pdf_e/2SC2314.pdf Vieles habe ich auf dieser Seite hier nachgelesen, und dann die Anpassung auf einen solchen Resonanztransformator umgestellt (meiner Meinung nach ist die Formel auf der Seite teils fehlerhaft, in der AN721 kann man aber die richtigen nachlesen): http://www.sm0vpo.com/blocks/transistors_match_00.htm In der Praxis hat sich aber keiner der berechneten Werte bewährt. Durch rumprobieren kommt man zwar auf ca. 1W Ausgangsleistung, aber m.M.n. ist die Spannung an der Basis mit 3Vss viel zu hoch (Vbesat =~ 1V laut Datenblatt). Transformiert man aber noch weiter herunter, sinkt die Ausgangsleistung wieder stark ab. Irgendwie will mir das Alles nicht so recht in den Kopf. Lt. Datenblatt braucht man am Eingang ca. 35mW um wenigstens 1W Ausgangsleistung zu erhalten. Macht rund 14,6 dB Verstärkung minimal. Mal angenommen R_ein liegt so im Bereich 5 Ohm, dann bräuchte man für 35mW einen Pegel von ca. 1,2 Vss. Irgendwo muss noch ein grundsätzlicher Fehler liegen, aber ich komme nicht drauf^^.
Es fließt ja ein Gleichstrom durch die Drossel von der Batterie zum Kollektor. Bei zu hoher Induktivität kann die in die Sättigung gehen. Wird die Drossel warm? Falls das nachfolgende Filter nicht transformiert, kommt man zumindest mit 12 Volt nicht viel weiter, als 1-2 Watt. Alternative wäre ein Übertrager am Kollektor, welcher die Spannung verdoppelt. Nimmt die Leistung proportional zur Betriebsspannung zu oder gibt es eine Art Begrenzung? Schon mal probiert, die Koppelwicklung zur Basis umzupolen?
>Wird die Drossel warm?
Nein, bleibt kühl. Es ist ein T68-6 Kern mit ca. 22 Windungen für 2,2 uH 
(Treiber ebenfalls).
Als Filter habe ich nochmal ein neues rechnen lassen. Nach einer 
Faustformel aus meinem Link sollte der Ausgangswiderstand Vcc^2/2xPout 
betragen. Das wären dann 15^2/2 = ca. 100 Ohm. Viel höher als man 
erwarten würde, aber es kommt damit tatsächlich mehr Leistung an als mit 
einem 50:50 Filter.
Die Leistung scheint linear mit der Spannung zu steigen (15V ist Maximum 
vom NT).
Aufgefallen ist mir beim Messen: Ohne Signal fließt deutlich mehr 
Kollektorstrom als mit anliegendem Eingangssignal. Normal?
Koppelwicklung verwende ich nun keine mehr, das L-Glied eignet sich für 
häufige Änderungen besser. Die Werte des kapazitiven Teilers sind in der 
Simulation höher. Mit den berechneten Werte (teils unter 10pF) kam 
einfach zu wenig am Transistor an.
Grundsätzlich aber sollte sich der Transistor ja gut eignen für die 
Frequenz. Ich hatte auch mal das Anpassnetzwerk aus der Testschaltung im 
Datenblatt verwendet, aber auch damit wurde es nicht besser.
Ich vermute die Anpassung an den Eingang der Endstufe muss man sehr 
genau einhalten, aber wie wenn man den Widerstand nur schätzen kann?
  > Ohne Signal fließt deutlich mehr Kollektorstrom als mit > anliegendem Eingangssignal Das liegt am hochohmigen R6. Die Schaltung regelt bei großer Ansteuerspannung durch Gleichrichtung an der Basis zurück. Die Schaltung ist eher für AM geeignet oder sie soll die Leistung absichtlich begrenzen. Für CW sollte das ungefähr so aussehen: http://www.k8iqy.com/qrprigs/2n220/2n220dg.gif Und für SSB so: http://www.qsl.net/va3iul/Homebrew_RF_Circuit_Design_Ideas/40m_CW-SSB_TRX_KD1JV.gif Hier ist zwar ein Mosfet eingebaut, aber das funktioniert genauso mit Bipolar-Transistoren. Bei beiden Varianten ist die Basis niederohmig mit 100 bzw. 51 Ohm voreingestellt, damit eben nichts wegdriftet. Für die Ansteuerung reichen 3-4Vss ohne Last vollkommen aus. Die Spannung bricht mit angeschlossener Basis auf 2Vss zusammen. Für CW sieht man oft eine Diode von der Basis gegen GND. Spitzenströme um 100-200 mA sollen für ein schnelles Umladen der Basiskapazität sorgen
Kleines Update: Mittlerweile bekomme ich so ca. 2,2 W aus der Schaltung heraus. Zur Anpassung von Treiber und Endstufe benutze ich jetzt die Schaltung im Anhang. An der Stelle bin ich mit Rechnen und Simulation einfach nicht weitergekommen, es hat einfach nichts richtig funktioniert. Daher habe ich die Werte durch Probieren ermittelt. Und auch wenn laut Simulation der Transformator mit seiner Resonanz weit neben 27 MHz liegt, funktioniert es so bis jetzt am besten. Möglich dass der Rest der Schaltung in der Realität die Resonanz extrem weit verschiebt... R2 stellt den Treiberausgang dar, R1 dementsprechend den Eingang der Endstufe. Der Endstufe habe ich noch von Basis nach Masse einen kleinen Widerstand spendiert, da suche ich noch nach dem passendsten Wert. Aber es hilft deutlich das Signal an der Basis zu beruhigen. Für 2,2W an 50 Ohm liegen nun an der Basis ca. 3 Vss an. Zwar immer noch kein sauberer Sinus, aber am Ausgangsfilter ist er rein optisch laut Oszi schonmal sauber. Bei den Ausgangsfiltern mit AADE berechnet fiel mir auf, dass die meisten nicht so transformieren wie man es vorgibt. Zb. von 100 Ohm auf 50. Es kommen dann laut LTSpice meist nur so 50-60 Ohm Primär raus. Möglicherweise geht man hier doch besser den Weg "Endstufe -> Ausgangsübertrager -> 50/50 Filter".
> wenn laut Simulation der Transformator mit seiner Resonanz > weit neben 27 MHz liegt, funktioniert es so bis jetzt am besten Ich hab eine andere Vermutung. Die Resonanz liegt bei ca. 54 MHz, also bei der doppelten Frequenz. Möglicherweise hilft eine Resoananz bei der 1.Harmonischen, die Basis schneller umzuladen. Dann wäre interessant, obs mit der 2. Harmonischen bei 81MHz auch funktioniert, denn das würde die Ansteuerung einem Rechteck annähern. Möglicherweise hilft dabei auch die zusätzliche Diode. Bei der Simulation ist es dabei besonders interessant, sich auf den Basisstrom und die Basisspannung zu konzentrieren. Die Basiskapazität wird durch Stromspitzen umgeladen, danach darf der Strom auf die Hälfte abfallen. > Mittlerweile bekomme ich so ca. 2,2 W aus der Schaltung heraus Das wird immer besser! > Bei den Ausgangsfiltern mit AADE berechnet fiel mir auf, dass die > meisten nicht so transformieren wie man es vorgibt. Wenn der AADE Filter Designer seine Werte ausgibt, muss überprüft werden, ob da wirklich die gewünschte Ein-/Ausgangsimpedanz steht. Manchmal wechselt er von sich aus auf andere Impedanzen.
>Ich hab eine andere Vermutung. Die Resonanz liegt bei ca. 54 MHz
Ja, das kann ungefähr hinkommen. Ich werde nochmal testweise L1 auf 
360nH umwickeln. Mal schauen was dann passiert.
Ich erinnere mich, dass ich auch mit ca. 47nH recht gute Ergebnisse 
hatte. Hatte das aber verworfen wegen der sehr verzerrt aussehenden 
Basisspannung. Jetzt wo ich es lesen, ja, Rechteck kommt hin.
Ist es denn überhaupt möglich an der Basis einen optisch fast sauberen 
Sinus zu erreichen? Oder wird das wegen der großen Kapazitäten schlicht 
praktisch unmöglich?
In der Simulation bekommt man es hin, aber die Realität sieht dann 
deutlich anders aus.
In der AN721 wird ja erwähnt, dass man die Eingangskapazität mit einer 
passenden Induktivität kompensieren muss (L1). Soweit auch einleuchtend, 
nur müsste man dazu die Eingangskapazität bei 27MHz kennen. Wenn das 
Datenblatt das aber nicht hergibt hat man da wohl schlechte Chancen.
  Ein Bipolar-Transistor wird mit einem Strom angesteuert. Bei einem sinusförmigen Basisstrom fließt auch ein sinusförmiger Kollektorstrom (Kleinsignalbetrieb). Ein sinusförmiger Kollektorstrom wandelt sich an seiner Lastimpedanz wieder zu einer sinusförmigen Spannung. Falls er bis zur Sättigung durchschaltet, gilt das Großsignalverhalten. Ab da heißt es nur noch Ein und Aus. Nicht notwendig, hier noch auf sinusförmige Spannungen und Ströme zu achten. Schnell durchschalten bedeutet: Guter Wirkungsgrad und hohe Leistung. Sinusförmig wirds erst wieder nach dem Oberwellen-Filter.
Spricht denn etwas dagegen hinter der Endstufe mit einem L-GLied an das Filter anzupassen? Wäre einfacher als Übertrager wickeln und ständig Filter umbauen, und würde die Selektion durch den zusätzlichen Tiefpass noch verstärken.
So, ein paar neue Erkenntnisse habe ich noch gewonnen: Ich habe mehrere Filter mit dem AADE erstellt, und alle nochmal in LTSpice auf Ein- und Ausgangsimpedanz überprüft. Aber bei allen Filtern waren Ein- und Ausgang jeweils im Bereich 50-60 Ohm. Also scheint das Programm nicht wirklich geeignet zu sein für Filter mit gleichzeitiger Impedanztransformation. Auch habe ich mal versucht einen 1:2 Ausgangsübertrager zu verwenden, aber damit sinkt die Leistung wieder auf ca. 500mW ab. Momentaner Stand sind ca. 1,6W an 50 Ohm bei sauberem Sinus und einem Eingangspegel von ca. 2 Vss. Soweit ok, aber prinzipiell müsste der Transistor ja noch mehr können. Nach der Formel Zout=Vcc^2/(2*Pout) [15V, 5w] bräuchte man dann bei meinetwegen 5W Ausgangsleistung einen Arbeitswiderstand von ca. 22,5 Ohm. Mit einem Ausgangsübertrager 1:2 hätte man das ja ungefähr sichergestellt mit einem nachfolgenden 50-Ohm Filter. Der Transistor "sieht" dann die notwendigen knapp 25 Ohm. Warum nun die Ausgangsleistung aber wieder sinkt erschließt sich mir noch nicht so ganz. Möglicherweise reicht aber auch die Treiberleistung nicht mehr aus um mehr als 1-2 W aus der Schaltung zu holen...
> Möglicherweise reicht aber auch die Treiberleistung > nicht mehr aus um mehr als 1-2 W aus der Schaltung zu holen Dann würde ich vorerst anstatt Drossel oder Übertrager einen Lastwiderstand von Plus auf den Kollektor schalten. Bei voller Ansteuerung muss das Minimum am Kollektor nahezu die Nullinie erreichen und etwa 1/3 der Zeit dort bleiben. Erreicht die Kollektorspannung im Minimum z.B. nur 5 Volt, ist die Ansteuerung nicht ausreichend. Anschließend sollte es auch mit Drossel/Übertrager und Tiefpass funktionieren.
Danke, werde ich mal probieren. Eins noch: In vielen Schaltungen im Netz sieht man eine Reihenschaltung aus R-L-C vom Kollektor zurück zur Basis. Soll das ungewollte Schwingungen unterdrücken, oder ist das eine Art von Neutralisation der Kollektor-Ausgangskapazität? Beispiel: http://www.w1hue.us/Articles/Image21.gif Zwar ein FET, habe es aber auch schon bei Bipo's gesehen.
> Soll das ungewollte Schwingungen unterdrücken, oder ist das > eine Art von Neutralisation der Kollektor-Ausgangskapazität? Ich tippe eher auf Unterdrückung der Schwingneigung. Diese ist bei MOS-Fets deutlich stärker ausgeprägt, als bei Bipolar-Transistoren.
Ich hab noch mal ein wenig überlegt wegen der Vorspannungserzeugung. Die Schaltungen die man so im Netz findet sind mitunter recht kompliziert mit 2-3+ Transistoren. Könnte man nicht einfach einen LM317 oder L200 als einstellbare Stromquelle beschalten und damit einfach den passenden Basisstrom "einprägen"? Dadurch müssten doch dann auch Arbeitspunktverschiebungen durch das Eingangssignal gut ausgeregelt werden? Im Netz findet man zu dem Thema nur etwas in Verbindung mit Vorspannungserzeugung für Röhren...
Hallo Sven > Könnte man nicht einfach einen LM317 oder L200 > als einstellbare Stromquelle Das ist nicht nötig. Es reich ein Widerstand als Strombegrenzung. Außerdem ist es ziemlich wahrscheinlich, daß diese Bausteine schon weit unterhalb von 27 oder 28 MHz schlapp machen. Für CW oder FM reicht es aus, die Endstufe einfach ein- und auszuschalten. Je digitaler angesteuert wird, desto besser der Wirkungsgrad. An einer ohmschen Last sollte der Kollektor der Endstufe nahezu die Null-Linie erreichen. Die Ansteuerung kann auch durch einen Bustreiber oder durch einen Mosfet-Treiber erfolgen. Nur für SSB oder AM ist eine Einstellung des Endstufen-Arbeitspunktes notwendig. In der Schaltung wird ein TTL-Baustein (z.B. ein 74HC00) mit 6 Volt betrieben, das ist zulässig. Ein Emitterfolger liefert den Basisstrom für die Endstufe. Die in der Drossel L2 gespeicherte Energie reicht aus, um die Endstufe schnell abzuschalten. Die Diode D1 begrenzt die negative Spannungsspitze. Wenn die Endstufe sauber durchschaltet, sollte auch etwas Power rauskommen. In der Simulation sind es ca. 7 Watt. Gruß, Bernd
Ok, für nichtlinearen Betrieb braucht man die Vorspannung nicht. Die Frage bezog sich mehr darauf, wie man eine einfache aber dennoch präzise Arbeitspunkteinstellung für Linearbetrieb hinkriegt. Die Schaltung mit Diode als Spannungsreferenz sieht man ja öfter, soll aber in der Praxis eher untauglich sein. Genauso wie meine Laien-Variante eingangs mit dem Basis-Spannungsteiler. Da hat man ja das von Dir schon erwähnte Problem mit der ungewollten Gleichrichtung und dadurch Begrenzung der Ausgangsleistung. Mein Gedanke war eben, dass so ein Längsregler die Gleichspannung an der Basis konstant hält. Dafür müsste er dann ja auch nicht den 28MHz folgen. Durch die Gleichrichtung entsteht an der Basis ja eben nur eine Gleichspannung die den Arbeitspunkt verschiebt. Diese würde dann quasi "ausgeregelt". Eben konnte ich noch folgendes Bild finden, da wird so was scheinbar tatsächlich angewendet für eine Halbleiter-PA: http://dk4sx.darc.de/grafiken/bilder/sb-104-bias.jpg Wenn ich das richtig sehe ist der Regler als Stromquelle geschaltet, und die Spannung wird am Ausgang mittels der 2 Dioden auf die 0.65 V reduziert. Scheint eine Schaltung für deutlich stärkere PA's zu sein, mit hohem Basisstrom, aber das Prinzip an sich könnte ja auch bei kleineren Hausnummern funktionieren. Gesehen auf dieser Seite: http://dk4sx.darc.de/sb-104.htm
Hier ist die Schaltung so ähnlich verwirklicht: http://www.qsl.net/va3iul/Homebrew_RF_Circuit_Design_Ideas/10W_HF_Power_Amplifier.gif Es geht da auch um die thermische Stabilität der Endstufe. Der Ruhestrom hängt davon ab, ob die Endstufe in der Klasse A, B oder C betrieben wird. Eine niedrige Impedanz verhindert den Gleichrichter-Effekt. Bei der Schaltung von DK4SX werden die Dioden am Kühlkörper befestigt, damit sich die Drift der Endstufe und der Vorspannung kompensiert. Bei einer Simulation wäre es wichtig, daß die Ausgangsleistung proportional zur Eingangsleistung ansteigt. Diese Trapezkurven zeigen, wie linear das Ganze funktioniert: http://www.andreadrian.de/sdr/Blueberry_SDR_Transceiver.html#mozTocId968313
Was mir bei den Versuchen noch aufgefallen ist: Wenn man die Basisspannung, bzw. den Basisstrom erhöht, gibt es einen Punkt an dem das Ausgangssignal maximal wird, und ganz kurz hinter diesem Punkt bricht die Spanunng am Ausgang komplett zusammen. Wie ist das zu verstehen? Geht da aufgrund von zu hohem Stromfluss die Aussteuerbarkeit auf 0, oder wie könnte man das erklären?
> Wenn man die Basisspannung, bzw. den Basisstrom erhöht, gibt es einen > Punkt an dem das Ausgangssignal maximal wird, und ganz kurz hinter > diesem Punkt bricht die Spanunng am Ausgang komplett zusammen In dem Fall schaltet der Transistor nicht mehr aus. Wird er dann heiss?
Ah, verstehe. Ob er heiss wird habe ich aus Sorge ums Bauteil garnicht probiert, sondern immer gleich schnell wieder zurückgedreht. Hatte mir mal einen Beutel 2SC2078 besorgt, ein 4W Transistor für 27 MHz. Damit bekomme ich in Eintakt so ca. 3 W stabil raus. Komischerweise gelingt es mir aber bislang nicht mit einer Push-Pull Gegentaktschaltung mehr als diese 3 W herauszunekommen. Einziger Vorteil ist da bis jetzt das saubere Ausgangssignal.
so, jetzt hab ich es letztlich dann doch noch geschafft ca. 5 W rauszukitzeln aus der Schaltung. Hauptproblem waren die Übertrager für Ein- und Ausgang, da kommt es wirklich auf jede Windung an und ich konnte das richtige Verhältnis nur durch viel probieren ermitteln. Mit besserem Kernmaterial wäre vielleicht auch mehr noch drin gewesen, aber so bin ich jetzt erstmal zufrieden und betrachte das Projekt als abgeschlossen. Ich denke ich werde mal einen Mod bitten, alle Beiträge zum Thema Verstärker in einen neuen Thread auszulagern. Vom Thema Audion hatte ich das hier ja dann doch zu stark weggelenkt^^. Das Audion läuft übrigens sehr gut, und ich werde bald auch endlich mal ein Bild hier einstellen. Ein Schaltplan der 5 W Endstufe folgt auch noch. Ich bedanke mich für die großartige Hilfe, vor allem bei BerndW, und natürlich auch bei allen anderen.
>> mit einer Push-Pull Gegentaktschaltung mehr als >> diese 3 W herauszunekommen. > jetzt hab ich es letztlich dann doch noch geschafft ca. 5 W > rauszukitzeln aus der Schaltung. Mein Verdacht war, dass sich nun die etwas zu kleine Ansteuerleistung auf zwei Transistoren verteilt hat und dadurch keine Verbesserung eintrat. > Das Audion läuft übrigens sehr gut Da bin ich mal gespannt! Meins auch: http://www.greencaravan.de/cgi-bin/ediforum/ediforum.pl?forum=7&thread=64
>Mein Verdacht war, dass sich nun die etwas zu kleine Ansteuerleistung >auf zwei Transistoren verteilt hat und dadurch keine Verbesserung >eintrat. Das ist die Frage. Als Treiber habe ich für den Aufbau die bisherige Kombination die 1 W an 50 Ohm brachte verwendet. Diese liefert mit Übertrager (6:1+1 Wdg.) auf Doppellochkern (Bastelkiste, daher Material unbekannt) ca. 2V an einem 1 Ohm Widerstand., entsprechend 500 mW. Das sollte laut Datenblatt des 2SC2078 reichen. Der möchte für 4 W out einen Input von rund 200mW haben. An den Eingängen der PP Stufe habe ich dann ca. 2,5 V anliegen. Als Ausgangsübertrager habe ich einen FT50-43 Ringkern mit 3+3 zu 8 Wdg. Damit hatte ich das beste Ergebnis. Mit einem FT82-77 Kern wurde es weder besser noch schlechter, auch wenn der für 27MHz wohl nicht mehr wirklich geeignet ist. Auf die T68-6 Kerne bekommt man wohl nicht genug Windungen rauf. Irgendwo hatte ich mal eine Formel gefunden nach der man bei 27MHz wohl mindestens ca. 2uH braucht für den Übertrager. PS: Das Röhren-Audion sieht sehr interessant aus. Ich habe hier auch noch irgendwo einen ganzen Karton voll Röhren liegen, EF81, ECH81 etc.pp. Mal schauen, vielleicht wage ich mich auch mal irgendwann an ein kleines Röhrenprojekt.
Hier noch schnell der Schaltplan. Die Simulation an sich gibt viel zu hohe Pegel aus, wohl auch weil ich die Kopplung bei den Übertragern auf 1 setzen musste. Bei 0.9 sind die Werte nämlich wiederrum viel zu niedrig oder die Schaltung oszilliert auf tiefen Frequenzen. Real kommen so ca. 40 Vss raus. R9 und R7 sind Potis.
So, hier die Bilder vom Audion. Auf dem ersten Bild das Gehäuse mit den Reglern für Abschwächer (als Lautstärkeregelung zu benutzen), Feinabstimmung und Grobabstimmung. Das große Rad oben regelt die Rückkopplung über ein 10-Gang Poti, die LED für die Betriebsanzeige stabilisiert gleichzeitig die Spannung für die Entdämpfung. Das 2. Bild zeigt das Innenleben. Im Deckel ist der Hauptteil der Schaltung untergebracht, der Boden enthält im wesentlichen nur die Batterie (noch 9V-Block, wird aber mit 8,4V-LiPo ersetzt) und die NF-Endstufe. Im 3. Bild noch eine Nahaufnahme der Schaltung. Man erkennt oben zumindest das Poti für Abschwächer, den kleinen Keramiktrimmer für die Feinabstimmung und den Foliendrehko. Der gelbe Ringkern gehört zum Eingangsfilter und ist wie der Ringkern für den Audionteil unterhalb des Foliendrehko mit Wachs vergossen. Unten noch das 10-Gang-Poti und rechts daneben zu erahnen die beiden Transistoren für die Entdämpfung.
Niedliche Box, der Rx passt leicht in die Hosentasche. Die Besten Empfänger sind jene, mit denen man auch nach Jahren gerne mal wieder übers Band dreht. Dieser hat das Potenzial dazu.
Bitte melde dich an um einen Beitrag zu schreiben. Anmeldung ist kostenlos und dauert nur eine Minute.
  
  Bestehender Account
  
  
  
  Schon ein Account bei Google/GoogleMail? Keine Anmeldung erforderlich!
Mit Google-Account einloggen
Mit Google-Account einloggen
  Noch kein Account? Hier anmelden.


















