Hallo liebe Experten! Ich muss mich mal wieder in meiner Unwissenheit mit einem Projekt an euch wenden. Ziel des ganzen ist eine Schattenbahnhofssteuerung per Arduino Uno auf einer komplett analogen Märklin-M-Anlage mit Wechselspannung. Habe mich derzeit erstmal nur mit der Weichensteuerung und vor allem deren Hardware auseinander gesetzt. Leider nutzen die meisten Leute im Internet digitale Anlagen und haben es daher etwas einfacher. Zusätzlich findet man im Falle von analogen Anlagen meist Gleichspannungsanlagen (Trix oder Fleischmann). Ich bin mit meinen Recherchen nun soweit, dass ich glaube folgendes zu wissen und bitte euch, das mal zu prüfen: - Eine Weiche verfügt über zwei kleine AC-Motoren, die je nach Weichenstellung, die Zungen in die eine oder andere Richtung ziehen. Demnach muss alles "doppelt" ausgeführt werden. Daher hat die Weiche auch zwei Anschlüsse für "Abzweig" und "Geradeaus". Der Trafo von Märklin liefert 16V AC. Die Meinungen über Ströme beim Weichenschalten gehen von 200 mA bis 500 mA. - Der Arduino Uno kann von der Ausgangsleistung her die Weichen nicht treiben, daher brauche ich einen Schalter. So wie es scheint, sind TRIACs eine adäquate Lösung für AC-Motoren. Stimmt das? - Beim Schalten von Motoren (=Spulen) werden Rücklaufdioden benötigt. Nun ist der Ground einer Weiche von Märklin aber das metallene Gleisbett. Hier stellt sich also die Frage, wie man die Diode dann zwischen die beiden Pins der Motoren bekommt oder ob es eine andere sinnvolle Lösung gibt, ohne dass man die Weiche auseinander nimmt. Soweit der Stand von mir mit hoffentlich nicht zu viel Text :) Ich wäre über alle Tips dankbar! Gerne auch sowas wie "Alles Mist! Mach es so und so". Danke und beste Grüße, Ole
Jan-Ole Schrader schrieb: > analoge Märklin-Weichen Für mich sind Weichen eindeutig digital. Sie kennen doch nur zwei Stellungen! > - Eine Weiche verfügt über zwei kleine AC-Motoren, die je nach > Weichenstellung, die Zungen in die eine oder andere Richtung ziehen. Ich würde die eher Zugmagneten nennen. Die kann man, wie bei Märklin, mit Wechselstrom, aber auch mit Gleichstrom betreiben. In der Elektronik nennt man ähnliche Relais übrigens "Bistabil". > Demnach muss alles "doppelt" ausgeführt werden. Daher hat die Weiche > auch zwei Anschlüsse für "Abzweig" und "Geradeaus". Der Trafo von > Märklin liefert 16V AC. Die Meinungen über Ströme beim Weichenschalten > gehen von 200 mA bis 500 mA. M.W. gilt eher der höhere Wert > - Der Arduino Uno kann von der Ausgangsleistung her die Weichen nicht > treiben, daher brauche ich einen Schalter. So wie es scheint, sind > TRIACs eine adäquate Lösung für AC-Motoren. Stimmt das? Ja. Ein änliches Bauelement, was sich m.E. hier eignen würde, wäre ein Fototriac. Der würde dann gleich eine galvanische Trennung haben und liesse sich direkt von µP-Ausgängen steuern. > - Beim Schalten von Motoren (=Spulen) werden Rücklaufdioden benötigt. Das wäre nur bei direkter Steuerung mit Gleichstrom angebracht. Bei Wechselstrom nimmt man eher Snubber. > Gerne auch sowas wie "Alles Mist!" Iih nein, das stinkt immer so. :-) Gruss Harald
Jan-Ole Schrader schrieb: > - Eine Weiche verfügt über zwei kleine AC-Motoren, dann musst du andere Weichen haben, als meine alten Märklin H0 Weichen. Da sind keine Motoren drinn, sondern einfach nur Elektromagnete. Wird eine Spule bestromt, dann entwickelt sie ein Magnetfeld, ein entsprechender Teil am Herztück wird angezogen, die Weiche wird in die eine Rihtung gestellt. Dasselbe nochmal mit einer zweiten Spule in die andere Richtung.
Hi und danke für eure Antworten! > > Für mich sind Weichen eindeutig digital. > Sie kennen doch nur zwei Stellungen! > Ja, das stimmt natürlich :) Ich wollte auch eher auf die Tatsache "analoger" und "digitaler" Modellbahnanlagen hinweisen. > > Ich würde die eher Zugmagneten nennen. Die kann man, wie bei > Märklin, mit Wechselstrom, aber auch mit Gleichstrom betreiben. > In der Elektronik nennt man ähnliche Relais übrigens "Bistabil". > äh, ja, ist bei mir auch so (auch @Karl Heinz). Dachte, das wären Motoren, aber es dreht sich ja nichts. > > M.W. gilt eher der höhere Wert > Schon mal gut zu wissen! > > Ja. Ein änliches Bauelement, was sich m.E. hier eignen würde, > wäre ein Fototriac. Der würde dann gleich eine galvanische > Trennung haben und liesse sich direkt von µP-Ausgängen steuern. > D.h. ich müsste mir keine Sorgen machen, dass die Wechselspannungsseite irgendwie in meinen Arduino gelangt? Brauche ich dann noch eine Diode? Oder muss der FotoTriac selbst geschützt werden? > > Das wäre nur bei direkter Steuerung mit Gleichstrom angebracht. > Bei Wechselstrom nimmt man eher Snubber. > Würde bei den Weichen eigentlich gerne bei Wechselstromversorgung der Weichen bleiben, sonst könnte ich den Märklin-Trafo nicht weiter verwenden und bräuchte noch etwas zur DC-Versorgung, oder? Demnach müsste dann wirklich ein Snubber her. Den gilt es dann wohl richtig zu dimensionieren. > Iih nein, das stinkt immer so. :-) finde ich auch :D
> Würde bei den Weichen eigentlich gerne bei Wechselstromversorgung der
Weichen bleiben
Dann dürften wohl Relais zwischen Arduino und Wechselspannung das am
wenigsten aufwändige sein.
P.S. gibt auch Relais, die man direkt am Mikrocontroller anschliessen kann. Z.B. http://www.reichelt.de/Reedrelais-Magnete/DIP-7212-D-5V/3/index.html?&ACTION=3&LA=2&ARTICLE=27651&GROUPID=3291&artnr=DIP+7212-D+5V
Wenn man nicht die Suchfunktion des Forums geschickt nutzt, hilft warten: Beitrag "Welches Darlington-Array-IC?". Die Transistor-Treiber/ Darlington-Arrays mit ULN am Anfang sind eine gute Wahl für die Bauteilkiste. Mit etwas Fleiß findet man gar solche, die einen Optokoppler gleich mitbringen. Wenn zudem die Weichen bi-stabil sind, d.h. in den Endlagen verharren/ es keinen Haltestrom braucht, kann mit mit Schieberegistern oder Dekodern 'ne Menge Leitungen am µC sparen.
http://www.henningvoosen.de/Site/Modellbahn/Anschlussplaene.htm http://www.maerklin.de/de/service/hilfe/faq/faq_maerklin_analog.html
Kein Name schrieb: > Dann dürften wohl Relais zwischen Arduino und Wechselspannung das am > wenigsten aufwändige sein. Ok: Relais, TRIAC, Optokoppler sind jetzt gefallen. Sind das alles Lösungen und mehr oder weniger Geschmackssache? Sind das im entfernten Sinne nicht alles Relais? Kein Name schrieb: > P.S. gibt auch Relais, die man direkt am Mikrocontroller > anschliessen > kann. > Z.B. > http://www.reichelt.de/Reedrelais-Magnete/DIP-7212... Danke für den Vorschlag! Wieso lässt sich dieses nun ausgerechnet direkt anschließen und andere nicht? > Die > Transistor-Treiber/ Darlington-Arrays mit ULN am Anfang sind eine gute > Wahl für die Bauteilkiste. Mit etwas Fleiß findet man gar solche, die > einen Optokoppler gleich mitbringen. Wenn zudem die Weichen bi-stabil > sind, d.h. in den Endlagen verharren/ es keinen Haltestrom braucht, kann > mit mit Schieberegistern oder Dekodern 'ne Menge Leitungen am µC sparen. Ok, von diesen ULN habe ich gelesen. Allerdings immer im Zusammenhang mit Gleichspannungen. Wie sieht es da mit Wechselspannung aus? Schien mir so, als ginge das nicht (?). Achja, die Weichen sind bistabil. Es liegt nur beim Schalten Spannung an. 4YI schrieb: > http://www.henningvoosen.de/Site/Modellbahn/Anschl... > http://www.maerklin.de/de/service/hilfe/faq/faq_ma... Danke dir, wie die Weichen bei Märklin anzuschließen sind, weiß ich ;)
Der Optokoppler ist ein Sicherheitselement. Eine Leuchtdiode und ein Fototransistor in einem Gehäuse trennen die beiden Stromkreise galvanisch. Geht im Kreis mit hoher Spannung etwas kaputt, wirkt das nicht auf die Leuchtdiode zurück. Relais die direkt an TTL/ µC-Ausgänge angeschlossen werden können haben kleinere Schaltströme und einen sog. Logikpegel (5V). Was die Thyristoren und Triacs anbelangt kann man sie durchaus bei niedrigen Spannungen (12V) einsetzen, hat aber erstaunliche Verlustleistungen. Die Wechsel-/ Gleichstromproblematik hängt an der Gleichstromfähigkeit deiner Weiche. Wenn die sich auch mit Gleichstrom schalten lässt, richtest du den Transformator gleich, schließt die Ausgänge des µC an die Treiber (ULNxxxx) an und schaltest mit wenig Leistung aus dem µC über die Darlington-Transistoren die hohe Leistung der Weichen. Es wäre schön, würdest du zu deinem Vorhaben einen Artikel verfassen, weil der Aufwand im mittleren Bereich liegt und einen schönen Schnitt durch alle Welten zeigt (analog, digital, Hardware, Software). Außerdem wird es gelegentlich erneut aufgekocht.
Jan-Ole Schrader schrieb: > Lösungen und mehr oder weniger Geschmackssache? ein altes herkömmliches Releais sind im Prinzip einfach nur 2 Drähte, die per Elektromagnet zusammengebracht werden. Schliesst ein Relais, dann kann über die Verbindung daher alles laufen, was auch über einen Draht laufen kann. Gleichstrom, Wechselstrom, Audiosignale, Video, ... kannst du es über einen Draht schicken, dann kannst du es auch mit einem Relais schalten (ok, es gibt ein paar Einschränkungen und Probleme, aber in die wirst du nicht so schnell laufen). Da ist kein Silizium dazwischen, das einzige was dich interessieren muss ist, ob die Kontakte den Strom aushalten. Und natürlich, wo du den Strom für den schaltenden Elektromagneten herkriegst. Hast du aber Silizium dazwischen, dann werden die Dinge komplizierter. Nicht zuletzt auch dadurch, dass da oft eine Vorzugsrichtung entsteht. D.h. der Strom kommt in die eine Richtung besser durch als in die andere und das Siliziumsubstrat empfindlicher auf Überspannungen und Überströme reagiert, als 2 Drahtenden, die aufeinander gepresst werden. Nachteil von Relais: langsam; dadurch dass sich mechanisch was bewegt und Kontakte aufeinandergepresst werden, haben die auch einen gewissen Verschleiss; bedingt durch den Elektromagnet benötigt man eine gewisse Mindeststrommenge um zu schalten; Geräuschentwicklung
Boris Ohnsorg schrieb: > Der Optokoppler ist ein Sicherheitselement. Eine Leuchtdiode und > ein > Fototransistor in einem Gehäuse trennen die beiden Stromkreise > galvanisch. Geht im Kreis mit hoher Spannung etwas kaputt, wirkt das > nicht auf die Leuchtdiode zurück. > > Relais die direkt an TTL/ µC-Ausgänge angeschlossen werden können haben > kleinere Schaltströme und einen sog. Logikpegel (5V). Was die > Thyristoren und Triacs anbelangt kann man sie durchaus bei niedrigen > Spannungen (12V) einsetzen, hat aber erstaunliche Verlustleistungen. > > Die Wechsel-/ Gleichstromproblematik hängt an der Gleichstromfähigkeit > deiner Weiche. Wenn die sich auch mit Gleichstrom schalten lässt, > richtest du den Transformator gleich, schließt die Ausgänge des µC an > die Treiber (ULNxxxx) an und schaltest mit wenig Leistung aus dem µC > über die Darlington-Transistoren die hohe Leistung der Weichen. > > Es wäre schön, würdest du zu deinem Vorhaben einen Artikel verfassen, > weil der Aufwand im mittleren Bereich liegt und einen schönen Schnitt > durch alle Welten zeigt (analog, digital, Hardware, Software). Außerdem > wird es gelegentlich erneut aufgekocht. Hm, dann sind Thyristoren und Triacs wohl doch nicht das richtige. Sind Optokoppler/Phototriacs ähnlich verlustbehaftet? Zur Gleichstromfähigkeit habe ich eben recherchiert: Ja, sie sind Gleichstromfähig, brauchen zum Schalten mindestens 12 V, besser Richtung 20 V. In einem anderen Forum hat jemand die Wechselspannung über eine Dioden-H-Brücke gleichgerichtet ohne weitere Glättung. Laut ihm funktioniert es. Nachteil: Die Weichen werden über die Zeit magnetisiert, so dass die Zungen in einer Position "festkleben". Frage wäre nun, was ist weniger aufwändig? Gleichrichter + ULN20XX oder nur die Relais? Wenn ich mal in meinem Projekt ein wenig weiterdenke und auch noch Fahrstrom schalten will, um Haltebereiche im Schattenbahnhof zu realisieren, dann muss ich eh auf Relais zurückgreifen. Karl Heinz schrieb: > ein altes herkömmliches Releais sind im Prinzip einfach nur 2 Drähte, > die per Elektromagnet zusammengebracht werden. Schliesst ein Relais, > dann kann über die Verbindung daher alles laufen, was auch über einen > Draht laufen kann. Gleichstrom, Wechselstrom, Audiosignale, Video, ... > kannst du es über einen Draht schicken, dann kannst du es auch mit einem > Relais schalten (ok, es gibt ein paar Einschränkungen und Probleme, aber > in die wirst du nicht so schnell laufen). > Da ist kein Silizium dazwischen, das einzige was dich interessieren muss > ist, ob die Kontakte den Strom aushalten. Und natürlich, wo du den Strom > für den schaltenden Elektromagneten herkriegst. > > Hast du aber Silizium dazwischen, dann werden die Dinge komplizierter. > Nicht zuletzt auch dadurch, dass da oft eine Vorzugsrichtung entsteht. > D.h. der Strom kommt in die eine Richtung besser durch als in die andere > und das Siliziumsubstrat empfindlicher auf Überspannungen und Überströme > reagiert, als 2 Drahtenden, die aufeinander gepresst werden. > > Nachteil von Relais: langsam; dadurch dass sich mechanisch was bewegt > und Kontakte aufeinandergepresst werden, haben die auch einen gewissen > Verschleiss; bedingt durch den Elektromagnet benötigt man eine gewisse > Mindeststrommenge um zu schalten; Geräuschentwicklung Danke für deine ausführlichen Erklärungen! Die Langsamkeit des Relais wäre in diesem Anwendungsfall wohl eher nebensächlich. Ich muss zum Schalten der Weichen, wohl so 200..500 ms Spannung anlegen. Laut Wikipedia liegen die Ansprechzeiten im ms-Bereich, wäre also vertretbar. Was ich ein wenig Schade finde, ist, dass die Relais so groß sind. Ein Triac ist so schön klein. Aber dann müsste ich nur eine größere Platine machen. Ich gehe mal von drei Gleisen im Bahnhof aus: Das wären zwei Weichen in der Einfahrt und drei Haltebereiche, in welchen Fahrstrom geschaltet werden muss. Pro Weiche zwei Relais und pro Haltebereich ein Relais. Macht sieben insgesamt, wäre ja auch noch vertretbar.
> Wieso lässt sich dieses nun ausgerechnet direkt > anschließen und andere nicht? Die Spule braucht nur 5 Volt und hat 500 Ohm - braucht also nur 10mA, die der Mikrocontroller problemlos liefern kann. (Ist auch recht klein und hat die Freilaufdiode mit eingebaut).
Kein Name schrieb: >> Wieso lässt sich dieses nun ausgerechnet direkt >> anschließen und andere nicht? > > Die Spule braucht nur 5 Volt und hat 500 Ohm - braucht also nur 10mA, > die der Mikrocontroller problemlos liefern kann. (Ist auch recht klein > und hat die Freilaufdiode mit eingebaut). Hm, 5 V sind laut anderen Quellen zu wenig. Bist du dir sicher, dass sich damit die Weiche schalten lässt? @all: Im Anhang habe ich mal eine Idee zurechtgeschustert. Würde das so funktionieren?
Kein Name schrieb: > Die Spule braucht nur 5 Volt und hat 500 Ohm - braucht also nur 10mA, > die der Mikrocontroller problemlos liefern kann. (Ist auch recht klein > und hat die Freilaufdiode mit eingebaut). Ich wäre mir da aber nicht so sicher, ob der kleine Kontakt auf die Dauer die hohe Schaltleistung verträgt. Das ist aber eher eine gefühlsmäßige Aussage von mir. Gruss Harald
Du brauchst, sofern nicht im Relais integriert, noch zur Relaisspule (Kontakte A1 und A2) antiparallele Freilaufdioden.
Jan-Ole Schrader schrieb: > Kein Name schrieb: >>> Wieso lässt sich dieses nun ausgerechnet direkt >>> anschließen und andere nicht? >> >> Die Spule braucht nur 5 Volt und hat 500 Ohm - braucht also nur 10mA, >> die der Mikrocontroller problemlos liefern kann. (Ist auch recht klein >> und hat die Freilaufdiode mit eingebaut). > > Hm, 5 V sind laut anderen Quellen zu wenig. Wie kommst du denn da drauf? Wenn der Hersteller sagt, dass sich seine Relais mit 5V schalten lassen, dann stimmt das schon. > Bist du dir sicher, dass > sich damit die Weiche schalten lässt? Ich glaube du verwechselst da was. Das Relais wird mit 5V angesteuert! Damit ist nicht gesagt, dass es auch nur 5V schalten kann. Dazu hat man ja ein Relais, damit man mit 5V Ansteuerungsspannung und wenig Strom die Kilovolt-Hochspannungsleitung ein/aus schaltet, die eine Kleinstadt versorgt :-) Du musst da schon trennen. Das sind 2 Stromkreise. Der eine ist der Stromkreis mit dem man das Relais ansteuert. Der andere ist der Stromkreis, der vom Relais geschaltet wird.
Hi Klar doch.... Slow Mo schrieb: > Du brauchst, sofern nicht im Relais integriert, noch zur Relaisspule > (Kontakte A1 und A2) antiparallele Freilaufdioden. Du brauchst nur eine Diode. 12V Relais bekommst du ab 0.50 €. Ob du mit Transistor (BC338 ca. 0,20 €) oder ULN ... ansteuerst, das denke ich wird dir am wenigsten Probleme machen. Gruß oldmax
Harald Wilhelms schrieb: > Ich wäre mir da aber nicht so sicher, ob der kleine Kontakt auf > die Dauer die hohe Schaltleistung verträgt. Das ist aber eher > eine gefühlsmäßige Aussage von mir. > Gruss > Harald Was kann im schlimmsten Fall passieren? Schlecht wäre für mich, wenn der Arduino oder eine Weiche Schaden nimmt. Wenn nach ein paar tausend Schaltungen irgendwann mal ein Relais dran glauben muss, wäre das für mich nicht tragisch. Karl Heinz schrieb: > Ich glaube du verwechselst da was. Das Relais wird mit 5V angesteuert! > Damit ist nicht gesagt, dass es auch nur 5V schalten kann. Dazu hat man > ja ein Relais, damit man mit 5V Ansteuerungsspannung und wenig Strom die > Kilovolt-Hochspannungsleitung ein/aus schaltet, die eine Kleinstadt > versorgt :-) > > Du musst da schon trennen. Das sind 2 Stromkreise. Der eine ist der > Stromkreis mit dem man das Relais ansteuert. Der andere ist der > Stromkreis, der vom Relais geschaltet wird. Jupp, habe ich verwechselt. Wäre ja super, wenn man die Relais tatsächlich direkt mit den Arduino ansteuern könnte. Der Arduino liefert an einem digitalen I/O-Pin 5V und 40 mA, so steht es auf der arduino-homepage. Martin Vogel schrieb: > > Du brauchst nur eine Diode. 12V Relais bekommst du ab 0.50 €. Ob du mit > Transistor (BC338 ca. 0,20 €) oder ULN ... ansteuerst, das denke ich > wird dir am wenigsten Probleme machen. > Gruß oldmax Ok, kommt es auf das Relais an, ob ich eine oder zwei Dioden brauche, oder ist im Ersatzschaltbild des Relais eine Diode enthalten? Ob ich jetzt pro Relais ein oder zwei Dioden einsetze, ist mir eher egal, da Platz eh vorhanden ist. _EDIT:_ Habe gerade noch mal nach Relais geguckt. Eins wurde ja auch schon genannt (DIP 7212-L 5V) und ich fand auch noch den Wechsler HJR-4102-L 5V. Dazu mal eine Frage: Wenn dort Schaltstrom steht, ist der Strom zum Schalten gemeint oder der Strom, der geschaltet wird? Beim HJR-4102-L 5V steht "Ansprechleistung 110 mW". Das bedeutet, der Arduino muss diese Leistung zum Schalten aufbringen? Mit 5 V und 40 mA würde das ja gehen. Beim anderen stehen unter Schaltleistung, Schaltspannung und Schaltstrom immer nur max-Werte. Heißt das es geht auch mit weniger? Später stehen noch Spulendaten mit Anzugsspannung und Nennspannung. Jetzt liegt die Nennspannung oberhalb der Anzugsspannung(max). Wie soll das denn gehen? Ich betreibe die Spannung mit 5V und darf keine Anzugsspannung von größer 3,5 V anlegen? _EDIT2:_ Beim Relais 7212 steht eindeutig "ohne Diode" bei. Dort müssten dann wohl wirklich 2 Dioden zum Einsatz kommen.
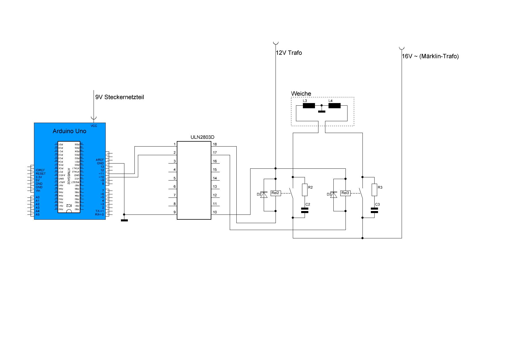
So, noch mal ein aktualisierter Schaltplan. Ich hoffe, dass ich die Dioden richtig gesetzt habe. Was sagt ihr dazu? Lohnt es sich in diesem Zustand einen Versuch "in echt" zu wagen?
Jan-Ole Schrader schrieb: > Lohnt es sich in diesem > Zustand einen Versuch "in echt" zu wagen? Nein, die Freilaufdiode an der Relaisspule fehlt! Und mit 40 mA bist du am Limit, vor allem wenn mehrere geschalten werden, max. sind 200 mA erlaubt. Nimm mindestens einen ULN2003 um die Relais zu schalten.
Es gibt Reedrelais mit 500 Ohm und integierter Diode, Schaltstrom 1A. Was soll die Diode parallel zum Kontakt? Da gehört ein Snubber hin.
Hier die dritte Version :) Markus schrieb: > Nein, die Freilaufdiode an der Relaisspule fehlt! > Und mit 40 mA bist du am Limit, vor allem wenn mehrere geschalten > werden, max. sind 200 mA erlaubt. > Nimm mindestens einen ULN2003 um die Relais zu schalten. ok, ich hatte nirgendwo herausgefunden, ob diese Freilaufdioden nun auf die Spulenseite oder Schalterseite des Relais müssen. Nun sind sie auf der Spulenseite. Wegen dem ULN2003: Würde ich am liebsten drauf verzichten, da ich sonst eine weitere Versorgung bzw. noch eine Gleichrichterschaltung benötigen würde, oder? Wie sieht es denn aus, wenn ich tatsächlich immer nur einen Schaltvorgang zur Zeit vornehme? Wäre das für den Arduino dann weniger kritisch? Wenn ich einen Wechsler (nur ein Pin genutzt) statt einem Schließer verwende, würde dann nur im Schaltmoment Strom fließen? Hubert G. schrieb: > Es gibt Reedrelais mit 500 Ohm und integierter Diode, Schaltstrom > 1A. > Was soll die Diode parallel zum Kontakt? Da gehört ein Snubber hin. Ja, die Relais aus dem günstigeren Bereich, die ich gesehen habe, waren ohne Diode. Snubber habe ich (hoffentlich richtig) eingefügt. Die Dimensionierung scheitert derzeit an der Weichenspule. Ich weiß deren Induktivität nicht. :(
http://www.reichelt.at/DIP-7212-D-5V/3/index.html?&ACTION=3&LA=446&ARTICLE=27651&artnr=DIP+7212-D+5V&SEARCH=Reedrelais+5V Die sind um €0,15 teurer als die ohne Diode. Es spricht natürlich nichts dagegen die Diode selbst einzufügen. Für den Snubber müsste man mal den Strom messen, aber es wird im Bereich 33n und 22 Ohm sein.
Hubert G. schrieb: > http://www.reichelt.at/DIP-7212-D-5V/3/index.html?... > Die sind um €0,15 teurer als die ohne Diode. Es spricht natürlich nichts > dagegen die Diode selbst einzufügen. > Für den Snubber müsste man mal den Strom messen, aber es wird im Bereich > 33n und 22 Ohm sein. Hm, dann nehme ich wohl doch die mit Dioden. :) Welche Dimensionierungsvorschrifft nutzt du? Ich kenne nur die aus den Tutorials hier von der Seite: Rsn=sqrt(L/C) und Csn=10*sqrt(L*C)/Rsn. C ist laut Datenblatt des 7212 0,2 pF.
Jan-Ole Schrader schrieb: > egen dem ULN2003: Würde ich am liebsten drauf verzichten, da ich sonst > eine weitere Versorgung bzw. noch eine Gleichrichterschaltung benötigen > würde, oder? Wie wird den der Arduino versorgt? Da brauchst ja auch eine Gleichspannung, oder? Dort könntest die Relais daran betreiben mit einem ULN. Mir gefällt nicht, dass die Relais an 5V betrieben werden (und wo möglich die Speisung des Arduino "versauen") Jan-Ole Schrader schrieb: > Wie sieht es denn aus, wenn ich tatsächlich immer nur einen > Schaltvorgang zur Zeit vornehme? Wäre das für den Arduino dann weniger > kritisch? Ja der Gesamtstrom für den Atmega ist dann im erlaubten Bereicht. Aber so einen Kompromiss würde ich nicht machen. (Wer denkt später schon daran, dass das nicht geht.) Jan-Ole Schrader schrieb: > Wenn ich einen Wechsler (nur ein Pin genutzt) statt einem > Schließer verwende, würde dann nur im Schaltmoment Strom fließen? Verstehe die Frage nicht ganz. Es fliesst immer dann einen Strom, wenn das Relais angezogen ist. Egal was das Relais für Kontakte hat.
Jan-Ole Schrader schrieb: > Welche Dimensionierungsvorschrifft nutzt du? Ich kenne nur die aus den > Tutorials hier von der Seite: Rsn=sqrt(L/C) und Csn=10*sqrt(L*C)/Rsn. C > ist laut Datenblatt des 7212 0,2 pF. Ich verwende die Faustregel 1 Ohm Volt und 100n A
Markus schrieb: > Wie wird den der Arduino versorgt? Da brauchst ja auch eine > Gleichspannung, oder? > Dort könntest die Relais daran betreiben mit einem ULN. Mir gefällt > nicht, dass die Relais an 5V betrieben werden (und wo möglich die > Speisung des Arduino "versauen") Der Arduino hat ja ein eigenes Netzteil. Ich könnte noch den 5V-Versorgungspin vom Arduino-Board nehmen. Muss mal nachschauen, wieviel Strom der treiben kann... Hm, maximal 650 mA und laut Forum eher 450 mA. Das wäre dann ja ohne den Umweg über den ATMega und daher unkritisch, oder? EDIT: Würde dann aber noch immer die Speisung des Arduino beeinflussen? > Ja der Gesamtstrom für den Atmega ist dann im erlaubten Bereicht. Aber > so einen Kompromiss würde ich nicht machen. (Wer denkt später schon > daran, dass das nicht geht.) So nach dem Motto einmal vergessen und schon ist alles hinüber. Ja, verstehe ich und kann mich selbst sehr gut in dieser Situation vorstellen.... > Verstehe die Frage nicht ganz. Es fliesst immer dann einen Strom, wenn > das Relais angezogen ist. Egal was das Relais für Kontakte hat. Ja, ich war auch etwas blöd. Dachte, der Wechsler muss nur zum Ziehen Strom haben und nicht zum Halten. Hubert G. schrieb: > Ich verwende die Faustregel 1 Ohm Volt und 100n A Soll heißen die Spannung als Ohm für den Widerstand und den Strom als 100nH-Pakete? Oder wie meinst du das? :)
Jan-Ole Schrader schrieb: > Der Arduino hat ja ein eigenes Netzteil. Und was ist soll das für eines sein? Der Arduino hat auf seinem Board kein Netzteil. (Aber einen Spannungsregler, der 5V erzeugt.) Also wo, an welchem Netzteil ist der Arduino angeschlossen? Was für eine Spannung / und Strom liefert das Netzteil?
Markus schrieb: > Und was ist soll das für eines sein? Der Arduino hat auf seinem Board > kein Netzteil. (Aber einen Spannungsregler, der 5V erzeugt.) > Also wo, an welchem Netzteil ist der Arduino angeschlossen? Was für eine > Spannung / und Strom liefert das Netzteil? Sry, es ist spät, du hast recht, ist natürlich extern. Für die Versorgung des Arduino kann ich derzeit entweder USB hernehmen oder eine 9V-Block-Batterie. Werde mir dann wohl noch ein Netzteil kaufen. Wird eins mit 9 V und 600 mA. Habe gerade gelesen, über den 5 V-Pin kann sowieso höchstens 500 mA abgegeben werden. Daher würde sich ein Netzteil mit 1,1 A nicht lohnen, denke ich mal. Irgendwie schwanken die Angaben auch gewaltig von Forenbeitrag zu Forenbeitrag.
Jan-Ole Schrader schrieb: > Werde mir dann wohl noch ein Netzteil kaufen. Wird > eins mit 9 V und 600 mA. Habe gerade gelesen, über den 5 V-Pin kann > sowieso höchstens 500 mA abgegeben werden. Daher würde sich ein Netzteil > mit 1,1 A nicht lohnen, denke ich mal. Irgendwie schwanken die Angaben > auch gewaltig von Forenbeitrag zu Forenbeitrag. Der 5V Spannungsregler auf dem Arduino-Board ist vorallem thermisch limitiert. Also wenn eine rel. grosse Eingangspannung anliegt, kann nur ein kleinerer Strom bezogen werden aufgrund der Verlustleistung. Bei kleiner Eingangspannung kann daher etwas mehr Strom bezogen werden. Du kannst ein 9V Netzteil anschliessen und die Relais an 5V mit dem ULN schalten. Die paar Relais mag der Spannungsregler des Arduino-Boards schon versorgen. Oder du besorgst dir ein 12V Netzteil schliesst die Relais (12V Typen, z.B. HJR-4102-L 12V) direkt an 12V an und schaltest sie auch mit dem ULN. In diesem Fall wird der Arduino Spannungsregler durch die Relais nicht belastet. Zudem wärst du flexibel für etwelche andere Erweiterungen, die auch an 12VDC laufen müssen und vom Arduino geschalten werden könnten. Ergänzung: Du könntest natürlich auch an 9V (anstelle 12V) die Relais betreiben. Die Auswahl ist einfach kleiner.
Ich wollte vor 30 Jahren schon meine Märklin-Weichen mit Elektronik schalten und hatte damals ebenfalls den 1 Transistor + 1 Dioden-Ansatz (den Sinn von Freilaufdioden hatte ich damals noch nicht kappiert ... Die Lösung war also nicht von Dauer ...) Ich meine mich aber zu erinnern, daß schon bald eine Dauermagnetisierung eintrat und das Umstellen der Weiche nicht mehr gut funktionierte. Dann kam ich auf eine Idee, die ich damals so genial fand, daß ich mich auch noch nach 30 Jahren daran erinnere: Ich habe eine Graetz-Gleichrichterbrücke genommen und das Prinzip etwas verkehrt, indem ich die Weiche in Serie zum Trafo in den Wechselspannungspfad geschaltet habe. In den Gleichspannungspfad des Gleichrichters konnte ich dann entweder einen Transistor oder gar einen Thyristor schalten (letzterer wurde ja mit jeder Halbwelle gelöscht). Das Ergebnis: Du bist in der Lage Deine Weiche mit Wechselstrom zu schalten und benötigst dafür nur einen Transistor oder Thyristor. Okay, okay - und Du brauchst 4 Dioden für die Graetz-Brücke (und eine fünfte Freilaufdiode habe ich gelernt :-). Allerdings brauchst Du das ganze Gemüse pro Weiche 2x, denn Du must ja 2 Spulen in einer Weiche ansteuern. Billiger geht's vermutlich trotzdem nimmer (zumindest, wenn Du Wechselstrom schalten möchtest), aber Du mußt halt viele Dioden verbauen. Leider ist mir die Ansteuerung der Transistoren nach 30 Jahren entfallen. Ich weiß nur noch, daß das "floatende" Potential ein wenig Hirnschmalz verbraucht hat. Spontan würde ich den Mikrocontroller in einer parallelen Graetz-Brücke unterbringen, die direkt am Trafo hängt, ohne vorgeschaltete Weiche, und darüber den MC speisen. Beim Ansteuern der Basis und beim Verbinden der "Bezugspotentiale" (= Emitter des Transistors und GND des MC) ist dann aber vermutlich wieder Vorsicht mit den Potentialen angesagt. Zu dieser fortgeschrittenen Stunde bin ich - ehrlich gesagt - ein bißchen zu faul, alles nochmals genau zu durchdenken. Viel Glück aber in jedem Falle für Dein Projekt! Viele Grüße Igel1
Hi Ich seh eigentlich euer Problem nicht. Warum nicht ein 12V Steckernetzteil 1 A für die Relais und gut ist. Relais mit Impuls schalten, genau so, als würde man die Taster benutzen. Das Prinzip der Ansteuerung mittels µC (Ob Arduino oder was auch immer) hatte ich bereits skizziert. Gut, du hast einen zweiten Stromkreis. Na und? Deine Taster für einen Handbetreib kannst du ja immer noch den Relaiskontakten parallel schalten. Wichtig wäre vielleicht eine Überwachung des Schaltimpulses für die Weichen, da diese keine 100% ED haben und mit Gleichstrom betrieben vermutlich sehr schnell den für die Funktion wichtigen Rauch entweichen lässt. Ich hab mir mal die kleine Mühe gemacht, eine Skizze anzufertigen. Die Schaltung mit den Optokopplern muss nicht, kann aber als Rückmeldung wieder in den µC zurückgeführt werden und evtl. auch die Einschaltdauer überwachen. Da ist an der Märklin-Seite keine Elektronik und das halte ich auch für vernünftig. Zumal hier doch nur scheinbar geringe Elektronikkenntnisse vorliegen. Damit muss das Projekt aber nicht sterben und ich möchte auch Mut machen, diese Aufgabe umzusetzen. Aber nicht gleich mit einer komplexen Änderung der Weichenantriebe. Wenn du mit einem Arduino ein Relais schalten kannst, dann gibt es doch gar kein Problem. Lass Märklinspannung komplett da, wo sie hingehört, an den Kontakten. Nimm ein Steckernetzteil (oder auch ein beliebig anderes) aus dem du mit einem Spannungsregler die Versorgung für den Controller abzweigst. Die 12 V lässt du direkt den Schalttransistoren für die Relais zukommen. 5V Relais mögen praktisch sein, aber sie sind teuer, haben oft nicht genug Schaltleistung und belasten die 5V hinter dem Regler, was dieser mit erhöhter Verlustleistung zur Kenntnis nimmt. Gruß oldmax
oldmax schrieb: > Wichtig wäre vielleicht eine Überwachung des Schaltimpulses für die > Weichen, da diese keine 100% ED haben und mit Gleichstrom betrieben > vermutlich sehr schnell den für die Funktion wichtigen Rauch entweichen > lässt. Um die Weichenatriebe zu schützen würde ich eine "Rückstellende Sicherung" Polyswitch in den Stromkreis vor der Weichenspule setzen. Dann gibts auch keine Rauchzeichen, falls der Controller oder Arduino durch Programmfehler oder sonst was "abstürzt" und der Ausgang versehentlich auf Dauerimpuls stehen bleibt. Das bringt einiges mehr, als den Kontakt wieder via Software zu überwachen. Z.B. so etwas: http://www.reichelt.de/Rueckstellende-Sicherungen/2/index.html?&ACTION=2&LA=3&GROUPID=3307 Un das mit dem Steckernetzeil habe ich ja auch oben Beitrag "Re: Arduino Uno und analoge Märklin-Weichen" schon geschrieben.
Jan-Ole Schrader schrieb: > Hubert G. schrieb: >> Ich verwende die Faustregel 1 Ohm Volt und 100n A > > Soll heißen die Spannung als Ohm für den Widerstand und den Strom als > 100nH-Pakete? Oder wie meinst du das? :) Genau so meine ich das. Wenn du sicherstellst das nicht mehr als zwei oder drei Relais gleichzeitig anziehen, sehe ich bei den direkt angeschalteten Relais kein Problem. Ein ULN2803 oder zumindest ein Transistor der ein 12V Relais schaltet ist natürlich eine schönere Lösung mit mehr Sicherheit. Wenn du auch noch eine optische Anzeige der Weichenstellung willst, wird dir die Stromversorgung des Arduino ohnehin aussteigen.
Markus schrieb: > Der 5V Spannungsregler auf dem Arduino-Board ist vorallem thermisch > limitiert. Also wenn eine rel. grosse Eingangspannung anliegt, kann nur > ein kleinerer Strom bezogen werden aufgrund der Verlustleistung. > Bei kleiner Eingangspannung kann daher etwas mehr Strom bezogen werden. > > Du kannst ein 9V Netzteil anschliessen und die Relais an 5V mit dem ULN > schalten. Die paar Relais mag der Spannungsregler des Arduino-Boards > schon versorgen. > > Oder du besorgst dir ein 12V Netzteil schliesst die Relais (12V Typen, > z.B. HJR-4102-L 12V) direkt an 12V an und schaltest sie auch mit dem > ULN. In diesem Fall wird der Arduino Spannungsregler durch die Relais > nicht belastet. Zudem wärst du flexibel für etwelche andere > Erweiterungen, die auch an 12VDC laufen müssen und vom Arduino > geschalten werden könnten. > > Ergänzung: > Du könntest natürlich auch an 9V (anstelle 12V) die Relais betreiben. > Die Auswahl ist einfach kleiner. So, habe hier noch einen Trafo gefunden, der 0..14 V AC und DC kann. bis zu 700 mA (kommt mir irgendwie wenig vor, da es ein Fahrtrafo für Modellbahnen ist). Den würde ich dann auf 12 V DC laufen lassen und damit den ULN befeuern. Der Arduino bekommt sein eigenes Steckernetzteil, brauche ich sowieso mal. Andreas S. schrieb: > Ich wollte vor 30 Jahren schon meine Märklin-Weichen mit > Elektronik > schalten und hatte damals ebenfalls den 1 Transistor + 1 Dioden-Ansatz > (den Sinn von Freilaufdioden hatte ich damals noch nicht kappiert ... > Die Lösung war also nicht von Dauer ...) > > Ich meine mich aber zu erinnern, daß schon bald eine Dauermagnetisierung > eintrat und das Umstellen der Weiche nicht mehr gut funktionierte. > > [...] > > Viele Grüße > > Igel1 Hi! Danke für deine Antwort, diese scheint mir aber wieder ganz anders zu sein. Ich glaube ich bleibe eher bei den bisherigen Ansätzen. Zur Dauermagnetisierung: Soweit ich das richtig überblicke, tritt diese nur bei gleichstromgeschalteten Weichen auf, wäre hier also kein Problem, da ich mit Wechselstrom antreibe. oldmax schrieb: > Hi > Ich seh eigentlich euer Problem nicht. Warum nicht ein 12V > Steckernetzteil 1 A für die Relais und gut ist. Relais mit Impuls > schalten, genau so, als würde man die Taster benutzen. Das Prinzip der > Ansteuerung mittels µC (Ob Arduino oder was auch immer) hatte ich > bereits skizziert. Gut, du hast einen zweiten Stromkreis. Na und? Deine > Taster für einen Handbetreib kannst du ja immer noch den Relaiskontakten > parallel schalten. > Wichtig wäre vielleicht eine Überwachung des Schaltimpulses für die > Weichen, da diese keine 100% ED haben und mit Gleichstrom betrieben > vermutlich sehr schnell den für die Funktion wichtigen Rauch entweichen > lässt. > Ich hab mir mal die kleine Mühe gemacht, eine Skizze anzufertigen. Die > Schaltung mit den Optokopplern muss nicht, kann aber als Rückmeldung > wieder in den µC zurückgeführt werden und evtl. auch die Einschaltdauer > überwachen. Da ist an der Märklin-Seite keine Elektronik und das halte > ich auch für vernünftig. Zumal hier doch nur scheinbar geringe > Elektronikkenntnisse vorliegen. Damit muss das Projekt aber nicht > sterben und ich möchte auch Mut machen, diese Aufgabe umzusetzen. Aber > nicht gleich mit einer komplexen Änderung der Weichenantriebe. Wenn du > mit einem Arduino ein Relais schalten kannst, dann gibt es doch gar kein > Problem. Lass Märklinspannung komplett da, wo sie hingehört, an den > Kontakten. > Nimm ein Steckernetzteil (oder auch ein beliebig anderes) aus dem du mit > einem Spannungsregler die Versorgung für den Controller abzweigst. Die > 12 V lässt du direkt den Schalttransistoren für die Relais zukommen. 5V > Relais mögen praktisch sein, aber sie sind teuer, haben oft nicht genug > Schaltleistung und belasten die 5V hinter dem Regler, was dieser mit > erhöhter Verlustleistung zur Kenntnis nimmt. > Gruß oldmax Nee, die Weichenantriebe möchte ich nicht verändern. Und deinem Vorschlag stimme ich größtenteils auch zu. Im Prinzip hat man dann folgende Reihenfolge: 1. Arduino Uno gibt 5 V Impuls auf ULN 2. ULN wird von gefundenem Trafo (siehe oben) auf 12 V befeuert 3. Verstärkter Impuls aus dem ULN wird auf das Relais gegeben 4. Relais schaltet und lässt 16 V AC aus dem Märklin-Trafo auf die Weiche los Was ist "ED"? Erektile Dysfunktion? ;) Markus schrieb: > oldmax schrieb: >> Wichtig wäre vielleicht eine Überwachung des Schaltimpulses für die >> Weichen, da diese keine 100% ED haben und mit Gleichstrom betrieben >> vermutlich sehr schnell den für die Funktion wichtigen Rauch entweichen >> lässt. > > Um die Weichenatriebe zu schützen würde ich eine "Rückstellende > Sicherung" Polyswitch in den Stromkreis vor der Weichenspule setzen. > Dann gibts auch keine Rauchzeichen, falls der Controller oder Arduino > durch Programmfehler oder sonst was "abstürzt" und der Ausgang > versehentlich auf Dauerimpuls stehen bleibt. Das bringt einiges mehr, > als den Kontakt wieder via Software zu überwachen. > > Z.B. so etwas: > http://www.reichelt.de/Rueckstellende-Sicherungen/... > > Un das mit dem Steckernetzeil habe ich ja auch oben > Beitrag "Re: Arduino Uno und analoge Märklin-Weichen" schon geschrieben. Ich möchte die Weichen ja eigentlich nicht mit Gleichstrom betreiben. Ist das auch im AC-Fall nötig? Irgendwie sehe ich das Relais nach wie vor als einfachen Ersatz eines manuellen Tasters. Und wenn ich per Hand eine Weiche stelle, so habe ich diese rückstellende Sicherunge ja auch nicht. Hubert G. schrieb: > Jan-Ole Schrader schrieb: >> Hubert G. schrieb: >>> Ich verwende die Faustregel 1 Ohm Volt und 100n A >> >> Soll heißen die Spannung als Ohm für den Widerstand und den Strom als >> 100nH-Pakete? Oder wie meinst du das? :) > > Genau so meine ich das. > > Wenn du sicherstellst das nicht mehr als zwei oder drei Relais > gleichzeitig anziehen, sehe ich bei den direkt angeschalteten Relais > kein Problem. Ein ULN2803 oder zumindest ein Transistor der ein 12V > Relais schaltet ist natürlich eine schönere Lösung mit mehr Sicherheit. > Wenn du auch noch eine optische Anzeige der Weichenstellung willst, wird > dir die Stromversorgung des Arduino ohnehin aussteigen. Ja, mit dem ULN ist es schöner und ich brauche für den Arduino auch weitere Reserven. Immerhin will ich irgendwann auch noch Züge detektieren. Und dafür möchte ich keine Kontaktgleisstücke nehmen und habe an Lichtschranken gedacht aus Photowiderstand und LED. Diese müssen ebenfalls befeuert werden.
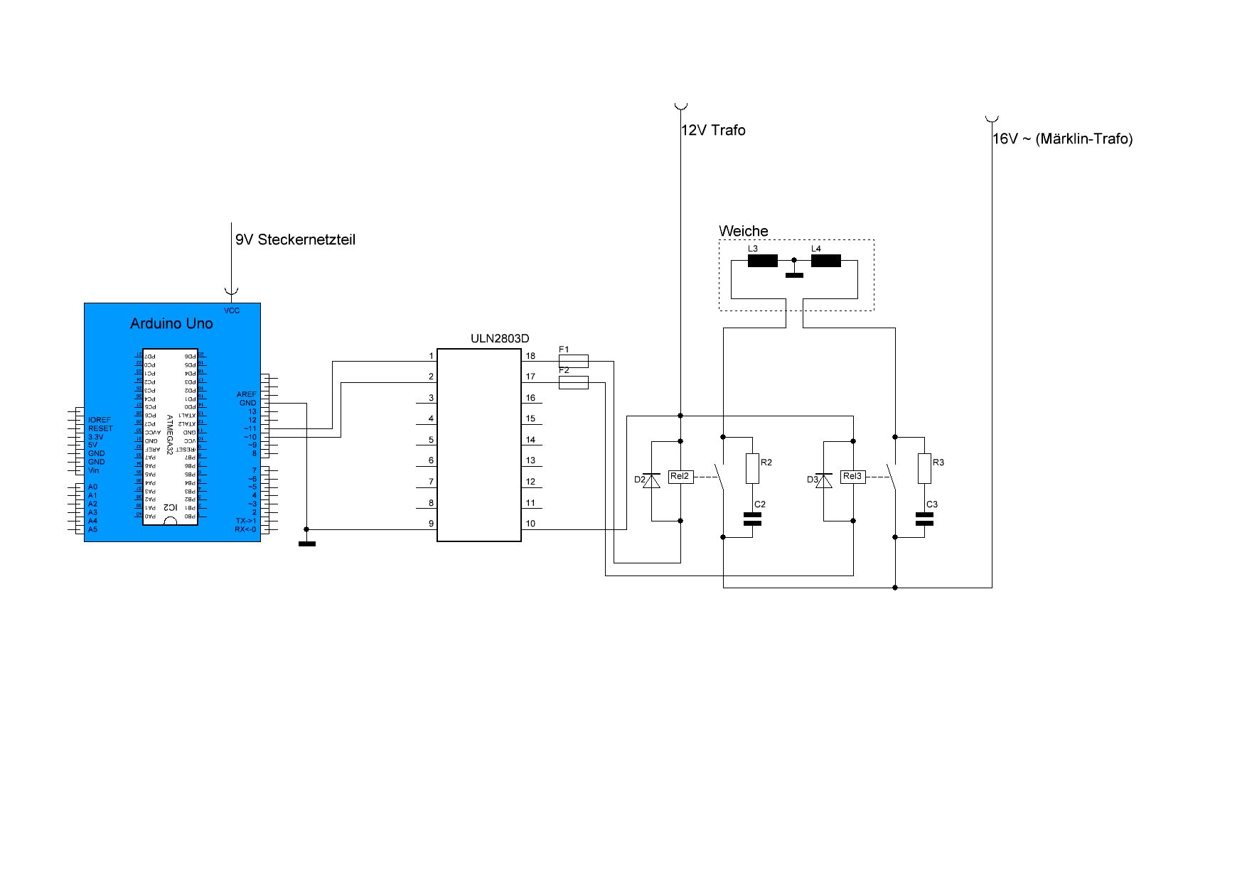
Hier noch mal für eine Weiche, wie ich mir das ganze vorstelle. Wäre super nett, wenn jemand sagen könnte, ob es nun vollständig ist :)
> Und dafür möchte ich keine Kontaktgleisstücke nehmen und > habe an Lichtschranken gedacht aus Photowiderstand und LED. > Diese müssen ebenfalls befeuert werden. Ich würde mich an deiner Stelle überhaupt erst mal vom Grundgedanken, dass der Ardunion alles mit Strom versorgt, trennen. Das bringt dich IMHO nicht weiter. Die Vcc Anschlüsse auf der Arduino Platine sind für kleinere Aufbauten gedacht. Für etwas größeres ist das alles nicht wirklich ausgelegt. Der Grundgedanke sollte IMHO sein: Ich hab da ein starkes Netzteil, welches mir eine (ungeregelte) Spannung liefert, an der sich alle bedienen können. Der Ardunio ist lediglich ein Baustein, der an dieser Versorgung hängt, genauso wie die Weichenantriebe oder in weiterer Folge Gleismelder oder Hausbeleuchtungen. Gerade bei Modellbahn finde ich einen zu zentralistisch orientierten Gedankengang nicht gut. Das ist oft viel zu unflexibel. Wird irgendwo auf der Anlage ein Modul benötigt, dann kommt es an die Hauptstromversorgung, aus der sich das Modul seine Spannung selbst erzeugt (und es daher auch nicht so schlimm ist, wenn die Hauptversorung dadurch um 0.1V in die Knie geht) und ansonsten wird es nur noch an das Bussystem angeschlossen, von dem es seine Steuerbefehle erhält. Mdularer Aufbau war bei der Modelleisenbahn noch immer Trumpf, wobei die Module zur 'Einsatzstelle' kommen. Alleine der verringerte Verkabelungsaufwand (auch Kupferkabel kosten Geld) wiegt die Mehrkosten für Platinen schnell auf. Ganz zu schweigen von der einfacheren Tauschmöglichkeit von simplen Modulen bei Defekten.
Jan-Ole Schrader schrieb: > Hier noch mal für eine Weiche, wie ich mir das ganze vorstelle. Wäre > super nett, wenn jemand sagen könnte, ob es nun vollständig ist :) Das wird nicht klappen. Deine Relais werden nicht schalten. Stell dir den ULN so vor, dass er Schalter enthält, die nach Masse (GND) durchschalten. D.h. du musst von den 12V kommen, zum Releais, vom Relais zum ULN und der ULN schaltet dann nach GND durch und schliesst so den Stromkreis bei Bedarf. Lass dich nicht vom Common (12V) Anschluss um ULN verwirren. Der dient nur dazu, die internen Freilaufdioden (die du dir dann an den Relais bei kurzen Verbindungslängen theoretisch sparen kannst) mit 12V zu verbinden. Aber das ist NICHT die Versorgung, aus der die Relais dann ihre 12V kriegen.
D.h. der ULN muss so angeschlossen werden. Wird im ULN der blau eingezeichnete 'Schalter' geschlossen, dann kann der Strom wie in den grünen Pfeilen von +12V nach Masse fliessen und das Relais zieht an. Wird der Schalter geöffnet, dann ist der Stromfluss unterbrochen und das Relais fällt ab.
ARG, einmal falsches Bild hochgeladen. Das mit nur einer Weiche ist relevant. Karl Heinz, wenn du das eine löschen kannst, bitte! Karl Heinz schrieb: > Grundgedanke sollte IMHO sein: .... zentralistisch orientierten > Gedankengang nicht gut. Stimmt, ist das mit dem ULN denn behoben? Der versorgt jetzt meine Verbraucher oder? Karl Heinz schrieb: > Jan-Ole Schrader schrieb: >> Hier noch mal für eine Weiche, wie ich mir das ganze vorstelle. Wäre >> super nett, wenn jemand sagen könnte, ob es nun vollständig ist :) > > Das wird nicht klappen. > Deine Relais werden nicht schalten. > > Stell dir den ULN so vor, dass er Schalter enthält, die nach Masse (GND) > durchschalten. D.h. du musst von den 12V kommen, zum Releais, vom Relais > zum ULN und der ULN schaltet dann nach GND durch und schliesst so den > Stromkreis bei Bedarf. > > Lass dich nicht vom Common (12V) Anschluss um ULN verwirren. Der dient > nur dazu, die internen Freilaufdioden (die du dir dann an den Relais bei > kurzen Verbindungslängen theoretisch sparen kannst) mit 12V zu > verbinden. Aber das ist NICHT die Versorgung, aus der die Relais dann > ihre 12V kriegen. Du kannst meine Gedanken lesen! Genau das habe ich gedacht. Hier noch eine neue Version. Falls es richtig sein sollte, müsste ich noch den Snubber dimensionieren. Über Strommessung sollte das gehen. Wie messe ich den Strom? Einfach Multimeter im Schaltmoment an die Weiche hängen?
Jan-Ole Schrader schrieb: > ARG, einmal falsches Bild hochgeladen. Das mit nur einer Weiche ist > relevant. Karl Heinz, wenn du das eine löschen kannst, bitte! ok > Stimmt, ist das mit dem ULN denn behoben? Der versorgt jetzt meine > Verbraucher oder? Der ULN 'versorgt' in dem Sinne niemanden. Der schaltet nur :-) > Falls es richtig sein sollte passt > müsste ich noch den Snubber > dimensionieren. Über Strommessung sollte das gehen. Wie messe ich den > Strom? Einfach Multimeter im Schaltmoment an die Weiche hängen? Kannst du machen. Aber an dieser Stelle sind wir keine Goldschmiede. Wenn du (aus dem Web) die Angabe so ca. 500mA hast, dann ist das genau genug. Da kommt es jetzt nicht aufs mA an. Zumal die Snubberdimensionierung sowieso schon eine Faustformel darstellt.
Andreas S. schrieb: > Dann kam ich auf eine Idee, die ich damals so genial fand, daß ich mich > auch noch nach 30 Jahren daran erinnere: Ich habe eine > Graetz-Gleichrichterbrücke genommen und die Weiche in Serie zum > Trafo in den Wechselspannungspfad geschaltet Solche Lösungen wurden damals auch in professionellen Geräten benutzt. Seit es billige Triacs gibt, macht eine solche Schaltung aber keinen Sinn mehr. Gruss Harald PS: Ob man nun Triacs oder Relais zum Schalten der Weichen nimmt, ist mehr oder weniger Geschmacksache. Triacs sind vermutlich etwas billiger und kleiner. Wichtig ist, das beide nur kurz (Halbe Sekunde oder so) angesteuert werden, weil sonst die Weichenspulen überlastet werden.
Harald Wilhelms schrieb: > oder so) angesteuert werden, weil sonst die Weichenspulen überlastet > werden. 1.Wichtiger noch scheint mir Programmierfehler durch weitere Logik zu verhindern damit nicht beide Richtungen ständig zappeln oder so (wenn der µC Dummheiten) macht. 2.Allgemein http://www.mikrocontroller.net/articles/Relais_mit_Logik_ansteuern
oszi40 schrieb: > Harald Wilhelms schrieb: >> oder so) angesteuert werden, weil sonst die Weichenspulen überlastet >> werden. > > 1.Wichtiger noch scheint mir Programmierfehler durch weitere Logik zu > verhindern damit nicht beide Richtungen ständig zappeln oder so (wenn > der µC Dummheiten) macht. Alles richtig. Aber so haarig ist die Sache auch wieder nicht. Die Märklin-Stellpult-Bausteine haben keinerlei Sicherungen. Die Weichen müssen aber trotzdem damit klarkommen, dass Kinderhände schon mal auf beide Knöpfe drücken und dann auch noch drauf bleiben.
Karl Heinz schrieb: > dass Kinderhände schon mal auf beide Knöpfe drücken Bei den alten Stellpulten ging das nicht, da beide Knöpfe mechanisch gegeneinander verriegelt waren. Ein längeres Drücken ging natürlich schon, aber viel länger als 1min sollte das wohl nicht dauern, weil dann die Spulen durchbrannten. Gruss Harald
Harald Wilhelms schrieb: > Karl Heinz schrieb: > >> dass Kinderhände schon mal auf beide Knöpfe drücken > > Bei den alten Stellpulten ging das nicht, da beide Knöpfe mechanisch > gegeneinander verriegelt waren. Reden wir vom selben? Echt? War da eine Wippe drinn? Kann mich nicht mehr so genau erinnern und meine Märklin verstaubt im Keller in ihren Kisten. Kann mich nur noch an das schwammige Gefühl beim Draufdrücken erinnern, weil es so gar keinen Druckpunkt gab. Ich hätte schwören können, das das einfach nur Blechstreifen sind, die mit dem Taster zusammengepresst werden. > schon, aber viel länger als 1min sollte das wohl nicht dauern, weil > dann die Spulen durchbrannten. Das sicher. Obwohl meine Märklin schon einiges mitgemacht hat :-)
Karl Heinz schrieb: > Der ULN 'versorgt' in dem Sinne niemanden. Der schaltet nur :-) Ok, aber immerhin ist die Versorgung vom Arduino vom Rest getrennt. > passt Juhu! :) > Kannst du machen. > Aber an dieser Stelle sind wir keine Goldschmiede. Wenn du (aus dem Web) > die Angabe so ca. 500mA hast, dann ist das genau genug. Da kommt es > jetzt nicht aufs mA an. Zumal die Snubberdimensionierung sowieso schon > eine Faustformel darstellt. Ok, dann landet man bei 50 nH für 500 mA und 16 Ohm für 16 V? Muss erstmal gucken, ob es diese Größen überhaupt gibt. oszi40 schrieb: > Harald Wilhelms schrieb: >> oder so) angesteuert werden, weil sonst die Weichenspulen überlastet >> werden. > > 1.Wichtiger noch scheint mir Programmierfehler durch weitere Logik zu > verhindern damit nicht beide Richtungen ständig zappeln oder so (wenn > der µC Dummheiten) macht. > 2.Allgemein > http://www.mikrocontroller.net/articles/Relais_mit... Man hat eine sinnvolle Überprüfungsmaßnahme: Man hört die Weichenantriebe ja, wenn diese länger betätigt werden. In dem Fall könnte man sofort die Versorgung ziehen. Ich habe allerdings noch nie beide Richtungen gleichzeitig betätigt und keine Ahnung, was dann passiert. Die Stellpulte habe ich mir gerade angesehen, es können tatsächlich nicht beide gleichzeitig gedrückt werden.
Jan-Ole Schrader schrieb: >> Der ULN 'versorgt' in dem Sinne niemanden. Der schaltet nur :-) > Ok, aber immerhin ist die Versorgung vom Arduino vom Rest getrennt. Ja, aber das GND vom Arduino (Steckernetzeil) und vom ULN (Trafo) müssen verbunden sein. Zeichne das mal noch ein. Und eben ich würde noch einen kleinen Polyswitch bei jedem ULN-Ausgang einbauen. Nicht dass es dann aus dem Schattenbahnhof qualmt... http://www.reichelt.de/Rueckstellende-Sicherungen/2/index.html?&ACTION=2&LA=3&GROUPID=3307
Karl Heinz schrieb: >> Bei den alten Stellpulten ging das nicht, da beide Knöpfe mechanisch >> gegeneinander verriegelt waren. > > Reden wir vom selben? > > Echt? War da eine Wippe drinn? Ja. Im Prinzip konnte man da dann auch an den Knöpfen die Weichenstellung ablesen, da der zuletzt gedrückte Knopf tiefer im Gehäuse lag. Das klappte natürlich nicht mehr, wenn man die Weiche per Hand verstellte. Gruss Harald PS: Was ist paradox? Wenn der Zug hart über die Weichen rumpelt.
Jan-Ole Schrader schrieb: > Ok, dann landet man bei 50 nH für 500 mA und 16 Ohm für 16 V? Muss > erstmal gucken, ob es diese Größen überhaupt gibt. 47n und 18 Ohm, aber wie schon gesagt, nicht so genau.
Markus schrieb: > Jan-Ole Schrader schrieb: >>> Der ULN 'versorgt' in dem Sinne niemanden. Der schaltet nur :-) >> Ok, aber immerhin ist die Versorgung vom Arduino vom Rest getrennt. > > Ja, aber das GND vom Arduino (Steckernetzeil) und vom ULN (Trafo) müssen > verbunden sein. Zeichne das mal noch ein. > > Und eben ich würde noch einen kleinen Polyswitch bei jedem ULN-Ausgang > einbauen. > Nicht dass es dann aus dem Schattenbahnhof qualmt... > http://www.reichelt.de/Rueckstellende-Sicherungen/... Ähm, die Grounds sind doch verbunden? PIN 9 vom ULN ist mit GND vom Arduino verbunden. Oder verstehe ich was falsch? Habe die Sicherungen mal mit eingezeichnet. Denke mal, ich werde eine mit 2,2 s Ansprechzeit nehmen. So lange sollte kein Schaltungsvorgang dauern. Hubert G. schrieb: > Jan-Ole Schrader schrieb: >> Ok, dann landet man bei 50 nH für 500 mA und 16 Ohm für 16 V? Muss >> erstmal gucken, ob es diese Größen überhaupt gibt. > > 47n und 18 Ohm, aber wie schon gesagt, nicht so genau. Ok, danke, werde es dann im ersten Anlauf mal so machen.
Die Einschaltdauer des Polyswitch hängt vom Strom ab (Datenblatt-Diagram). Die Dauer muss auch nicht so genau sein. Sie soll ja vorallem verhindern, dass da gleich Minutenlang eingschalten werden kann. Was braucht denn so einen Weichentrieb für Strom? Jan-Ole Schrader schrieb: > Ähm, die Grounds sind doch verbunden? PIN 9 vom ULN ist mit GND vom > Arduino verbunden. Oder verstehe ich was falsch? Vom Trafo kommt +12V und GND (oder -). Und dieses GND muss mit dem ULN und auch dem Arduino GND verbunden sein.
Gegen Programmfehler könnte man das ganze auch elektronisch schützen, etwa mit einem passende dimensionierten Kondensator/Elko zwischen dem µC und dem ULN . Ggf. braucht es dann noch je eine kleine Diode dazu. Wenn schon ein Schutz über so etwas wie ein Polyswisch, dann aber eher auf der Wechselspannungsseite. So können dann auch hängende Relais mit abgefangen werden. Dabei kann eine Sicherung vermutlich auch gleich mehrere Weichen (etwa 4) schützen, so lange nicht sehr viel umgeschaltet wird. Wenn man je Schaltung 1 Sekunde braucht, und die Weiche bis 1 Minute Aushält, hätte man da einiges an Spielraum. Die Schaltung mit Wechselstrom hätte noch eine Weiteren Vorteil: man könnte zumindest im Prinzip über den Strom erkennen ob die Weiche tatsächlich geschaltet hat. Mit den angezogenen Kern erhöht sich nämlich die Induktivität, was den Strom reduziert.
Markus schrieb: > Die Einschaltdauer des Polyswitch hängt vom Strom ab > (Datenblatt-Diagram). Die Dauer muss auch nicht so genau sein. Sie soll > ja vorallem verhindern, dass da gleich Minutenlang eingschalten werden > kann. > Was braucht denn so einen Weichentrieb für Strom? > Tja, ich habe es noch nicht gemessen, aber laut Recherche sind es irgendwas zwischen 200 und 500 mA (Das kommt mir irgendwie viel vor). Habe gerade noch mal danach gegooglt. Ich werde es wohl wirklich mal messen müssen, um zu sinnvollen Aussagen zu finden. Irgendwie schweigt sich dazu das gesamte Internet aus. > > Vom Trafo kommt +12V und GND (oder -). Und dieses GND muss mit dem ULN > und auch dem Arduino GND verbunden sein. Ok, das hätte ich jetzt intuitiv so gemacht. Ulrich schrieb: > Gegen Programmfehler könnte man das ganze auch elektronisch > schützen, > etwa mit einem passende dimensionierten Kondensator/Elko zwischen dem µC > und dem ULN . Ggf. braucht es dann noch je eine kleine Diode dazu. > Kondensator an der Stelle? Dort befinde ich mich auf Gleichspannung, geht das? Was bewirkt das überhaupt? > Wenn schon ein Schutz über so etwas wie ein Polyswisch, dann aber eher > auf der Wechselspannungsseite. So können dann auch hängende Relais mit > abgefangen werden. Dabei kann eine Sicherung vermutlich auch gleich > mehrere Weichen (etwa 4) schützen, so lange nicht sehr viel umgeschaltet > wird. Wenn man je Schaltung 1 Sekunde braucht, und die Weiche bis 1 > Minute Aushält, hätte man da einiges an Spielraum. Die Sicherungen würde ich dann einfach in Reihe zu den Weichenspulen setzen. Wie kann man denn mit einer Sicherung vier Spulen sichern? > Die Schaltung mit Wechselstrom hätte noch eine Weiteren Vorteil: man > könnte zumindest im Prinzip über den Strom erkennen ob die Weiche > tatsächlich geschaltet hat. Mit den angezogenen Kern erhöht sich nämlich > die Induktivität, was den Strom reduziert. Erkennen? Wie kann man am Strom etwas erkennen? Mir ist das irgendwie zu hoch :D
Hi So wie ich wes überblicke, hat noch niemand auf ´deine Frage "Was ist ED" geantwortet. ED = Einschaltdauer und wird in % angegeben. Das ist sicherlich verwirrend, wenn 100 % so was wie Unendlich ist. Was sind 10 % von unendlich? Wie es genau definiert ist, kann ich dir jetzt nicht sagen, da müsste ich selber googeln, aber geh mal bei 10% von 6 Minuten aus. Gruß oldmax
oldmax schrieb: > ED = Einschaltdauer und wird in % angegeben. Das ist > sicherlich verwirrend, wenn 100 % so was wie Unendlich ist. Was sind 10 > % von unendlich? > Wie es genau definiert ist, kann ich dir jetzt nicht sagen, da müsste > ich selber googeln, aber geh mal bei 10% von 6 Minuten aus. Die Einschaltdauer gibt die Zeit in % im Verhältnis zum Gesamtintervall an. Ist nichts anderes angegeben, gilt eine Intervalldauer von 10 min. Gruss Harald
Jan-Ole Schrader schrieb: > Erkennen? Wie kann man am Strom etwas erkennen? Indem man ihn misst. Zb über den Spannungsabfall, den ein Strom an einem Widerstand erzeugt. (Dein Amperemeter macht auch nichts anderes) > Mir ist das irgendwie zu > hoch :D Ich würds erst mal so realisieren, wie es jetzt ist. Dann damit spielen und wenn es wirklich ein Problem gibt, kann man immer noch darüber nachdenken den Strom zu messen und darauf zu reagieren. Aber ich finde: die erste Version muss nicht unbedingt vollprofessionell sein. Du bist ja nicht das MiWuLa, wo alle 2 Sekunden in 87-tausend Schattenbahnhöfen irgendwo ein Zug einfährt. Ich würd da jetzt eher über Belegtmelder nachdenken und die entsprechende programmtechnische Absicherung für den Fall, dass ein Zug auf ein Schattengleis fährt, auf dem schon ein Zug steht, als über den Fall, dass eine Weiche nicht richtig stellt.
Ulrich schrieb: > Die Schaltung mit Wechselstrom hätte noch eine Weiteren Vorteil: man > könnte zumindest im Prinzip über den Strom erkennen ob die Weiche > tatsächlich geschaltet hat. Mit den angezogenen Kern erhöht sich nämlich > die Induktivität, was den Strom reduziert. Im Prinzip verhält sich so eine Märklin-Weiche wie ein induktiver Wegaufnehmer mit zwei Endstellungen. Man kann daher "relativ" einfach die Weichenstellung detektieren. Wenn man an die Reihenschaltung der beiden Spulen eine höherfrequnte Wechselspannung im kHz-Bereich anlegt, ändert sich die Spannung an der Mittelabzapfung signifikant. Man muss nur zwischen Schalten und Stellung erkennen unterscheiden und das entsprechend geschickt und einfach umsetzen. Im Idealfall geht das auch ohne Relais. Das nur mal so als Anregung. gk
gk schrieb: >> Die Schaltung mit Wechselstrom hätte noch eine Weiteren Vorteil: man >> könnte zumindest im Prinzip über den Strom erkennen ob die Weiche >> tatsächlich geschaltet hat. Mit den angezogenen Kern erhöht sich nämlich >> die Induktivität, was den Strom reduziert. > > Im Prinzip verhält sich so eine Märklin-Weiche wie ein induktiver > Wegaufnehmer mit zwei Endstellungen. Man kann daher "relativ" einfach > die Weichenstellung detektieren. > > Wenn man an die Reihenschaltung der beiden Spulen eine höherfrequnte > Wechselspannung im kHz-Bereich anlegt, ändert sich die Spannung an der > Mittelabzapfung signifikant. Bei allen Konkurrenzfirmen ausser Märklin ist eigentlich schon seit Jahrzehnten ein Kontakt in der Weiche eingebaut, mit dem man problemlos die Weichenstellung erkennen kann. Vielleicht hat Märklin da ja inzwischen auch nachgerüstet. Etwaige Patente sind da sicher schon längst abgelaufen. russ Harald
oldmax schrieb: > Hi > So wie ich wes überblicke, hat noch niemand auf ´deine Frage "Was ist > ED" geantwortet. ED = Einschaltdauer und wird in % angegeben. Das ist > sicherlich verwirrend, wenn 100 % so was wie Unendlich ist. Was sind 10 > % von unendlich? > Wie es genau definiert ist, kann ich dir jetzt nicht sagen, da müsste > ich selber googeln, aber geh mal bei 10% von 6 Minuten aus. > Gruß oldmax Ok, danke. Du hattest "ED" im Zusammenhang mit Gleichstrom genutzt. Wie sieht es im Fall von wechselstrombetriebenen Weichen aus? Karl Heinz schrieb: > > Indem man ihn misst. > Zb über den Spannungsabfall, den ein Strom an einem Widerstand erzeugt. > (Dein Amperemeter macht auch nichts anderes) Ah, jetzt verstehe ich auch den Sinn dahinter. Könnte man sich irgendwann tatsächlich überlegen. > Ich würds erst mal so realisieren, wie es jetzt ist. Dann damit spielen > und wenn es wirklich ein Problem gibt, kann man immer noch darüber > nachdenken den Strom zu messen und darauf zu reagieren. > Aber ich finde: die erste Version muss nicht unbedingt vollprofessionell > sein. Du bist ja nicht das MiWuLa, wo alle 2 Sekunden in 87-tausend > Schattenbahnhöfen irgendwo ein Zug einfährt. > > Ich würd da jetzt eher über Belegtmelder nachdenken und die > entsprechende programmtechnische Absicherung für den Fall, dass ein Zug > auf ein Schattengleis fährt, auf dem schon ein Zug steht, als über den > Fall, dass eine Weiche nicht richtig stellt. Jupp, ich denke auch, dass ich das nach dem letzten Stand erstmal aufbauen werde. Für die Belegung der Gleise werde ich Lichtschranken nutzen, die in der Software dann ein Flag setzen, wenn ein Zug durchfährt. Nehme dann vier Lichtschranken: jeweils eine pro Gleis und eine in der Einfahrt. Rein theoretisch könnte man auch eine einzelne in der Einfahrt nehmen und den Zustand des Bahnhofs im Arduino hinterlegen. Sowieso ist von der Software-Seite her IMHO das größte Problem das Einschalten: Woher weiß der Arduino, welches Gleis beim Reset belegt ist? Entweder ich baue einen nicht-flüchtigen Speicher ein, in welchem die letzte Situation hinterlegt ist oder aber ich muss am Anfang über Taster selbst festlegen, welche Gleise belegt sind. Also immer beim Einschalten der Modellbahnanlage kurz überprüfen, welche Gleise belegt sind und dies dem Arduino mitteilen. Aber da muss ich mir noch Gedanken drüber machen :)
Jan-Ole Schrader schrieb: > Einschalten: Woher weiß der Arduino, welches Gleis beim Reset belegt > ist? Entweder ich baue einen nicht-flüchtigen Speicher ein, in welchem > die letzte Situation hinterlegt ist Vor solchen Spielchen würde ich dir dringend abraten! Es reicht ein Benutzer, der im Schattenbahnhof einen zusätzlichen Zug händisch aufgleist und dann geht alles den Bach runter. Sobald es eine Möglichkeit gibt, wie ein Benutzer in ein System eingreifen kann, benötigt man Sensoren. Mit dem merken des letzten Zustands ist es nicht getan. Genau dasselbe gilt auch für die Weichen. Nach dem Einschalten muss der Arduino erst mall alle Weichen in eine definierte und ihm bekannte Stellung bringen. > oder aber ich muss am Anfang über > Taster selbst festlegen, welche Gleise belegt sind. Also immer beim > Einschalten der Modellbahnanlage kurz überprüfen, welche Gleise belegt > sind und dies dem Arduino mitteilen. Aber da muss ich mir noch Gedanken > drüber machen :) Das schlimmste was dir passieren kann ist, das ein Benutzer einen Zug vor der Lichtschranke aufgleist. Nach dem einschalten, wenn die Lichtschranke 'frei' anzeigt, würde ich daher für ein paar Sekunden jedes Gleis erst mal kurz einschalten, damit ein eventueller Zug bis zur Lichtschranke aufrückt. Ist nach x Sekunden die Lichtschranke immer noch nicht unterbrochen, kann man davon ausgehen, dass das Gleis auch wirklich leer ist.
Markus schrieb: > Vom Trafo kommt +12V und GND (oder -) Dann wird das wohl ein komplettes Netzteil sein. Ein Trafo liefert bekanntlich eine reine Wechselspannung.
Karl Heinz schrieb: > Vor solchen Spielchen würde ich dir dringend abraten! > Es reicht ein Benutzer, der im Schattenbahnhof einen zusätzlichen Zug > händisch aufgleist und dann geht alles den Bach runter. > > Sobald es eine Möglichkeit gibt, wie ein Benutzer in ein System > eingreifen kann, benötigt man Sensoren. Mit dem merken des letzten > Zustands ist es nicht getan. > > Genau dasselbe gilt auch für die Weichen. Nach dem Einschalten muss der > Arduino erst mall alle Weichen in eine definierte und ihm bekannte > Stellung bringen. > > Das schlimmste was dir passieren kann ist, das ein Benutzer einen Zug > vor der Lichtschranke aufgleist. Nach dem einschalten, wenn die > Lichtschranke 'frei' anzeigt, würde ich daher für ein paar Sekunden > jedes Gleis erst mal kurz einschalten, damit ein eventueller Zug bis zur > Lichtschranke aufrückt. Ist nach x Sekunden die Lichtschranke immer noch > nicht unterbrochen, kann man davon ausgehen, dass das Gleis auch > wirklich leer ist. Das mit der definierten Weichenposition ist eine gute Idee. Das mit dem Aufgleisen im oder vor dem Schattenbahnhof halte ich für irrelevant, einfach weil die Anlage das nicht wirklich her gibt. Man kommt dort zwar ran, um Unfälle zu bergen, aber zum Aufgleisen gibt es dann doch wesentlich bessere Stellen auf der Anlage. Wolfgang schrieb: > Markus schrieb: >> Vom Trafo kommt +12V und GND (oder -) > > Dann wird das wohl ein komplettes Netzteil sein. Ein Trafo liefert > bekanntlich eine reine Wechselspannung. Das Ding hat beides. Ich kann 0..14 V DC und 0..14 V AC abgreifen. Hinten sind 4 Klemmen. Rot und Blau für Wechselspannung. Dann noch Weiß und Grau. Muss mal sehen, wo dort die Gleichspannung genau abgegriffen werden muss. Mit Weiß und Grau kann ich nämlich nicht so viel anfangen.
Jan-Ole Schrader schrieb: > Das Ding hat beides. Ich kann 0..14 V DC und 0..14 V AC abgreifen. > Hinten sind 4 Klemmen. Rot und Blau für Wechselspannung. Dann noch Weiß > und Grau. Muss mal sehen, wo dort die Gleichspannung genau abgegriffen > werden muss. Mit Weiß und Grau kann ich nämlich nicht so viel anfangen. Für die Gleichspannung wir dort aber nur ein Gleichrichter und keine Siebung drin sein. Arduino und sonstige Elektronik würde ich völlig getrennt von der Anlage mit einem zusätzlichem, z.B. Steckernetzteil versorgen. Gruss Harald
Harald Wilhelms schrieb: > Für die Gleichspannung wir dort aber nur ein Gleichrichter und keine > Siebung drin sein. Arduino und sonstige Elektronik würde ich völlig > getrennt von der Anlage mit einem zusätzlichem, z.B. Steckernetzteil > versorgen. > Gruss > Harald Bin auf deine Anmerkung auch noch eingegangen. Die Restelektronik erhält jetzt eine eigene 12V-Versorgung. Bestellung ist nun raus und es heißt warten :) Danke schon mal an alle, die mir so fleißig geholfen haben. Ich gehe mal stark davon aus, dass ich wieder auf euch zurückkommen werde ;)
So, letzte Wochen kamen zwar schon die Teile, jedoch bin ich erst heute wieder an das Projekt gekommen. Habe nun einen Testaufbau für eine einzelne Weiche auf dem Steckbrett realisiert und es funktioniert ganz hervorragend! Einmal kurz Pins am Relais vertauscht, aber sobald dieser Fehler beseitigt war, lief alles wie geschmiert. Einzig traurig ist die Tatsache, dass ich zu blöd war, Lochrasterplatinen zu bestellen und nun welche ohne Kupfer habe. Peinlich, ich weiß :( (Wozu sind die Dinger überhaupt da??) Jetzt kann ich jedenfalls nicht alles zusammenlöten und muss wieder warten. Naja, die Schaltung funktioniert und dafür liebe ich euch alle :D
Jan-Ole Schrader schrieb: > Einzig traurig ist die Tatsache, dass ich zu blöd war, > Lochrasterplatinen zu bestellen und nun welche ohne Kupfer habe. Die gehen eigentlich genausogut, wenn Du die Pins der Bauelemente unter der Platine umbiegst. Grösseren Erschütterungen wird Deine Platine ja wohl nicht ausgesetzt sein. Gruss Harald
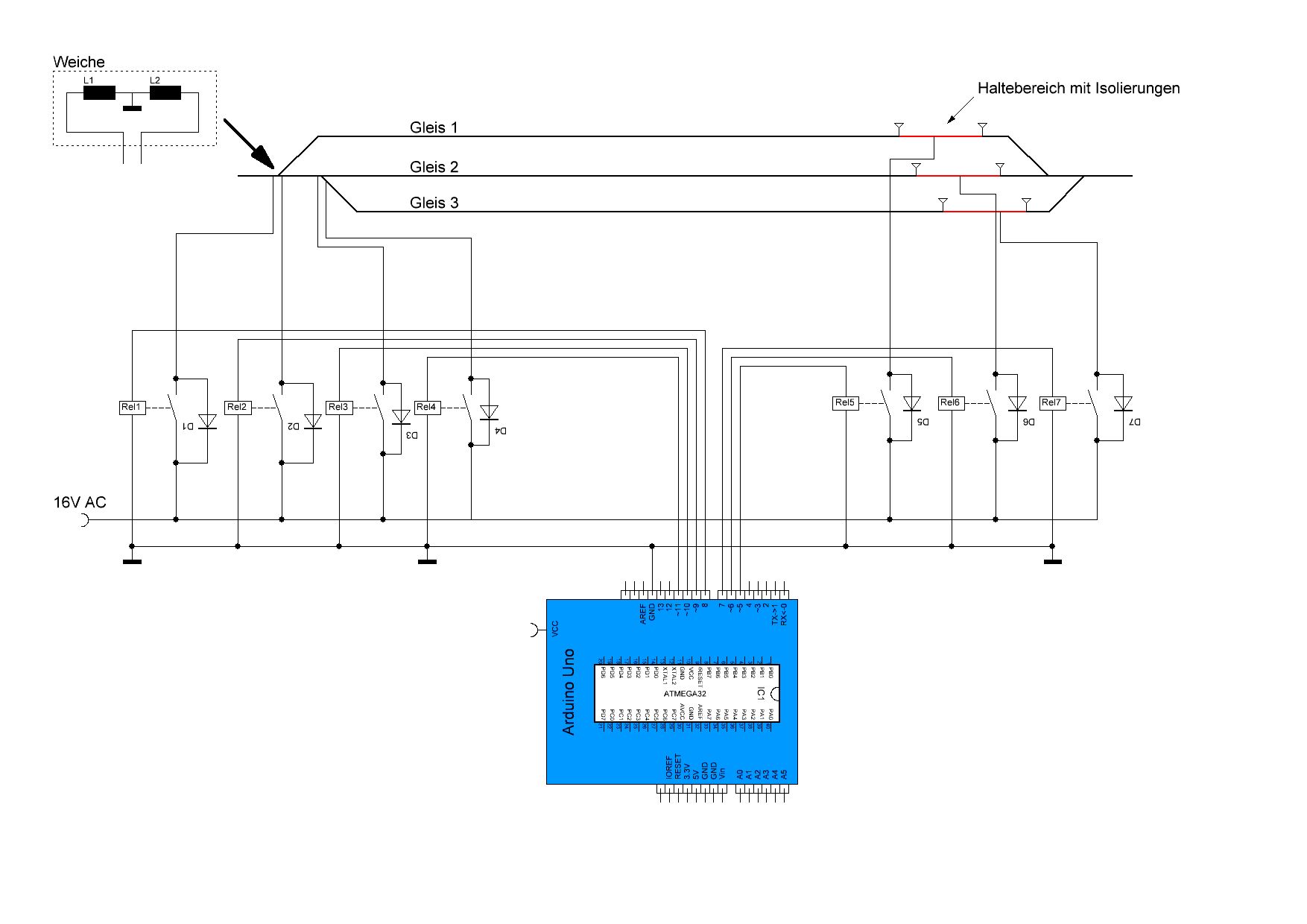
So, alles ist fertig und funktioniert! Hier mal die Funktionen, die die Schaltung nun abdeckt: - 3-gleisiger Schattenbahnhof - Steuern der Einfahrtsweichen - Steuern des Fahrstroms in den Haltebereichen - Lichtschranken zur Zugdetektion - Abfrage der Gleisbelegung bei Anschalten der Anlage - Zwei Taster (Rot und Grün) mit unterschiedlichen Funktionen je nach Betriebsphase - 3 LEDs zum Anzeigen von Belegtmeldungen - Kontinuierlicher Betrieb: Ein Zug fährt ein, ein anderer aus - Stets Auffüllen auf zwei Züge, falls Bahnhof leer oder unterbesetzt - Roter Taster im Betrieb: Durchfahrtsmodus starten - Grüner Taster im Betrieb: Zugausfahren erzwingen Die Programmierung war recht einfach und ist sicherlich nicht als "schön" zu bezeichnen, tut aber ihren Zweck. Ich kann bei Bedarf auch gerne meinen Code zur Verfügung stellen. Wenn ich ganz viel Langeweile haben sollte, müsste ich den Code noch mal komplett neu gestalten und zwar diesesmal sinnvoll umsetzen :) Die Lichtschranken sind übrigens einfache LEDs mit Vorwiderstand und zur Detektion Spannungsteiler aus Photowiderstand und Pull-Up-Widerstand. Der Spannungsteiler wird dabei von einem analogen Port des Arduino ausgelesen. Hinzu kamen noch drei Status-LEDs und zwei Taster, mit welchen zu Beginn die Gleisbelegungen eingegeben werden müssen. Während des Betriebs lässt sich damit das Verhalten des Schattenbahnhofs auch ein wenig beeinflussen (Zugdurchfahrt und Zugausfahrt erzwingen). Vielen Dank an alle, die mir hier weiter geholfen haben. Ohne Euch hätte ich das wahrscheinlich niemals so schnell hinbekommen. Falls noch Fragen zu Details oder sonstwas bestehen, gerne her damit. Lg, Ole
Hallo zusammen, ich weiß...Thema ist ne Weile her aber ich hab noch paar Fragen zu den Bauteilen. Vll hab ich ja Glück und es erinnert sich noch wer :) Mir geht es allein um die Weichen-Schaltung. Meine Teileliste sieht bisher wie folgt aus: - ULN 2803A http://www.reichelt.de/ULN-2803A/3/index.html?&ACTION=3&LA=446&ARTICLE=22085&artnr=ULN+2803A&SEARCH=ULN2803 - DIP 7212-D 12V http://www.reichelt.de/DIP-7212-D-12V/3/index.html?&ACTION=3&LA=446&ARTICLE=27652&artnr=DIP+7212-D+12V&SEARCH=Reedrelais+12v --> Relais ist laut Datenblatt mit Diode. Brauche ich trotzdem noch eine? Wenn ja was für eine (1N4148)? - R = 18ohm - C = 47nF (Sowas?) http://www.reichelt.de/MKS-2-47N/3/index.html?&ACTION=3&LA=446&ARTICLE=12344&artnr=MKS-2+47N&SEARCH=47nF) - Rückstellsicherung (Sowas?) http://www.reichelt.de/Rueckstellende-Sicherungen/PFRA-020/3/index.html?&ACTION=3&LA=2&ARTICLE=35203&GROUPID=3307&artnr=PFRA+020 Passt das so? Viele Grüße und schonmal Danke Chris
Ich sehe keinen Fehler - Du kannst bestellen und loslegen. Leider habe ich aktuell keine Zeit, mir den ganzen Thread hier durchzulesen, daher könnten folgende Anmerkungen ggf. schon oben disktuiert worden sein - ich schreibe trotzdem einfach mal meine Gedanken zu Deiner Schaltung: - Ich finde ich die 2 separaten Stromversorgungen etwas "overkill". Ein Brückengleichrichter samt Kondensator und 2 Step-Down-Convertern könnten Dir die 9V bzw. 12V ganz einfach aus Deinem 16V Märklin-Trafo generieren: http://www.aliexpress.com/item/RC-Airplane-Module-Mini-360-DC-Buck-Converter-Step-Down-Module-4-75V-23V-to/32266152653.html - Wenn Du Lust hast, könntest Du Dein Schaltbild nochmals überarbeiten: Oben sollten immer die Versorgungsleitungen liegen und unten immer Masse - ich fand's in der dargestellten Form etwas verwirrend (aber weil die Schaltung ja recht übersichtlich ist, ist's zu verkraften) > Relais ist laut Datenblatt mit Diode. > Brauche ich trotzdem noch eine? Wenn ja was für eine (1N4148)? Eigentlich nicht, aber sicher ist sicher - eine 1N4148 ist genau richtig für Deinen Zweck. Weiteres zu Freilaufdioden kannst Du hier nachlesen: http://www.mikrocontroller.net/articles/Relais_mit_Logik_ansteuern#Einleitung So, das war's auch schon. Und nun: viel Glück! Igel1
Gibt es doch alles schon fertig aufgebaut: http://www.ebay.de/sch/i.html?_odkw=arduino+relay&_from=R40&_osacat=0&_from=R40&_trksid=p2045573.m570.l1311.R1.TR6.TRC1.A0.H0.Xarduino+rela&_nkw=arduino+relais&_sacat=0
Sehen das die Anderen genauso? Dann spar ich mir den Aufbau...
Das ist zwar eine Kapitulation par Excellence, aber bei den Preisen ... Hier fand ich sogar den Schaltplan: http://www.ebay.de/itm/4-Kanal-Relais-Relay-Modul-Karte-5V-mit-Optokopplern-Arduino-Raspberry-Pi-/111451502232?pt=DE_Computer_Sonstige&hash=item19f306f698 Sollte funktionieren. Trotzdem fand ich die Idee mit der Rückstellsicherung gut - die würde ich nach wie vor einbauen. Viele Grüße Igel1
Andreas S. schrieb: > Das ist zwar eine Kapitulation par Excellence, aber bei den Preisen ... @Andreas: Da hast du allerdings recht^^ Aber man muss dazusagen, dass der eigentliche Threadsteller das Projekt wie hier beschrieben aufgebaut hat und nach wie vor erfolgreich betreibt! Und ich hab wieder sehr viel dazugelernt :) Aber bei dem Preis ist es einfach zu verlockend das Relaisboard fertig zukaufen. Deine Anmerkung mit der Rückstellsicherung werde ich beherzigen! Nochmal besten Dank und viele Grüße Chris
Na dann: viel Glück dabei! Schreib' hier mal, was daraus geworden ist, wenn alles zusammentickt. Viele Grüße Igel1
Der Thread läuft ja schon eine Weile. Trotzdem hier meine Lösung: Für jede Weiche ein Graetzbrücke (wie ganz oben erwähnt) war mir zu aufwändig. Und da ist ja noch das Birnchen in der Weichenlaterne, das man vom Potential der Spulen trennen müsste. Ich habe stattdessen einfach die ganze Wechselstromanlage auf ungesiebten Gleichstrom umgestellt und die ULN2803 eingesetzt. Die lassen sich direkt aus TTL-Endstufen ansteuern und haben den Freilauf an Bord. Je Spule werden zwei Darlington-Transistoren parallel geschaltet. Das reicht für alte M-Gleis-Weichen. Galvanische Trennung habe ich nur zu teuren Märklin-Komponenten und zum PC eingebaut. Kurzschlüsse zerstören allerdings schon mal neben dem ULN2803 auch die TTL-Stufen, weshalb ich da einfache TTL-Treiber-ICs auf Stecksockeln (eine Art Schmelzsicherungsersatz) habe und Kurzschlüsse in der Weichenansteuerung vermeide. Gravierende Schäden hatte ich so noch keine.
Hi Emmi (oder Ole?), nett, dass Du nach all der Zeit es Dir nicht nehmen lässt, Deine finale Lösung hier vorzustellen. Auch wenn Du vielleicht nicht ganz die hier vorgeschlagenen Wege gegangen bist, so hast Du trotzdem Dein Ziel erreicht - und das ist's was zählt - Glückwunsch dazu! Viele Grüße Igel1
Hallo miteinander, habe diesen Thread durch Zufall entdeckt und eine Frage (Bitte) dazu. Ich soll im Club eine etwas ältere Anlage mit einer Art Fahrstraßenschaltung versehen. Dazu bietet sich der Arduino ja an. Schaltungstechnisch für mich kein Problem, aber der Sketch....... Das ganze stelle ich mir so vor: wenn Eingang x des Arduino auf High geht, soll Ausgang y für etwa 0,5 sec auf High gehen, dann wieder Low, auch wenn der Pegel an x High bleibt. Die Weichen haben keine Endabschaltung, daher die 0,5 sec. Bitte seht einem 61-jährigen Modellbahnfreund nach, das er mit solch einer "Lappalie" nicht klar kommt. Frohe Ostern ! Ingo
Ingo schrieb: > wenn Eingang x des Arduino auf High geht, soll Ausgang y für etwa 0,5 > sec > auf High gehen, dann wieder Low, auch wenn der Pegel an x High bleibt. > Die Weichen haben keine Endabschaltung, daher die 0,5 sec. Wie man das soft- und hardwareseitig hängt ein bisschen davon ab, wieviele Weichen der Arduino bedienen soll.
Hallo Wolfgang, Danke für die schnelle Reaktion. Mir ist klar, das der Arduino die Weiche(n) nicht direkt schalten kann, muß halt ein ULN 2803 oder gar ein Relais dazwischen, ist ja in diesem Thread ausführlich beschrieben. Ich will über Taster oder Schalter (oder dem Schaltzustand eines Signals) oder Lichtschranke den Eingangspegel des Arduinos ändern, mein Prob ist, das der (Magnetartikel)-Weichenimpuls nur ca 0,5 sec lang sein darf. Also eine Art softwaremäßiges Monoflop ? Kann ich auch mit NE555 machen, aber ein Arduini Mini oder Nano wäre da flexibler, mehr ein- und Ausgänge. Wie gesagt, suche ich dafür einen kleinen Sketch, ob für Attiny oder Uno wäre mir egal, eine eventuelle Anpassung kriege ich vermutlich noch hin. Grüße Ingo
Dann nimm doch diesen als Grundgerüst (eine Weiche). Gruß Wolfgang
p.s. So ist besser: (kleine Korrektur fürs Zustand merken)
1 | if (Eingang1 != Eingang1_alt) // erkennen Änderung |
2 | {
|
3 | ...
|
4 | Eingang1_alt = Eingang1; // Zustand merken |
5 | }
|
DANKE !!! mache ich mich morgen früh bei, meine bessere Hälfte muß arbeiten, habe ich mehr Ruhe. Nochmals Danke Grüße Ingo
schnell noch ausprobiert --> Sahnemäßig !! muß jetzt den Sketch erweitern um mehrere unabhängig voneinander arbeitende Ein - Ausgänge, sollte ich das auch nicht hinkriegen, hoffe ich mich noch mal melden zu dürfen. Grüße Ingo
Ingo schrieb: > wenn Eingang x des Arduino auf High geht, soll Ausgang y für etwa 0,5 > sec > auf High gehen, dann wieder Low, auch wenn der Pegel an x High bleibt. Angenommen ein Arduino oder AVR verwendet PORTB als 8 Eingänge und PORTD als 8 Ausgänge:
1 | setup() { DDRD=0xFF; }
|
2 | uint8_t zustand[5]; |
3 | loop() |
4 | {
|
5 | uint8_t i,n; |
6 | |
7 | for(i=1;i<5;i++) zustand[i]=zustand[i-1]; |
8 | zustand[0]=n=PORTB; |
9 | for(i=1;i<4;i++) n|=zustand[i]; |
10 | PORTD=~zustand[4]&n; |
11 | delay(100); // Millisekunden |
12 | } |
Ingo schrieb: > schnell noch ausprobiert --> Sahnemäßig !! Bevor man jetzt konkret über die Software nachdenkt, wäre es erstmal gut zu wissen, um wieviel Signale es überhaupt geht. Von der Rechenleistung dürfte der Arduino auch bei 100 noch nicht an seine Grenzen stoßen, nur die Hardware würde man dann etwas anders angehen. In dem Fall würden die Pins des Arduino nicht ausreichen und man würde über ein paar Schieberegister die Anzahl der Ein- und Ausgänge erhöhen.
Hallo Wolfgang, eigentlich hast du recht, aber bitte lass mich erklären. Bei dem Projekt handelt es sich um die Rekonstruktion einer alten DDR-Spur N Anlage von ca 1,40 x 0,80 m. (Wir Ossis lieben so was) ;-) Hat Jahre in einer Ecke rumgestanden, optisch grausam, technisch nicht viel besser. Beim ersten unter Spannung setzen qualmten 2 Weichenspulen, Endabschaltungen defekt. Habe aus Bulgarien 4 Spulen Ersatz bekommen. Die nächste Weichenspule qualmte wg einer klemmenden Taste. grrrrrr Trotzdem zum Entsorgen zu schade. ALLES runter gerissen, jetzt bin ich (mit etwas mehr Sorgfalt) beim Wiederaufbau. Diese kleine Anlage war trotz des nicht sehr ansprechenden Zustands bei der letzten Advent-Ausstellung ein Renner. In Augenhöhe für die Knirpse, nicht so mit Plexiglas abgeschottet wie die großen Anlagen, wer gefragt hat, durfte auch mal den Fahrregler bedienen. Mein Gedanke war, warum nicht eine Art Monoflop zum Schalten der Weichen, keine klemmenden Tasten, egal wie lange einer der Knirpse auf die Taste drückt. Da auf der Platte nur 5 Weichen sind, bräuchte ich also 5 unabhängig voneinander arbeitende Monoflops. Die Eingänge des Arduino werden weiter erst mal durch (neue) Tasten bedient. Durch gleichzeitiges Schalten mehrerer Eingänge könnte man auch 2 Fahrstraßen anlegen. Eigentlich brauche ich noch 2 Monoflops für 4 Signale, die jeweils entgegengesetzt signalisieren sollen. (eine grüne mit der anderern roten LED und umgekehrt). Es soll nichts Kompliziertes werden, lediglich etwas betriebssicherer (evtl noch selbstrückstellende Sicherungen) und komfortabler. so jetzt hab ich genug genervt, Frohe Ostern noch, Grüße Ingo
Ingo schrieb: > Da auf der Platte nur 5 Weichen sind, bräuchte ich also 5 unabhängig > voneinander arbeitende Monoflops. Ok, das hört sich sehr friedlich an. Dann wäre Manfreds Vorschlag wohl recht passend, auch wenn einem ein (blockierendes) delay() im Code immer gegen den Strich geht. Das ließe sich allerdings auch auf die von mir vorgeschlagene Zeitsteuerung umbauen. Über einen angeschlossenen PC könnte man wahlweise den Arduino auch benutzen, um die Anlage per USB mit PC-Software über ein Gleisbildstellwerk zu steuern ;-)
Guten Morgen miteinander, durch den Code von Manfred blicke ich nun erst recht nicht durch. Habe ihn in die IDE kopiert, beim kompilieren wird irgendwas über "zustand" gemault. Habe beides angehängt, habe nicht die Vorkenntnisse, um da durchzusteigen. (flop.ino.ino wurde korrigiert) PC während einer Ausstellung ??? Unsere Advent-Ausstellung hatte an 1 Tag über 1200 Besucher - und das in unserer tiefsten Provinz. (nördliches Sachsen-Anhalt - die größte Auto- bahnfreie Region Deutschlands ;-)) Ein einziges Gedränge ! Habe schon mit Rocrail gespielt, nicht übel. Besser gefällt mir folgendes: Ich habe die Z21 von Phillipp Gahtow nachgebaut, läuft sehr gut, Phillipp ist auch sehr hilfsbereit. Es sind noch nicht alle Sachen wie beim Original implementiert, er ist eisern dran. In ein altes 3,5" USB- Platten Gehäuse gebaut, Laptop-Netzteil dran, über ein Tablet bedient. Bis die Tage Grüße Ingo
1 | uint8_t zustand[5]; |
2 | |
3 | void setup() |
4 | DDRD=0xFF; |
5 | }
|
Probiers mal so.
Ingo schrieb: > Habe beides angehängt, habe nicht die Vorkenntnisse, um da durchzusteigen. Die Fehlermeldungen vom C-Compiler können manchmal sehr verwirrend sein, weil er jeden Mist versucht zu verstehen und dann auf irgendwelchen Nebenschauplätzen strandet. Bei dir stimmt was mit den geschweiften Klammern nicht. Die Monoflop_MaWin.ino frisst der Compiler - Funktion nicht getestet ;-)
alle so hilfsbereit hier --> Daumen hoch --> Danke den Code von Manfred kriege ich jetzt in den Arduino. Verstanden habe ich auch, das Port B, Anschlüsse 8 - 13, und Port D, Anschlüsse 0 - 7, verwen- det werden. Was ich nicht kapiere, welches sind die Ein- bzw. Ausgänge??? Habe versucht, die Funktion zu testen.....geht nix. Grüße Ingo
Probier mal das hier. Geht sicher noch einfacher, dafür ist leichter etwas dazuzuschreiben.
Jungs, ich winke an dieser Stelle mal ab, ich denke, jetzt habe ich genug zum probieren. Vielen Dank für eure Hilfe !!! Grüße Ingo
Ingo schrieb: > Was ich nicht kapiere, welches sind die Ein- bzw. Ausgänge??? Auf PortB liegen die Eingänge (wird in Zustand[0] eingelesen) und auf PortD die Ausgänge (Ausgabe mit PORTD = ~zustand[4] & n;), https://i.stack.imgur.com/dVkQU.jpg
Bitte melde dich an um einen Beitrag zu schreiben. Anmeldung ist kostenlos und dauert nur eine Minute.
Bestehender Account
Schon ein Account bei Google/GoogleMail? Keine Anmeldung erforderlich!
Mit Google-Account einloggen
Mit Google-Account einloggen
Noch kein Account? Hier anmelden.













