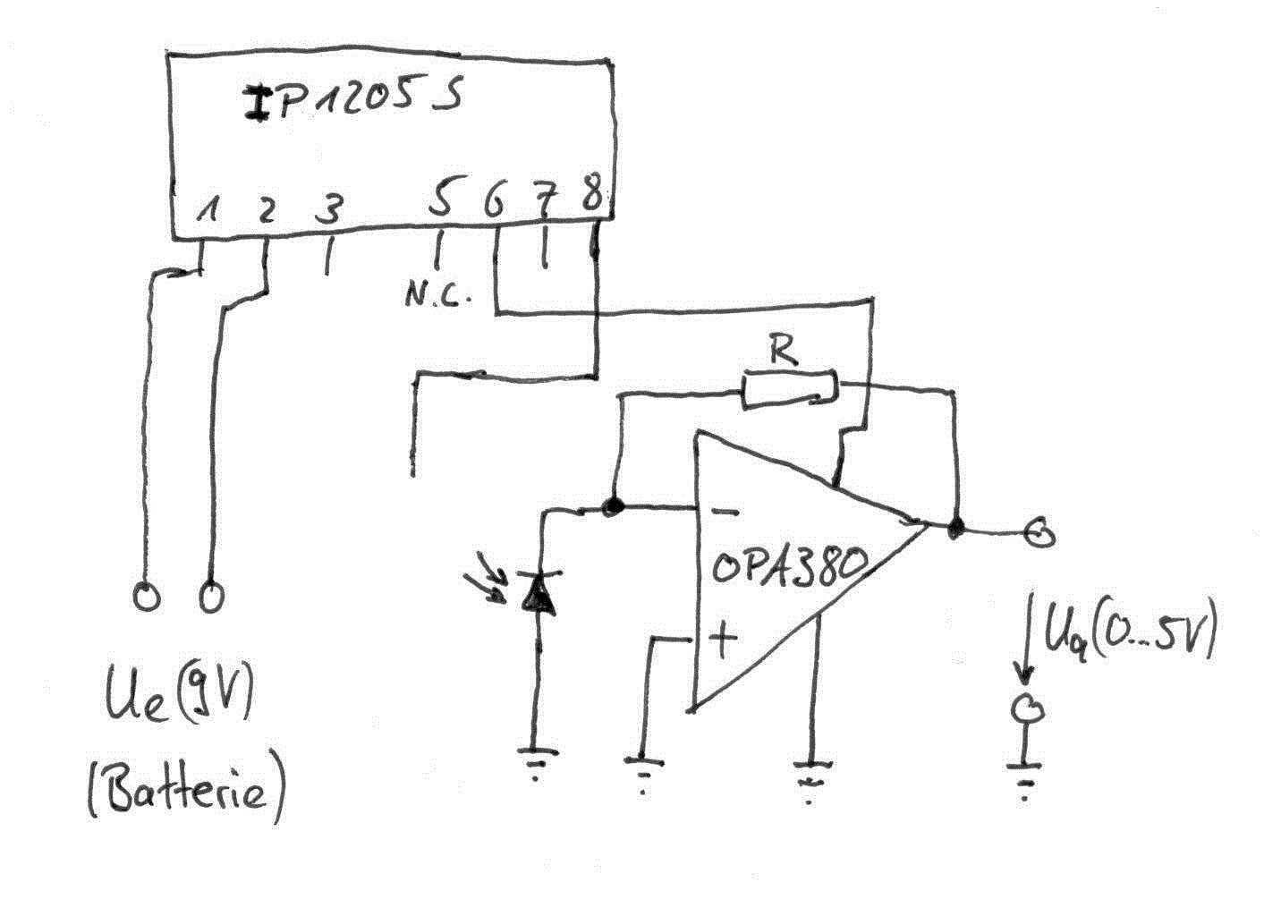
Guten Tag Leute, also ich habe folgendes Problem: Ich soll für die Schule eine Projektarbeit machen. Ich soll ein Messsystem entwickeln für Displayreaktionszeiten. Dafür soll ich eine Schaltung entwickeln welche als Ausgangsspannung 0V - 5V liefert. Ein Mitschüler macht dann eine weitere Projektarbeit, bei der die 0V - 5V weiterverarbeitet werden. (nur zur Info) Ich bin aber nun bei einem Problem angekommen und weiß nicht mehr weiter.. Deshalb suche ich jetzt hier Hilfe. Als Anforderung für die Schaltung soll folgendes sein: -Umschaltbar von: 10cd | 100cd | 1000cd -Bandbreite: 5-10 kHz -Graustufen: 0-31 | 0-150 | 0-255 Die verwendeten Bauteile sind die folgenden: Spannungsregler (XP Power IP1205S): http://de.farnell.com/xp-power/ip1205s/dc-dc-wandler-3w-4-1-i-p5v-o-p/dp/1859155 Leuchtdiode (Vishay BPW21R): http://de.farnell.com/jsp/displayProduct.jsp?sku=1045427&gross_price=true&CMP=KNC-GDE-FDE-GEN-LISTINGS-G12-VISHAY&mckv=QlRDJ4As|pcrid|33492616387|plid|&gclid=CLSovZeJ-b0CFUfmwgodiS8AwA Transimpedanzverstärker (OPA238): http://de.farnell.com/texas-instruments/opa380aidg4/amp-transimpedance-smd-soic8-380/dp/1180147?ref=lookahead Nun ist die Frage wie ich herausfinde wie ich z.B. bei 100cd den Transimpedanzwiderstand herausfinde. Mein Problem dabei ist, dass ich ja den Wert 100cd vorgegeben habe aber die Diode(nkennlinie) auf dem Datenblatt lx angegeben hat.. Woher weiß ich jetzt welchen Strom/lx ich von der Kennlinie ablesen muss bei 100cd? (Die Diode kommt in eine schmale Röhre ähnlich einem Kugelschreiber und wird direkt an das Display gehalten. Abstand max. 1cm) Das nächste Problem ist dann was überhaupt mit den Grustufen gemeint ist.. Wie & Wo bringe ich das in meine Schaltung ein?? :/ Grüße Kim
>Nun ist die Frage wie ich herausfinde wie ich z.B. bei 100cd den >Transimpedanzwiderstand herausfinde. Nein, du sollst herausfinden, wieviel Strom die BPW21 liefert und welchen Gegenkopplungswiderstand du nehmen mußt. >Mein Problem dabei ist, dass ich ja den Wert 100cd vorgegeben habe aber >die Diode(nkennlinie) auf dem Datenblatt lx angegeben hat.. Woher weiß >ich jetzt welchen Strom/lx ich von der Kennlinie ablesen muss bei 100cd? Das ist doch gerade Teil deines Projekts: Du sollst den Zusammenhang zwischen lx und cd herausfinden. >Das nächste Problem ist dann was überhaupt mit den Grustufen gemeint >ist.. Darum muß sich dein Partner kümmern, der das Ausgangssignal deiner Schaltung auswertet. Mach dich einfach mal kundig und gurgel nach Luxmeter und solchen Schaltungen. Deine Eigeninitiative ist hier gefragt...
Kim Flink schrieb: > -Umschaltbar von: 10cd | 100cd | 1000cd Candela kannst Du so nicht messen, sondern Du kannst sie bestenfalls aus den Lux-Werten errechnen. Passende Formeln findest Du bei Wikipedia. Gruss Harald
Kim Flink schrieb: > Nun ist die Frage wie ich herausfinde wie ich z.B. bei 100cd den > Transimpedanzwiderstand herausfinde. Gar nicht, die Umsetzung von Licht in Strom bei der BPW21 schwankt zu stark von Exemplar zu Exemplar. Du musst ein mal kalibrieren, also mit 100Lux beleuchten (nachgemessen mit Luxmeter) und den Widerstand anpassen (streng genommen passt es dann nur bei gleicher Umgebungstemperatur). Und lerne, was cd und was lux sind.
Wie man ein Luxmeter mit BPW21 baut, habe ich hier mal aus dem Französischen übersetzt: Beitrag "Re: Helligkeit mit Fototransistor messen"
Die Umsetzung von Licht in Strom bei der BPW21 schwankt zu stark von Exemplar zu Exemplar. Und der Strom ist zudem noch temperaturabhängig. ein möglicher und realierter Schaltungsvorschlag der die BPW verwendet, arbeitet nach dem dem Prinzip der Strommessung und thermostatisiert gleichzeiitg die Diode auf 35 Grad Celsisus. Ist halt ein Kompromiss, wenn man keine Peltier-Thermo einsetzen will, und sich mit "Messung bei einigermaßen Zimmertemperatur" zufriedengibt.
Andrew Taylor schrieb: > Und der Strom ist zudem noch temperaturabhängig. > > ein möglicher und realierter Schaltungsvorschlag der die BPW verwendet, > arbeitet nach dem dem Prinzip der Strommessung und thermostatisiert > gleichzeiitg die Diode auf 35 Grad Celsisus. > Ist halt ein Kompromiss, wenn man keine Peltier-Thermo einsetzen will, > und sich mit "Messung bei einigermaßen Zimmertemperatur" zufriedengibt. Man kanns auch übertreiben. Die BPW21R hat einen TKik=-0,05%/K. Also 1% Änderung des Stromes bei 20K Temperaturänderung. Die Temperaturabhängigkeit kann man in diesem Fall wohl vergessen (Fig.2). Dagegen würde ich mir an Kim`s Stelle mal Gedanken über die dynamischen Forderungen machen. Kim Flink schrieb: > -Bandbreite: 5-10 kHz Was ist damit genau gemeint? Die BPW21 hat Anstiegs- und Fallzeiten von 3µs bei Vr=0 (also in obiger Schaltung), was ziemlich genau 10kHz bei -3dB entspricht. Reicht das noch? Mit Sperrspannung >0 wird die schneller.
ArnoR schrieb: > was ziemlich genau 10kHz bei -3dB entspricht. Ähh stimmt nicht, es sind 100kHz, also auch kein Problem.
>Man kanns auch übertreiben.
Bei solchen Projektarbeiten geht es in der Regel nur darum, daß die
Schaltung überhaupt irgendwie funktioniert. Temperaturgänge und anderes
Gedöns sind da oft völlig nebensächlich...
Kai Klaas schrieb: > Bei solchen Projektarbeiten geht es in der Regel nur darum, daß die > Schaltung überhaupt irgendwie funktioniert. Temperaturgänge und anderes > Gedöns sind da oft völlig nebensächlich... Genau, und diese "Erkenntnis" übernimmt man dann gern, wenn man später "echte" Geräte entwickeln muss...
>Genau, und diese "Erkenntnis" übernimmt man dann gern, wenn man >später "echte" Geräte entwickeln muss... Bis dahin ist noch viiieeel Zeit...
Harald Wilhelms schrieb: > Candela kannst Du so nicht messen, sondern Du kannst sie bestenfalls > aus den Lux-Werten errechnen. Bei vorgegebener Geometrie (Sensor in direkt auf den Schirm aufgesetzter Röhre, fest räumliche Abstrahlcharakteristik), ist die Umrechnung in die Lichtstärke aber kein Problem, da sich das auf einen konstanten Faktor beschränkt, der mit in der Kalibrierung stehen kann.
Bitte melde dich an um einen Beitrag zu schreiben. Anmeldung ist kostenlos und dauert nur eine Minute.
Bestehender Account
Schon ein Account bei Google/GoogleMail? Keine Anmeldung erforderlich!
Mit Google-Account einloggen
Mit Google-Account einloggen
Noch kein Account? Hier anmelden.
