Hallo, mir ist auf einem MC Entwicklungsmodul die Diode D2 aufgrund von Überspannung durchgebrannt . Kann mir jemand sagen, welche Diode das genau ist? Bzw. welche ich nachkaufen kann (am besten eine aus dem Sortiment des großen C, da ich nur dieses eine Teil benötige) danke! Tobias
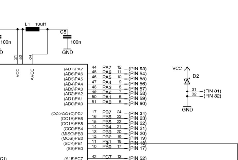
Tobias schrieb: > mir ist auf einem MC Entwicklungsmodul die Diode D2 aufgrund von > Überspannung durchgebrannt . Wie hast du denn das hinbekommen? Meinst du ohne Link, nur mit dem Schaltplanfetzen, kann man dazu irgendetwas sagen, außer dich zu bitten, die Quelle von VCC zu verraten?
Tobias schrieb: > mir ist auf einem MC Entwicklungsmodul die Diode D2 aufgrund von > Überspannung durchgebrannt . Wenn das Vcc an der Diode auch Vcc des µCs ist, sehe ich die Chancen dass der µC auch durchgebrannt hoch.
Max H. schrieb: > Wenn das Vcc an der Diode auch Vcc des µCs ist, sehe ich die Chancen > dass der µC auch durchgebrannt hoch. Wobei Sinn und Zweck einer Suppressor-Diode auch darin besteht, notfalls vor dem Rest durchzubrennen. Sonst hätte man sich die paar Cent sparen können.
Tobias schrieb: > Kann mir jemand sagen, welche Diode das genau ist? Nach dem Code "KEJ" könnte das P6SMB6.8A sein: http://www.s-manuals.com/pdf/datasheet/p/6/p6smb6.8-p6smb200a_tsc.pdf Sogar das Hersteller-Logo passt :-) Gruß Dietrich
A. K. schrieb: > Wobei Sinn und Zweck einer Suppressor-Diode auch darin besteht, notfalls > vor dem Rest durchzubrennen. Sonst hätte man sich die paar Cent sparen > können. Dietrich L. schrieb: > Nach dem Code "KEJ" könnte das P6SMB6.8A sein Der ATmega verträgt aber eine Versorgungsspannung von abolute maximum 6V und die Diode hat 6.8V.
Max H. schrieb: > Der ATmega verträgt aber eine Versorgungsspannung von abolute maximum 6V > und die Diode hat 6.8V. Das heisst aber nicht, dass der AVR zwangsweise bei 6,01V abraucht.
Max H. schrieb: > Der ATmega verträgt aber eine Versorgungsspannung von abolute maximum 6V > und die Diode hat 6.8V. Naja, auch eine mit niederer Nominalspannung 5V eines anderen Herstellers zb. ONSemi (KE) haeette im Ueberspannungsfall lt. DB eine klemmspannung von bis zu ca. 9Volt. Echten Schutz fuer den uC bietet das wohl nicht.
333390#postform schrieb: > Echten Schutz fuer den uC bietet das > wohl nicht. ergaenzend, Also alleine, ohne ein weiteres vorgeschaltetes Sicherungselement welches bei erreichen eines bestimmten Stromes rechtzeitig die Reissleine zieht.
A. K. schrieb: > Das heisst aber nicht, dass der AVR zwangsweise bei 6,01V abraucht. 6.8V ist aber ein bisschen (13%) mehr als 6.01V.
Empfehlung: Diode auslöten und Gerät mit korrekter Stromversorgung testen. Für die Funktion ist die Schutzdiode unnötig. Erst dann entscheiden, was ersetzt werden muss.
Egal. Schmeiss die Diode einfach erst mal raus, betreib das ganze an einer wirklich konstanten Spannung (5V) und schau, ob der Rest noch funktioniert. Wenn nicht, kannst du dir auch das besorgen der Diode sparen. Geht alles noch, melde dich mal bei mir, habe ich da (5,6V)
Es handelt sich um diese Schaltung: http://alvidi.de/data_sheets/avr_modul.pdf hatte den Spannungsregler versehentlich falsch beschaltet und damit 11,8 Volt als Versorgungsspannung gehabt. Das ist also die Überspannungs-Schutzdiode? Dann sollte man doch annehmen, das die Schaltung noch funktioniert, wenn die Diode einen Sinn haben soll, oder?
Tobias schrieb: > Dann sollte man doch annehmen, das die Schaltung noch funktioniert, wenn > die Diode einen Sinn haben soll, oder? Gutes Zureden bringt dich dabei nicht weiter. Ausprobieren!
Tobias schrieb: > damit 11,8 > Volt als Versorgungsspannung gehabt. > > Das ist also die Überspannungs-Schutzdiode? > Dann sollte man doch annehmen, das die Schaltung noch funktioniert, wenn > die Diode einen Sinn haben soll, oder? Die Frage ist eher, welche Leistung deine Versorgung hat. Die Diode kann schon einiges ab. War es ein gleichgerichtetes Schweißgerät? Strombegrenzung sagt dir was?
Nein sagt mir nichts, bin Programmierer und habe deshalb auch ein Fertige Modul gekauft. Da ich über JTAG Debugge und mein (nachgebautes) JTAG ICE keine eigene Stromversorgung und meine Anwendung auch noch erweitert werden soll habe ich mich für einen 3,5A Festspannungsregler entschieden (Nachdem der vorherige (1,5A9 sehr warm geworden ist.
Die Dioden haben immerhin die Eigenschaft, dass sie sich bei Überlast in der Regel mit einem Kurzschluss verabschieden. Die Chancen sind da gar nicht so schlecht, das der Rest der Schaltung durch eher kurze Überspannung bis etwa 9 V überlegt hat. Man sollte es aber schon ausprobieren, bevor man eine neue Diode besorgt und einbaut. Bei den Linearreglern macht es wenig Unterschied ob man einen 0,5A oder 5 A typen wählt: die freiwerdende Wärme ist die gleiche. Passender als ein größerer Regler wäre ein (ggf. kleiner) Kühlkörper. Es ist auch nicht so dramanstisch wenn der Regler ohen Kühlkörper gut warm (bis etwa 80 C - also schon recht schmerzhaft beim anfassen) wird. Der kleinere Regler verhindert ggf. auch eine Zerstörung der Diode im Fehlerfall.
Danke! Das war mal eine konstruktive Antwort. Ich werde zukünftig einen Kühlkörper nutzen. Der Mikrocontroller ist offensichtlich heil geblieben, Glück gehabt.
Bitte melde dich an um einen Beitrag zu schreiben. Anmeldung ist kostenlos und dauert nur eine Minute.
Bestehender Account
Schon ein Account bei Google/GoogleMail? Keine Anmeldung erforderlich!
Mit Google-Account einloggen
Mit Google-Account einloggen
Noch kein Account? Hier anmelden.

