Forum: Analoge Elektronik und Schaltungstechnik Abweichung bei PWM-gesteuerter elektronischer Last


von Daniel H. (Firma: keine) (commander)


Angehängte Dateien:

Lesenswert?

Hallo,

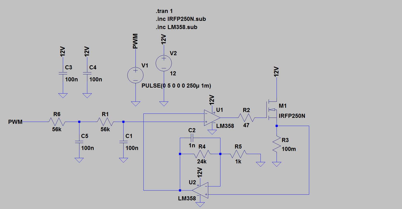
ich simuliere mir in LTSpice eine elktronische Last (Grafik 
"schaltplan.png") welche ich mir gerne aufbauen möchte, geplant ist sie 
bis etwa 20W einstellen zu können.

Der grundlegende Aufbau ist wie folgt:

1. Per µC wird eine PWM (1 kHz, 5V) ausgebenen
2. Die PWM wird per RC-Tiefpass 2. Ordnung (Platzhalter, da muss ich 
nochmal ran, denke ich) in eine Gleichspannung gewandelt und auf den 
nicht-invertierenden Eingang eines OPVs gegeben
3. In Abhängigkeit von der Vergleichsspannung steuert der OPV einen 
N-Kanal FET so an, dass an einem Shunt in Reihe zum FET 0.2V abfallen
4. Die über dem Shunt abfallende Spannung wird mit einem 
nichtinvertierenden Verstärker abgegriffen, um 25 verstärkt und auf den 
invertierenden Eingang des OPVs aus 2. gegeben

Somit sollte gelten:

Das Problem ist jetzt, dass bei niedrigem Tastgrad der PWM diese Formel 
nicht stimmt.

Bei t_on = 15µs erhälte ich z.B. den in Grafik "PWM_15us.png" 
dargestellten Verlauf von Eingangsspannung und Shuntstrom.

Man kann sehen, dass die geglättete PWM etwa 85mV liefert, rein 
rechnerisch durch den Shunt also 34mA fließen müssten. Tatsächlich sind 
es im Mittel aber nur 1.225µA (wahrscheinlich nichtmal "echter" Strom 
sondern irgendein Bias/Offset/Rauschen?).

Erhöhe ich nun t_on auf 16µs (Grafik "PWM_15us.png") so steigt der Strom 
plötzlich an, liegt aber mit im Mittel 4,7mA immer noch deutlich unter 
den rechnerischen 36mA.

Erhöhe ich t_on weiter so bessert sich das Bild immer weiter, bei t_on = 
250µs (Grafik "PWM_250us.png") erhalte ich dann 550mA am Shunt, 
rechnerisch müssten es 552mA sein.

Mit anderen Worten, je höher der Tastgrad ist, umso niedriger wird die 
prozentuale Abweichung des simulierten Shuntstroms vom berechneten 
Shuntstrom, ab etwa t_on = 250µs ist er dann in einem Bereich, der mir 
vernachlässigbar erscheint.

Nun glaube ich nicht, dass die Schaltung das macht, um mich zu ärgern. 
Stattdessen wird es dafür sicherlich einen guten Grund geben, 
irgendeinen Parameter, den ich nicht bedacht habe, irgendein falsch 
dimensionierten Bauteil o.ä., ich komme allerdings nicht darauf, daher 
meine Frage:
Kann mir jemand sagen was dafür sorgt, dass der Shuntstrom bei niedrigem 
Tastgrad massiv abweicht? Und was kann ich tun, um das zu umgehen?

Und ganz allgemein, was kann ich verbessern, was sollte ich ändern?

Viele Grüße
Daniel

Edit: Ich mache das Ganze übrigens auch, um mich mal mit OPVs zu 
beschäftigen, die für mich bisher immer "Magie" waren.

von ArnoR (Gast)


Lesenswert?

Daniel H. schrieb:
> Kann mir jemand sagen was dafür sorgt, dass der Shuntstrom bei niedrigem
> Tastgrad massiv abweicht?

Deine Schaltung ist ein Musterbeispiel dafür wie es nicht geht. 25-fache 
Verstärkung in der Regelschleife eines nur grenzwertig 1-stabilen OPV, 
dazu noch einen schönen Tiefpass aus R2 und M1, haha, sehr witzig. Du 
hast die Schaltung rein statisch ausgelegt und von der Dynamik überhaupt 
keinen Schimmer.

Such mal hier im Forum nach "elektronische Last" oder so und lies dir 
die ~1000 Threads durch, da ist das alles besprochen worden.

von Daniel H. (Firma: keine) (commander)


Lesenswert?

Hallo,

auch wenn mir der Ton etwas missfällt (sorry, dass ich experimentiere 
und versuche dabei zu lernen), der Begriff "Regelschleife" in 
Kombination mit "Verstärkung" und "OPV" hat mich deutlich 
weitergebracht.

Die Verstärkung hatte ich eingebaut um auf das Spannungsniveau der PWM 
zu kommen. Soweit ich das verstehe ist das extrem schlecht, da dadurch 
die Schwingneigung der Schaltung massiv erhöht wird.

Daher wäre es also wohl sinnvoller, die Regelschleife über eine direkte 
Rückkopplung vom Shunt zu zu machen und das Niveau der PWM, z.B. per 
Spannungsteiler abzusenken, oder?

Viele Grüße
Daniel

von Possetitjel (Gast)


Lesenswert?

Daniel H. schrieb:

> Die Verstärkung hatte ich eingebaut um auf das
> Spannungsniveau der PWM zu kommen.

Nachvollziehbar - aber in diesem Falle keine gute Idee.

> Soweit ich das verstehe ist das extrem schlecht, da
> dadurch die Schwingneigung der Schaltung massiv erhöht
> wird.

Von "...neigung" kann schon fast nicht mehr gesprochen
werden, eher von Schwing-Zwang :-)

(Stetige) OPV-Schaltungen sind im Prinzip Regelkreise,
und Stabilitätsbetrachtungen sind in der Regelungstechnik
das Thema. Übliches Hilfsmittel für OPVs ist das
Bode-Diagramm. - So, nun hast Du genug Suchworte :-)

> Daher wäre es also wohl sinnvoller, die Regelschleife
> über eine direkte Rückkopplung vom Shunt zu zu machen
> und das Niveau der PWM, z.B. per Spannungsteiler
> abzusenken, oder?

Ja. - Wobei ich für meinen Teil den Tiefpass als aktives
Filter auslegen würde (ggf. Sallen-Key-Tiefpass) und mit
einer negativen Betriebsspannung dafür sorgen würde, dass
man wirklich bis auf Null kommt. Das ist aber nur meine
persönliche Meise; Du kannst es natürlich anders machen.

von Falk B. (falk)


Lesenswert?

@ ArnoR (Gast)

>Deine Schaltung ist ein Musterbeispiel dafür wie es nicht geht. 25-fache
>Verstärkung in der Regelschleife eines nur grenzwertig 1-stabilen OPV,

Bitte? Der LM358 ist ein gutmütiges Arbeitspferd.

>dazu noch einen schönen Tiefpass aus R2 und M1, haha, sehr witzig. Du
>hast die Schaltung rein statisch ausgelegt und von der Dynamik überhaupt
>keinen Schimmer.

Du gibst dir alle Mühe, möglichst bald so wie MaWin zu sein, zumindest 
vom Tonfall. Herzlichen Glühstrumpf!

von Falk B. (falk)


Lesenswert?

@ Daniel H. (Firma: keine) (commander)

>Rückkopplung vom Shunt zu zu machen und das Niveau der PWM, z.B. per
>Spannungsteiler abzusenken, oder?

Ja.

von Falk B. (falk)


Lesenswert?


von Daniel H. (Firma: keine) (commander)


Lesenswert?

Hallo,

vielen Dank für eure Ratschläge. Leider ist pünklich am Samstag meine 
Internetverbindung ausgefallen, der Techniker kommt heute, so dass ich 
hoffe, dass ich dann meinen aktuellen Stand etwas besser darlegen kann.

Ich habe es nun wie vorgeschlagen umgesetzt, d.h. die Spannung wird 
direkt am Shunt abgegriffen und über 10kOhm an den invertierenden 
Eingang von U1 gegeben, so dass U2 nebst Beschaltung wegfällt.

Dafür wird nun die gefilterte PWM-Spannung per Spannungsteiler auf den 
nicht-invertierenden Eingang von U1 gegeben, der Spannungsteiler ist so 
eingestellt, dass bei Tastgrad 1 0,2V abfallen, so dass sich maximal ein 
Strom von 2A durch R3 ergibt, R3 ist mit 2W spezifiziert so dass der 
Strom unkritisch ist.

Das PWM-Filter habe ich nach einigem Lesen, wie vorgeschlagen, durch 
einen Sallen-Key-Tiefpass 2.Ordnung ersetzt, der zusätzliche 
Bauteilaufwand zum vorherigen Tiefpass ist 0, da ich ebenfalls zwei R 
und zwei C benötige und der zusätzliche LM358 nun durch Wegfall von U2 
frei wurde. Da ich jedoch noch einen OPV brauche um die Spannung am 
Shunt per µC-ADC auszuwerten werde ich wohl einen LM324 oder einen 
TLC274 nehmen (was Anderes habe ich nicht da).

Eine Frage noch zum Filter und den verwendeten Widerständen. Da ich 
aktuell keine Grafik habe möchte ich diese an dieser Grafik schildern:

> http//commons.wikimedia.org/wiki/File:Sallen-Key_Lowpass_Example.svg

Als Widerstände habe ich 56kOhm für R1 und R2 vorgesehen. Wenn ich in 
der Simulation vor R1 eine Spannung von 0V anlege, d.h. der Tastgrad der 
PWM 0 ist, dann zeigt die Simulation, dass hinter R1, d.h. dort wo die 
Rückkopplung mit C1 erfolgt, eine Spannung von einigen hundert µV 
abfällt, was in Folge dafür sorgt, dass über dem Shunt kontinuierlich 
einige hundert µA abfallen. Verkleinere ich R1 und R2 auf 10kOhm, so ist 
der Spannungsabfall kontinuierlich 0V. Insgesamt ist das für mich nicht 
störend, da der Fehlerstrom unterhalb der Auflösegenauigkeit der PWM 
liegt und ich durch den FET ohnehin Leckströme habe, es würde mich nur 
die Ursache interessieren.

Kann mir jemand erklären, womit das zusammenhängt? Simuliert Spice auch 
Widerstandsrauschen o.ä., das hier zum Tragen kommen könnte, oder 
handelt es sich dabei um Leckströme aus dem OPV?

Viele Grüße
Daniel

von ArnoR (Gast)


Angehängte Dateien:

Lesenswert?

Falk Brunner schrieb:
> eines nur grenzwertig 1-stabilen OPV,
>
> Bitte? Der LM358 ist ein gutmütiges Arbeitspferd.

Naja, schau dir mal das angehängte Bild an. Als gutmütig würde ich das 
bestimmt nicht bezeichnen. Es gibt OPV, die unter den gleichen 
Bedingungen ein ordentliches Signal abliefern.

>>dazu noch einen schönen Tiefpass aus R2 und M1, haha, sehr witzig. Du
>>hast die Schaltung rein statisch ausgelegt und von der Dynamik überhaupt
>>keinen Schimmer.
>
> Du gibst dir alle Mühe, möglichst bald so wie MaWin zu sein, zumindest
> vom Tonfall. Herzlichen Glühstrumpf!

Fein, dass du wieder was gefunden hast um mich zurechtzuweisen, scheint 
dir in letzter Zeit ziemlich wichtig zu sein, du lässt ja nicht die 
kleinste Gelegenheit aus, dich mir gegenüber als Aufpasser aufzuspielen. 
Von dir hab ich übrigens schon ganz andere Sachen gelesen.

Und der TO kann doch in seiner Simulation klar sehen, dass die Schaltung 
schwingt, nur hat er das komplett ignoriert. Um der Sache auf den Grund 
zu gehen, hätte er nur "OPV" und "Schwingen" in eine Suchmaschine oder 
die Suche hier im Forum eingeben brauchen, oder irgendeinen Artikel über 
OPV oder Stromsenken/elektronische Lasten lesen müssen. Aber das scheint 
ja zuviel verlangt, genauso wie eine vernünftige Zeitachse im Diagramm 
(z.B. bis 0,2s).

von ArnoR (Gast)


Lesenswert?

Daniel H. schrieb:
> handelt es sich dabei um Leckströme aus dem OPV?

Natürlich. Der OPV hat einen gewissen Biasstrom, der erzeugt eben einen 
Spannungsabfall an den Widerständen, was dann zu einen 
Eingangsdifferenzspannung führt, weil am anderen Eingang keine solche 
Spannung auftritt, da dort kein Widerstand im Biasstrompfad liegt. Zur 
Kompensation sorgt man also dafür, dass beide Eingänge denselben 
Gleichstromwiderstand "sehen".

von Daniel H. (Firma: keine) (commander)


Lesenswert?

ArnoR schrieb:
> Und der TO kann doch in seiner Simulation klar sehen, dass die Schaltung
> schwingt, nur hat er das komplett ignoriert.

Nein, ich habe nicht realisiert, dass die Schaltung schwingt sondern 
eher in Richtung einer falsch dimensionierten PWM-Filterung oder 
Frequenzkompensation gedacht. Nach den ganzen Antworten hier ist mir das 
Problem mittlerweile völlig klar und auch vollkommen einleuchtend, woher 
es kommt, und dass und warum man es so nicht machen sollte.

ArnoR schrieb:
> Aber das scheint
> ja zuviel verlangt, genauso wie eine vernünftige Zeitachse im Diagramm
> (z.B. bis 0,2s).

Sonst kriegt man hier einen drüber wenn Bilder als zig MB große BMPs 
angehängt werden oder wenn man von Schaltungen nur Ausschnitte zeigt. 
Also liefer ich lieber etwas mehr Informationen. Das ist jetzt also auch 
schlecht.

ArnoR schrieb:
> Daniel H. schrieb:
>> handelt es sich dabei um Leckströme aus dem OPV?
>
> Natürlich. Der OPV hat einen gewissen Biasstrom, der erzeugt eben einen
> Spannungsabfall an den Widerständen, was dann zu einen
> Eingangsdifferenzspannung führt, weil am anderen Eingang keine solche
> Spannung auftritt, da dort kein Widerstand im Biasstrompfad liegt. Zur
> Kompensation sorgt man also dafür, dass beide Eingänge denselben
> Gleichstromwiderstand "sehen".

Vielen Dank für die Erklärung.

von ArnoR (Gast)


Lesenswert?

Daniel H. schrieb:
> Sonst kriegt man hier einen drüber wenn Bilder als zig MB große BMPs
> angehängt werden

Wo hab ich MB-große Bilder verlangt?

> Also liefer ich lieber etwas mehr Informationen.

Im Gegenteil, die Bilder liefern sogar weniger Infos als bei 
vernünftiger Zeitauflösung. So wie oben kann man gar nichts erkennen, 
außer das es schwingt, alles ab 0,2s ist überflüssig.

> Das ist jetzt also auch schlecht.

Schlecht ist, dass du mir das Wort im Munde umdrehen willst.

Bitte melde dich an um einen Beitrag zu schreiben. Anmeldung ist kostenlos und dauert nur eine Minute.
Bestehender Account
Schon ein Account bei Google/GoogleMail? Keine Anmeldung erforderlich!
Mit Google-Account einloggen
Noch kein Account? Hier anmelden.