Hallo, stehe gerade auf dem Schlauch. Hab Transistor-Modelle von Infineon und NXP runter geladen und mich gefreut dass die Firmen sich die Mühe machen sowas zu haben. Infineon hat für Spice eine .lib Datei im zip mit allen Transistoren (siehe Anhang, small_signal.lib), die anderen Dateien sind IMHO für andere Simulatoren. Bei NXP gabs eine .prm Datei pro Transistor. Aber wie binde ich die in LTSPice ein? Die .lib Datei hab ich in das Verzeichnis geschoben in dem auch andere Libs waren, aber LTSpice sieht nichts. Tipps im Netz beziehen sich oft auf andere Varianten von Spice Simulatoren. Bei NXP scheint in der .prm Datei ein Subcircuit definiert zu sein. Dafür hab ich anleitungen gefunden wie man sowas einbindet, aber es sieht so aus als wäre ein zweites Subcircuit definiert (eine Diode). Was ändert das? Und wie gehe ich sicher dass, wenn ich ein Subcircuit einbinde, auch beide gesehen werden? Irgendwie brauche ich zu einem Subcircuit ein Schaltplansymbol in einer .asy Datei?!?! Wie lege ich die an? Und warum können die Hersteller sowas nicht mitliefern? (LT-)Spice und Modelle einbinden scheint schwarze Magie zu sein... Vielen Dank für die Tipps im voraus...
asd schrieb: > Bei NXP scheint in der .prm Datei ein Subcircuit definiert zu sein. > Dafür hab ich anleitungen gefunden wie man sowas einbindet, aber es > sieht so aus als wäre ein zweites Subcircuit definiert (eine Diode). Es gibt in dem File nur ein Subcircuit und zwei Modelle. Es ist letztlich ein Transistormodell und ein zusätzliches E-B-Diodenmodell, die im Subcircuit miteinander verschaltet werden. Die Diode soll vermutlich den Spannungsdurchbruch in Sperrrichtung modellieren. > Was ändert das? Und wie gehe ich sicher dass, wenn ich ein Subcircuit > einbinde, auch beide gesehen werden? Es werden beide gesehen. > Irgendwie brauche ich zu einem > Subcircuit ein Schaltplansymbol in einer .asy Datei?!?! Wie lege ich die > an? Die gibt es schon! Sie heißt npn.asy und liegt in \LTC\LTspiceIV\lib\sym. Außerdem könntest du eine zeichnen mit dem LTSpice-Programm. > Und warum können die Hersteller sowas nicht mitliefern? Warum sollten sie? Es gibt weitere Spice-Programme und für jedes gibt es für die Symbole eine eigene Syntax. Sei froh, dass der Hersteller dir die Modelle für ihre Produkte liefern. Es tun nicht alle ... > (LT-)Spice > und Modelle einbinden scheint schwarze Magie zu sein... Nicht unbedingt. Es ist hier schon vielfach beschrieben worden. Suche mal im Forum nach Post von Helmut S. Mit seinen vielfach gegebenen Ratschlägen kannst du auch die Infineon-Datei nutzen.
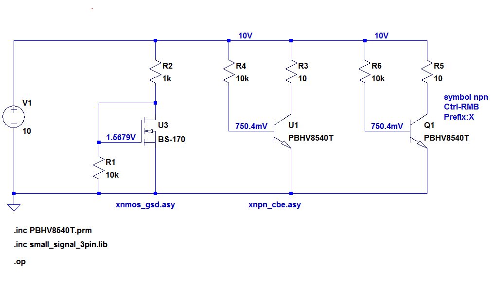
1. Aus der Infineon Datei habe ich nur die 3pin Modelle extrahiert. Für die 5pin Modelle braucht man ein 5pin Symbol. Die habe ich aber auch schon mal hier hoch geladen. Die 5pin Modelle von Infineon sind bezüglich Konvergenz eine Riesenproblem. Dazu verkneife ich ich mir jeden Kommentar. 2. Für die NXP Transistoren braucht man ein Symbol für ein Subcircuit. Entweder man platziert ein npn und modifiziert ihn im Schaltplan zum Subcircuit oder man nimmt ein Subcircuit-Symbol (Prefix:X). Mach einen Design-Ordner, z. B. C:\Meine_Schaltungen\Schaltung1. Da entpackst du den zip-file und lässt alle Dateien dort. Du sollst nichts in das Installationsverzeichnis kopieren, weil kein anderer deinen "Müll" Im Installationsordner haben will nur um deine Schaltungen zu simulieren. Leider zu spät um noch einen Roman zu schreiben. Gruß Helmut Nachtrag: Hab das Beispiel mit den 5pin-Symbolen gefunden. Beitrag "Infineon PMOS in LTSpice einbinden, bitte um Hilfe"
Vielen Dank für die Hilfe. Ich denke ich hab es zum laufen gebracht. Nur eine Frage damit ich sicher bin dass ich es richtig verstanden habe: > 2. Für die NXP Transistoren braucht man ein Symbol für ein Subcircuit. > Entweder man platziert ein npn und modifiziert ihn im Schaltplan zum > Subcircuit oder man nimmt ein Subcircuit-Symbol (Prefix:X). Das npn platzieren, Shift-rechte-Maustaste (*), in dem Menü den Prefix auf "X" ändern, dann bei Value den Namen des Subcircuit den man in der Datei gefunden hat, eintragen. Die Datei mit einer ".inc" Direktive einbinden. Dabei ist es egal ob es die .prm Datei von NXP ist mit nur einem Transistor oder eine .lib mit vielen Bauteilen. -> hab ich das so richtig verstanden? Woher weiß ich dass ein "npn" das richtige Symbol ist und nicht npn2,npn3 oder npn4, die als Symbol auch zur Verfügung stehen? Bei nmos uns nmos4 ist es klar, je nach dem ob der Substratanschluß herausgeführt ist. Nur aus Interesse: Wo finde ich bei LTSpice das Subcircuit-Symbol? (*) beim 2. mal reicht auch nur rechte Maustaste, ohne Shift
In dem LTspice Menu sind fast nur Symbole für ".model" Elemente. Diese kann man alle zu einem Subcircuit Symbol machen. Das Bauteil im Schaltplan platzieren. Control-Taste halten und dann rechte Maustaste auf das platzierte Symbol im Schaltplan. Ein Dialogefenster geht auf. Dort Prefix:X setzen und schon erwartet LTspice für diese Instanz (instance) eine Subcircuit-Definition.
Bitte melde dich an um einen Beitrag zu schreiben. Anmeldung ist kostenlos und dauert nur eine Minute.
Bestehender Account
Schon ein Account bei Google/GoogleMail? Keine Anmeldung erforderlich!
Mit Google-Account einloggen
Mit Google-Account einloggen
Noch kein Account? Hier anmelden.


