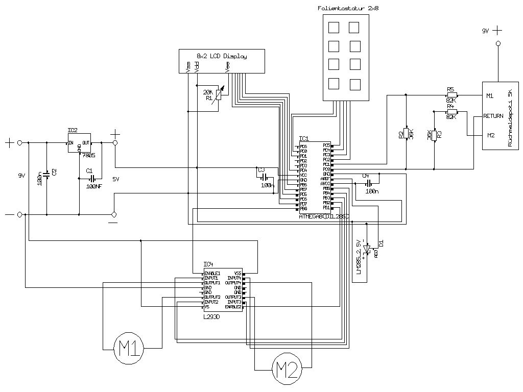
Hallo zusammen, nachdem ich vor ein paar Tagen meinen ersten eigenen Schaltplan gepostet habe und jede Menge Verbesserungsvorschläge bekommen habe (vielen Dank nochmals dafür), habe ich nun meinen Plan überarbeitet, den AVR ausgetauscht (jetzt ein ATMega8) und AREF über einen neuen Baustein angeschlossen. Jetzt die gaaaanz große Bitte, dass vielleicht der ein oder andere von euch nochmals einen kurzen Blick (v.a. auf AREF) riskiert und mir eine kurze Rückmeldung gibt. Vielen Dank. Gruß Markus
Am Spannungsreglereingang ist immer noch nur ein 100 nF Kondensator. Dort sollte ein Elko hin, je nach dem ob die 9 Volt schon stabilisiert sind so ca. 100 uF oder mehr.
Hiho! Ich würde C2 auf 47uF ändern und C1 auf 4u7. Wenn deine Versorgungsspannung relativ gut ist, kannst auch 10u und 1u0 nehmen.
Da ich ein unstabilisiertes 9V-Netzteil benutze, habe ich C1 und C2 entsprechend angepasst.
Das Netzteil ist aber hoffentlich bereits gleichgerichtet, oder? Ansonst bräuchtest du nämlich noch eine Gleichrichter Brücke aus 4 Dioden (und dahinter noch einen 100uF zusätzlich).
Manche sind echt lernresistent. Am Ausgang eines 7805 kommt kein Elko, sondern ein Keramikkondensator mit 100 nF. Der 100 nF Kodensator am Ausgang hat nur die Aufgabe, den Regler zu stabilisieren. Da muss nichts mehr mit einem Elko "gestützt" werden. Der Eingangs-Elko hingegen muss die Spannung stützen, z.B. bei sprunghaften Laständerungen oder auch den Ripple in der Eingangsspannung verkleineren.
Den LM285 hast Du etwas missverstanden. So beschaltet heizt der kurz die Bude und geht ein. Das ist kein 3-Punkt- sondern ein 2-Punkt-Regler, vgl. Z-Diode.
Aber der Baustein hat doch 3 Anschlüsse!? Gibt es eigentlich dazu eine Alternative?
Eigenwilliges Kritierium. Warum nimmst Du keinen Triac dafür - der hat doch auch 3 Anchlüssen? Soll ich das Datasheet laut vorlesen und hier dranhängen? Er ist durchaus geeignet, nur will er anders beschaltet werden.
ich gebs ja zu - keine besonders gute Argumentation. Wegen Alternative frag ich nur, weil ich ihn nicht bei meinem Standard-Elektronikladen (C**) bekomme und nicht einsehe eine Menge Porto dafür zu zahlen, da ich momentan nichts anderes benötige.
Bitte melde dich an um einen Beitrag zu schreiben. Anmeldung ist kostenlos und dauert nur eine Minute.
Bestehender Account
Schon ein Account bei Google/GoogleMail? Keine Anmeldung erforderlich!
Mit Google-Account einloggen
Mit Google-Account einloggen
Noch kein Account? Hier anmelden.

