Hi Leute, wollte mal fragen: der IR2136 hat ja für jeden Ausgang einen Level Shifter. Ist der jetzt galvanisch getrennt oder sollte ich lieber Optokoppler für die Eingänge verwenden?
Da ist gar nichts galvanisch getrennt. Ob eine galvanische Trennnung notwendig ist, kommt auf die weitere Umgebung an.
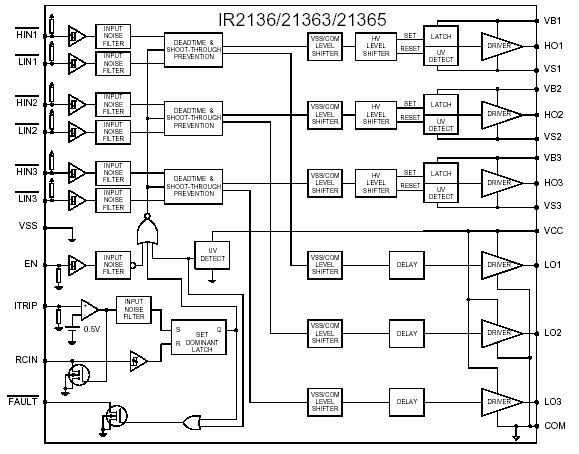
Okay danke. Naja, wird ne Halbbrücke mit üblichem Signalteil und soll während des Betriebs am USB hängen. Die Level-Shifter an der High-Side verstehe ich ja noch, aber wozu gibt es bei der Low-Side auch welche?
Sunny J. D. schrieb: > Die Level-Shifter an der High-Side verstehe ich ja noch, aber wozu gibt > es bei der Low-Side auch welche? Du möchtest auch die Lowside mit den vollen Vcc des Treibers ansteuern und nicht nur mit Logiklevel.
Das leuchtet mir irgendwie ein. Aber die Low-Side, meinetwegen VCC = 15V, kann ich doch direkt mit dem Logiklevel ansteuern, in dem IC ist da doch auch nur ein Totem-Pole drin. Die Level-Shifter waren meiner Meinung nach dazu da, um die Signale auch auf die High-Side zu übertragen, die ja sich ja gegenüber COM mal eben um 600V anheben können. Ich hab nämlich Bridge-Treiber gesehen, die diese Dinger nur in der High-Side hatten... So wie das in dem Schema aussieht, müssten die Level-Shifter ja kleine Übertrager oder Optokoppler sein.
Sunny J. D. schrieb: > aber wozu gibt > es bei der Low-Side auch welche? Laut Recommended Operating Conditions darf Vss +-5V bezogen auf COM habe, dafür ist der Pegelwandler da. Das ist z.B. praktisch wenn man den Strom über einen Shunt zwischen Source de Lowside FETs und Masse (wie auf S. 1 im Datenblatt) messen will. COM wird dann mit den Sources Verbunden und Vss mit Masse. Sunny J. D. schrieb: > So wie das in dem Schema aussieht, müssten die Level-Shifter ja kleine > Übertrager oder Optokoppler sein. Wieso? Pegelwandler gibt es auch viele die nicht galvanisch getrennt sind.
Hallo Leute, ich hätte ein Problem welches mir seit Tagen Kopfzerbrechen bereitet. ich verwende den Treiber IR2136 und der hat einen Fault Pin der HIGH wird wenn ein Fehler anliegt. Ich habe es so gemacht, dass ich eine Leuchtdiode mit einem Vorwiderstand von 1k drangehängt habe. Nur habe ich das Problem dass die Diode immer leuchtet, obwohl eigentlich kein Fehler vorhanden sein sollte. Kann es sein dass der IC vl kaputt ist? LG Rene
Rene schrieb: > und der hat einen Fault Pin der HIGH > wird wenn ein Fehler anliegt. Nö. Der hat einen -FAULT Pin, der low wird, wenn ein 'Fault' auftritt. Das soll nämlich der Strich über dem FAULT andeuten. Das gilt übrigens auch für die anderen Signale. Alle mit einem Strich drüber sind LOW aktiv.
Jep das war mir eh klar, bei mir jedoch ist er permanent auf LOW. Ich habe den IC nur mal mit 2 Stützkondensatoren und dem Vorwiderstand und der Diode angeschlossen, also komplett ohne den Mosfets, Dioden, Bootstrap-Kondi und den PWM-Signalen am Eingang, selbst da hat die Diode geleuchtet sprich der FAULT-Pin war LOW. Jetzt bin ich mir nicht sicher wo der Fehler liegen kann, ob vl der IC kaputt ist?? LG Rene
Rene schrieb: > Jep das war mir eh klar, bei mir jedoch ist er permanent auf LOW. Und warum schreibst du dann > der hat einen Fault Pin der HIGH > wird wenn ein Fehler anliegt. Ansonsten gilt: Checke die Pegel an den Eingängen und ob sowohl ITRIP als RCIN dem Datenblatt entsprechen (ITRIP also low ist). Wenn -FAULT dann immer noch low ist, wird entweder Vcc zu niedrig/zu hoch sein, oder der Chip ein Problem haben. RCIN ist sozusagen ein PowerOn Reset, das von vernünftigem Vcc ausgeht - siehe die Innenschaltung.
Vielen Dank für die schnelle Antwort. Also bei mir ist so, dass ich sowohl ITRIP als auch RCIN auf auf VSS und somit auf Ground geschlossen habe, da ich beide nicht verwende. Kann es sein, dass hier der Fehler liegt?
Rene schrieb: > Kann es sein, dass hier der Fehler > liegt? Ja. Wie man in der Innenschaltung sieht, muss RCIN einen Widerstand nach Vcc haben und einen Kondensator gegen Masse. Wenn RCIN dauerhaft auf Masse liegt, wird das -FAULT Flipflop nie zurückgesetzt. Das steht aber auch im Datenblatt: > Overcurrent fault conditions are cleared automatically > after a delay programmed externally via an RC network > connected to the RCIN input.
Vielen vielen Dank Matthias, ehrlich gesagt hab ich den Teil nicht beachtet. Könntest du mir eigentlich noch sagen, wie groß der Widerstand und der Kondensator sein sollten?? LG
Leider habe ich auch keine Application Notes diesbezüglich gefunden. Ob da jemand zu dem Thema welche gefunden hat und es mit mir teilen würde, wäre ich sehr dankbar.
Hat sich erledigt :) Laut Datenblatt braucht man 2M Ohm und 1nF für 2ms. Datenblatt lesen lohnt sich immer :)
Bitte melde dich an um einen Beitrag zu schreiben. Anmeldung ist kostenlos und dauert nur eine Minute.
Bestehender Account
Schon ein Account bei Google/GoogleMail? Keine Anmeldung erforderlich!
Mit Google-Account einloggen
Mit Google-Account einloggen
Noch kein Account? Hier anmelden.
