Hallo, ich bin derzeit dabei eine Art autonome nachtbeleuchtung aufzubauen welche mit Akkus funktioniert, daher auf die auch im Notfall verlass ist. Sie besteht aus mehreren LED Gruppen mit jeweils 2 in Reihe geschalteten Standart LEDs plus Widerstand. Diese LEDs sollen mit 6 Ni-Mh Akkus versorgt werden, welche zusammen eine Spannung von 7,2 Volt liefern. Geladen werden die Akkus mit Konstantstrom (250mA) tagsüber. Ich wollte eig ANSMANN Akkus nehmen, jedoch finden sich im Internet die einen oder anderen Bedenken wegen Selbstentladung usw, welche bei den ANSMANN Modellen vergleichsweise hoch sein soll. Hat jemand erfahrung mit ANSMANN Akkus? Taugen die was oder sind die nicht zu empfehlen? Der Dauerentladestrom wäre maximal 150mA. ich hatte dann im Internet nach Alternativen geguckt und war auf die Panasonic Eneloop reihe gestoßen. was ist zu der bezüglich qualität zu sagen? (http://www.amazon.de/Eneloop-Mignon-Batterien-Kraftmax-Akkuboxen/dp/B003YLDMLQ/ref=sr_1_3?s=ce-de&ie=UTF8&qid=1429599625&sr=1-3&keywords=akkus)
Hallo Malte, Ansmann hatte früher einmal sehr gute Akkus, aktuell kann ich nichts dazu sagen. Die Eneloops kannst Du bedenkenlos nehmen - sind vermutlich das Beste, was derzeit am NiMH-Markt verfügbar ist. Vermutlich tun es für Dich aber auch billigere Akkus, denn Selbstentladung ist in Deinem Falle (über Tag laden und in der Folgenacht entladen) kein Thema. Erst wenn zwischen Ladung und Entladung 1 Monat dazwischenliegt, so können Dir bei normalen Akkus schon mal 20% oder sogar mehr der Kapazität "hopps" gehen. Viel wichtiger sind folgende Punkte für Dich: - stelle sicher, daß die Akkus (und zwar jeder der 6 !) niemals unter 1V entladen werden - sonst haben NiMH-Akkus sofort einen "Hau" weg: insbesondere nimmt der Innenwiderstand der Zellen zu, was Deiner gesamten Schaltung nicht gut tut. - damit Du den vorigen Punkt sicherstellen kannst, müssen die Akkus zueinander sehr ähnlich sein (gleiche Kapazität). Denn sonst mißt Du z.B. 5 x 1,2V + 1 x 0,9V = 6,9V und denkst: "alles in Butter" (weil ja scheinbar jede Zelle noch 6,9 / 6 = 1,15V hat - in Wirklichkeit hast Du aber schon eine Zelle geschrottet). - evtl. willst Du die Eneloops bei Hr. Mössinger kaufen - der "paart" die Akkus mit viel Sorgfalt und Ausdauer. Sicherlich kannst Du bei ihm auch 6 gleich-gepaarte Akkus kaufen: http://www.akku-selekt.de/ (schlimme Internetseite - nicht davon abhalten lassen) Dort findest Du auch Hinweise zur Selbstentladung von Zellen sowie deren optimale Pflege. - je nachdem, wie wichtig das 100%ige Funktionieren Deiner Schaltung ist, so mußt Du bei 6 Akkus ggf. sogar schon einen "Balancer" einbauen, damit Du einzelne Zellen nicht überlädst. Dann wirst Du eine Delta-Ladeabschaltung benötigen, sonst kannst Du mit Deinen 250mA die Zellen überladen. - wenn von Deiner Schaltung nichts Wichtiges abhängt, so kannst Du auf den ganzen Lade-Firlefanz verzichten, denn eine Überladung ist nicht ganz so schlimm, wenn der Ladestrom ca. 10% C nicht überschreitet, was in Deinem Fall ja einiger- maßen paßt. - Die Tiefentladung solltest Du aber unter allen Umständen schaltungstechnisch verhindern - sonst hält Deine Schaltung keinen Monat durch. So - und nun wünsche ich Dir viel Glück. Schreib' hier mal, wie Du es letztendlich gelöst hast. Viele Grüße Igel1
Dankeschön das sie sich die zeit genommen haben ausführlich zu antworten:) Der beitrag bringt mich ein ganzes stück weiter, alte ansmann hätte ich sogar noch da , ob die allerdings noch immer was taugen ist die Frage. einige rosten an den kontaktflächen schon ein wenig da mein vater auf die sinnvolle Idee kam 2400er Akkus in SOlarlaternen zu packen ^^ Um das entladen zu verhindern wäre es sinnvoll wenn ich für die LEDs welche an die Akkus angeschlossen werden widerstände nehme oder? das hätte den effekt das bei sinkender spannugn auch der strom sinkt bis die LEDs gar nicht mehr leuchten :) Zum aufladen hatte ich eig an eine normale getaktete Konstantstromquelle mit einem MC34063 gedacht, wie baut man so eine art balancer auf? ich hatte ursprünglich vor die 6 Akkus in Reihe zu laden (hatte das bei den meisten billigen Ladegeräten, auch von Varta oder Ansmann so gesehen). Ja bdie tiefenentladung wird über ne diode verhindert :) Dankeschön für die ausführliche Hilfe :)
Malte S. schrieb: > Hat jemand erfahrung mit ANSMANN Akkus? Taugen die was Ansmann stellt keine Akkus her, sondern kauft NoNames ein und stempelt seinen Namen drauf, in der Hoffnung damit Geld verdienen zu können. Manchmal kaufen sie gute Akkus ein, manchmal schlechtere, aber vor allen Dingen billige. Ich würde Akkus von Originalherstellern kaufen, damit man überhaupt weiss, was man bekommt.
Andreas S. schrieb: > Ansmann hatte früher einmal sehr gute Akkus, aktuell kann ich > nichts dazu sagen. M.W. baut Ansmann keine Akkus, sondern kauft sie von verschiedenen Herstellern. D.h. man weiss nie genasu, von welchem Hersteller die Akkus sind.
okay dankeschön, dann lass ich lieber die Finger von denen... genau das hatte ich auch schon in manchen rezensionen gelesen. Welche hersteller kann man denn empfehlen abgesehen von Panasonic? Sanayo? GP? Energizer? varta? Bzw gibt es Alternativen zu Ni-Mh Akkus welche keine umfangreiche ladeelektronik brauchen? Li-Ion brauchen ja ziemlich viel drum und dran habe ich gelesen
MaWin schrieb: > Ansmann stellt keine Akkus her, sondern kauft NoNames ein und stempelt > seinen Namen drauf, in der Hoffnung damit Geld verdienen zu können. > Manchmal kaufen sie gute Akkus ein, manchmal schlechtere, aber vor allen > Dingen billige. Hatte da auch schon Probleme. Äußerlich der gleiche Akkupacktyp von Ansmann für eine Kleinserie, konkret Typ Li-Ion 18650 1S2P 3.7V. Manche von den eingeschweißten Akkus waren blau, andere gelb. Bei den Gelben hatten wir eine Menge Rückläufer mit gestorbenen Akkus, bei den Blauen nicht.
Hallo, Malte S. schrieb: > Standart ah, ein Kunstprojekt des herumsteht ;-) SCNR Mit freundlichen Grüßen Selbsternannter Weltverbesserer
Malte S. schrieb: > Welche hersteller > kann man denn empfehlen abgesehen von Panasonic? Sanayo? Sanyo wurde von Panasonic übernommen. Sanyo hat schon immer gute Akkus gebaut und auch die Eneloops entwickelt. Seitdem ich Eneloops in meinen RC-Modellen einsetze, habe ich keine Probleme mehr mit selbstentladenen Packs oder defekten Zellen, wie das früher regelmäßig der Fall war. Spar dir die Zeit, Alternativen zu suchen und nimm Eneloop. So viel teurer sind die nun auch wieder nicht und ihr Geld auf jeden Fall wert.
Auch ich: Ganz klar eneloop! Seit ich die überall einsetze habe ich Ruhe. Selbst in wenig genutzten Geräten stehen die noch nach Wochen voll im Saft. Alle Anderen waren dann leer. Allerdings hatte ich auch schon Ausfälle, vor allem bei AAA. Für ein Pack empfiehlt sich allerdings genaue Selektion, wenn man Messmöglichkeiten hat. Old-Papa
Old Papa schrieb: > Auch ich: Ganz klar eneloop! ich auch seit 9 Jahren und jetzt noch welche nachbestellt für alle Fernbedienungen, der Batterieverbrauch stört mich.
@Malte S.: > Um das entladen zu verhindern wäre es sinnvoll wenn ich für die LEDs > welche an die Akkus angeschlossen werden widerstände nehme oder? das > hätte den effekt das bei sinkender spannugn auch der strom sinkt bis die > LEDs gar nicht mehr leuchten :) Skizzier mal Deine Idee - könnte klappen, könnte aber auch nicht klappen. Mit etwas mehr Infos können wir weitere Tipps geben. > Zum aufladen hatte ich eig an eine normale getaktete Konstantstromquelle > mit einem MC34063 gedacht, wie baut man so eine art balancer auf? ich > hatte ursprünglich vor die 6 Akkus in Reihe zu laden (hatte das bei den > meisten billigen Ladegeräten, auch von Varta oder Ansmann so gesehen). Habe schon Ladegeräte gebaut, aber alle ohne Balancer - hier kann ich also nicht wirklich helfen. Aber schildere doch mal Deine Anwendung genauer, dann kann man Tipps geben, ob ein Balancer überhaupt nötig ist. > Ja bdie tiefenentladung wird über ne diode verhindert :) Wie willst Du das machen? Das würde mich wirklich interessieren. > Dankeschön für die ausführliche Hilfe :) Gerne Igel1
Dankeschön für die weiterreichenden antworten. Ich werde mir vermutlich eneloops akkus besorgen. Ansmann war halt meine erste idee gewesen weil meine eltern als sie alles mögliche auf akkus umgerüstet haben (vor 6/7jahren) massenweise geld in ANSMANN akkus investiert haben... ehrlich gesagt wundert es mich jetzt auch nicht mehr wieso zB diese osram led leuchten mit bewegungsmelder ewig leer waren :DDn irgendwie sind das glaube ich auch die standart akkus die man bei media markt oder so meist angedreht bekommt ^^. Ich werde morgen einfach mal einen schaltplan nachreichen, ich muss allerdings jetzt noch ET grundlagenlabor vorbereiten deswegen schaffe ich das jetze nicht :) aber danke für die erfahrungsberichte und tipps bisher. LG Malte
> Ich werde morgen einfach mal einen schaltplan nachreichen,
... und da ging Malte S. leider die Puste aus - schade ...
Ich weiß es nicht :) ich habe noch nie mir bleiakkus gearbeitet. Von daher habe ich keine ahnung ob die viel an Ladeelektronik brauchen oder relativ einfach zu handhaben sind. @Andreas S.: Nee ich hatte Donnerstag und freitag viel für Uni zu tuhen und habe deswegen keine Zeit gefunden gehabt. Ich werde das gleich nach dem frühstück mal machen ^^
Malte schrieb am Samstag, 11.14 Uhr:
>Ich werde das gleich nach dem frühstück mal machen ^^
Igel1 schreibt am Sonntag, 8.20 Uhr:
@Malte: Du scheinst einen gesegneten Appetit zu haben ... :-)
Viele Grüße
Igel1
hahaha auf jeden fall :D ich bin grade mit dem frühstück fertig geworden :D nein spaß, ich hatte das gestern angefangen und dachte mir ich benutze einfach mal eagle anstelle paint für die schaltpläne weil die das in der uni so hochloben aber bis ich da das finde was ich suche vergehen stunden deswegen hab ichs mit eagle gelassen. ich werde einfach mal einen schaltplan mit paint machen ^^
@Malte S: Vergiss Paint und nimm LTspice: Damit kannst Du im Handumdrehen Schaltpläne malen und auch simulieren! Viele Grüße Igel1 PS: unglaublich aber wahr: LTspice ist kostenlos!!
Andreas S. schrieb: > @Malte S: > > Vergiss Paint und nimm LTspice: > Damit kannst Du im Handumdrehen Schaltpläne malen und auch simulieren! > > Viele Grüße > > Igel1 > > > PS: unglaublich aber wahr: LTspice ist kostenlos!! ich bin fertig :D hier ist der schaltplan ^^ Ähm ja habe ich schon mal von gehört :D an der uni benutzen wir qucs das ist so ähnlich :D Die grünen LEDs sind die LEDs für die Notnbeleuchtung die nachts ständig leuchtet aber jeweils aus geht wenn jmd einen raum betritt und die warmweißen leds angehen. (die blauen leds sind kaltweiße, die gelben warmweiße) achja vor die konstantstromquelle kommt noch ne sicherung das netzteil ist ein mit stecker versehenes LED schaltnetzteil von meanwell und die zeitschaltuhr eine digitale wochenzeitschaltuhr
> Ich fürchte jetzt geht den anderen hier die puste aus ^^ grins Hihi - schön retourniert! 1:0 für Dich. Zu Deinem Schaltplan: Ich meine, es könnte so funktionieren - besonders optimal ist die Sache aber vermutlich nicht, weil Du die LED's über Spannung statt über Strom ansteuerst. Genaueres kann man erst sagen, wenn Du uns noch etwas über die LED's verrätst (Flußspannung, Strom, oder alternativ besser: Datenblatt). Trotzdem hier mal eine Beispielrechnung: Nehme ich z.B. eine LED-Flußspannung von 2,5V an, so liegst Du mit zwei LED's bei 5V. Bei einer Batteriespannung von 6x1,2V = 7,2V mußt Du 2,2V im Widerstand verheizen (dabei lasse ich die ebenfalls vorhandene zusätzliche Gleichrichter LED mal ganz außen vor). Gehe ich weiterhin von Ultrahellen LED's mit ca. 50 mA aus, so beträgt der Widerstand R = U/I = 2,2V / 0,05A = 44 Ohm und die Leistung daran P = 2,2V * 0,05A = 0,11W. Das können normale Widerstände "ab" - hier liegt also kein Problem. Das Problem tritt auf, weil Deine NiMH-Akkus im vollgeladenen Zustand ca. 1,4 - 1,5V haben werden, um dann relativ schnell auf 1,2V zu fallen. Leider darfst Du auch bei 1,5V Deine LED's noch nicht himmeln und mußt daher die Vorwiderstände entsprechend dimensionieren. Wenn nun die Spannung von 6x1,5V=9V auf 6x1,2V=7,2V abnimmt, so wird die Helligkeit Deiner LEDs massiv nachlassen, weil Du zu wenig "Spiel" im Vorwiderstand hast. Solltest Du ein regelbares Netzteil haben, kannst Du das gerne einmal ausprobieren. Wenn Du's theoretisch durchdringen willst, so schau Dir z.B. die Kennlinie auf dieser Seite an: http://www.led-treiber.de/html/vorwiderstand.html Je geringer der Vorwiderstand, desto steiler verläuft die Widerstands- Linie. Verkleinerst Du nun die Spannung, so entspricht das einer Parallel- Verschiebung der Widerstandslinie zur vorhandenen Widerstandslinie. Du kannst direkt sehen, wie der Schnittpunkt mit der LED-Kennlinie massiv nach unten wandert. Fällt die Spannung in dem genannten Diagramm z.B. von 6V auf 4V, so wird die Widerstandskennlinie die Abzisse bei 4V schneiden und der Schnittpunkt mit der LED-Kennlinie wird bei nur noch ca. 100mA liegen: Ein Spannungseinbruch um nur 30% führt hier also zu einem Leistungseinbruch um 2/3 auf ca. 1/3. Insgesamt ist also eine Befeuerung von LED's mit Konstantstrom besser - wenngleich das in Deinem Fall die Schaltung natürlich deutlich komplexer machen würde. Aber zum Glück gibt's 1000 China-Module, die aus einem sehr weiten Versorgungsspannungs- Bereich schönen Gleichstrom zaubern können. Vielleicht wäre das ja was für Dich. Sollte Dich die nachlassende Helligkeit nicht stören (probier's schlichtweg einfach einmal vorab aus ...), so bleibt das Problem mit der Tiefentladung: Bei einer Flußspannung von 2x2,5V=5V gibt's kein Halten gegen Tiefentladung der Akkus - Widerstand hin oder her. Hier solltest Du also noch eine Abschaltung gegen Tief- Entladung vorsehen (auch hier könnte Dir die Volksrepublik evtl. helfen). Solltest Du absolut sicher sein, daß Tiefentladung nicht eintreten kann (z.B weil die LED's so wenig Strom verbrauchen, daß sie niemals die Akkus über Nacht leersaugen), so kannst Du auch ohne Tiefentlade- Schutz an den Start gehen - raten würde ich Dir das trotzdem nicht, denn irgendwann fällt z.B. mal die Sicherung raus und die Dinger werden über Tag nicht nachgeladen und schwupps, schon hast Du den Schaden. Soweit, so gut ... ----------------------- Trotzdem würde mich interessieren: - Warum versorgst Du die ganze Mimik nicht über einen Trafo mit Dauerspannung und läßt die Akkus nur bei einem echten Spannungs- ausfall einspringen? Dann mußt Du nicht jeden Tag einen Lade-/ Entladezyklus absolvieren - die Akkus werden es Dir danken und im Normalfall (=Trafoversorgung) hättest Du nicht das Helligkeits Schwankungsproblem. - Wenn Du noch etwas mehr über Dein Ziel und die Anwendung schreibst, so fällt uns sicherlich auch noch mehr zu Lösungsfindung ein ... Viele Grüße Igel1
hahaha :D also bei den leds handelt es sich um normale 5mm Standart LEDs von Nichia. (ergebnisse aus mehreren messungen als mittelwert, wobei die abweicheungen von LED zu LED sehr gering sind) Die Daten der warmweißen: 20mA bei 2,9V Die daten der kaltweißen: 20mA bei 3,2V Die Daten der grünen: 20mA bei 2,9V Grüne: http://www.leds.de/Low-Mid-Power-LEDs/LEDs-5mm/Farbige-LEDs/Nichia-5mm-LED-gruen-43300mcd-15-NSPG500DS.html Kaltweiße: http://www.leds.de/Low-Mid-Power-LEDs/LEDs-5mm/Weisse-LEDs/Nichia-5mm-LED-weiss-30000mcd-15-NSPW500GS-K1.html Warmweiße: http://www.leds.de/Low-Mid-Power-LEDs/LEDs-5mm/Weisse-LEDs/Nichia-5mm-LED-warmweiss-22000mcd-15-NSPL500DS.html Okay also zu den Widerständen. das mit der akkuspannung wusste ich ehrlich gesagt nicht, ich hatte gedacht das die halt ungefähr 1,2V im vollgeladenen zustand haben. Der grund weswegen ich mich dann letztendlich für widerstände entschieden hatte war das halt der strom wenn die akkus leerer werden sinkt und sich die akkus je leerer sie sind langsamer entleeren. ne Superhelle LED bringt ja auch bei 10mA noch ne ganze menge licht. Das war eig mein gedanke. Das die leistung allerdings so stark zurückgeht hatte ich irwie nicht bedacht... Andere alternative wäre halt wie du erwähnst ne Konstantstromquelle. Da wäre auch die frage ob man eine lineare benutzt, zB mit zwei transistoren und nem widerstand (wie in ksq.png), jedoch hat diese schaltung den nachteil das da mindestens 1V verheizt werden müssen, was allerdings im vergleich zu widerständen egal ist ^^. Alternativ dachte ich an getaktete konstantsromquellen mit dem MC34063, das blöde da ist nur das die vergleichweise teuer sind (ungefähr 70ct pro stück und das läppert sich). und ein weiterer nachteil wäre halt das der eingangstrom sich erhöht je niedriger die spannung ist und der akku immer schneller leer wird. ja tiefentladeschutz wäre eventuell gut Also der eigentliche grund ist das ich halt dieses LED Netzteil wenn ich schlafen gehe gerne abgeschaltet haben würde, weil auch wenn das teil diverse schutzmechanismen wie zB kurzschlussschutz durch Strombegrenzung besitzt habe ich dabei trotzdem ein ungutes gefühl weil 11A bei 12V ist schon ne menge an leistung die im defektsfall auftritt. Auch wenn ich die einzelnen LED-Streifen abgesichert habe, ein bisschen ungutes gefühl bleibt. Außerdem ist die frage ob es so gut ist wenn das teil in der steckdose ist wenn man schläft oder nicht da ist... Weil an dem Ding hängt die gesamte flur und küchenbeleuchtung, das ist ein ziemlich verzweigtes system und demnach auch anfälliger... Alternativ könnte man sicherlich nen netzteil nehmen das nen maximalausgangsstrom von 1A oder weniger hat, damit würde man sicher auch hinkommen für die nachtbeleuchtung aber da wäre halt wieder was die nacht über in der steckdose. Wie sieht es eigentlich mit bleiakkus aus? halten die länger? bzw sind die weniger empfindlich als Ni-Mh Akkus? Macht es sinn bleiakkus anstelle der Ni-Mh zu verwenden? brauchen die mehr aufwand bei der ladeelektronik? Ich habe im anhang einfach mal paar bilder vom besagten flur angehängt. Eine andere frage? ist es normal das man bei warmweißen Nichia LEDs unterschiede in dem farbton hat? weil ich dachte immer die bauen so hochwertige LEDs und unterschiedliche wellenlängen innerhalb der gleichen led baureihe sind nur bei ,,billig''-LEDs zu erwarten...
*ich meinte natrürlich nicht wellenlänge sondern farbton/farbtemperatur.
Hallo Malte, die Daten und Nennleistung der LED's sind ja eher moderat - da braucht's noch keine Raketentechnik dafür: - Im schlimmsten Fall hast Du 14xGelb-Weiss-LED + 4xKalt-Weiss-LED am Leuchten. Das macht gerade mal (14 + 4) / 2 * 20mA = 180mA - Dauerhaft sind über Nacht ja nur die grünen LEDs an. Das macht gerade mal: (6) / 2 * 20 mA = 60mA Deine 8h Netzabschaltung solltest Du mit 2000mAh-Akkus also locker überbrückt bekommen - das hast Du schon richtig kalkuliert. Die Rechnung paßt natürlich nur dann, wenn Du die Dämmerungs- und Bewegungsschalter nicht auch aus den Akkus speisen willst. Was Deine Konstantstromschaltung angeht, so könnte das tatsächlich das Mittel der Wahl sein. Ob das alles allerdings auch noch gegen Ende der NiMH-Entladung funktioniert, das zeigt folgende Überlegung: In den letzten ca. 20% des Entladezyklus sinkt die NiMH-Akkuspannung nämlich unter 1,1V. Dir bleiben dann nur noch 6,6V, um Deine kaltweißen LED's mit 2x3,2V = 6,4V zu betreiben. Das bedeutet: Du hast nur noch 0,2V Reserve zum Regeln - hmmmm ... (dabei habe ich die Diode über Deinem Schaltrelais schon "wegoptimiert" - ihr Sinn ist mir nicht klar). Mit Low-Drop-Reglern könnte auch das noch funktionieren, aber Du willst ja nicht zu viel Geld investieren. Wenn Du also Dein Akku- Pack von 6 auf 8 Akkus aufstocken möchtest, so könnte Deine Konstant- stromschaltung gut funktionieren - sie müßte allerdings in jeden LED-Strang verbaut werden (Dioden parallelschalten ist ja keine gute Idee, aber das weißt Du sicherlich). Die Schalttransistoren in Deiner Schaltung kannst Du dann weglassen und in jedem LED-Strang eine Konstantstromschaltung einsetzen, bei der Du die linke Vcc-Leitung jeweils an das AND-Gatter führst (ggf. max. Ausgangsstrom des AND-Gatters beachten). Damit hast Du ein paar Cent und etwas Längsspannungsverlust gespart. Bleibt allerdings noch immer die Frage, wie Du 8 Akkus in Reihe vernünftig laden kannst. Sicherlich, das geht, aber es erfordert bestimmt einigen Aufwand. Eine Patentlösung habe ich dafür nicht parat. Notfalls mußt Du die 4 Kaltweissen LED's nicht in 2x2 Gruppen schalten sondern als 4x1 Einzel-LEDs - dann bleibt Dir genügend Längsspannung zum Regeln mit Deiner Konstantstromschaltung und Du könntest mit Deinen 6 Akkus doch überleben. Die anderen LEDs mit Ihren 2x2,9V könnten so gerade eben noch mit der Konstantstromschaltung bei 6,6V funktionieren - probier's einfach aus: Batterien auf 1,1V entladen und gucken, was dann noch geht (oder eben nicht mehr geht). Was Deine Frage nach Bleiakkus angeht, so habe ich diesbezüglich leider zu wenig Ahnung. Standard-Bleizellen würde ich mir natürlich nicht ins Zimmer stellen, denn bei falscher Ladung entsteht Knallgas. Allerdings gibt's auch gasdichte Bleigelakkus, die vermutlich eher für Dich geeignet sind. Soweit ich mich erinnern kann, ist die Lade- abschaltung bei Bleiakkus viel einfacher als die Delta-V-Strategie von NiMH-Akkus. Einfach lesen, lesen, lesen. Ich möchte Dir nichts raten - es könnte falsch sein. In jedem Fall solltest Du Deine Schaltung mit Sicherungen absichern, denn Akkus haben heftige Kurzschlußströme, die schlimmstenfalls Deine Wohnung abfackeln können. > Alternativ könnte man sicherlich nen netzteil nehmen das nen > maximalausgangsstrom von 1A oder weniger hat, damit würde man > sicher auch hinkommen für die nachtbeleuchtung aber da wäre halt > wieder was die nacht über in der steckdose. Ganz ehrlich: das wäre meine Wahl, wenn's Dir nur um das Ziel "Sicherheit" geht. Denn die Chancen, daß Du Fehler beim Design Deiner Schaltung machst, sind größer als die Chance, daß ein gut designtes LED-Schaltnetzteil eines Qualitätsherstellers (keine Chinaware!) abfackelt. Dazu pappst Du Dir noch einen 20 EUR Rauch- melder an die Decke und Du kannst die nächsten 10 Jahre gut schlafen. Ich selber würde sogar seelenruhig das 11A-Netzteil durchlaufen lassen (wenn's denn Qualitätsware ist und wenn's nicht zu viel Leistung im quasi-Leerlauf zieht) und schlimmstenfalls primär- und sekundärseitig noch eine Sicherung spendieren und in der Nähe einen Rauchmelder anbringen. Das wäre die pragmatischste und sicherheitstechnisch vielleicht sogar die beste Lösung, die gleichzeitig natürlich auch die "langweiligste" Lösung ist. Wenn's allerdings mehr ums Basteln und eine - wie auch immer geartete - interessante Lösung geht, so bin ich weiterhin mit an Bord. Viele Grüße Igel1
@Malte: Wie geht es Deinem Projekt. Bist Du weitergekommen? Hast Du Dich für eine Lösung entschieden? Würde mich schon interessieren. Viele Grüße Igel1
Hey, ne ich hatte gestern ne mathekurzklausur und hatte die letzten tage dafür gelernt... ich wollte mich jedoch grade ransetzen um zu überlegen wie ich es mache :) und zwar hatte ich folgende überlegung. Ich hatte überlegt ob ich das wie du gesagt hast so mache das die ganze Notlichtgeschichte an ein zweites kleineres netzteil gehängt wird und die akkus wirklich nur im notfall einspringen. Ich hätte da ein LED netzteil mit 12V/1A, welches bei einem LED Streifen von bauhaus dabei war. Das Problem ist jedoch das ich die LEDs, wenn ich es effizient machen würde, in dreiergruppen in reihe schalten würde, jedoch bei stromausfall komplett (wegen der von dir beschriebenen ladeproblemen und den nachteilen bei einer geringen spannungsdifferenz) auf eine reihenschaltung verzichten müsste und die Anzahl der Akkus auf 4 in Reihe reduzieren würde, denke das wäre noch vertretbar. Die Problematik würde natürlich wegfallen wenn ich getaktete Konstantsromquellen nehmen würde, jedoch bräuchte ich dazu für jede LED eine getaktete Konstantstromquelle, das wäre Kosten-Nutzentechnisch nicht so praktisch. Eine alternative wäre vielleicht eine getaktete konstantspannungsquelle hinter dem 12V netzteil, jedoch hat man natürlich bei einer parallelschaltung verhältnismäßig höhere ströme. ist halt die frage wie man die ganze geschichte am besten löst. Zu dem 11A Netzteil: Also bei dem Netzteil handelt es sich um ein sehr hochwertiges netzteil von meanwell. Das hat alles mögliche an schutzschaltungen was ein LED Netzteil so haben kann (Kurzschlussschutz durch strombegrenzung, einstellbare strombegrenzung (5-11A), Überlastungsschutz, Überspannungsschutz, Temperaturabschaltung bei 110°C usw), also es handelt sich auf jeden fall um ein hochwertiges netzteil. Meine befürchtung ist jedoch das nachher irgendwo ein kurzer entsteht und dann halt entsprechend 11A fließen.. keine ahnung ich habe bei sowas immer ein ungutes gefühl, vor allem weil an dem netzteil halt ein relativ verzweigtes Sytem hängt. Meine überlegung war auch weitergehend das ich die ansteuerungselektronik vom großen Netzteil über das kleine betreibe, dachte an eine galvanische trennung per optokoppler (der grund dafür ist halt das die ganze ansteuerung anfälliger für fehler ist, als letztendlich die Laststrecke) das wäre ein positiver nebeneffekt. ich weiß grad irgendwie nicht wie ichs vernünftig erklären soll ^^. Also die LED-Streifen an dem 11A netzteil werden auch über ne ansteuerung gesteuert - wenn ich das 1A Netzteil für das notsystem nutzen würde (und keine akkus, bzw nicht nur akkus) dann könnte ich für beide systeme eine gemeinsame ansteuerung entwerfen (würde den aufwand verringern) und würde die gates der Power Mosfets über otptokoppler galvanisch getrennt ansteuern.
Aber nochmal zum netzautonomen Teil: es wäre vermutlich am sinnvollsten, wenn ich vier akkus in reihe schalte und bei den LEDs keine reihenschaltung vornehme oder? Da dann einfach ne lineare konstantstromquelle. An das 12V Netzteil dann eventuelle zum versorgen der LEDs über Netz eine getaktete Konstantspannungsquelle (ungefähr mit der gleichen spannung wie die akkus) Aber auf jeden fall schon mal vielen dank für die weitreichende hilfe, insbesondere zu dem verhalten von Ni-Mh Akkus Achja ich habe mal gemessen was der ruhestrom von dem bewegungsmelder ist, das wäre 1mA also das ist nicht viel, eine sache die mich an dem alleringd noch stört ist das der ne ,,AN-Zeit'' von 120s hat, was ein bisschen lang ist, ich hatte deshalb den mal aufgemacht um zu gucken was für ein IC da drin ist, jedoch ist das leider unbeschriftet... kann man da irgendwie rausbekomme um was für ein IC es sich handelt?
@Malte: Hast Du evtl. ein regelbares Netzteil? Dann könntest Du mit verschiedenen Spannungen, Deinen LEDs, verschiedenen Vorwiderständen & Co. experimentieren. Ich glaube, das wäre viel besser, als wenn wir nur theoretisieren. Denn kaum einer hier kann Dir exakt voraussagen, wie groß die gefühlten Helligkeitsschwankungen Deiner LEDs sein werden oder ob Deine Konstantstromschaltung auch noch in diesem knappen Margin passabel regelt. Du kannst Dir so ein Netzteil auch ganz einfach für wenige Euros selber bauen, indem Du einfach ein passendes IC auswählst und das hinter einen Packen von Batterien oder hinter ein ungeregeltes Netzteil klemmst. Mach nur "pieps" und die Leute hier im Forum werden Dir bestimmt zur Seite stehen. Theoretische Vorüberlegungen kannst Du übrigens sensationell gut mit dem schon erwähnten "Ltspice" simulieren (Freeware!!!). Die Einarbeitungszeit für einfache Schaltungen beträgt < 1h - ich garantiere Dir: es wird Dir sehr viel Spaß machen, gut für Dein Studium sein und Dich in Sachen Schaltungsentwurf gut voranbringen. Leider gibt's darin aber keine Bauteile wie Deine LEDs. Aber das Programm ist so flexibel, daß man auch das hinbekommt. Hier steht, wie's geht (ist leider etwas fortgeschrittener Stoff): Beitrag "Wie LED in LTspice simulieren" Du hast geschrieben: > Das Problem ist jedoch das ich die LEDs, wenn ich es effizient > machen würde, in dreiergruppen in reihe schalten würde, jedoch > bei stromausfall komplett [...] auf eine reihenschaltung > verzichten müsste und die Anzahl der Akkus auf 4 in Reihe > reduzieren würde, denke das wäre noch vertretbar. Hmmm - ich verstehe Deinen Satz nicht ganz und muß etwas raten: Du meinst vermutlich, daß Du Deine 3 in Reihe geschalteten LEDs zwar gut am 12V Trafo, aber nicht mehr am 4-er Akku-Pack betreiben kannst? Richtig - in diesem Falle bleibt noch die Lösung, einen Aufwärts- wandler einzubauen, der Dir aus den ca. 4,8V Akku-Spannung eine 12V Spannung zaubert. Solche Wandler gibt's ebenfalls sehr billig aus China. > Die Problematik würde natürlich wegfallen wenn ich getaktete > Konstantsromquellen nehmen würde, jedoch bräuchte ich dazu > für jede LED eine getaktete Konstantstromquelle, das wäre > Kosten-Nutzentechnisch nicht so praktisch. Meinst Du mit "getakteten" Konstantstromquellen (KSQ) solche Schaltungen, die Dir aus einer variablen Eingangsspannung hinten einen konstanten Ausgangsstrom zaubern? Wenn ja, so benötigst Du für jeden in Serie geschalteten LED-Strang eine KSQ (nicht, wie Du schreibst für jede LED). Trotzdem wäre es eine Menge Aufwand. Da gibt's bestimmt bessere Lösungen. > Eine alternative wäre vielleicht eine getaktete konstantspannungsquelle > hinter dem 12V netzteil, jedoch hat man natürlich bei einer > parallelschaltung verhältnismäßig höhere ströme. ist halt die frage > wie man die ganze geschichte am besten löst. LEDs parallel an einer KSQ zu betreiben ist keine gute Idee: Eine KSQ wird solange die Spannung hochregeln, bis sie den eingeprägten (=eingestellten) Strom los wird. Das wird bei Spannung X der Fall sein. Wegen normaler LED-Bauteiltoleranzen und wegen der Steilheit der I/U Kennlinie von LEDs im Flußspannungsbereich wird folgender Effekt eintreten: während LED1 bei Spannung X bereits 30mA abbekommt, fließen durch LED2 erst 10mA und beide LEDs leuchten somit unterschiedlich hell. Mit etwas Pech, erwärmt sich LED1 schneller als LED2, die Flußspannung sinkt bei LED1 weiter und der Strom steigt weiter an. Wie die Story weitergeht, kannst Du Dir denken. > hochwertiges netzteil von meanwell Glückspilz! > Meine befürchtung ist jedoch das nachher irgendwo ein kurzer > entsteht und dann halt entsprechend 11A fließen. Das kannst Du evtl. mit ganz profanen Schmelzsicherungen absichern. Alternativ gibt's auch elektronische, selbstrückstellende Sicherungen. > Meine überlegung war auch weitergehend das ich die > ansteuerungselektronik vom großen Netzteil über das kleine > betreibe Jetzt hast Du mich leider (bis zum Ende Deines vorletzten Beitrags) abgehängt - ich verstehe nicht, was Du meinst. Nun zu Deinem letzten Beitrag: So, wie Du's schreibst, könnte es funktionieren. Der große Nachteil ist: Wenn Du jeweils 2 LED parallel und nicht mehr in Reihe schaltest, benötigst Du doppeltso- viel Strom wie vorher - schau, ob's dann noch ausreicht. Außerdem benötigst Du jede Menge Konstantstromschaltungen. Ich persönlich finde daher einen Aufwärtswandler (auch Hochsetz- steller oder Boost-Konverter genannt) hinter Deinem Akku eleganter. > eine sache die mich an dem alleringd noch stört ist das der ne > ,,AN-Zeit'' von 120s hat, was ein bisschen lang ist, ich hatte > deshalb den mal aufgemacht um zu gucken was > für ein IC da drin ist, jedoch ist das leider unbeschriftet... kann man > da irgendwie rausbekomme um was für ein IC es sich handelt? Schwer zu sagen: könnte ein NE555 - Derivat sein, kann aber auch etwas völlig proprietäres sein. Meistens werden solche Zeiten in Schaltungen ohne Mikrocontroller aber über Kondensator-Auf- oder Entladungen bestimmt. Ich würde daher einen Kondensator in der Nähe des IC's suchen und dazu mal einen Widerstand (z.B. 10k) parallel schalten. Wenn sich dann etwas ändert, hast Du den Ansatzpunkt gefunden und brauchst nur noch den richtigen Widerstand finden. Viel Erfolg Igel1
Andreas S. schrieb: > @Malte: > > Hast Du evtl. ein regelbares Netzteil? > Dann könntest Du mit verschiedenen Spannungen, Deinen LEDs, > verschiedenen Vorwiderständen & Co. experimentieren. > > Ich glaube, das wäre viel besser, als wenn wir nur theoretisieren. Denn > kaum einer hier kann Dir exakt voraussagen, wie groß die gefühlten > Helligkeitsschwankungen Deiner LEDs sein werden oder ob Deine > Konstantstromschaltung auch noch in diesem knappen Margin passabel > regelt. Nee leider nicht :D war ich bishher zu geizig zu :D ich habe das bishser immer mit linearreglern improvisiert o.o 7805 usw. Aber vielleicht sollte ich mal nach den lm 317s gucken die noch irgendwo rumliegen müsste, mit denen müsste das ja auch gehen denke ich. Vielleicht sollte ich einfach mal darüber nachdenken mir ein labornetzteil anzuschaffen oder so :D > Theoretische Vorüberlegungen kannst Du übrigens sensationell gut mit dem > schon erwähnten "Ltspice" simulieren (Freeware!!!). Die > Einarbeitungszeit für einfache Schaltungen beträgt < 1h - ich garantiere > Dir: es wird Dir sehr viel Spaß machen, gut für Dein Studium sein und > Dich in Sachen Schaltungsentwurf gut voranbringen. Jaa muss ich mal machen, mal gucken wann ich demnächst mal zeit finde :) ich habe es mir bereits installiert. > Hmmm - ich verstehe Deinen Satz nicht ganz und muß etwas raten: > Du meinst vermutlich, daß Du Deine 3 in Reihe geschalteten LEDs > zwar gut am 12V Trafo, aber nicht mehr am 4-er Akku-Pack betreiben > kannst? Jaa genau da würde ich bei widerständen auf jeden fall probleme kriegen. mit linearen konstantsromquellen würde dies zwar gehen jedoch wäre das ziemlich ineffizient. wenn ich getaktete konstantsromquellen nehmen würde wäre auch das kein rpoblem, jedoch wäre das ziemlich teuern weil ich dann allein für den flur 11 getaktete Konstantsromquellen bräuchte. Von daher war meine idee das ich gar keine leds mehr in reihe schalte und vor jede LED eine lineare Konstanstromquelle aus zwei transistoren vorhänge. Um das problem zu umgehen das das wegen der 12V aus dem Netzteil ineffizient wäre, hatte ich halt die idee das ich die 12V runterregele (auf 5V wie ungefähr die akkuspannung) und an die 5V die LEDs inclusive konstantstromquellen ranhänge. das mit dem step up regler wäre natürlich auch ne möglichkeit, aber wie effizient sind die dinger? > Meinst Du mit "getakteten" Konstantstromquellen (KSQ) solche > Schaltungen, > die Dir aus einer variablen Eingangsspannung hinten einen konstanten > Ausgangsstrom zaubern? Wenn ja, so benötigst Du für jeden in Serie > geschalteten LED-Strang eine KSQ (nicht, wie Du schreibst für jede LED). > Trotzdem wäre es eine Menge Aufwand. Da gibt's bestimmt bessere > Lösungen. Mit getakteten meinte ich welche diemit einem schaltregler IC arbeiten, und mit linearen halt welche die den strom auch konstant halten, jedoch die differennz verbraten. > Glückspilz! Danke :) > Das kannst Du evtl. mit ganz profanen Schmelzsicherungen absichern. > Alternativ gibt's auch elektronische, selbstrückstellende Sicherungen. Das habe ich sowieso schon :) aber keine ahnung ich mache mir bei sowas immer überviel gedanken. >> Meine überlegung war auch weitergehend das ich die >> ansteuerungselektronik vom großen Netzteil über das kleine >> betreibe > > Jetzt hast Du mich leider (bis zum Ende Deines vorletzten Beitrags) > abgehängt - ich verstehe nicht, was Du meinst. Ich weiß ich kann nicht so gut erklären, also ich wede einfach mal einen gesamtschaltplan von dem ganzen system machen, vielleicht kann man das da gut verdeutlichen. > Schwer zu sagen: könnte ein NE555 - Derivat sein, kann aber auch > etwas völlig proprietäres sein. Meistens werden solche Zeiten in > Schaltungen ohne Mikrocontroller aber über Kondensator-Auf- oder > Entladungen bestimmt. Ich würde daher einen Kondensator in der Nähe > des IC's suchen und dazu mal einen Widerstand (z.B. 10k) parallel > schalten. Wenn sich dann etwas ändert, hast Du den Ansatzpunkt > gefunden und brauchst nur noch den richtigen Widerstand finden. Okay ich werde das mal ausprobieren :) mir war auch die idee gekommen das man den pir sensor alternativ ja auch auslöten könnte, jedoch findet man im internet zu pir sensoren wenig schaltpläne. das wäre vermutlich sogar die beste lösung, weil der bewegungsmelder schaltet auch immer verzögert ein.. das stört auch ein wenig. > Viel Erfolg dankeschön
@Malte S: Schau Dir mal die Schaltung im Anhang an. Auch wenn die Werte und Bauteile alle noch nicht 100%ig stimmen - das Prinzip könnte funktionieren (trotzdem gibt's natürlich von mir keine Gewähr auf irgendetwas und ein Nachbau ist ebenfalls auf eigene Gefahr!): Immer wenn der 11A-LED-Trafo sich zur Ruhe legt, springt automatisch der Akku (via Step-Up Wandler auf 11,8V hochtransformiert) ein. D1 und D2 riegeln beide Spannungsquellen gegeneinander ab. Wichtig ist dabei, daß der Step-Up-Wandler so eingestellt wird, daß seine Ausgangsspannung ein Stückchen unter derjenigen Deines 11A-LED-Trafos liegt. Und über D7 erhält der Akku eine Dauer-Betankung (man sagt, daß man NiMH-Akkus mit bis zu 10% Ihrer Nennkapazität dauerladen kann). Hier sind's nur ca. 50mA - also nur 2,5% eine 2000mAh Akku-Packs. Du kannst die Schaltung auch gerne in Deinem Ltspice laden und ausprobieren - ich habe absichtlich nur Standard-Bauteile verwendet, die in den mit Ltspice mitgelieferten Libraries bereits vorhanden sind. Die *.asc-Datei sollte bei Dir also sofort funktionieren. Step-Up Wandler (auch Boost-Converter genannt) gibt's wie Sand am Meer bei Ebay. In Deinem Falle sollte es ein Wandler im 1-stelligen Euro-Bereich schon tun. Wenn Du deutlich mehr ausgeben willst, erhältst Du bessere und sicherere Wandler mit höherem Wirkungsgrad - lohnen tut sich das aber vermutlich nicht. Der Wirkungsgrad der Schaltung dürfte immer noch höher sein, als Dein Vorschlag oben, jede LED aus einer (ungetakteten) KSQ zu versorgen und all die Stränge an einen 5V Step-down-Converter zu hängen. Außerdem hast Du hier eine hinreichende Längsspannung an den Vorwiderständen - Bauteiltoleranzen sollten also nicht zu unterschiedlichen Helligkeiten führen und die kleine Spannungsdifferenz zwischen LED-Trafoversorung und Akku-Step-Up-Versorgung dürfte ebenfalls kaum auffallen. Trotzdem "verheizt" Du ca. 50% der Energie an den Vorwiderständen - bei Deinen Strömen von max. 10x ca. 20mA = 200mA macht das: 6V x 200mA = 1,2W. Ich denke, das dürfte noch vertretbar sein. Viele Grüße Igel1
Nachtrag zu meinem letzten Post: Akku und Step-Up-Wandler sind natürlich nicht in Reihe geschaltet - hab's nur der Einfachheit halber so gezeichnet. Einfach melden, wenn Du nicht verstehst, das gemeint war - ich zeichne dann nochmals alles korrekt zusammen. Viele Grüße Igel1
Andreas S. schrieb: > @Malte S: > Auch wenn die Werte und Bauteile alle noch nicht 100%ig stimmen - das > Prinzip könnte funktionieren (trotzdem gibt's natürlich von mir keine > Gewähr auf irgendetwas und ein Nachbau ist ebenfalls auf eigene > Gefahr!) dankeschön :) ja das habe ich vertsanden :) da musste halt ein bisschen improvisiert werden. > Immer wenn der 11A-LED-Trafo sich zur Ruhe legt, springt automatisch der > Akku (via Step-Up Wandler auf 11,8V hochtransformiert) ein. D1 und D2 > riegeln beide Spannungsquellen gegeneinander ab. Wichtig ist dabei, daß > der Step-Up-Wandler so eingestellt wird, daß seine Ausgangsspannung ein > Und über D7 erhält der Akku eine Dauer-Betankung (man sagt, daß man > NiMH-Akkus mit bis zu 10% Ihrer Nennkapazität dauerladen kann). Hier > sind's nur ca. 50mA - also nur 2,5% eine 2000mAh Akku-Packs. könnte man den akku anstelle über den widerstand auch über konstantstrom laden? also über eine getaktete vielleicht. > Step-Up Wandler (auch Boost-Converter genannt) gibt's wie Sand am Meer > bei Ebay. In Deinem Falle sollte es ein Wandler im 1-stelligen > Euro-Bereich schon tun. Wenn Du deutlich mehr ausgeben willst, erhältst > Du bessere und sicherere Wandler mit höherem Wirkungsgrad - lohnen tut > sich das aber vermutlich nicht. Naja ich würd mir das ding dann selber bauen :) denke da an den MC34063, mit dem kann man ja eine ganze menge anstellen. dachte an den schaltplan im anhang nur das ich anstelle des NPN ein P-Kanal mosfet nehme. > Der Wirkungsgrad der Schaltung dürfte immer noch höher sein, als Dein > Vorschlag oben, jede LED aus einer (ungetakteten) KSQ zu versorgen und > all die Stränge an einen 5V Step-down-Converter zu hängen. Naja also an den ungetakteten fällt mindestens 1V ab > Außerdem hast Du hier eine hinreichende Längsspannung an den > Vorwiderständen - Bauteiltoleranzen sollten also nicht zu > unterschiedlichen Helligkeiten führen und die kleine Spannungsdifferenz > zwischen LED-Trafoversorung und Akku-Step-Up-Versorgung dürfte ebenfalls > kaum auffallen. > Trotzdem "verheizt" Du ca. 50% der Energie an den Vorwiderständen - bei > Deinen Strömen von max. 10x ca. 20mA = 200mA macht das: 6V x 200mA = > 1,2W. > Ich denke, das dürfte noch vertretbar sein. wenn der step up converter ständig auf 12V hochregelt, dann kann ich doch eig genauso gut auch drei leds in reihe schalten oder? da wäre ich dann bei max 9,3V. von 11,8V die aus dem step up converter kommen hätte man ja noch eine differenzspannung von 1,5V, das wäre noch vertretbar oder? weil das würde die ganze geschichte doch nochmal effizienter machen, weil bei der variante mit 2 LEDs in reihe würde fast die hälfte der spannung an den vorwiderständen vernichtet und durch den step up converter geht ja auch noch leistung verloren... Der vorteil wäre auch das der eingansstrom den der step up converter zieht nochmal ein stück geringer wäre.
Ne andere sache, hat jemand ne gute und relativ einfache schaltung für ein zeitschalter? weil ich wollte das selber einstellen wie lange das licht leuchtet bzw ich wollte es so machen das die leds 5 sekunden bevor die ausgehen ein bisschen dunkler werden, sozusagen als hinweis das das licht gleich ausgeht. Ich hatte da diese schaltung gefunden (http://de.f-alpha.net/elektronik/grundschaltungen/multivibratoren/los-gehts/experiment-5-monostabiler-mv/), ich frage mich jedoch ob die schaltung bei längeren zeiten noch stabil ist, für meinen zweck (so 30-40 sekunden) bräuchte ich noch einen größeren widerstand als den 100K und vor allem einen größeren elko... bzw kann ich die zeitdauer mit dieser schaltung bzw mit dem ic erreichen ohne das die ganze geschichte instabil wird?http://de.f-alpha.net/elektronik/grundschaltungen/multivibratoren/weiter-gehts/experiment-13-monoflop-ii/ wobei ich hätte da noch ne frage, weiß jemadn wie man einen pir sensor beschaltet? ich hatte aus einem datenblatt folgendes (https://cdn-reichelt.de/documents/datenblatt/A500/LHI878RF%23PE.pdf) gefunden. So wie ich es verstehe kann ich die beiden pins des fet einfach wie drain und source eines normalen fets beschalten oder? oder muss ich da besondere sachen bedenken?
bzw könnte ich das mit nem schmitt trigger machen der wenn die spannung an einem kondensator sinkt nach ner bestimmten zeit ausschaltet? was wäre von der stabilität der schaltung das beste? die IC schaltung oder? wichtig ist halt das das retriggerbar ist
Malte S. schrieb: > könnte man den akku anstelle über den widerstand auch über k > konstantstrom laden? also über eine getaktete vielleicht. Claro Malte S: schrieb weiter: > Naja ich würd mir das ding dann selber bauen :) denke da an den MC34063, > mit dem kann man ja eine ganze menge anstellen. dachte an den schaltplan > im anhang nur das ich anstelle des NPN ein P-Kanal mosfet nehme. Wenn Du damit Erfahrung hast - why not?! > wenn der step up converter ständig auf 12V hochregelt, dann kann ich > doch eig genauso gut auch drei leds in reihe schalten oder? da wäre ich > dann bei max 9,3V. Denke an: 1.) die Diode, die Dir nochmals 0,6V klaut 2.) die geringe Langsspannung am LED-Vorwiderstand - dazu hatte ich ja vormals schon etwas geschrieben. Lies evtl. nochmals etwas im Internet darüber, dann weißt Du, was ich meine Malte S. schrieb: > Ne andere sache, hat jemand ne gute und relativ einfache schaltung für > ein zeitschalter? Schau mal nach den Begriffen "Monoflop retriggerbar NE555" - das ist das, was Du suchst. Die von Dir zitierte Monoflop-Schaltung könnte ebenfalls funktionieren, aber das Retriggern müßte da noch rein. Sicherlich gibt's auch 1000 Monoflop-Schaltungen mit Operationsverstärkern - wenn Du die liebst, dann kannst Du auch die nehmen. Viele Grüße Igel1
Malte S. schrieb: > bzw könnte ich das mit nem schmitt trigger machen der wenn die > spannung an einem kondensator sinkt nach ner bestimmten zeit ausschaltet? Claro. Mußt halt nur gucken, daß Du mit "tau" (Tau = R * C) ungefähr in Richtung 30-40 Sekunden kommst. Mit Ltspice könntest Du das übrigens simulieren ... Viele Grüße Igel1
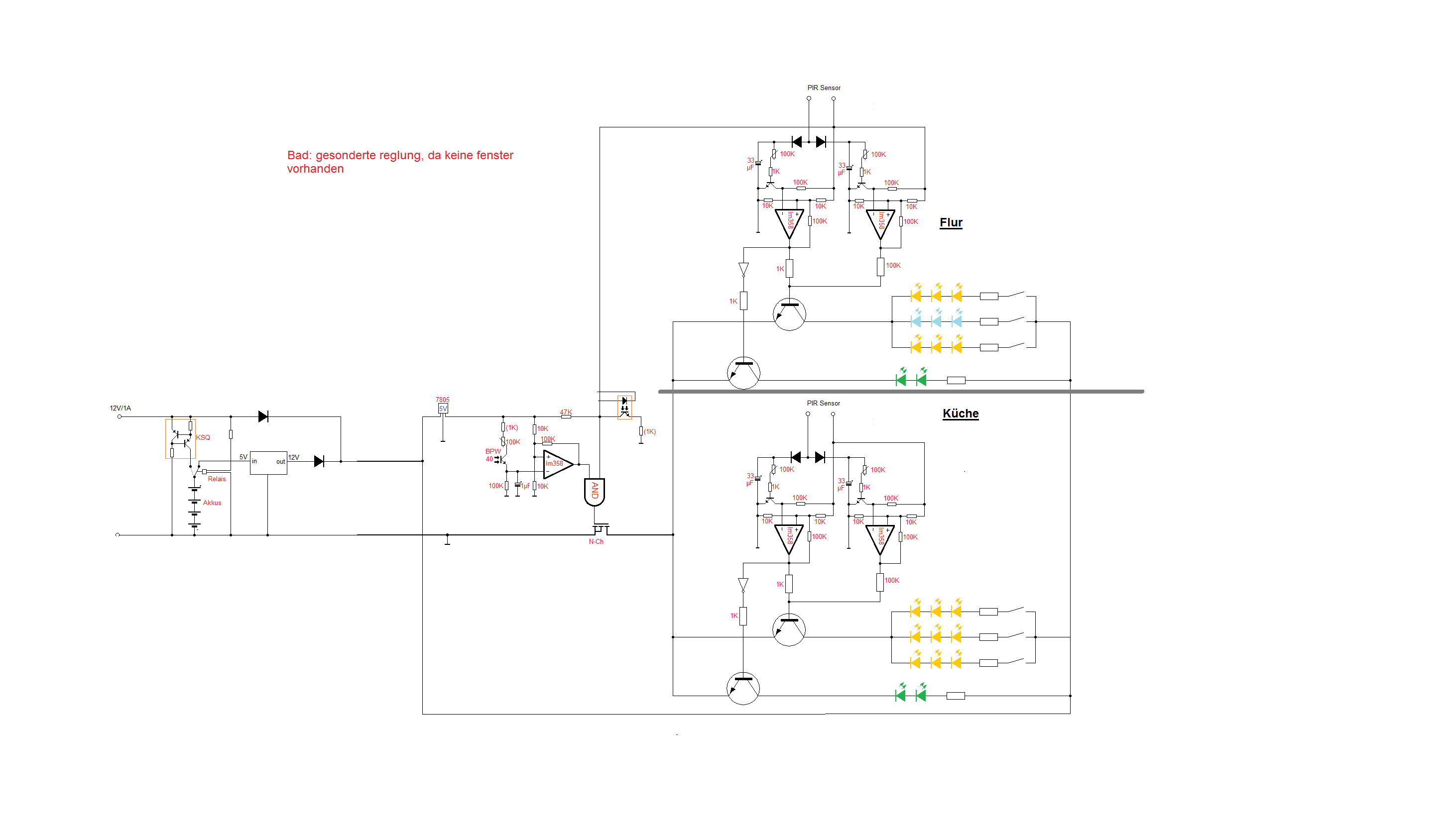
Soo also ich bin jetzt soweit das ich einen nahezu komletten schaltplan habe. Das Bad habe ich ausgelassen, da das kein fenster hat und da ein bewegungsmelder mit nem timer nicht so gut wäre denke ich ^^. dachte an ne art taster womit man halt nachts das licht dort anmacht und halt bei nochmaliger betätigung wieder aus. oder ein bewegungsmelder bei dessen auslösung das licht angeht und ein taster wo man das licht wieder aus macht, ka muss ich mal gucken :) Also ich habe mir das jetzt wie folgt gedacht: Die Akkus springen nur ein wenn der STrom wirklich ausfällt. Im Normalfall wird die nachtbeleuchtung und notbeleuchtung über ein zweites 12V 1A netzteil betrieben. Wenn das 12V/11A Netzteil aus geht kriegt die diode von dem optokoppler (welche an dem 11A Netzteil hängt) bei dem AND-Gatter kein strom mehr und verlischt. Die folge davon ist das der eine eingang vom und gatter nicht mehr von dem Optokoppler auf LOW gehalten wird sondern über den Widerstand auf High gezogen wird und der eine EIngang vom AND-Gatter geht auf HIGH. Wenn es nun auch noch dunkel ist geht der zweite EIngang auch von LOW auf HIGH und die Notbeleuchtung (grüne LEDs) geht an. Betritt jemand den Flur oder die Küche, dann löst ein PIR Sensor über eine Zeitschaltung das Nachtlicht aus (gelbe/weiße LED). Wenn das passiert geht die Notbeleuchtung (grün) für die Zeit wo die Nachtbeleuchtung an ist aus. Um zu verhindern das Das licht unerwartet aus geht dachte ich mir das die helligkeit 10s bevor das nachtlicht (gelb) aus geht ein wenig dunkler wird (sozusagen als Signal das das Licht gleich aus geht). Geht das so? Bzw hat jmd noch verbesserungsvorschläge? Nur für das Bad muss ich mir noch ne extralösung überlegen. Bzw wie genau ich die LEDs nochmal schalte bzw ansteuere(widerstand/ksq - 3 oder zwei in reihe)
@Malte, ich habe Teile Deiner Schaltung in Ltspice abgebildet und hier angehängt. Die *.png-Dateien zeigen das Schaltbild und die Spannungen/Ströme an bestimmten Meßpunkten. Damit Du mit der *.asc-Datei in Ltspice die Simulation anstoßen kannst, mußt Du vorher den LM358 einbinden (nicht schwierig). Wie das geht, das steht hier: http://www.elektronik-bastelkeller.de/spicemodel.php Danach kannst Du nach Herzenslust alles in Deiner Schaltung ausprobieren. Ansonsten bleibt Dir nur, die Schönheit Deiner Schaltung und der Kurven zu bewundern (aber Du willst doch mehr, oder?!! Also: ran an Ltspice!) Leider hast Du nicht geschrieben, was die Bedeutung der zwei PIR-Leitungen ist. Diese beiden PIR-Leitungen sind jeweils in Richtung der Eingänge der Operationsverstärker geschaltet und ich habe mal fröhlich ihre Bedeutung geraten. Ganz wichtig wäre auch, wenn Du schreibst, welches Potential diese Leitungen bei welchem Ereignis haben. Meine Annahmen waren: PIR-Leitung 1 (Dunkelerkennung): 0V bei Helligkeit, 12V bei Dunkelheit PIR-Leitung 2 (Bewegungserk.) : 0V bei Ruhe, 12V bei Bewegung Dies angenommen, scheint der Schaltungsteil, den ich abgebildet habe, grundsätzlich zu funktionieren - allerdings bin ich mir auch nicht ganz sicher, was Du eigentlich willst. Jedenfalls läuft's so: - Wenn's Dunkel wird (und der PIR-Sensor Dunkelheit meldet), dann gehen tatsächlich die grünen Nacht-LED's an - Und wenn Bewegung detektiert wird (und der PIR-Sensor das auf seiner zweiten Leitung meldet), dann gehen tatsächlich die Nacht-LED's aus und die weissen-Bewegungs-LED's an. So weit, so gut. Aber: - Wenn es hell ist und keine Bewegung detektiert wird, so leuchten in meiner Simulation trotzdem die weissen LEDs. Ob das so gewollt ist? ... alles weitere später... Viele Grüße Igel1
Ah so - jetzt habe ich endlich verstanden, warum 2 OpAmps auf den armen Transistor losfeuern: - Du willst über den Basisstrom von Q2 und die Stromverstärkung des Transistors den Strom durch die LED's steuern. - Bei Bewegungsmeldung gehen beide OpAmps am Ausgang auf max. Spannung und somit fließt Strom sowohl durch R7 als auch durch R17 in die Basis von Q2. - Sobald der PIR keine Bewegung mehr im Raum feststellt, wird er den entsprechenden Ausgang auf 0V ziehen. Über Deinen Kondensator + regelbaren Widerstand + Transistor verlängerst Du die Zeit noch ein wenig. Irgendwann sperrt jedoch Q4 so peu a peu und die Spannung am invertierenden Eingang wandert nach oben. Schließlich kippt der Ausgang des OpAmps (hier U2 genannt) auf 0V. - Zu diesem Zeitpunkt soll nur noch der Strom, den der untere OpAmp (hier U1 genannt) durch R7 schiebt in die Basis von Q2 fließen (okay - ein bißchen geht via R17 auch in Richtung OpAmp U2 flöten). Q2 erhält über seine Basis also weniger Strom und die LEDs werden somit weniger hell leuchten, bis auch U1 kippt und den Hahn abdreht. Okay - hab's verstanden: nette Lösung! Sollte grundsätzlich funktionieren (zumindest der Part, den ich mir hier angeguckt habe) Ein paar kleine Anmerkungen habe ich dazu: - Vermutlich wirst Du R7 ein gutes Stückchen größer machen wollen, sonst wird ein Abschalten des oberen OpAmps kaum eine Wirkung haben (100k zu 1k ...). - Wenn die Ausgänge des PIR kurzschluß fest sind, dann paßt Deine Schaltung. Wenn sie das nicht sind, so mußt Du unbedingt den zweifachen Wert es minimal zulässigen Widerstand vor Deine Dioden schalten. Schaltet der PIR seinen Ausgang nämlich auf 12V, so wirkt ein leerer Kondensator wie ein Kurzschluß - zwar nur kurz, aber auf Dauer tödlich für die Halbleiter im PIR (wenn der denn nicht selber zur Sicherheit einen Ausgangswiderstand eingebaut hat und damit kurzschlußsicher ist). - Vermutlich mußt Du R7, R8, R17 regelbar auslegen, weil die Strom- verstärkung von Transistoren stark streut. Experimentieren ist hier angesagt. - Deine Schaltung wird etwas temperaturabhängig sein - bei Zimmer- temperaturschwankungen dürfte das aber vernachlässigbar sein. Wenn ich über den Tellerrand der von mir nachgebildeten Schaltung schaue, so fallen mir noch folgende Dinge auf: - Die KSQ zur Akku-Betankung ist überflüssig - ein Widerstand reicht vollkommen. Denn ob Deine 4 Akkus im Leerzustand nun 4V haben und im Vollzustand 6V, das wird den Ladestrom nur wenig verändern - sogar in die richtige Richtung (volle Akkus - weniger Ladestrom). Weshalb ein Widerstand gegenüber einer KSQ hier sogar besser wäre. - Wenn Du willst, so kannst Du mit nur wenigen Bauteilen eine Unter- spannungsabschaltung für die Akkus dazubasteln. Ich würde es machen, denn bestimmt fällt der Trafo einmal aus (Sicherung, Putzmann/Frau und dann sind Deine Akkus nach 2 Tagen schon Schrott. - Der Step-Up-Wandler hinter Deinen Akkus sollte unbedingt auf < 12V Ausgangsseitig eingestellt werden, damit Deine Akkus nicht "Dellen" im Spannungsverlauf des LED-Trafos ausgleichen. - Sinn und Zweck des Optokopplers habe ich leider aus Deiner Erklärung heraus immer noch nicht verstanden. Außerdem zieht der Transistor des Optokopplers einen möglichen 12V-Ausgang des PIR auf Ground. Da gilt dann wieder die Frage: Sind die Ausgänge des PIR kurzschluss- fest? - Der Sinn des 7805 ist mir ebenfalls nicht ganz klar. Wofür brauchst Du den? Du weißt, daß diese 7805 schlimme Leistungsvernichter sind? 6 mA bist Du allein schon für den Ruhestrom eines 7805 los. Wenn Du ihn trotzdem einsetzen willst, bitte das "Hühnerfutter" drum herum nicht vergessen: http://www.elektronik-kompendium.de/public/schaerer/ureg3pin.htm - Ansonsten bin ich einmal sehr gespannt, ob Du mit solch niedrigem Spannungsabfall an den Vorwiderständen der jeweils 3 Beleuchtungs -LED's ein gleichmäßiges Helligkeitsbild hinbekommen wirst. Ich zweifle ein wenig, habe aber keine echten Erfahrungswerte. So - das war's von mir. Jetzt bin ich einmal sehr gespannt auf Deinen Bericht von der fertigen Schaltung, an der Du in diesem Moment bestimmt schön lötest. Viele Erfolg! Igel1
Ich hatte ltspice letztens mal ausprobiert und war ehrlich gesagt daran ziemlich verzfeifelt :D ich habe irgendwie die bauteile die ich immer brauchte nie gefunden, aber ich denke mal da werde ich mich nochmal ransetzen müssen. Danke auf jeden fall für die Mühe, das du dich rangesetzt hast und eine simulation der schaltung gemacht hast :) zu den 2 PIR Leitungen: Also die bedeutung der beiden PIR Leitungen ist identisch, an die PIR Leitungen kommt halt jeweils in die Küche und in dem Flur ein PIR Sensor Modul. Ich habe mich jetzt auf anraten für die fertigen Module entschieden die es für Arduino gibt, da ist dann schon ein BISS0001 dabei (den kriegt man irgendwie nirgends) und es ist siogar billiger als wenn ich Linse und Sensor einzeln bei reicheltz kaufen würde. falls jmd interesse hat: http://www.amazon.de/COM-FOUR%C2%AE-HC-SR501-Pyroelektrischer-Infrarot-Bewegungssensor/dp/B00W7CJB6I/ref=sr_1_12?s=ce-de&ie=UTF8&qid=1431756875&sr=1-12&keywords=pir+modul wird aus deutschland verschickt (über amazon) und man muss nicht auf 4 wochen chinaversand warten, dafür 5 stück dann halt 13 euro und nicht 5 aber ich finde das ist mehr als in ordnung von dem preis her. DIe Module werden übrigens mit 5V betrieben deshalb der Spannungswandler, bzw ich jage ungern dauerhaft 12V über ICs (auch wenn die OPs bis 15 können), deshalb halt die spannung von 5V für die Ansteuerung. Das könnte man natürlich noch anders lösen indem man die 5V im Akkubetrieb direkt von den Akkus vor dem Step UP Wandler abgreift und den 7805 direkt an das 12V NT hängt. Also tagsüber wenn es hell ist soll nichts leuchten, deshalb zieht der dämmerungssensor bei helligkeit den invertierenden eingang vom ersten op auf high und den ausgang vom OP auf low. Das AND Gatter zieht dann das Gate von dem MOSFET auf low und die ganze anlage ist deaktiviert. Der andere eingang von dem and gatter wird solange das 12V/11A Netzteil an ist durch den fototransistor von dem optokoppler auf low gehalten. Sobald das 11A NT aus ist hält der Optokoppler den anderen eingang von dem AND nicht mehr auf low und der eingang geht durch den Widerstand zu 5V Vcc auf High. Heißt in der Funktion: -Wenn es hell ist wird der eine eingang von dem AND Gatter auf LOW gehalten -Wenn es dunkel ist ist derselbe auf HIGH -Wenn das 11A netzteil an ist wird über den fototransistor im optokoppler der andere eingang von dem AND gatter auf LOW gehalten -Wenn das 11A NT aus ist wird der andere Eingang über den Widerstand auf HIGH gehalten. Der MOSFET wird also nur elitend wenn es dunkel ist und das 11A netzteil aus ist. Solange eines von beiden nicht zutrifft ist die ganze geschichte deaktiviert. Die beiden Schaltungen mit den EIngängen für die PIR Sensoren sind im flur und in der Küche zwei identische schaltungen. Und es ist halt so gedacht das der eine Zeitschalter mit dem verhältnismäßig kleine Basiswiderstand fürher aus geht und der mit dem größeren 10s länger schaltet. Da der allerdings über einen größeren Basiswiderstand den transistor ansteuert wird das Licht (sozusagen als ,,Warnhinweis'' ein bisschen, aber merklich dunkler. Ich hatte den 100K erstmal genommen weil ich mir nicht sicher war hoch ich damit gehen kann. danke für den tipp mit den trimmern an den Basen der Transistoren, ich denke ich werde mir da evlt 470K Potis besorgen oder welche die bis 1M Ohm gehen wobei das wahrscheinlich schon zu groß wäre, aber das muss man einfach mal ausprobieren wie das alles real aussieht. Ich werde die aber mal kurz auf die nächste reichelt-liste setzen. Zu den PIR Sensoren, also ich hab einfach mal den schaltplan von den modulen angehängt. Da dürfte ich keine Probleme kriegen durch die Kondensatoren oder? Weil der High Pegel wird ja durch einen 3,3V SPannungsregler konstant aufbereitet.
okay danke für den hinweis, dann werde ich es mit nem widerstand machen. ist auch billiger und weniger aufwand. von daher :) jaa ein unterspannungs bzw tiefentladeschutz wäre sicher gut, hast du da evtl ne idee bzw nen guten schaltplan den du empfehlen könntest? ALso ich hatte noch ne andere idee das ich anstelle der drahtverbindeung hinter dem step up wandler anstelle der dioden und der verbindung ein relais einbaue das im ruhezustand den 12V wandler mit dem rest der schaltung verbindet und im angezogenen zustand die 12V leitung mit dem rest der schaltung. da könnte ich mir auch die dioden sparen. Wobei der step up wandler kann doch eig nichts ausgleichen wenn das netzgerät an ist oder? weil solange das NT an ist ist dass relais angezogen und verbindet die akkus mit dem NT und erst sobald das Netzteil aus geht werden die akkus mit dem eingang des step up wandlers verbunden. oder ahbe ich da ein denkfehler drin? Jaa bei der spannnung muss ich mal rumprobieren, wenn ich das mit nem relais mache kann ich den step up wandler ja im prinzip auch auf 12V einstellen oder? Nee ich bin noch nicht beim löten :D das wollte ich nachher machen, ich bin auch noch unschlüssig ob ich die schaltung auf eine platine löte und die fotowiderstände dann über lange kabel an der richtigen stelle platziere oder ob ich die schaltung auf mehrere platinen aufteile und zB die dämmerungassensoren direkt inclusive der beschaltung am ort wo auch der fotowiderstzand ist platziere. muss ich mal gucken wie ich das mache :)
Malte S. schrieb: > Ich hatte ltspice letztens mal ausprobiert und war ehrlich gesagt daran > ziemlich verzfeifelt :D ich habe irgendwie die bauteile die ich immer > brauchte nie gefunden, aber ich denke mal da werde ich mich nochmal > ransetzen müssen. Danke auf jeden fall für die Mühe, das du dich > rangesetzt hast und eine simulation der schaltung gemacht hast :) Bauteile sind tatsächlich das Problem in Ltspice - die mitgelieferten Bibliotheken umfassen fast nur Bauteile von Linear Techn. - wen wundert's. Aber für Deine Schaltung reicht es, ähnliche Transistoren und ähnliche OpAmps auszuwählen. Wenn Du das partout nicht willst, so kannst Du auch entsprechende Modelle importieren - der Link, den ich Dir oben dazu gegeben hatte, zeigt, wie's geht. > Zu den PIR Sensoren, also ich hab einfach mal den schaltplan von den > modulen angehängt. Da dürfte ich keine Probleme kriegen durch die > Kondensatoren oder? Weil der High Pegel wird ja durch einen 3,3V > SPannungsregler konstant aufbereitet. Leider fehlte Dein Anhang. Aber prüfe einfach selber im Schaltplan nach, ob die von Dir erwähnten Spannungsregler fü rden High Pegel kurzschlußfest sind, oder nicht. > jaa ein unterspannungs bzw tiefentladeschutz wäre sicher gut, hast du > da evtl ne idee bzw nen guten schaltplan den du empfehlen könntest? Irgendwas mit einem TL431 oder anderen IC's. Oder Du nimmst die Unterspannungsabschaltung aus meinem Thread, der gerade läuft: Beitrag "Re: Projekt Maus" Das Dingen ist allerdings - auch wenn's super simpel aussieht - ziemlich tricky zum Verstehen und nur mit einem Zusatztransistor für Dich geeignet, weil die Auslösung in der dort gezeigten Form sehr laststromabhängig ist. > Wobei der step up wandler kann doch eig nichts ausgleichen wenn > das netzgerät an ist oder? weil solange das NT an ist ist dass > relais angezogen und verbindet die akkus mit dem NT und erst sobald > das Netzteil aus geht werden die akkus mit dem eingang des step > up wandlers verbunden. oder ahbe ich da ein denkfehler drin? Nein, ich hatte das Relais nicht berücksichtigt. Wobei: wenn der Trick mit der Diode funktioniert, brauchst Du das Relais nicht. Du mußt nur zusehen, daß die Wandlerspannung unter derjenigen Deines Trafos liegt (immer - auch wenn der Trafo unter Last ist). Viele Grüße Igel1
Ach ja: bestell' direkt ein IC dazu, mit dem Du Dir ein (oder besser direkt 2) regelbare Netzteile zusammenbauen kannst. Nimm aber keinen LM317 - der ist veraltet. Es gibt inzwischen Besseres. Guckst Du z.B. hier: https://www.mikrocontroller.net/articles/Standardbauelemente#Schaltregler (oder einen Abschnitt darüber). Viele Grüße Igel1
Hi Malte, was ist inzwischen aus Deinem Projekt geworden? Welchen Lösungsweg hast Du gewählt? Viele Grüße Igel1
Also der schaltplan ist fertig :) ich habe die ganze geschichte jett allerdings als 5V System konzipiert. Der Grund hierfür war das ich beim nachrechnen des Wirkungsgrad mit Step Up mindestens einen Wandler mit über 85% bräuchte was mit dem MC34063 nicht machbar ist. Ansonsten wäre die Variante das alle LEDs mit einer eigenen Linearen KSQ parallel betrieben werden die effizientere. Hat auch den Vorteil das der Strom der Strom sich bei sinkender Akkuspannung nicht erhöht wie das bei dem Step Up der Fall wäre. Was noch nicht drinne ist ist eine unterspannungsabschaltung. Wollte ich mit einem Schmitt Trigger machen. Die ganze geschichte wäre auch schon fertig wenn ich gewusst hätte das die formel für die linearen KSQ müll ist. Oder ich habe transistoren an denen mehr als 0,7V auf der BE STrecke abfallen ka :D ich hatte 36,5 Ohm gekauf und die sind irwie halt zu groß und conrad pro 30 Ohm widerstand 12 cent in den hintern zu schieben habe ich nicht eingesehen. Deswegen kommen die in der nächsten reichelt bestellung :D
Hi Malte, schön, daß Du Deinen aktuellen Stand hier nochmals gepostet hast. Ein paar Ideen hätte ich ggf. noch zu Deiner Schaltung: - Evtl. willst Du Deinen Akkupack so "Umverschalten", daß er seine Spannung und seinen Strom in die Primärseite des Reglers (welchen nimmst Du?) einspeist. Dann hast Du allzeit 5V in Deiner Schaltung und kannst alle LED- Konstantstromschaltungen (... und das sind viel) durch einen LED-Vorwiderstand ersetzen. - Ich nehme einmal an, Du hast die meist üblichen Kondensatoren vor und hinter dem 12nach5V-Wandler lediglich aus Übersichtsgründen weggelassen? - Schau mal, ob Du den NE555 durch LM556CN ersetzen möchtest. Ansonsten bin ich gespannt, wie sich Deine Schaltung weiter entwickeln wird. Viele Grüße Igel1 PS: Du zeichnest immer noch mit Paint? Das ist tapfer ... But it's up to you ...
Hallo Malte, ich sehe gerade, daß die Ausgänge Deiner Operationsverstärker und der Ausgang des NE555 am Eingang des AND-Gatters zusammengeführt werden. Ich glaube, das ist nicht so günstig: Stell Dir vor, Dein PIR oder Dein LM358 (... ich vermute mal, die grüne Leitung ist eine "Alternativleitung" ...) ziehen ihren Ausgang auf "High" (=5V) und Dein NE555 schaltet seinen Ausgang auf "Low" (=0V). Dann schließt der NE555 quasi den Ausgang Deines LM358 nach Masse kurz. Außerdem noch eine kleine Anregung: wenn Du die einzelnen Funktionsblöcke in Deiner Schaltung mit kleinen Überschriften versiehst und die unterschiedlichen LED's ebenfalls mit Überschriften, dann fällt es mir und anderen Lesern etwas leichter, sich in die Schaltung einzu- denken. Absolute Spitzenklasse, wäre ein Signaldiagramm, in dem Du mal alle Eingangssignale aufführst (Tageslicht (an/aus), Trafostatus (an/aus), PIR (an/aus)) und alle wichtigen LED-Spannungen (samt Zeitverzögerung) aufführst. Das würde enorm helfen, meinen Knoten im Kopf zu lösen :-) Ja, Du hast Recht: tsssss - Wünsche haben die Leute hier :-) Viele Grüße Igel1
Hey das mit dem NE 555 hatte ich irwie übersehen, ich werd das einfach mit ner diode lösen oder ein widerstand müsste eig auch gehen denke ich so 5 K müssten in ordnung sein oder? zu der verschaltung der akkus vor den step down: naja ich würde ja den gewünschten effekt nicht erzielen, weil der regler ist ja ein step down regler, der kann ja die spannung nicht erhöhen, von daher würde es keinen vorteil bringen, weil wenn die akkuspannung unter 5V fällt (weshalb ich halt KSQs benutze) fällt auch die spannung hinter dem regler, falls der da überhaupt noch vernünftig arbeitet oder? es handelt sich ja um keinen step up Ich habe sogar ein signaldiagramm, ich hänge es einfach mal an :) ich habe mal ne andere frage, wie verhält es sich bei optokopplern ohne basis anschluss bei frequenzen im bereich um die 5-10KHz. kriege ich da ohne einen basis emitterwiderstand probleme oder gänge das noch? weil ansonsten müsste ich anstelle eine LTV 821 einen 4N25 oder so nehmen der halt größer ist
Malte S. schrieb: > Hey > das mit dem NE 555 hatte ich irwie übersehen, ich werd das einfach mit > ner diode lösen hört sich gut an > oder ein widerstand müsste eig auch gehen denke ich so 5 > K müssten in ordnung sein oder? Kommt auf die Technik an, in der Du das AND-Gatter ausführst. > zu der verschaltung der akkus vor den step down: naja ich würde ja den > gewünschten effekt nicht erzielen, weil der regler ist ja ein step down > regler, der kann ja die spannung nicht erhöhen, von daher würde es > keinen vorteil bringen, weil wenn die akkuspannung unter 5V fällt Ah so - mir war nicht ganz klar, daß Du Deine Schaltung noch immer mit 4 Akkus auslegen willst. Die Anzahl auf Deinem Bild stimmt also mit der geplanten Anzahl überein - okay. > (weshalb ich halt KSQs benutze) fällt auch die spannung hinter dem > regler, falls der da überhaupt noch vernünftig arbeitet oder? es handelt > sich ja um keinen step up Ja, stimmt. Aber die ganzen KSQ zusammenzulöten, wären mir doch etwas zu viel des Guten. Vielleicht solltest Du doch auf 6-8 Zellen erhöhen. Eine Idee wäre z.B., die 6 Zellen im Ladebetrieb als 2x3 Zellen parallel zu schalten, während Du sie im Entladebetrieb parallel schaltest. > Ich habe sogar ein signaldiagramm, ich hänge es einfach mal an :) Ich bin entweder zu phantasielos, oder zu müde, aber ich verstehe Dein Diagramm nicht. Es ist nicht ganz das, was man sich wünscht, um die gewünschten Signalabläufe zu verstehen. Bitte google einmal nach "Signaldiagramm", dann weißt Du, was ich meine. > ich habe mal ne andere frage, wie verhält es sich bei optokopplern ohne > basis anschluss bei frequenzen im bereich um die 5-10KHz. kriege ich da > ohne einen basis emitterwiderstand probleme oder gänge das noch? weil > ansonsten müsste ich anstelle eine LTV 821 einen 4N25 oder so nehmen der > halt größer ist Hmmm - wenn ich das Datenblatt des LTV821 richtig lese, so sollten 5-10kHz locker drin sein, wenn man ihn nur hinreichend auf der Transistorseite belastet. Ach ja: ich hatte vergessen, Dich auf einen Umstand hinzuweisen: durch die massive parallelschaltung der ehemals seriell geschalteten Dioden erhöht sich Dein Strom um den Faktor 3. Während Du oben mit der Batterieladung noch gut über die Runden gekommen bist, könnte das in Deiner letzten Schaltungen knapp werden - das solltest Du im Auge behalten. Viele Grüße Igel1
@Malte S.: Was macht die Beleuchtung? Der Herbst naht mit großen Schritten und es wird schon wieder deutlich früher dunkel ... Viele Grüße Igel1
Hallo ^^ älso die ist seit 2 monaten provisorisch nur mit einem bewegungsmelder in betrieb :D hatte bis ende august prüfungen und joa hab jetzt erst wieder zeit mich damit zu befassen :) problem ist das ich seit monaten die reichelt bestellung vor mir herschiebe um möglichst viel zu bestellen damit sich der versand lohnt. :D mir fehlen für die konstantstromquellen 30 Ohm Widerstände aber ich werde das demnächst mal erledigen. Ich hätte allerdings mal ne allgemeine frage.. Ich habe PWM bishher immer mit nem NE555/NE556 gemacht, welche allerdings noch (wie ich finde) relativ viel zusatzbeschaltung brauchen. Gibt es zum NE 555 abgesehen von microcontrollern empfehlenswerte alternativen, zB stromgesteuerte PWM ICs die mit wenig zusatzbeschaltung auskommen? Bzw kann mir jemand da ein bestimmtes empfehlen? am besten ICs wo mehrere drin sind
Hi Malte, schön, mal wieder etwas von Dir zu hören. Ich hoffe, Du hast Deine Klausuren gut überstanden. Als Alternativen vom NE555/NE556 habe ich das IC hier gefunden: TL494 - gibt's bei Reichelt für 0,29 EUR. So ganz ohne Beschaltung kommt allerdings auch diese IC nicht aus. Wenn Du wirklich X PWM-Kanäle benötigst, so ist in der Tat ein Mikrocontroller die günstigste Alternative - auch in Punkto Beschaltung. Viele Grüße Igel1
Beitrag #5308799 wurde von einem Moderator gelöscht.
Beitrag #5308808 wurde von einem Moderator gelöscht.
Beitrag #5308811 wurde von einem Moderator gelöscht.
Beitrag #5308861 wurde von einem Moderator gelöscht.
Beitrag #5308868 wurde von einem Moderator gelöscht.
Beitrag #5309435 wurde von einem Moderator gelöscht.
Bitte melde dich an um einen Beitrag zu schreiben. Anmeldung ist kostenlos und dauert nur eine Minute.
Bestehender Account
Schon ein Account bei Google/GoogleMail? Keine Anmeldung erforderlich!
Mit Google-Account einloggen
Mit Google-Account einloggen
Noch kein Account? Hier anmelden.













