> wird das Chassis mit Bauteilanordnungen, Netzteil und Endstufe gebaut. Damit würde ich anfangen. Für alle anderen Teile wird sowieso die Stromversorgung benötigt. > Alle weiteren Baugruppen werden erst mal auf einen Testbrett aufgebaut. Gute Idee! Dann zum Aufwärmen ein Audion, welches möglichst zwei Bereiche empfangen kann: 3,5-11 MHz (inclusive 10,7 MHz) und 450-1650 kHz (incl. 455 kHz) Das Audion kann vorerst den komletten ZF-Verstärker ersetzen. Dann den VFO und den Mischer. Selbst ohne HF-Vorstufe sollten schon Sender hörbar sein. > Ich fange mit einem Prüfsender für SSB an Meinst Du den BFO? Ansonsten haben Wobbler in der Regel einen Markengenerator, der meist ab ca. 5 MHz aufwärts auch einzeln als Meßsender benutzt werden kann. Gruß, Bernd
B e r n d W. schrieb: >> Ich fange mit einem Prüfsender für SSB an > > Meinst Du den BFO? Einen richtigen SSB Modulator wo ich oberes oder unteres Band wegschalten kann. Gruß Frank
> Einen richtigen SSB Modulator
Einen Exciter mit Aufwärtsmischer?
Eine ECH81 als Oszillator und Modulator, ein Quarzfilter, eine weitere
Röhre als Puffer und noch eine ECH81 als Aufwärtsmischer mit
nachfolgendem Spiegelfrequenzfilter, um das Signal auf die gewünschte
Frequenz zu bringen.
Das ist unnötig und aufwändig und nicht dein Ernst, oder doch? Bis das
läuft, ist Weihnachten. SSB-Signale bekommt man kostenlos von der
Antenne.
Ein HF-Generator sollte ein sauberes HF-Signal liefern mit bekannter
Frequenz und Amplitude. Dazu kann man ihn, falls nötig, mit einem
Frequenzzähler und mit einem Oszilloskop kombinieren.
B e r n d W. schrieb: > Das ist unnötig und aufwändig und nicht dein Ernst, oder doch? Nix für ungut Bernd, aber du scheinst einer der Letzten zu sein, dir Frank mit seinen Wolkenkuckucksplänen noch ernst zu nehmen scheint. Im Nachbarthread mit der Langdrahtantenne schnallt man auch schon, dass es sich um einen Clown handelt.
B e r n d W. schrieb: >> Alle weiteren Baugruppen werden erst mal auf einen Testbrett aufgebaut. > > Gute Idee! Aber wie du schon schriebest, wird die EF183 etwas anderes liefern, als was Frank Wa bestellt hat.
Hallo Frank
> etwas anderes liefern, als was Frank Wa bestellt hat.
Such Dir ein Programm, um Schaltpläne zu zeichnen wie Eagle, Kicad,
Tiny-Cad oder LTspice. Oder mach Handskizzen und knipse sie. Ich
verwende LTspice. Teile der Schaltung, wie das Vorfilter, können dann
auch gleich simuliert werden.
Irgendwas solltes Du jetzt liefern, sonst wirds unglaubwürdig.
Gruß,
Bernd
B e r n d W. schrieb: > Such Dir ein Programm, um Schaltpläne zu zeichnen wie Eagle, Kicad, Eagle und Target3000 habe ich auf dem Rechner installiert. Momentan fehlen mir viele Filter als Bibliothek. Ich werde einfach mal zeichnen. Gru0 Frank
Frank W. schrieb: > fehlen mir viele Filter als Bibliothek > bei eagle habe ich viele Bauteile gefunden Hoffentlich findest Du auch jemanden, der hochspannungsfeste Filter u.a. Teile für Röhrengeräte besorgen kann, ohne daß dein Budget gesprengt wird. Wg. hoher Kosten ist schon mancher gescheitert (oder vernünftig geworden). Es gibt ja noch die Alternative, ein Fertiggerät zu kaufen und für den Langdraht aus den bestellten Drehkos einen Antennen-Tuner zu basteln. Den wird Du vermutl. brauchen und später nach selbst gemachten Erfahrungen auch nicht mehr vermissen wollen. LG
Rainer V. schrieb: > Hoffentlich findest Du auch jemanden, der hochspannungsfeste Filter u.a. > Teile für Röhrengeräte besorgen kann... ist alles vorhanden. Gruß Frank
Moin Frank! Ich würde Dir ja gerne mal den Schaltplan und das Handbuch eines Sommerkamp/Yaesu FRDX500 empfehlen. Beides gibt es als PDF im Web, z.B. bei Bama Boatanchor Manuals, afu-df3iq.de oder razyboard.com. Leider ist gerade der Schaltplan kaum leserlich. Das uralte Gerät ist nicht sehr kompliziert und wäre evtl. interessant wg. einiger Details. Bei Bedarf kann ich auch ein paar Daten dazu per PN schicken. LG
Rainer V. schrieb: > Ich würde Dir ja gerne mal den Schaltplan und das Handbuch eines > Sommerkamp/Yaesu FRDX500 empfehlen. http://elektrotanya.com/PREVIEWS/45612216/23432455/transceiver/yaesu/yaesu_frdx500.pdf_1.png Passt nicht zu den vorhandenen Teilen und Filtern... ...ist nicht in der EAGLE Bibliothek enthalten... ...sind viel zu viele pöse Transistoren verbaut...
Danke für die Tipps. http://www.radiomuseum.org/r/funkwe_dab_allwellenempfaengerdaben_2.html#threadTop und http://www.radiomuseum.org/r/funkwe_erf_allwellenempfaenger_erfu.html da habe ich deutsche Beschreibungen. Gruß Frank
Netzteil macht mir sorgrn. Ich habe nur zwei Radio Trafos nit je 75mA bei 250V. Wie schalte ich sie zusammen? Gruß Frank
Frank W. schrieb: > Netzteil macht mir sorgrn. > Ich habe nur zwei Radio Trafos nit je 75mA bei 250V. > wie schalte ich sie zusammen? Ich glaubs nicht?
Elektrolurch schrieb: > Ich glaubs nicht Ich schon. Das Dampfradioforum ist gerade offline. (Warum auch immer) LG OXI
Dann nehm doch einen für den NF-Verstärker und den anderen für den eigentlichen Empfänger.
B e r n d W. schrieb: > Dann nehm doch einen für den NF-Verstärker und den anderen für den > eigentlichen Empfänger. Bestimmt kommt gleich die Frage: "Hast du dafür mal nen Schaltplan?"
Elektrolurch schrieb: > Bestimmt kommt gleich die Frage: > "Hast du dafür mal nen Schaltplan?" Schaltpläne habe ich und Röhrenstufen berechnen kann ich auch. Bekanntlich gibt es mehrere Varianten um Netzteile zusammen zuschalten. Danke Bernd. Trafo 1 Vorstufe 1. Mischer 1. ZF Stufe 1 2. ZF Stufe 2 Trafo 2 2. Mischer 2. ZF Stufe 1 Demodulator Produkt-Detektor NF-Verstärker Gestern konnte ich eine HF Eingangsbaugruppe des Empfängers FGS401 billig kaufen. Gruß Frank
Die ECL81 als NF-Endstufe zieht alleine schon 35mA Ruhestrom, bei Auslastung noch etwas mehr. Dagegen kann man mit dem anderen Trafo 10 Röhren betreiben, falls jede 7 mA oder weniger verbraucht. Jedenfalls würde ich die Oszillatoren von der Endstufe trennen wollen und die Versorgung der Oszillatoren zusätzlich stabilisieren. Wenn es "vintage" sein soll, dann mit einem Glimmstabi.
von den Daten bin ich ausgegangen: Typ was Strom EF183 Vorstufe 16,5 ECH81 1. Mischer 14,6 EF183 1. ZF Stufe 1 16,5 EF183 2. ZF Stufe 2 16,5 ECH81 2. Mischer 14,6 EF183 2. ZF Stufe 1 16,5 EAA91 Demodulator ECH81 Produkt-Detektor 14,6 ECL81 NF-Verstärker 30,5 Die Daten sind aus Datenblättern entnommen. Das Netzteil sollte Reserven haben.
Hallo, eins muß ich mal sagen. So ein Röhrenprojekt Empfänger bis 30MHz ist sehr komplex. Ich bedanke mich bei Bernd und andere User die mir wirklich helfen. Gastuser die nur mich als Troll hinstellen, ignoriere ich und deren Antworten. Gruß Frank
Frank W. schrieb:
> Gastuser die nur mich als Troll hinstellen, ignoriere ich
Besonders dieser Elektrolurch, verkrümelt sich den ganzen Tag hinter der
Lüsterklemme im Sicherungskasten, doch kaum hat er sich hervorgewagt,
riskiert er auch schon eine große Klappe ;-)
Rainer V. schrieb: > Besonders dieser Elektrolurch, verkrümelt sich den ganzen Tag hinter der > Lüsterklemme im Sicherungskasten, doch kaum hat er sich hervorgewagt, > riskiert er auch schon eine große Klappe ;-) Frank und Rainer, ich verspreche Euch hoch und heilig, wenn ich den Super-Duper-Röhren Empfänger irgendwann mal livehaftig in all seiner Pracht gewahr werde, leiste ich zerknirscht Abbitte für mein große Klappe und streue Asche über mein Haupt. Großes Indianerehrenwort!
Elektrolurch schrieb:
> streue Asche über mein Haupt
Vergiß es! Das Projekt nimmt momentan einen Verlauf wie beim Bau des
Kölner Doms an. Vor dem Ende bist Du selbst längst zu Asche geworden.
Nun gibt sich Frank ja viel Mühe. Allerdings, wenn das tatsächlich ein
High-End-Gerät werden soll, damit sich der Aufwand auch lohnt, dann ist
das etwas für Profis mit den nötigen Messgeräten, Werkzeugen, Bauteilen
usw. Es funktioniert einfach nicht, anhand eines Schaltplans alles so
zusammenzuzimmern, wie Bauteile am Besten auf das Chassis oder Schalter
und Potis auf die Frontplatte passen.
Warum unbedingt ein Röhrengerät? Wenn man überlegt, wieviel Energie da
verbraten wird, ohne daß sich dadurch die eigentliche Gerätefunktion
verbessert... Zugegeben, mein alter, analoger FRDX500 empfängt noch so
einiges klar und deutlich (wenn auch leise), was bei dem Magnavox mit
PLL-System im Prasseln, Rauschen und Eigenrauschen untergeht.
Das sind aber auch brauchbare Fertiggeräte. Ich kümmere mich lieber um
eine Indoor-Antenne für beengte Verhältnisse, da habe ich genug zu tun.
Es wurden hier von alten Funkhasen sehr gute Tipps zum Prinzip gegeben, aber durch die Blume auch, was vom Projekt insgesamt zu halten ist. Ich glaube einfach nicht, das alte Funker, die mal ein 0-V-1 mit Röhren erfolgreich gemacht haben, so einen Empfänger in Röhrentechnik gebaut haben. Die das drauf hatten, sind höchstenfalls noch im Pflegeheim zu finden. Die Zeit war damals einfach vorbei, es wurden Transistoren genommen. Frank, sei realistisch und besorge dir so einen Emfänger. Da wirst du genug zu tun haben, den wieder richtig instand zu setzen. Du hast zu wenig Grundkenntnisse und wirst an Kleinigkeiten scheitern. - Du brauchst ein Meßgerät für die Feldstärke. Die Funker sagen S-Meter dazu. Entweder ein Magisches Auge oder Meßgerät. - Die ECL81 ist sehr ungeeignet wegen der gemeinsamen Kathode. Es gibt bessere. Vor allem brauchst du wesentlich weniger NF-Leistung. - Die Anodenleistung eines Trafos wird reichen. In der Praxis werden deine Röhren mit weniger Anodenstrom auskommen. Die ECH81 steht bei mir auch nur mit 11mA max. im Datenblatt. Mach dir lieber mehr Sorgen um die Heizleistung. Ein paar Kenntnisse mit Röhren habe ich. Solche Geräte reparieren mache ich oder einen 0-V-1 zu bauen habe ich noch vor. Aber schon einen LMK-Runfunksuper selbst zu erstellen trau ich mir nicht zu. Schön ist es, wenn man Träume hat. Aber man muß mal aufwachen.
Hallo Michael > Die das drauf hatten, sind höchstenfalls noch im Pflegeheim zu finden Das gibt es schon noch: https://www.youtube.com/watch?v=pbtucOys2u4 Der macht allerdings seine Bandumschaltung mit Steckspulen. Die Bandumschalterei ist bei so einem Gerät nicht ganz trivial. Jede Spule, jedes umzuschaltende Modul sollte so dicht als möglich beim Bandschalter positioniert werden. Ohne Übersprechen geht das am einfachsten mit einzelnen Schalterebenen und einer langen Achse. Das Gerät wird eine mechanische Herausforderung, bei der die Position jedes Moduls und jedes Bedienelements gut überlegt sein muss. Projekte müssen nicht so umfangreich sein, es geht auch kleiner. Der hier funkt z.B. mit einfachsten Mitteln: https://www.youtube.com/watch?v=wB2RrzIRVes Warum bauen sich Leute überhaupt etwas selber, die meisten Dinge gibt es zu kaufen. Mich interessiert, wie sich so ein Gerät damals angefühlt hat und wie leistungsfähig es war. So mancher bekommt wieder Lust, etwas mit Röhren zu bauen. Für andere ist der Weg das Ziel, man lernt auf jeden Fall etwas dazu. Lass uns einfach schauen, wie weit Frank kommt. Im schlimmsten Fall entsteht aus seinem Chassis eine Experimentierplattform. @Frank Immer erst die linke Hand in die Hosentasche, dann einschalten! Gruß, Bernd
B e r n d W. schrieb: > man lernt auf jeden Fall etwas dazu. Zum Beispiel die Erkenntnis, dass es vernünftiger ist, Ziele zu setzen, die man auch erreichen kann.
> Ich glaube einfach nicht, das alte Funker, die mal ein 0-V-1 mit Röhren > erfolgreich gemacht haben, so einen Empfänger in Röhrentechnik gebaut > haben. > Die das drauf hatten, sind höchstenfalls noch im Pflegeheim zu finden. Na, na, mal langsam - das gab's durchaus. Wir hatten damals gar keine andere Möglichkeit, da ein entsprechender kommerzieller RX/TX für die meisten unerschwinglich war. Die Bilder zeigen Überbleibsel aus dieser Zeit. Und im Pflegeheim bin z.B. ich auch noch lange nicht ;-)). Das Bauen mit Röhren erfordert allerdings eine gute Kenntnis über deren Eigenschaften und speziell ihrer Grenzen, die bei den heutigen Halbleitern völlig unbekannt sind. Allerdings ist das vorgestellte Konzept mit den EF183 und zwei Verstärkerstufen in der ersten(!) ZF ein Unding, falls die Hauptselektion nicht schon hinter der ersten Mischstufe erfolgt. Selbst wenn das Unwahrscheinliche gelingt - nämlich die sehr zickigen EF183 "still" zu bekommen - bei dem Konzept wird der RX ein Rauschgenerator und wohl dreimal so viele Signale empfangen wie wirklich vorhanden sind. Genau wie bei den heutigen Geräten gilt auch bei Röhren der Grundsatz, dass möglichst wenig Verstärkung vor der Hauptselektion erforderlich ist. So seltsam es klingen mag: die optimale Röhre für den KW-Bereich war die mittelsteile EF89 mit einem ausreichend niedrigen Rauschen, hohem Eingangswiderstand bei 30MHz (Re >40kOhm) und einer sehr "langen" Regelkennlinie (--> niedrige Intermodulation). Die ECH81 ist nur bis ca. 10MHz halbwegs brauchbar. Ab 14MHz ist Re schon kleiner als ihr Rauschwiderstand Räq von ca 80kOhm. Röhren-RX kommen selbst bei bester Auslegung bei weitem nicht an die Eigenschaften von RXen mit Halbleitern heran. Trotzdem liebe ich das Basteln mit Röhren immer noch - macht einfach Spaß. Horst
HST schrieb: > Röhren-RX kommen selbst bei bester Auslegung bei weitem nicht an die > Eigenschaften von RXen mit Halbleitern heran. Hast Du eine Erklärung für diese Behauptung? HST schrieb: > So seltsam es klingen mag: die optimale Röhre für den KW-Bereich war die > mittelsteile EF89 Ich hatte mal einen Lorenz Empfänger der war nur mit EBF80 bestückt. Dioden dann halt unbenutzt. Für >20MHz und einer kurzen Antenne würde ich aber zur EF85 raten. Beitrag "Re: Weltempfänger" michael_ schrieb: > Die ECL81 ist sehr ungeeignet wegen der gemeinsamen Kathode. Aber nur für Fachleuthe aus der Bude. ;-) Rainer V. schrieb: > Nun gibt sich Frank ja viel Mühe. Allerdings, wenn das tatsächlich ein > High-End-Gerät werden soll, damit sich der Aufwand auch lohnt, dann ist > das etwas für Profis mit den nötigen Messgeräten, Werkzeugen, Bauteilen > usw. Hat doch das Wellenkino zur Verfügung. Sollte genügen. HST schrieb: > Wir hatten damals Ich suche die den Film "Der Amateurfunker" aus der Sendereihe "Locker vom Hocker" mit Walter Giller. Da ist alles perfekt erklärt. Sogar der DARC soll gemoppert haben. LG OXI
> die optimale Röhre für den KW-Bereich war die mittelsteile EF89 Mir persönlich gefällt auch die EF85 auch besser. Sie hat die selbe Pinbelegung wie die EF183 und somit könnte man beide mal ausprobieren. Letztere kann sicher mit einer Gittervorspannung von -4..-5V heruntergedrosselt werden. Dadurch steigt auch die Eingangsimpedanz. Den einzigsten Vorteil hätte die EF183 nur in der HF-Stufe, als ZF-Verstärker könnte ebenso die EF85 verwendet werden. Bei der EF89 verläuft die Steilheitskurve (Philips Datenblatt) im logarithmischen Maßstab fast linear, das ist es vermutlich, was Horst im Bezug auf die Großsignalfestigkeit erwähnt hat. Außerdem ist die erforderliche Heizleistung deutlich geringer. Vermutlich eignen sich beide, die EF85 und die EF89, als HF-Vorverstärker. > das vorgestellte Konzept mit den EF183 und zwei > Verstärkerstufen in der ersten(!) ZF ein Unding So ähnlich hatte ich das weiter oben auch schon kommentiert. Beitrag "Re: Weltempfänger" Pegelplan Vorschlag: min max HF-Filter 10 10 dB (nur 10dB bei 30 MHz) Preamp EF85 -20 15 dB (Dämpfungsglied + AGC) 1. Mixer 6 6 dB Quarz-Filt. -6 -6 dB (Filter 1. ZF 10,7 MHz) 2. Mixer 6 6 dB Ker.-Filter -6 -6 dB (Roofing-Filter 455 kHz) 1. ZF Amp. 0 36 dB LC-Filter 2. ZF Amp. 0 36 dB LC-Filter 3. ZF Amp. 0 36 dB ----------------------- Summe -10 133 dB Die AGC soll bei ca. 1µV Eingangssignal gerade anfangen, zu regeln. Dazu könnte das Signal an der Anoder der letzten ZF-Stufe gut 3 Veff vertragen. Bei 28 MHz fängt alles schon ein wenig an, zu schwächeln, ich meine damit die nachlassende Eingangsimpedanz der Vorstufe und die Resoanzüberhöhung des Vorkreises liegt bei ca. 10dB. Schwachpunkt bleiben trotzdem die beiden ECH81, welche nicht überfahren werden dürfen.
Hallo OXI, > Hast Du eine Erklärung für diese Behauptung? Die Gründe sind recht kompliziert, ein Grund ist z.B. das hohe thermische Rauschen durch die Katodentemperatur. Dann noch durch KM+IM-Messungen. Die gab es (gibt's wohl noch) aus verschiedenen Quellen. Reine Mischermessungen unter optimalen Laborbedingungen (Collins) ergabén z.B. max. 94db bei b3=2,5kHz für eine ECC82, 92db für ECC81, 83db für 6AU6 (EF94) und 78db für 6BA7 (letztere multiplikativ). Eine ECH81 schafft max. 75db bis 10MHz und nicht mehr als 65db bei 30MHz. Dazu addieren sich dann natürlich noch die Verzerrungen durch die obligatorischen HF-Vorstufen. Die besten RX (alle übrigens mit additiver Mischung) kamen über den gesamten HF-Teil so auf 80db Dynamik. Das wurde durch schmale, abgestimmte Vorkreise (mit ca. 1,5-3% Bandbreite) zum Teil kompensiert. Nur ein RX mit der exotischen 7360 als Mischer (ohne HF-Stufe) kam auf knapp 90db. 80db Dynamik bei b3=2,5kHz schafft schon ein sauber angepasster NE612. Heutige RXe mit einem Standard-DBM schaffen rund 90db (z.B. der K2). High-Level-RXe kommen da auf >105db Dynamik. Die EBF80 (6N8) hat schlechtere Daten als die EF89. Die EF85 war zwar sehr beliebt, hat eine höhere Steilheit, niedrigeres Rauschen, aber ein kleineres Re. Dazu eine Kennlinie, die höhere Verzerrungen erzeugt, speziell im halb heruntergeregelten Zustand. Für kurze Antennen aber sicher nicht verkehrt. Die Kombination EF85/ECH81 ist übrigens alles andere als empfehlenswert. Irgendwann werde ich sogar noch mal was mit den uralten RV12P2000 bauen... MfG Horst P.S. Hat sich etwas mit Bernds letztem Beitrag überschnitten. Wer sich für die Subtilitäten des Röhrenrauschens/Anpassung/RX-Empfindlichkeit interessiert, sollte mal im Lechner von 1975 stöbern. Fachliteratur darüber (W.Kleen usw) gibt's außerdem noch zuhauf.
Sorry, vergessen: die obigen db-Werte bei den MMischermessdaten zeigen jeweils den erreichbaren Dynamikbereich.
Hallo Horst, in Deinem Beitrag stecken ja einige Infos drin, danke dafür. > mit der exotischen 7360 Das ist eine "beam deflection tube" mit zwei Anoden. Immerhin geeignet für einen single balanced Mixer. War eine der Doppeltrioden als Pullen-Mixer geschaltet? > noch mal was mit den uralten RV12P2000 Oder mit der Kopie, der russischen 12SH1L oder der EF95. > mal im Lechner von 1975 stöbern Ha, was hier nicht alles im Regal steht? Ein Kapitel über Phasenrauschen von Oszillatoren hab ich auch entdeckt. Kommando zurück, bei meinem Lechner handelt es sich leider um die Ausgabe 1985.
HST schrieb: > Dann noch durch > KM+IM-Messungen. Nur interessant für Konzepte ohne oder mit wenig Selektion. HST schrieb: > z.B. das hohe > thermische Rauschen durch die Katodentemperatur. Ja, ab 200MHz für die Vorstufe. Es gibt auch schlecht durchdachte Konzepte bei denen das eine Rolle spielen kann. Z.B. dann, wenn die Verstärkung vor einem Filter geringer als die Filterdämpfung ist. HST schrieb: > Die besten RX (alle übrigens mit additiver Mischung) Die ECH macht beides. Alles pegelabhängig. HST schrieb: > Die Kombination EF85/ECH81 > ist übrigens alles andere als empfehlenswert. Versuche es mal mit einem Spannungsteiler. Natürlich muss man den Regelunfang anpassen. Die EF89 ist auf die ECH abgestimmt worden. Das steht sogar in den Datenbüchern. HST schrieb: > Die EBF80 (6N8) hat schlechtere Daten als die EF89. Wenn für Dich eine geringere Dämpfung durch ri, weniger Steilheit und mehr Regelspannungsbedarf schlechter sind, bitte sehr. Hörte sich vorhin noch anders an. Kannst ja EBF89 reinstecken ... OXI T. schrieb: > HST schrieb: >> Röhren-RX kommen selbst bei bester Auslegung bei weitem nicht an die >> Eigenschaften von RXen mit Halbleitern heran. > > Hast Du eine Erklärung für diese Behauptung? HST schrieb: > Die Gründe sind recht kompliziert, Dein Beitrag hört sich toll an und zeigt mir, dass für Deine Konzepte bestimmte Röhren von Nachteil sind. Es gibt andere Konzepte die diese Nachteile egalisieren. Ich bleibe dabei, man kann sowohl mit Röhren als auch mit Halbleitern beste Resultate beim KW-Empfang erreichen. Und noch mehr, die Empfänger leisten mehr als die Kurzwelle bietet. Übrigens: Es zwingt Dich auch niemand Regelröhren zu verwenden. Auch nicht in der Mischstufe. Man kann auch auf anderem Wege dämpfen. Ist halt etwas aufwendiger. Im Audiobereich werden sie selten verwendet. Aufgrund ihrer "langen" Regelkennlinie werden Röhren wie die EBF und EF89 aber auch dafür ungeregelt propagiert. Die EF85 und die 183 natürlich nicht. Der einzige Empfänger bei dem Transistoren wirklich vorteilhaft sind ist der Direktmischer wegen der geringeren Mikrofonie. LG OXI OXI T. schrieb: > HST schrieb: >> Röhren-RX kommen selbst bei bester Auslegung bei weitem nicht an die >> Eigenschaften von RXen mit Halbleitern heran. > > Hast Du eine Erklärung für diese Behauptung?
OXI T. schrieb: Im Gegensatz zu deinen Aussagen, die meist nur als Allgmeinnplätze in den Raum gestellt sind, sind die Ausführungen von von HST begründet, fachlich unterfüttert und mit Verweis auf Literaturstellen belegt. Er hat Empfänger gebaut, gemessen und kann was vorweisen, bei dir hingegen viel Gebabbel und heiße Luft. Offenbar ist für einen ausgewiesenen Röhren Nostalgiker umnöglich, damit umzugehen, dass die Eigenschaften von modernen Halbleiterempfängern nach 60 Jahren Entwicklung besser sind. Es ist ja wunderbar, wenn ein Radio leuchtet und man Freude hat, alte Technik zu realisieren. Das Festhalten an der Unbesiegbarkeit von Röhrenradios ist aber verklärende Nostalgie. Wo Röhren Vorteilen haben werden sie heute noch verwendet. In Empfängern ist das offensichtlich nicht der Fall. OXI T. schrieb: Der einzige Empfänger bei dem Transistoren wirklich vorteilhaft sind ist der Direktmischer wegen der geringeren Mikrofonie. Wahrscheinlich hat das in der Industrie noch niemand gemerkt... Darum mal hier die Frage an dich: Hast Du eine Erklärung für diese Behauptung? Bitte kein Dampfgeplauder wie vorstehend, sondern nachprüfbar belegt. Grüße
B e r n d W. schrieb: >> noch mal was mit den uralten RV12P2000 > > Oder mit der Kopie, der russischen 12SH1L oder der EF95. Das kommt davon wenn man nur Datenblätter betrachtet. Die RV12P2000 ist so konstruiert, dass man Gitter und Anodenkreis in getrennten "Kästen" aufbauen kann. LG OXI
Hallo Bernd,
ich wollte das hier nicht in einen technischen Exkurs ausarten lassen.
> War eine der Doppeltrioden als Pullen-Mixer geschaltet?
Was bei den Messungen von Collins verwendet wurde, weiß ich nicht.
(siehe Lechner 1974, S.111, dortige Referenz[1]). Allerdings ist der
Pullen-Mixer auch nur eine Variante der üblichen katodengekoppelten
Triodenmixer (z.B. Lechner, S.95). Die Wunderdinge, die darüber erzählt
werden, sind nicht nachvollziehbar (und wurden von Pullen in seinem
Artikel auch nie behauptet). Es ist und bleibt eine additive Mischung,
eben an einer gekrümmten Kennlinie. Der höhere Dynamikbereich der
Triodenmixer beruht auf dem deutlich geringeren Rauschpegel gegenüber
den Mehrgitterröhren (Ausnahme: ECC82, geringe Steilheit, sehr lange
Kennlinie -->hohe Aussteuerfähigkeit).
In meinem alten RX ist der erste Mixer eine steile Pentode EF91 (6AM6),
da ich eine hohe Ausgangsimpedanz brauchte.
Meine P2000 sind noch WM-Originale (mit den Fassungen). Alle mit Funke
W19 durchgemessen; die sind einfach nicht kaputt zu kriegen. Die EF95
ist eine super Röhre, aber "viel zu modern" und auch nicht vergleichbar
(G3 ist mit K verbunden). Hab' davon auch ca. 20St. herumliegen
(6AK5WA).
@ OXI: ich glaube nicht, dass es sinnvoll ist, auf dieser Basis weiter
zu diskutieren, zumal es den Thread sprengt.
MfG, Horst
P.S. Bernd, so ein Mist mit dem Lechner, dann sind die o.g. Angaben
natürlich wertlos. Schade, dass der Reprint nicht für die Ausgabe 1975
erfolgte.
Hallo,
bleibt mal friedlich und keinen Streit danke.
Danke für die Hinweise.
Der beste HF Verstärker ist und bleibt die Antenne und HF Erde.
Die ECL81 bleibt.
Wenn das HF Teil von der FGS 401, Typ 1340.21 RFT FW Köpenick
Angekommen ist ändert sich noch einiges.
EF183 kann ich durch EBF89 ersetzten, ich habe reichlich auf Lager.
Gruß Frank
P.S.
> Lechner 1974, S.111
Wie heißt das Buch vollständig?
Frank W. schrieb: > Wie heißt das Buch vollständig? Das heißt einfach "Kurzwellenempfänger" von Detlef Lechner Es gibt auch ein Buch "Kurzwellensender". Das hat er mit einem Kollegen gemeinsam geschrieben (dessen Name weiß ich jetzt nicht mehr).
npn schrieb: > Das heißt einfach "Kurzwellenempfänger" von Detlef Lechner > Es gibt auch ein Buch "Kurzwellensender". Peinlich ich habe beide Bücher als PDF Datei. "Kurzwellenempfänger" von Detlef Lechner ist von 1975. Gruß Frank
Na um so besser :-) Ja, den eigentlichen Titel hat auch meist keiner gesagt, das war einfach "Der Lechner" und fertig. Wie bei so vielen anderen auch (Rothammel z.B.)
HST schrieb: > Es ist und bleibt eine additive Mischung, > eben an einer gekrümmten Kennlinie. Die interessante Frage ist wie man additive und multiplikative Mischung definiert. Von der mathematischen Seite ist das klar. Aber welche Rechnung auf die Schaltung zutrifft ist nicht ganz klar. Manche Buchautoren machen das davon abhängig ob LO und HF auf die gleiche Elektrode geführt werden. Viele durch diese Definition als multiplikativ bezeichneten Mischschaltungen lassen sich aber auf die Steuerung an einer Elektrode zurückführen und sind so nicht definierbar. Meine Definition ist die: Mischer in class A Betrieb = Multiplikative Mischung =Modulation der Steilheit (damit einhergehend der Verstärkung) Mischer in class B (eintakt), C =additive Mischung =Schaltbetrieb So lassen sich alle Mischer korrekt einsortieren. Man kann das auch am Spektrum erkennen. Bei der Multiplikativen Mischung haben die erwünschten Mischprodukte einen höheren Fremdspannungsabstand zu den unerwünschten Mischprodukten. Vorteil "Hexode": Bei multiplikativer Mischung treten weniger Verzerrungen im Nutzsignal auf. LG OXI
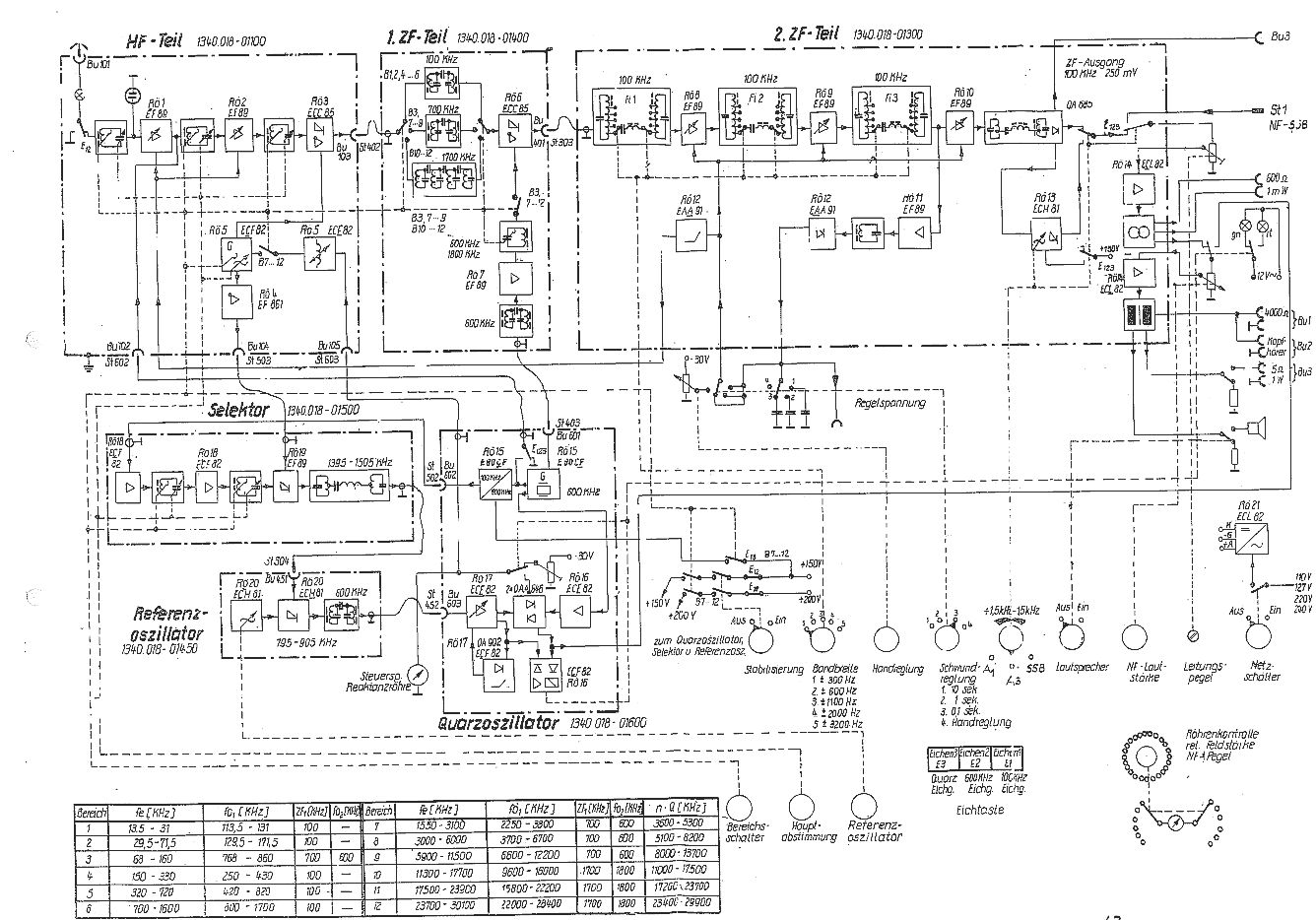
Hallo Frank Schon eine Idee, wie die Trommel integriert werden kann? Da sitzen fünf Röhren drauf, sind die für Vorkreis, Mischer und Oszillator? Der Drehkondensator (dreifach?) muss mit möglichst kurzen Leitungen angeschlossen werden. Gruß, Bernd
noch kein Idee ich bekomme das Teil in drei Wochen. Schaltplan suche ich auch noch. Röhrenbestückung EF89,EF89,ECC85,EF861 und ECF82. Bilder hier: http://www.radiomuseum.org/r/funkwe_koe_betriebsempfaenger_134021.html Hauptsache das der Drehko im HF Teil eingebaut ist. Ansonsten wird das eine Großbaustelle. Eventuell bekomme ich am Wochenende mehr Infos zu dem Empfänger. Gruß Frank
B e r n d W. schrieb: > Schon eine Idee, wie die Trommel integriert werden kann? Da sitzen fünf > Röhren drauf, sind die für Vorkreis, Mischer und Oszillator? Der > Drehkondensator (dreifach?) muss mit möglichst kurzen Leitungen > angeschlossen werden. Das HF-Frontend Teil stammt aus dem Boatanchor FGS 401Typ 1340.21 von RFT Funkwerk Köpenick. Wurde als Seefunk und KW-Flugfunkempfänger eingesetzt. http://www.seefunknetz.de/1340.htm http://www.qsl.net/dk3wi/Betriebsempfaenger.html In des HF-Teil gehen zig unterschiedliche Spannungen, Schaltsignale und diverse interkative Verbindungen zu einem aufwändigen Oszillator und zu anderen Baugruppen rein. Das Ding standalone in Betrieb zu nehmen ist aufwändiger als ein Neubau.
Gerald M. schrieb: > In des HF-Teil gehen zig unterschiedliche Spannungen, Schaltsignale und > diverse interkative Verbindungen zu einem aufwändigen Oszillator und zu > anderen Baugruppen rein. Das Ding standalone in Betrieb zu nehmen ist > aufwändiger als ein Neubau. Danke Gerald. Mir geht es in erster Linie um die Trommel mit den Filtern. Gruß Frank
Pläne habe ich heute bekommen danke. Es sieht so aus als das der Drehko im HF Teil ist. Gruß Frank
Gerald M. schrieb: > Das HF-Frontend Teil stammt aus dem Boatanchor FGS 401Typ 1340.21 von > RFT Funkwerk Köpenick. Wurde als Seefunk und KW-Flugfunkempfänger > eingesetzt. Nun ist das Teil angekommen. Zwei Relais und Röhren fehlen. Sehr stabil ist die Trommel. Gruß Frank
Hallo Frank, nimm mal das obige Blockschaltbild und zeichne eine rote Linie um die Teile, die Du bekommen hast. Gruß, Bernd
anbei der Plan. Zwei Chassis vom RT67 habe ich auch. Projekt wächst langsam. Gruß Frank
Hallo Frank
Falls ich das richtig beurteile, ist zum Glück der VFO und der
Drehkondensator enthalten. Wenn man auf die VFO-Stabilisierung vorerst
verzichtet, könnte das Teil in Betrieb genommen werden.
Legende
~~~~~~~
AGC vorerst auf GND
Marker vorerst beide Anschlüsse offen lassen
Antennen-Relais muss vermutlich mit Spannung versorgt werden,
da sonst die Antenne auf GND liegt
Heizung 6,3V anschließen
+200V anschließen
+150V stabilisieren, evtl. aus den +200V erzeugen mit
Glimmstabilisator, jedoch zuerst Stromaufnahme messen
Ausgang VFO vorerst nicht anschließen
Eingang Reaktanz vorerst auf GND legen
ZF-Ausgang Der Schirm führt 200V, die ZF-Koppelwicklung muss diese
200V zur Mischerröhre zurückführen
Je nach Empfangsfrequenz erscheint eine ZF von 100 kHz, 700 kHz oder
1700 kHz am Ausgang. Wäre ein Empfänger vorhanden, der diese 3
Frequenzen zu empfangen vermag, müssten nur die Röhren eingstöpselt
werden und man könnte dem Teil möglicherweise recht flott ein
Lebenszeichen entlocken. Bei so einem Gerät sollte man immer mit einem
fehlerhaften Bauteil rechnen, aber das sind die Herausforderungen, die
es erst interessant machen.
Gruß, Bernd
B e r n d W. schrieb: > Wenn man auf die VFO-Stabilisierung vorerst > verzichtet, könnte das Teil in Betrieb genommen werden. Ein paar Jahre Zeit musst du Frank dafür schon geben. Derzeit gibt es Wichtigeres zu tun. Antennenforschung betreiben, Draht für die "Langdraht" Antenne beschaffen, Isolatoren raussuchen. Im Gartenmarkt einige Säcke HF-Erde besorgen. Außerdem braucht es Zeit, die ganzen Antworten in den diversen anderen Foren, in denen Frank seine Fragen platziert hat, zu verstehen. Frank, was ist eigentliich aus dem UKW-Röhrenradio geworden, das du im Dampfradioforum vor etwa einem Jahr in ähnlicher Weise intensiv in Angriff genommen hast? Die Holzkiste als Chassis mit den Löchern für die Röhrenfassungen war ja fertig.
Hallo, den Beitrag Max Well (Gast) kannst Du Dir sparen. Das HF Modul bereitet mir noch Probleme. Relais, Steckerleiste fehlen noch. Gruß Frank
Hallo, kurze Info. Ich bin bei dem Wechsel der Kondensatoren. Ausmessen gibt es noch Probleme, deswegen ein neues Thema hier im Forum. Kleiner Fehler habe ich entdeckt bei dem auskoppeln der ZF, hier fehlt die Anodenspannung für die Röhre. Gruß Frank
Hallo, das Projekt lebt noch. Nach gesundheitlichen Problemen geht es weiter. Die Bundesnetzagentur hat mich für HF tauglich erklärt Rufzeichen DL9FW. Nun baue ich die Antennen auf. Das fehlende Relais von meinen HF Block habe ich auch gefunden. Anfang nächstes Jahr werde ich spätestens den Empfänger aufbauen. Gruß Frank
>Die Bundesnetzagentur hat mich für HF tauglich erklärt Rufzeichen DL9FW.
Dann gratuliere ich erst mal recht herzlich zur bestandenen Prüfung.
Freundliche Grüße,
Bernd
PS
Wir hatten schon befürchtet, die Spannungen waren zu hoch.
Deshalb der Sicherheit wegen: Immer die linke Hand in der Hosentasche!
Frank W. schrieb: > Die Bundesnetzagentur hat mich für HF tauglich erklärt Rufzeichen DL9FW. Na irgendwie passt der Name des Rufzeicheninhabers aber gar nicht zu Deinem.
OXI T. schrieb: > Na irgendwie passt der Name des Rufzeicheninhabers aber gar nicht zu > Deinem. Wie kommst du darauf? Das passt sogar sehr genau. Und überdies passt er sogar zum Rufzeichen :-)
Ham schrieb: > OXI T. schrieb: >> Na irgendwie passt der Name des Rufzeicheninhabers aber gar nicht zu >> Deinem. > > Wie kommst du darauf? > Das passt sogar sehr genau. Und überdies passt er sogar zum Rufzeichen > :-) Entschuldigung, hatte 8 statt 9 eingetippt. Glückwunsch zur bestandenen Prüfung.
Frank W. schrieb: > Nun baue ich die Antennen auf. > Das fehlende Relais von meinen HF Block habe ich auch gefunden. > Anfang nächstes Jahr werde ich spätestens den Empfänger aufbauen. Was wohl eher ist? Der Weltuntergang oder Franks Weltempfänger? Wir werden höchstwahrscheinlich Beides nicht mehr erleben.
Zum Thema "KW-Empfänger mit Röhren": http://www.hcp-hofbauer.de/indexsranfang.htm Mein selbst gebautes und selbst konstruiertes "Stahlradio". Ebenfgalls auf dieser Homepage eine Magnetantenne, beides etwas aufwändig. Aber vielleicht interessant. Gruß Peter
Peter Hofbauer schrieb: > Zum Thema "KW-Empfänger mit Röhren": > http://www.hcp-hofbauer.de/indexsranfang.htm Tolles Radio, tolle Projekte, tolle Homepage. Klasse!
Peter Hofbauer schrieb: > Zum Thema "KW-Empfänger mit Röhren": > http://www.hcp-hofbauer.de/indexsranfang.htm > Mein selbst gebautes und selbst konstruiertes "Stahlradio". > Ebenfgalls auf dieser Homepage eine Magnetantenne, beides > etwas aufwändig. Aber vielleicht interessant. > > Gruß Peter Klasse, sehr interessant. Danke dafür. Von dem Mischer musst Du mich aber noch überzeugen. Wenn es schon dieser sein muss, warum nicht die EDD11? LG old.
OXI T. schrieb: > Peter Hofbauer schrieb: >> Zum Thema "KW-Empfänger mit Röhren": >> http://www.hcp-hofbauer.de/indexsranfang.htm >> Mein selbst gebautes und selbst konstruiertes "Stahlradio". >> Ebenfgalls auf dieser Homepage eine Magnetantenne, beides >> etwas aufwändig. Aber vielleicht interessant. >> >> Gruß Peter > > Klasse, sehr interessant. Danke dafür. > Von dem Mischer musst Du mich aber noch überzeugen. > Wenn es schon dieser sein muss, warum nicht die EDD11? Danke für die Blumen. Die EDD11 hat die Katode mit den Stahlgehäuse verbunden, bei der EF14 dagegen nicht. Ausserdem hat die EF14 als Triode geschaltet eine höhere Steilheit. Ob das Konzept dieser Mischstufe wirklich so gut ist wie in eingen Publikationen behauptet, konnte ich nicht testen. Gruß Peter
Peter Hofbauer schrieb: > Die EDD11 hat die Katode mit den Stahlgehäuse verbunden ja, schade. Peter Hofbauer schrieb: > Ausserdem hat die EF14 als Triode geschaltet eine höhere > Steilheit. > Ob das Konzept dieser Mischstufe wirklich so gut ist wie in eingen > Publikationen behauptet, konnte ich nicht testen. Dagegen spricht: Wenn beide Röhren den gleichen Strom führen, hast Du durch die Schaltung nur noch die halbe Steilheit zur Verfügung. Du müsstest der Anodenbasisstufe U19A (warum als Triode?) einen deutlich höheren Strom gegenüber dem Mischer U8A geben, um mit einer einzelnen Mischröhre gleich zu ziehen. Mit der Triodenschaltung im Mischer kannst Du die vorhandene Mischsteilheit so gar nicht umsetzen. In Pentodenschaltung erreichst Du mit dem Koppelfilter zur ZF mehr Mischverstärkung. (Dann kannst Du Dir auch mehr L und weniger C erlauben.) LG old.
OXI T. schrieb: > Dagegen spricht: > Wenn beide Röhren den gleichen Strom führen, hast Du durch > die Schaltung nur noch die halbe Steilheit zur Verfügung. > Du müsstest der Anodenbasisstufe (warum als Triode?) U19A > einen deutlich höheren Strom gegenüber dem Mischer U8A > geben, um mit einer einzelnen Mischröhre gleich zu ziehen. > > In Pentodenschaltung erreichst Du mit dem Koppelfilter zur ZF > mehr Mischverstärkung als durch die höhere > Steilheit in Triodenschaltung. Dann kannst Du Dir auch mehr > L und weniger C erlauben. Die Ströme sind einstellbar und nicht gleich, das habe ich damals auf beste Eigenschaften eingestellt, steht auch im Text. Die Wirkung war nur gering. So weit ich mich erinner ist die Mischverstärkung nicht das Ziel, sondern das Grossignalverhalten. Verstärkung war ja reichlich vorhanden. Ist zu lange her, meine Konstruktion stammt von 2008. Gruß Peter
OXI T. schrieb: > In Pentodenschaltung erreichst Du mit dem Koppelfilter zur ZF > mehr Mischverstärkung. (Dann kannst Du Dir auch mehr > L und weniger C erlauben.) Mir fällt noch was ein. Das Ziel war vor allem ein geringeres Mischrauschen. Darauf hatte ich die Ströme eingestellt. Eine Petodenschaltung rauscht stärker. Das LC-Verhältnis hat so relativ große Cs damit nach Röhrenwechsel nicht neu abgeglichen werden muß. Diese Röhre (14er und 15er) streuen stärker. Gruß Peter
> Das Ziel war vor allem ein geringeres
Das Mischrauschen ist typischerweise 9dB höher als das
Verstärkerrauschen, welches bei einer Triode mit Req=300-400 Ohm
angegeben wird. Bei der EF80 wird schon 1-1,2 kOhm bei der Verwendung
als Verstärker angegeben. Man muss also vor dem Mischer fast um Faktor 2
weniger verstärken, was der Großsignalfestigkeit zugute kommt. Bei
älteren Pentoden ist der Unterschied noch größer.
Peter Hofbauer schrieb: > Mir fällt noch was ein. Das Ziel war vor allem ein geringeres > Mischrauschen. Darauf hatte ich die Ströme eingestellt. Eine > Petodenschaltung rauscht stärker. Mit der Behauptung wäre ich vorsichtig weil der Differenzverstärker auch mehr rauscht als die Einzeltriode. Was Du machen kannst ist, einen ZF-Saugkreis von den Katoden nach Masse zu legen. ZF-Signalmässig liegt dann die Katode der Mischröhre an Masse. Aber: Das Rauschen kommt (hoffentlich) von der EF13 U5A am Eingang. Geringes Mischerrauschen ist für Konzepte ohne HF-Vorstufe von belang. Du kannst Dir ganz locker einen Hexodenmischer erlauben (ECH11). Peter Hofbauer schrieb: > Das LC-Verhältnis hat so relativ große Cs damit nach Röhrenwechsel nicht > neu abgeglichen werden muß Gerade dann bist Du mit der Pentodenschaltung besser bedient. Peter Hofbauer schrieb: > Die Ströme sind einstellbar und nicht gleich, das habe ich damals auf > beste Eigenschaften eingestellt, steht auch im Text. Die Wirkung war nur > gering. So weit ich mich erinner ist die Mischverstärkung nicht das > Ziel, sondern das Grossignalverhalten. Den Strom des Mischers kannst Du bei einer Einzelröhre genau so optimieren. Mit Deiner Vorstufe hast Du jedenfalls alles getan um dem Mischer das bestmögliche Arbeitsumfeld zu bieten. Das gefällt mir. LG old.
HST schrieb: [..] > Nur ein RX mit der exotischen 7360 als Mischer (ohne HF-Stufe) kam auf > knapp 90db. [..] Die 7360 ist wahrlich exotisch, das ist die erste dieser Sorte Röhren ursprünglich von RCA. Es gibt aber viele datenähnliche Weiterentwicklungen (6AR8,6ME8,6JH8 und Andere) die weder selten, noch teuer sind. Diese Röhren wurden in NTSC Farbdecodern eingesetzt und sind deshalb Massenware..alle samt haben bessere Parameter als die teure und gesuchte 7360. Gruß, Holm
Holm T. schrieb: > Die 7360 ist wahrlich exotisch, das ist die erste dieser Sorte Röhren > ursprünglich von RCA. > > Es gibt aber viele datenähnliche Weiterentwicklungen (6AR8,6ME8,6JH8 und > Andere) die weder selten, noch teuer sind. Danke für die Auflistung der Röhren. Kennst Du eine mit Regelkennlinie am Steuergitter? Ist auch interessant für Stereodecoder. LG old.
Hallo, jetzt können wir ja wieder zum Thema kommen. Also Relais ist ahgekommen. Auf den Überspannungsschutz am Eingang der Baugruppe verzichte ich. Als nächstes kommt das Netzteil ran, mal sehen welche Trafos ich in der Bastelkiste habe. Gruß Frank
OXI T. schrieb: > Holm T. schrieb: >> Die 7360 ist wahrlich exotisch, das ist die erste dieser Sorte Röhren >> ursprünglich von RCA. >> >> Es gibt aber viele datenähnliche Weiterentwicklungen (6AR8,6ME8,6JH8 und >> Andere) die weder selten, noch teuer sind. > > Danke für die Auflistung der Röhren. > Kennst Du eine mit Regelkennlinie am Steuergitter? Nein, es wird wohl Schwierigkeiten machen einen stabilen "Sheet Beam" zu erzeugen wenn Jemand den Strahlstrom ändert. > Ist auch interessant für Stereodecoder. > > LG > old. Ich weiß. Gruß, Holm
Leider habe ich keinen passenden Schaltplan gefungen. Drei verschiedene Versionen habe ich im Netz gefunden und keiner ist richtig lesbar. Also muß ich den Schaliplan in eagle neu zeichnen. Gruß Frank
Frank W. schrieb: > jetzt können wir ja wieder zum Thema kommen. > > Also Relais ist ahgekommen. Auf den Überspannungsschutz am Eingang der > Baugruppe verzichte ich. Leider hat sich die Suche nach Röhren, Relais und Buchsenleisten als sehr zeitaufwending erwiesen. Nun brauche nur noch eine ECF82, die bekomme ich auch noch. Da ich ja auch Funkamateur bin hatte ich das Projekt etwas verbachlässig. 2017 muß meine Antennenanlage montiert werden, es sind vier Antennen. 73 Frank
Frank W. schrieb: > Da ich ja auch Funkamateur bin hatte ich das Projekt etwas > verbachlässig. Oh, das "Projekt" zuckt noch... Als Funkamateur ist ja auch noch nichts gelaufen. Dort bist du allerdings schon bei der theoretischen Auswahl von Kabel und Stecker angekommen: Originalton Frank: "Ich baue meine Funkbude von hinten auf, also erst Antennen und danach TRX" http://forum.db3om.de/ftopic26005.html Genau das Gleiche hast du hier in diesem Super-Duper Weltempfänger Thread als geschrieben. Sozusagen die Frank'sche Standardfloskel. Erstaunlich, dass du in diversen Foren immer noch Gutmenschen findest, die deine "Projekte" für bare Münze nehmen und dir antworten. Good Luck beim weiteren Projektbau von hinten.
Hallo, ja das Projekt lebt noch. Nach langen suchen habe ich die ECF82 und Z960A nun gefunden und gekauft. Nun fehlen mir noch ein Durchführungskondensator C 6,8nF 250V DDR Produktion und die HF Kabel mit Stecker. Das Netzteil ist fertig. Ja aber erstmal meine Antennenanlage muß dieses Jahr fertig werden. Gruß Frank
Beitrag #5049238 wurde von einem Moderator gelöscht.
DDR DF-Cs habe ich noch, ob da 6,8nf dabei sind weiß ich jetzt aber nicht aus dem Kopf.. Gruß, Holm
Frank W. schrieb: > Das Netzteil ist fertig. Nach 5 Jahren - das ging aber schnell ;) Wenn der Apparat dann endlich kpl. fertig ist, gibt es schon lange kein Radio mehr.
Hallo frank_w, das Vorhaben wird schwierig. Wenn Du das vorhandene Eingangsteil 1340.018 verwenden willst, mußt Du auch eine umschaltbare ZF bauen, weil das Eingangsteil je nach gewähltem Bereich drei verschiedene ZFs (100, 700, 1700kHz) ausgibt. MfG Willi
Ralph B. schrieb: > Hat Siemens oder Telefunken nicht mal sowas gebaut? Stichwort > Regenbogenskala beide. Bei Siemens wars der 510, auch mit DEBEG gelabelt unterwegs, sehr beliebt als Schiffsradio. Bei Telefunken wars der E127 (hier zu sehn rechts oben)
Ok, ich denke, nach neun Jahren könnte jetzt in etwa Halbzeit sein. Also, gibt es zum Netzteil jetzt schon den passenden Lautsprecher? - Ok, vergiss es, ich frage 2036 nochmal nach (falls es dieses Forum dann noch gibt)...
Naja, ich denke, Autor und Projekt sind wohl ins Nirwana entschwunden. Nichtsdesto weniger - zur allgemeinen Erbauung hier mal ein Link zu einem Versuchsradio in beinahe lupenreiner Roehrentechnik, das ich vor einiger Zeit gebastelt habe: https://www.wumpus-gollum-forum.de/forum/thread.php?board=58&thread=447&page=1 mfg
Schönes UKW-Radio mit Röhren. Nur der Stereo-Decoder mit ICs passt da dann doch nicht so richtig dazu. Die 10kHz Tiefpässe für die Rechts-/Links-Signale nach dem Dekoder passen auch nicht so recht zum Tonumfang bis 15kHz der UKW-Sender. Wie einfach man einen Stereo-Decoder mit nur einer Pentode basteln kann, kann man dort https://radio-bastler.de/forum/showthread.php?tid=9640 nachlesen.
Danke, zwei schöne Projekte! Über den ursprünglichen Thread habe ich mich allerdings köstlich amüsiert, besonders wie viele Leute sich auf diesen Humbug eingelassen haben ;-). Ein schönes Pfingstwochenende wünsche ich...
Bitte melde dich an um einen Beitrag zu schreiben. Anmeldung ist kostenlos und dauert nur eine Minute.
Bestehender Account
Schon ein Account bei Google/GoogleMail? Keine Anmeldung erforderlich!
Mit Google-Account einloggen
Mit Google-Account einloggen
Noch kein Account? Hier anmelden.







