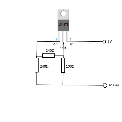
Moin, Ich möchte den LM317T benutzen, um eine knapp 4,5V Spannung runterzuregeln (bin Anfänger und wollt damit ein wenig rum probieren). Die Belegung der Pins ist doch anders im Schaltplan / Schaltzeichen. Also von rechts nach links: Vin, Vout, Adj, korrekt? Habe jetzt eine "einfache" Schaltung aufgebaut, mit dem IC und 3 Widerständen. Habe mal ein Bild eingefügt, wie ich mir das gedacht und aufgebaut habe (nicht wie im Schaltplan). Wie ich das verstanden habe, dürfte eine Ausgangsspannung von knapp 2,5V erzeugt werden (die beiden 240 Ohm Widerstände). Den 100 Ohm Widerstand habe ich zwischen Vout und Masse geschalten, damit kein Kurzschluss entsteht, und ich erstmal die Spannung messen kann. Kondensatoren hab ich weggelassen. Aber irgendwie funzt das net. Mit einem Universalmessgerät (eignet sich das überhaupt dafür? messe ich an Vout bezogen auf Masse 3,8V. Das kann aber gar nicht sein, denn dafür ist allein schon der Abstand von 3,8V zu 4,5 zu gering, denke ich. Bin etwas verwirrt.. Dank euch.
Ja, habe ich mir angeschaut. Und da war das ja in etwa so: "Vout über R1 (240 Ohm) an Adj und darunter Adj über R2 (Je nach gewünschter Spannung, bei mir nochmal 240 Ohm für 2,5V) an Masse. Und die 100 Ohm hatte ich mir so "gedacht" (war vielleicht dumm) um den Strom zu begrenzen. Da soll eigentlich mal eine Diode oder sowas in der Art ran, nur zum Testen.
Will K. schrieb: > Kondensatoren hab ich weggelassen. > Aber irgendwie funzt das net. Natürlich nicht. Die Kondensatoren empfiehlt der Hersteller doch nicht weil er blöd ist, und einfach alles wegzulassen was man nicht versteht ist keine gute Überlebenstrategie.
>Und die 100 Ohm hatte ich mir so "gedacht" (war >vielleicht dumm) um den Strom zu begrenzen. Ohne die 100 Ohm fließt gar kein Strom, was willst du da begrenzen? Bau doch mal die beiden Cs dazu, vielleicht schwingt die Schaltung, dann ist mit Messen und Multimeter nix mehr.
Michael B. schrieb: > Natürlich nicht. > Die Kondensatoren empfiehlt der Hersteller doch nicht weil er blöd ist, > > und einfach alles wegzulassen was man nicht versteht ist keine gute > Überlebenstrategie. ERST Dabla LESEN, dann meckern! Die 100 Ohm begrenzen nicht den Strom, sondern stellen eine Last für den 317er dar! Schaltungsaufbau entspricht wahrscheinlich nicht dem Schaltplan. Prüfen! Nichts zu finden? Bild vom Aufbau zeigen!
Michael B. schrieb: > Natürlich nicht. > Die Kondensatoren empfiehlt der Hersteller doch nicht weil er blöd ist, > > und einfach alles wegzulassen was man nicht versteht ist keine gute > Überlebenstrategie. Ja, verstehe schon. Ich hatte die ja schon dran, hat aber nichts geändert, und dann hatte ich die wieder weggenommen, weil ich die Schaltung nochmals aufgebaut hatte. lm317 schrieb: > Ohne die 100 Ohm fließt gar kein Strom, was willst du da begrenzen? > > Bau doch mal die beiden Cs dazu, vielleicht schwingt die Schaltung, dann > ist mit Messen und Multimeter nix mehr. Hey dank dir. Aber wenn es schwingt, dann müsste ichs ja daran sehen, dass die Spannung sozusagen ständig die Werte ändert? Dem ist aber nicht so, bleibt eigentlich relativ konstant bei den 3.8 V. Teo D. schrieb: > Die 100 Ohm begrenzen nicht den Strom, sondern stellen eine Last für den > 317er dar! > Schaltungsaufbau entspricht wahrscheinlich nicht dem Schaltplan. Prüfen! > Nichts zu finden? Bild vom Aufbau zeigen! Okay, verstehe. Aber wenn es eine Last ist, dürfte die Spannung doch praktisch sinken, und nicht steigen, oder?
Will K. schrieb: Hallo Will Du solltest Dich wirklich mit den Grundlagen der Elektronik und vor allem mit dem Datenblatt des LM317 befassen! > Hey dank dir. Aber wenn es schwingt, dann müsste ichs ja daran sehen, > dass die Spannung sozusagen ständig die Werte ändert? Dem ist aber nicht > so, bleibt eigentlich relativ konstant bei den 3.8 V. Wenn so ein LM317 schwingt, dann mit mehreren (hundert?) Kilohertz! Davon bemerkt Dein Messgerät (sofern es kein Oszilloskop ist), außer dass es falsch anzeigt, gar nichts. > Okay, verstehe. Aber wenn es eine Last ist, dürfte die Spannung doch > praktisch sinken, und nicht steigen, oder? Lebensaufgabe des LM317 ist es, die eingestellt Ausgangsspannung bei jeder (erlaubten) Last konstant zu halten! mfG GroberKlotz
Hier noch ein Bild vom Aufbau. Die Elemente sind wie im ersten Post zu sehen verbunde. Wollt auch noch ein Bild von der "Unterseite" hinzufügen, aber da ist schwerlich etwas zu erkennen. Hab gerade nur einen 180 Mikrofarrad Elko hier.. Ist wohl etwas viel, gibt das Probleme?
Wie Groß ist denn die Spannung zwischen Out und Adj.? Evtl hast du die beiden Pins durch Lötfehler Kurzgeschlossen.
Was passiert, wenn du den Adj. Pin auf GND legst? Regelt er dann vernünftig auf 1,25V?
Ich denke, daß Du mit den Werten Deiner Spannungen außerhalb der im Datenblatt aufgeführten liegst. Du sagst, daß Du mit 4,5 Volt Eingangsspannung rangehst und anhand der 2x240 Ohm 2,5 Volt rauskriegen willst. Mit Vin-Vout kämen dann aber nur 2 Volt Differenz raus aber der Kollege möchte mindestens 3 Volt haben. MfG Paul
Paul B. schrieb: > Du sagst, daß Du mit 4,5 Volt > Eingangsspannung rangehst und anhand der 2x240 Ohm 2,5 Volt rauskriegen > willst. Mit Vin-Vout kämen dann aber nur 2 Volt Differenz raus aber der > Kollege möchte mindestens 3 Volt haben. Dann kann er aber kaum die gemessenen 3,8V liefern. Wenn die Eingangsspannung zu klein ist, geht bei Linearreglern die Ausgangsspannung üblicherweise runter. Gruß Dietrich
Dietrich L. schrieb: > Dann kann er aber kaum die gemessenen 3,8V liefern. Wenn etwas nicht funktioniert und die Vorgaben aus dem Datenblatt nicht eingehalten werden, dann schließe ich daraus, adß das eine Ursache sein kann -Du nicht? Beschwere Dich bei Texas Instruments -von dort stammt der Auszug aus dem Datenblatt. MfG Paul
Paul B. schrieb: > Wenn etwas nicht funktioniert und die Vorgaben aus dem Datenblatt nicht > eingehalten werden, dann schließe ich daraus, adß das eine Ursache sein > kann -Du nicht? Kann schon, ganz ausschließen sollte man das tatsächlich nicht. Da gebe ich dir recht. Aber ich halte es aber zumindest für unwahrscheinlich. Gruß Dietrich
Nachtrag: Paul B. schrieb: > Mit Vin-Vout kämen dann aber nur 2 Volt Differenz raus aber der > Kollege möchte mindestens 3 Volt haben. Das ist falsch. Dein Datenblattauszug zeigt die Bedingung (Condition), bei der sich 'Line Regulation' (Parameter) im angegebenen Bereich befindet. Was der 'Kollege' haben möchte nennt sich Dropout Vortage. Gruß John
?!? schrieb: > Versuchs nochmal, beim dritten Versuch klappts bestimmt :-) Das erste mal war es die Autokorrektur.
John schrieb: > ?!? schrieb: >> Versuchs nochmal, beim dritten Versuch klappts bestimmt :-) > > Das erste mal war es die Autokorrektur. Sowas habe ich grundsätzlich nicht eingeschaltet, weil da selten die richtigen Vorschläge kommen, sondern vorwiegend schräge Sachen. Wenn man was zu lachen haben will, ist das gut, so wie auch der Google-Übersetzer :-)
John schrieb: > Das ist falsch. > > Dein Datenblattauszug zeigt die Bedingung (Condition), bei der sich > 'Line Regulation' (Parameter) im angegebenen Bereich befindet. Nein, das ist schon richtig. Was heißt Deiner Meinung nach "Line Regulation"? MfG Paul
Will K. schrieb: > Hab gerade nur einen 180 Mikrofarrad Elko hier Hast du nicht gerade geschrieben Will K. schrieb: > Ich hatte die [Kondenstaoren] ja schon dran, hat aber nichts > geändert, und dann hatte ich die wieder weggenommen, weil ich die > Schaltung nochmals aufgebaut hatte. Lügst du eigentlich immer das Blaue vom Himmel herunter ?
Will K. schrieb: > Ja, dürfte so sein. > ist das die Antwort auf diese Frage? John schrieb: > Ist schwarz = + Eingang und rot = Masse? "Dürfte" ist darauf keine Antwort! Das Bild hier legt nämlich nahe, dass alles verpolt ist: Beitrag "Re: LM317 (Verständnis)Problem" Und wenn ich mit diesem Modell simuliere Beitrag "Re: LM317 in LTspice" bekommt man bei Verpolung (Vin -4.5 V), -3.8 V am Ausgang.
Paul B. schrieb: > John schrieb: >> Das ist falsch. >> >> Dein Datenblattauszug zeigt die Bedingung (Condition), bei der sich >> 'Line Regulation' (Parameter) im angegebenen Bereich befindet. > > Nein, das ist schon richtig. Was heißt Deiner Meinung nach "Line > Regulation"? Änderung der Ausgangsspannung in Abhängigkeit von der Eingangsspannungsänderung. Und was ist deine Theorie?
John schrieb: > Änderung der Ausgangsspannung in Abhängigkeit von der > Eingangsspannungsänderung. Na, dann sind wir uns doch einig. > Und was ist deine Theorie? Meine Theorie ist: Wenn man sich an die vom Hersteller geforderten Bedingungen hält, dann tut das Bauelement, was es soll. Im Übrigen halte ich den TO für einen Troll. Mir genügt das hier für heute vollauf. MfG Paul
Paul B. schrieb: > Meine Theorie ist: Wenn man sich an die vom Hersteller geforderten > Bedingungen hält, dann tut das Bauelement, was es soll. Selbstverständlich. Bei Uein-Uaus von <3V ist die Line Regulation nicht mehr im angegebenen Bereich. Man befindet sich aßerhalb dieser Spezifikation. Es gibt im Datenblatt aber noch weitere Angaben, z.B. die Dropout Voltage: Im Diagramm ist "Delta Vout = 100mV" angegeben. Ich interpretiere das so: bei Uein-Uaus=2V, Iout=1A und 25°C Sperrschichttepmeratur bricht die Ausgangspannung um weitere 100mV ein (zusätzlich zur Line Regulation). Paul B. schrieb: > Im Übrigen halte ich den TO für einen Troll. Schreibe nichts der Böswilligkeit zu, was durch Dummheit hinreichend erklärbar ist. Gruß John
Bitte melde dich an um einen Beitrag zu schreiben. Anmeldung ist kostenlos und dauert nur eine Minute.
Bestehender Account
Schon ein Account bei Google/GoogleMail? Keine Anmeldung erforderlich!
Mit Google-Account einloggen
Mit Google-Account einloggen
Noch kein Account? Hier anmelden.




