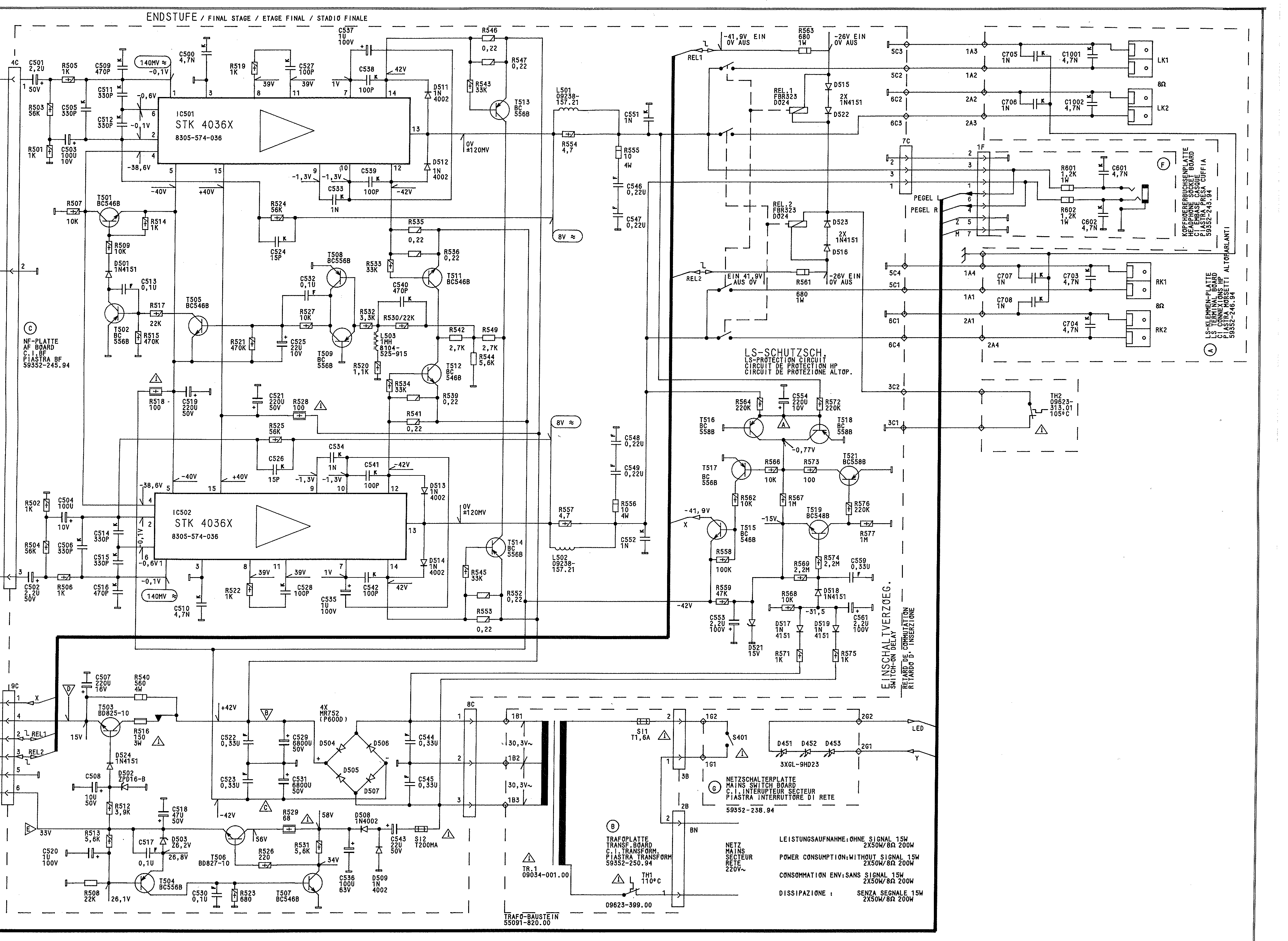
Ich habe einen relativ alten Verstärker (Grundig V8200) welchen ich gerne reparieren würde. Er funktioniert eigentlich einwandfrei, jedoch schaltet er sich in spontanen Abständen (mal nach 5 min, mal nach 25 min) ab und nach einer gewissen Zeit (einige Minuten) wieder ein. Im Internet habe ich ein Service Manual gefunden welches den kompletten Schaltplan, Platinen Layouts und Spannungswerte enthält (ist angehängt). Ich habe ein Signal eingespeist und mit dem Oszilloskop verfolgt bis wohin es kommt. Wenn der Verstärker spontan abschaltet kann man das Musiksignal bis auf die Endstufenplatine und bis auf die Signaleingänge der STK4036 verfolgen, die Ausgänge beider ICs sind jedoch tot (0V am Ausgang, auch das Signal am Kopfhörer ist weg da dieses am Ausgang der ICs abgegriffen wird). Der Kühlkörper und die ICs werden kaum warm. Der Thermoschalter und die Lautsprecherschutzschaltung/Einschaltverzögerung können ausgeschlossen werden, da die Relais der Lautsprecher noch angezogen sind wenn das Signal weg ist. Die Versorgungsspannungen passen alle. Da beide ICs gleichzeitig stillgelegt werden habe ich die Schutzschaltung der ICs im Verdacht. Diese besteht aus den Transistoren T513, T514, T511, T125, T508, T509, T505, T501 und T502 und soll (soweit ich das erkennen kann) einen Überstrom am Eingang der ICs verhindern. Wenn der Verstärker abschaltet beträgt die Basis-Emitter-Spannung an T505 ca. 0.6V, der Transistor steuert also durch und zieht über T502 und T501 beide Pin 4 der ICs auf die negative Versorgungsspannung. Pin 4 ist über 2 Diodenstrecken im IC mit Pin 5 verbunden, im Normalbetrieb beträgt der Spannungsunterschied ca. 1.4V, im "toten" Zustand ist der Potentialunterschied weniger als 100mV. Die Schutzschaltung scheint also der gesuchte Übeltäter zu sein. Leider ist mir nicht wirklich klar, wieso die Schutzschaltung auslöst. Die Kollektoren der Transistoren T511, T512, T513 und T514 liegen alle auf 0V was im fehlerfreien Fall ja stimmen sollte? Die Basis-Emitter-Spannungen von T508 und T509 betragen im Fehlerfall wie im Normalbetrieb weniger als 50mV. Ich verstehe auch nicht, wozu die Spule L503 und der Kondensator C540 gut sind. Ich hoffe ihr könnt ein bisschen Licht ins Dunkel bringen. Zudem finde ich auch das Datenblatt der Verstärker ICs nicht wirklich aufschlussreich. Bei vielen Pins (Pin 3,4,6,8,11) weiß ich nicht, zu welchem Zweck diese aus dem IC herausgeführt sind und wie sie beschaltet werden sollen.
Die Schaltung geht über mehrere Seiten und wurde eingescannt. Die Endstufenplatine ist im Anhang. Das Signal X ist über Schalter mit REL1 und REL2 verbunden.
Verdächtig ist die Stumm/Schutzschaltung, die Pin 4 der Endstufen IC ansteuert. Jedes Hybrid hat zwei Strommessschaltungen mit 0,22 Ohm Widerständen (oben z.B. R546 und R535) und soll über die Schaltung T501 -T512 die IC im Fehlerfall abschalten. Interessant ist also, was im Fehlerfall an Pin 4 anliegt und ob diese Schaltung die Ursache ist. Wenn da kleine Tantalperlen im Spiel sind (wäre für die Zeit nicht ungewöhnlich), könnte so ein Dings mal spontan auf Kurzschluss gehen und die Endstufe aus dem Tritt bringen. Am besten testest du mal die beiden Zweige T512/511 für die negative Versorgung und T513/514 für die positive am Knotenpunkt R542/549/544. An den äusseren Enden der 2,7k liegen die Zweige getrennt und werden dann am Knotenpunkt addiert und auf die restliche Schutzschaltung geschickt. Wenn da schon was faul ist, davor suchen, ansonsten dahinter. Grundig hatte öfter mal ein Faible für ulkige Schaltungen und die 1mH Spule und die Konstruktion mit T508/509 zähle ich dazu.
Matthias S. schrieb: > Verdächtig ist die Stumm/Schutzschaltung, die Pin 4 der Endstufen IC > ansteuert. Jedes Hybrid hat zwei Strommessschaltungen mit 0,22 Ohm > Widerständen (oben z.B. R546 und R535) und soll über die Schaltung T501 > -T512 die IC im Fehlerfall abschalten. > Interessant ist also, was im Fehlerfall an Pin 4 anliegt und ob diese > Schaltung die Ursache ist. Im Normalbetrieb liegen zwisschen Pin 4 und Pin 5 wie zu erwarten 1.4V (zwei Diodenstrecken im IC, siehe Datenblatt). Beim Abschalten geht die Spannungsdifferenz auf unter 100mV zurück, die Schutzschaltung scheint also das Problem zu sein. Könnte es sein, dass die Transistoren schlicht gealtert sind und deshalb die Arbeitspunkte bei Temperaturänderung nicht mehr stimmen? Das Potential am Punkt R542/R549/R544 beträgt 0V, das sollte für den fehlerfreien Zustand doch stimmen (oder)? Je nach Fehler (ob der negative oder der positive Strom zu hoch wird) sollte dieses Potential doch entweder auf die negative oder die positive Versorgungsspannung gezogen werden? Die Transistoren BC556 und BC546 hätte ich in grösseren Mengen hier und könnte die alle auf Verdacht austauschen, ich weiß aber nicht ob das sinnvoll ist.
ich schrieb: > Das > Potential am Punkt R542/R549/R544 beträgt 0V, das sollte für den > fehlerfreien Zustand doch stimmen (oder)? Für fehlerfrei schon mal gut, es ist ja die Frage, ob im Fehlerfall da was zu messen ist. Es wird aber eher dahinter was faul sein, wie der Elko. ich schrieb: > könnte die alle auf Verdacht austauschen Auch Transistoren können mal kaputtgehen, aber viel wahrscheinlicher sind eben alte Elkos und die o.a. Tantalperlen, falls da sowas drin ist. Häng also mal ein Voltmeter an C525 und schau was fehlerfrei/mit Fehler da dran liegt. Ein Oszi wäre auch hilfreich, hast du aber evtl. nicht. Im Fehlerfall fängt T502 und T501 an zu leiten, um Pin 4 auf -40V zu ziehen, da kannst du auch mal ansetzen.
Matthias S. schrieb: > ich schrieb: >> Das >> Potential am Punkt R542/R549/R544 beträgt 0V, das sollte für den >> fehlerfreien Zustand doch stimmen (oder)? > > Für fehlerfrei schon mal gut, es ist ja die Frage, ob im Fehlerfall da > was zu messen ist. Im Normalbetrieb und im Fehlerfall sind es 0V. T505 und alles was dahinter kommt kann ich meiner Meinung nach ausschließen da die Basis-Emitter-Spannung im Fehlerfall 0.6V und im Normalbetrieb kleiner als 10mV ist. Somit bleiben T509 und T508 und deren Beschaltung rundum. Ist das richtig? Was mir noch aufgefallen ist: C532 ist zwar im Plan um auf der Platine vorgesehen, jedoch nicht bestückt. Kann mir niemand erklären wozu L503, C540, C525 und C532 gut sind? Die Schaltung scheint recht empfindlich ausgelegt zu sein. Bereits das Messen der Kollektor-Emitter-Spannung von T508 führt zum Abschalten (man kann mit dem Voltmeter den Verstärker stummschalten). Das selbe passiert wenn die Kollektor-Emitter-Spannung von T505 gemessen wird (offensichtlich reicht der Strom durch das Voltmeter für das durchsteuern von T502).
ich schrieb: > Kann mir niemand erklären wozu L503, C540, C525 und C532 gut sind? Die Anordnung bildet einen Hochpass. Ehrlich gesagt, kapiere ich die Nummer um T508 und T509 im Moment nicht, der Effekt soll aber vermutlich sein, das, egal ob am R544 eine positive oder eine negative Spannung liegt, Transistor T505 durchgesteuert wird. Ich würde jetzt die Schutzschaltung so lahmlegen, das ich den Elko C525 brücke und so dauerhaft T505 sperre. Jetzt mal ein paar Stunden laufen lassen. Wenn der Fehler auftritt, muss er ja hinter T505 sein und ich kann da mal anfangen, ein paar von den Transistoren zu tauschen. Wenn der Fehler so nicht auftritt, tausche ich T508, T509 und C525 gegen neue Teile und messe dabei gleich mal die Widerstände rund um die beiden Transistoren und natürlich auch die Spule, während ich an ihr wackele. Beachte, das du wirklich BC546/556 und nicht etwa BC548/558 erwischst, denn nur die ersteren haben die geforderte Spannungsfestigkeit. BC546 = 65V, BC547 = 45V, BC548 = 30V
Mittels Eisspray die Transen einzeln abkühlen. Und wenn das nichts nützt mit einer geregelten Lötstation die Temperatur auf niedrig stellen und die Transen einzeln erhitzen. Gerade solche Aussetzfehler habe ich mit dieser Methode schon viele gefunden. Gruß
Bitte melde dich an um einen Beitrag zu schreiben. Anmeldung ist kostenlos und dauert nur eine Minute.
Bestehender Account
Schon ein Account bei Google/GoogleMail? Keine Anmeldung erforderlich!
Mit Google-Account einloggen
Mit Google-Account einloggen
Noch kein Account? Hier anmelden.
