Hallo, für ein Projekt benötige ich eine Sinusspannung (ca 40-50 Vss). Ich bin was Schaltungsentwicklung anbelangt quasi ein Neuling :) Mein Grundlegender Ansatz wäre einen Oszillator zu bauen und anschließend zu Verstärken. Die Schalltung sollte wenn möglich den Bereich 3-10Mhz abdecken. Für den Anfang wäre es aber schon einmal gut einen vernünftigen Oszillator der eine feste Frequenz im angegeben Bereich liefert zu bekommen. Die Internet Recherche hat mich auf den Clapp Oszilator gebracht und hier im Forum bin ich dann sogar fündig geworden: Beitrag "Clapp Oszillator" Meine Schaltung funktioniert soweit nur kommt mir das Einschwingen seltsam vor (Bilder im Anhang). Ich vermute das sich das Signal mit den hohen Spannungen beim einschwingen nicht so einfach verstärken lässt? mfg Alex
3 Hz oder 3 Mhz? Jeder Oszillator braucht seine Zeit zum Einschwingen. Du solltest deine Anwendung so auslegen, dass sie dies toleriert. µC werden zum Beispiel einige Millisekunden im Reset gehalten, um dem Oszillator Zeit zum Einschwingen zu geben.
Alex N. schrieb: > ca 40-50 Vss Leerlauf, oder kommt da eine Last dran? 50 Vss an 50 Ω sind ja immerhin schon 6 W. Da würde man normalerweise dem Oszillator einen Verstärker nachsetzen. Vielleicht erzählst du uns ja noch was über den Anwendungszweck, dann kann man bessere Ratschläge geben. Ich schieb' das mal ins HF-Forum.
Hallo, Der Oszillator wird nach dem einschalten einige Zeit barauchen um sich einzuschwingen. Wenn du nur den eingeschwungenen Zustand untersuchen willst, dann must du in LTspice die Anfangsbedingungen der Kapazitäten und Induktivitäten setzen. Dazu solltest du dir die Doku der folgenden Befehle mal durchlesen. .ic .uic .nodeset Damit kannst du dann den eingeschwungenen Zustand untersuchen ohne ständig hineinzoomen zu müssen. PS: Sind deine Vorgaben tatsächlich 50Vss bei 10MHz? Da hätte ich als "quasi Neuling" Respekt vor.
Danke schonmal für die schnellen Antworten. Also mit der Schaltung sollen Piezoelemente von Ultraschallsonden zum schwingen gebracht werden. Die Arbeiten zwischen 3 Mhz und 10 Mhz. Bin ich prinzipiell auf dem Richtigen weg mit der Kombination aus Oszillator und Verstärker? Den Verstärker Schalte ich dann quasi erst drauf wenn der Oszillator eingeschwungen ist ?
Alex N. schrieb: > Also mit der Schaltung sollen Piezoelemente von Ultraschallsonden zum > schwingen gebracht werden. Sowas hatte ich befürchtet. ;-) Da brauchst du dann wohl auch ein wenig Leistung (je nach Größe des Elements). > Bin ich prinzipiell auf dem Richtigen weg mit der Kombination aus > Oszillator und Verstärker? Prinzipiell ja. > Den Verstärker Schalte ich dann quasi erst > drauf wenn der Oszillator eingeschwungen ist ? Ist nicht so wichtig. Wichtiger ist die Anpassung am Ausgang. Diese Piezo-Teile haben meines Wissens eine relativ hohe Impedanz, die stark kapazitiv geprägt ist. Die übliche Variante, die 50 Vss zu erzeugen, besteht dabei darin, dass man das Piezo-Element in Reihe mit einer Spule legt und so einen Reihenschwingkreis baut, der die Spannung recht stark herauftransformiert. Die Einstellung der Spule ist dabei natürlich stark von der genauen Last abhängig. Mit einem Verstärkerkonzept wie in der NF-Technik (wenn ich 50 Vss haben will, einfach mal 60 V Versorgungsspannung nehmen und dann eine Gegentaktstufe) wirst du einen Haufen Blindleistung hin und her schaufeln in der kapazitiven Last, mal davon abgesehen, dass so ein breitbandiger Verstärker nicht ganz einfach zu beherrschen ist. Schließlich soll er ja auf der Frequenz des Oszillators schwingen und nicht auf seiner eigenen …
Ich hol wohl besser noch ein bisschen weiter aus :) Das mit der Schaltung erzeuge Signal soll unterschiedliche Piezo Elemente immer wieder kurz "Anschieben" um sie zum Schwingen zu bringen. Zwischen den Anschiebephasen möchte ich die Signatur aufnehmen (Polar PFL280). Das Endziel des gesamten Aufbaus ist es, die einzelnen Piezo Elemente einer US Sonde zu "prüfen". @Jörg Wunsch: Da ich unterschiedliche Elemente unterschiedlicher Sonden ansteuern will wird es nicht möglich sein alle optimal zu treiben eine direkte Anpassung wird deshalb vermutlich schwer ?
Alex N. schrieb: > Bin ich prinzipiell auf dem Richtigen weg mit der Kombination aus > Oszillator und Verstärker? Den Verstärker Schalte ich dann quasi erst > drauf wenn der Oszillator eingeschwungen ist ? Einen Verstärker wirst du auf jeden Fall benötigen. Eventuell auch mehrstufig. Mir wäre kein Oszillator bekannt, der mit einer derartigen Leistung belastet werden könnte. Da ich gerade selbst mit einem AD9850 am herumwerkeln bin möchte ich mal die Idee in den Raum werfen so einen DDS-Chip für die Signalerzeugung zu verwenden. Vom AD9850 gibt es fertige Module für ca. 10€. Der Chip wird über ein serielles Interface angesteuert und liefert am ausgang 1Vss. Das Sinussignal ist zwar nicht 100%ig perfekt aber könnte für deine Zwecke durchaus reichen. Du bräuchtest dich dann halt nur mehr um einen Verstärker kümmern und hättest ein Problem weniger. lg
Alex N. schrieb: > Da ich unterschiedliche Elemente unterschiedlicher Sonden ansteuern will > wird es nicht möglich sein alle optimal zu treiben eine direkte > Anpassung wird deshalb vermutlich schwer ? Ja, aber vielleicht kannst du ja die Anpassung mit dem jeweiligen Element zu einem vereinigen und diese dann im Ganzen umschalten? Prinzipiell müsste man das sogar so aufbauen können, dass es dann selbsterregend ist, d. h. die Resonanzfrequenz des Piezoelements bestimmt die tatsächliche Oszillatorfrequenz, statt eines Oszillators, denn man dann auf das jeweilige Element noch abstimmen muss. Nach so einem Prinzip arbeiten die üblichen Ultraschallreiniger.
Ich bin begeistert von der Unterstützung hier :) @MichaelN: Habs mir gerade angesehen das sieht definitiv nach einer Option aus. Das könnte ich ja bequem mit dem Arduino ansteuern. @Jörg: Das mit dem Umschalten wäre definitiv eine Lösung. Wie würde denn so eine selbsteregende Schaltung aussehen? Verstehe ich das richtig das meine obige Oszillatorschaltung dann vollkommen überflüssig wird?
Alex N. schrieb: > Ich bin begeistert von der Unterstützung hier :) Den Oszillator dann später so breitbandig zu verstimmen wird auch nicht ganz einfach sein .... Willst du denn die genaue Frequenz nicht wissen? Dann müsstest du noch irgendein Messgerät dafür haben. Einfacher wäre es die gewünschte Frequenz digital zu erzeugen. Mit einem (sehr kleinen) Mikrokontroller der einen AD9850 oder ähnliches steuert bekommt man eine stabile Frequenz. Die würde man - an deine Anforderungen angepasst - Tiefpass-filtern und dann verstärken. Das wovon ich hier rede ist in der Arduino-Welt wohlbekannt .....
Der AD9850 scheint mir doch die definitiv erfolgsverprechendere Variante zu sein. Einen Arduino hab ich sowieso noch rumliegen. Ich melde mich dann demnächst wegen dem passenden Verstärker wieder ;)
Alex N. schrieb: > Wie würde denn > so eine selbsteregende Schaltung aussehen? Für 12V-Betrieb 25 kHz habe ich das vor Jahren mal sehr einfach mit einen CMOS CD4011B gemacht: Der 1M hält das 1.Gate im linearen Bereich und die Rückkopplung erfolgt über den Schwingstrom und damit auf der Resonanzfrequenz.
1 | 1 Gate 3 Gates |
2 | CD 4011 CD 4011 parallel |
3 | |
4 | ----|)--------|)---- |
5 | | | | |
6 | | | Piezo |
7 | ----1M--- | |
8 | | | |
9 | -------------||-----| |
10 | 100p | |
11 | 100R |
12 | | |
13 | --- |
Natürlich müsstest Du die Schaltung für Deine Anforderungen modofizieren.
eric schrieb: > die Rückkopplung erfolgt über den Schwingstrom > und damit auf der Resonanzfrequenz. Und zum verstimmen (3...10Mhz) nimmst du einen Drehkondensator aus dem Mittelwellenradio, gelle?
Alex N. schrieb: > Verstehe ich das richtig das meine obige Oszillatorschaltung dann > vollkommen überflüssig wird? Ja, der komplette Verstärker wäre dann der Oszillator. Dieses Bild geistert noch irgendwie durchs Netz: http://www.hobbielektronika.hu/forum/files/42/t_42d655f355ba90ceecc185ddf98d91b0.jpg Das ist gewissermaßen ein selbst schwingender Leistungsoszillator. Ich habe zu Hause ein tschechoslowakisches Ultraschallgerät, die haben das etwas aufwändiger gelöst.
Zum Verstärken reicht fast der LT1227 (von Reichelt 3,80€) der kann laut Datenblatt Seite 4 oben noch 22Vpp bei 10 MHz "unverzerrt" an 1 k abgeben. Und das bei 10-facher Spannungsverstärkung.
Generatordenker schrieb: > Und zum verstimmen (3...10Mhz) nimmst du einen Drehkondensator > aus dem Mittelwellenradio, gelle? Foren sind ein idealer Tummelplatz für anonyme Dummschwätzer.
eric schrieb: > Foren sind ein idealer Tummelplatz für anonyme Dummschwätzer. Bei deiner genialen Lösung braucht man ja gar keinen Drehkondensator. Es reicht mit einer Seilwinde den "Piezo" zu ziehen.
Generatordenker schrieb: > Es reicht mit einer Seilwinde den "Piezo" zu ziehen. Nur, weil du das Prinzip nicht verstanden hast, brauchst du diesen Thread nicht weiter mit deinem Unsinn zuzuspammen.
@Christoph: Danke für den Tipp :) Hab mal 2 Stufen hintereinandergesetzt und bekomm in lt spice sogar saubere 30 Vss hin bei 8 MHz. den AD9850 hab ich mir mittlerweile schon bestellt. @Jörg: das Bild ist zu klein kann das sein? @Eric: so ganz kapier ich die funktion nicht. Vielen Dank :)
Alex N. schrieb: > @Jörg: das Bild ist zu klein kann das sein? Ah, Miſt, das war nur das Vorschaubild. http://www.hobbielektronika.hu/forum/getfile.php?id=184139 > @Eric: so ganz kapier ich die funktion nicht. Die Gatter mittels Widerstand in den linearen Bereich zu ziehen, ist recht üblich für Quarzoszillatoren. Indem man den Stromfluss durch einen Widerstand misst und darauf die Rückkopplung aufsetzt, ergibt sich automatisch ein Maximum der Schleifenverstärkung im Resonanzpunkt des Piezo-Resonators. Allerdings müsstest du das für höhere Pegel diskret aufbauen. Alternativ kannst du natürlich obigen Vorschlag mit der Resonanzüberhöhung per vorgeschalteter Induktivität damit noch kombinieren.
Jörg W. schrieb: > Indem man den Stromfluss > durch einen Widerstand misst und darauf die Rückkopplung aufsetzt, > ergibt sich automatisch ein Maximum der Schleifenverstärkung im > Resonanzpunkt des Piezo-Resonators. Genau so ist es. Der Piezo wird exakt in seiner Serienresonanz, d.h. bei minimaler Impedanz erregt. Ich meine aber, eine zusätzliche Induktivität würde die Schwingfrequenz verschieben und hätte deshalb nur Sinn, wenn man bei einer anderen Frequenz als der Serienresonanz arbeiten will.
eric schrieb: > Ich meine aber, eine zusätzliche Induktivität würde die Schwingfrequenz > verschieben und hätte deshalb nur Sinn, wenn man bei einer anderen > Frequenz als der Serienresonanz arbeiten will. OK, das könnte sein.
Jörg W. schrieb: > eric schrieb: >> Ich meine aber, eine zusätzliche Induktivität würde die Schwingfrequenz >> verschieben und hätte deshalb nur Sinn, wenn man bei einer anderen >> Frequenz als der Serienresonanz arbeiten will. > > OK, das könnte sein. Ja, sie ändert die Frequenz, aber sie bringt eben auch viel mehr Amplitude. Habe die Schaltung mal aufgebaut und einen kleinen Piezo drangehängt, den ich hier noch aus einem alten Kemo-Bausatz rumliegen hatte (Ultraschall-Abstandswarner). Das erste Bild zeigt das Ausganssignal, wenn man den Schwinger direkt anklemmt, das zweite mit einer ziemlich wahllos aus der Schachtel gegriffenen Spule von 8 mH davor. Bitte unterschiedliche Skalierung in x- und y-Richtung zwischen beiden Bildern beachten bzw. die Messdaten rechts unten. Ich denke, es lohnt sich, damit mal ein wenig zu experimentieren.
Jörg W. schrieb: > Ja, sie ändert die Frequenz, aber sie bringt eben auch viel mehr > Amplitude. OK, aber entscheidend ist die Schallintensität. Die Eigenresonanz des Gebers beträgt ca. 135 kHz, mit Spule wird er mit 60 kHz angesteuert. Ich fürchte, da nutzt auch die höhere Spannung nichts.
Alex N. schrieb: > Also mit der Schaltung sollen Piezoelemente von Ultraschallsonden zum > schwingen gebracht werden. Die Arbeiten zwischen 3 Mhz und 10 Mhz. Mir ist nicht ganz klar, hängen die alle gleichzeitig am Generator oder werden sie getrennt nacheinander angeschlossen.
Also DDS ist ja schon genannt worden, dann mit je nach Datenblatt passendem Bessel o.ä. auf den Op-Amp und es sollte passen. DDS bei den Frquenzen würde ich via µC erzeugen wäre auch einfacher anzupassen. Es gibt auch Filterchips die via PWM den passenden Bereich abdecken. Wenn dann noch die maximalen Grenzen Deiner Piezos überchritten werden können ist das wohl was Du haben willst.
Guten Morgen :) @ Eric und Jörg: Ich werde mir jetz einfach mal die Gates bestellen und das ausprobieren. Die Logik dahinter verstehe ich leider immer noch nicht da fehlt es mir wohl an Basis wissen. eric schrieb: > Mir ist nicht ganz klar, hängen die alle gleichzeitig am Generator oder > werden sie getrennt nacheinander angeschlossen. Die Piezos sollen nacheinander getestet werden
dussel schrieb: > Also DDS ist ja schon genannt worden, dann mit je nach Datenblatt > passendem Bessel o.ä. auf den Op-Amp und es sollte passen. Es wird für diese Anforderungen meiner Meinung nach keinen passenden Operationsverstärker geben. Wenn du es hinbekommst das DDS-Signal mit einem µC zu erzeugen must du es bei 5Vss um den Faktor 10 verstärken. Daraus folgt für den OPV Grenzfrequenz: >100MHz Betriebsspannung: >50V Slew Rate: >3140 V/µs Das sind schon heftige Forderungen (Ich hoffe ich hab mich nicht verrechnet). Aus reinem Interesse noch eine vollkommen ernst gmeinte Frage: Mit welchem µC würdest du denn das 10MHz DDS-Signal erzeugen? Die üblichen AVRs und STM32 sind dazu ja zu lahm.
eric schrieb: > Die Eigenresonanz des Gebers beträgt ca. 135 kHz, > mit Spule wird er mit 60 kHz angesteuert. Ich bin mir da (leider) gar nicht so ganz sicher. Hatte zuerst einen anderen 4011 dran (den ich mir zerschossen habe), da kam eine andere Frequenz raus. :( Allerdings hatte ich beim zweiten Aufbau dann das Mikrofon als Gegenseite nicht mehr dran. Damit hätte man sehen können, wo mehr Schallamplitude rauskommt. dussel schrieb: > DDS bei den Frquenzen würde ich via µC erzeugen wäre 10 MHz DDS direkt mit Controller? Das ist sportlich. Hast du einen Controller, der wenigstens 50 MHz IO-Takt schafft? Wenn schon DDS, dann finde ich die AD-Teile keine schlechte Wahl. Alex N. schrieb: > Die Logik dahinter verstehe ich leider immer So viel „Logik“ ist das nicht. ;-) Das erste Gatter wird als (invertierender) Analogverstärker betrieben durch den Widerstand. Kann man am Oszi gut sehen, die Ein- und Ausgangspegel (ohne Schwingung) liegen dann im Bereich Vcc/2. Dadurch kann dieser Verstärker die (relativ kleine) Rückkopplungswechselspannung über dem 100-Ω-Widerstand und 100-pF-Kondensator verstärken. Das zweite Gatter macht dann wieder Rechteck mit vollem Pegel draus.
Michael N. schrieb: > Es wird für diese Anforderungen meiner Meinung nach keinen passenden > Operationsverstärker geben. hab das in Ltspice mal mit dem Lt1227 getestet und der scheint das zu schaffen. Kann natürlich sein dass man das absolut nicht so macht. Danke Jörg ich glaub ein bisschen klarer ist es mir jetz geworden. Ich denke wenn ich es dann aufgebaut habe wird es mir noch klarer :)
Alex N. schrieb: > hab das in Ltspice mal mit dem Lt1227 getestet und der scheint das zu > schaffen. Kann natürlich sein dass man das absolut nicht so macht. Aus dem Datenblatt des LT1227: Slew Rate: 1100 V/µs ! Supply Range: +-15V !
Nachtrag: Spice-Modelle sollte man i.d.R. mit etwas Vorsicht genießen. Man sollte immer einen Blick ins Datenblatt werfen. Die Modelle haben einen gewissen Gültigkeitsbereich. Wie du gezeigt hast liefet die Simulation zwar ein Ergebnis, das Modell des OPVs ist unter den gegebenen Bedingungen aber nicht mehr gültig.
Michael N. schrieb: > Slew Rate: 1100 V/µs ! > Supply Range: +-15V ! aber dann sollte es doch auch passen oder denke ich da falsch? F = SR / (2pi*V) = 11.67 Mhz das wäre ja noch ausreichend?
Alex N. schrieb: > aber dann sollte es doch auch passen oder denke ich da falsch? > > F = SR / (2pi*V) = 11.67 Mhz > > das wäre ja noch ausreichend? Nein, du denkst schon richtig. Du rechnest allerdings mit 15V. Du hattest ursprünglich mal etwas von 50V erwähnt.
Michael N. schrieb: > Nein, du denkst schon richtig. Du rechnest allerdings mit 15V. Du > hattest ursprünglich mal etwas von 50V erwähnt. Da hast du vollkommen recht. Ich werde es jetz mal mit den 15V testen vielleicht reicht das ja schon aus um den piezo auf touren zu bringen
Michael N. schrieb: > Slew Rate: >3140 V/µs Korrektur: Es sind doch nur 1570 V/µs. Es war ja von 50Vss die Rede und nicht von einer Amplitude von 50V ;)
Jörg W. schrieb: > Hatte zuerst einen anderen 4011 dran (den ich mir zerschossen habe), Wenn der Piezo bei laufenden Betrieb im richtigen Moment = Phase abgetrennt wird, erzeugt er eine Induktionsspannung, die jeden Halbleiter sofort zerstört. Man kann selbst bei 12V manchmal einen kleinen Funken sehen! Darum bei Piezowechsel immer vorher Spannung aus. Jörg W. schrieb: > da kam eine andere Frequenz raus. :( Wenn die Schaltung exakt auf der Serienresonanz des Schwingers arbeiten soll, muss sie ein wenig an die Daten des Schwingers angepasst werden, d.h. der Serienwiderstand (im Beispiel 100 Ohm) muss klein sein gegenüber dem Resonanzwiderstand, oder anders formuliert: Die durch den Schwingstrom am Widerstand erzeugte Spannung muss klein sein gegenüber der Ausgangsspannung der Schaltung. Ausserdem muss der Koppelkondensator groß genug sein, um keine Phasenverschiebung zu erzeugen. Ich habe damals immer die richtige Frequenz erhalten. Im Megahertzbereich wird man die Schaltung vielleicht besser diskret aufbauen. Ich habe sowas damals auch gemacht, aber ein CMOS-Baustein war natürlich viel einfacher. Jörg W. schrieb: > Allerdings hatte ich beim zweiten Aufbau dann das Mikrofon als > Gegenseite nicht mehr dran. Damit hätte man sehen können, wo mehr > Schallamplitude rauskommt. Das Mike muss genügend breitbandig sein. Hohe Schallenergie erhält man nur auf der mechanischen Eigenfrequenz des Schwingers und die ist identisch mit der elektrischen Serienresonanz. Darum werden bei den 25/40 kHz Kapseln immer unterschiedliche Typen angeboten, Sender auf Serien- und Empfänger auf Parallelresonanz. dussel schrieb: > Also DDS ist ja schon genannt worden, dann mit je nach Datenblatt > passendem Bessel o.ä. auf den Op-Amp und es sollte passen. > DDS bei den Frquenzen würde ich via µC erzeugen wäre auch einfacher > anzupassen. > Es gibt auch Filterchips die via PWM den passenden Bereich abdecken. Wenn ich mir die vorstehende Diskussion um DDS, OPV, Controller, PWM und was auch immer angucke, kann ich nur den Kopf schütteln. Mal wieder ein schönes Beispiel dafür, dass zuviel Digitaltechnik den Blick auf die reale analoge Welt vernebelt. Senderschaltungen für 3-10 MHz gibt's im Netz zuhauf, mit Leistungen bis 2 kW. Da fliegt Euch der Piezo um die Ohren. Alex N. schrieb: > Ich werde es jetz mal mit den 15V testen > vielleicht reicht das ja schon aus um den piezo auf touren zu bringen Die Eigenschaften eines Piezos kann man auch bei niedrigen Pegeln untersuchen. Allerdings wird die Schwingung bei großen Amplituden wahrscheinlich zunehmend nichtlinear.
PS: Der Grund, warum Piezos meist selbsterregt betrieben werden, liegt u.a. daran, dass sich der Schwinger im Betrieb erwärmt und die Resonanzfrequenz dadurch driftet.
Noch einmal zum Einschwingen im Eingangspost: C4 und R5 bilden einen Hochpass mit 1ms Zeitkonstante. Dessen Einschwingen siehst Du am Anfang. Der restliche Oszillator sollte nach 50us etwa dort sein wo die Arbeitspunkte hingehören. auch wenn der Zweig jetzt nicht weiter verfolgt wird hauspapa
eric schrieb: > Die Eigenschaften eines Piezos kann man auch bei niedrigen Pegeln > untersuchen. Du scheinst dich ja ziemlich gut mit Piezos auszukennen. Bin ich den überhaupt auf dem richtigen weg mit der Idee den Piezo anzuregen und dann auf eine Messung umzuschalten?
Alex N. schrieb: > Bin ich denn überhaupt auf dem richtigen weg Wenn ich wüsste, wo Du hin willst könnte ich Dir vielleicht eine Antwort geben. Beschreib mal die Aufgabenstellung GANZ GENAU.
Mal so als Ideen eingeworfen: 1. Resonanz messen: Piezo in die positive RK eines OP/ST/KP (Quarzresonator) 2. Mit der dann bekannten F_r einen Rechteck(dipol?)puls gewünschter Amplitude auf den Piezo und Echo messen. Oder mit 'nem RED-PITAYA den Impedanzverlauf messen. Den Leistungsverstärker braucht's dann immer noch ;)
Henrik V. schrieb: > positive RK eines OP/ST/KP > Mit der dann bekannten F_r http://www.acronymfinder.com/
Meine Aufgabenstellung lautet eine geeignete Testumgebung für die Piezoelemente von Ultraschallsonden zu entwickeln. Mir steht hierfür ein Polar Fault Locator 780 (Quasi ein Komponententester) zur Verfügung. Da das Gerät aber nur mit 2kHz misst, ist mein Plan die piezos immer am Anfang des Messzyklus mit einer externen Quelle "anzuschubsen". Der PFL bietet die möglichkeit eine Signatur aufzunehmen und als Referenz für darauffolgende Messungen zu verwenden. Auch ohne externe beschaltung bekomme ich schon geringfügige Abweichungen an gealterten Piezoelementen. Ich erwarte mir von dem "Anstups" Plan das ich jedoch wesentlich markantere Signaturen erhalte und eine viel bessere Gut/Schlecht unterscheidung machen kann.
Ich will Euch keine Geheimnisse entlocken,
aber um einen Rat zu geben,
muss man wissen, worauf es ankommt.
> geeignete Testumgebung
testen worauf ?
Welche Kriterien gelten für GUT/SCHLECHT ?
Wie werden die Piezoelemente im Einsatz betrieben ?
Ich habe den PFL780 kurz im Netz angeschaut, kann mir danach aber keinen
rechten Reim drauf machen.
Ist 2 kHz die Wiederholfrequenz der Messung und was macht er bei der
Messung ? Welche Aussage macht das Gerät mit der 'Signatur' und welche
besseren Ergebnisse möchtest Du haben ?
eric schrieb: > testen worauf ? ich sehe bei ultraschallgeräten beispielsweise, dass das Bild nichtmehr sauber ist und einige Schatten aufweist. Dies kann an verschließenen piezos liegen, am Silikon der US Sonde oder evtl auch am US gerät selbst. Und die piezos als fehler auszuschließen oder ggf. den fehler nachzuweisen geht es. Der PFL legt eine Sinusspannung mit maximal 2khz an das zu testende bauteil an und misst den Strom. Dann wird die Bauteiltypische Signatur aufgezeichnet. Bei einem Wiederstand wäre das die Gerade bei einem Kondensator eine Schleife. Ich bekomme jetz vom gerät quasi die Signatur eines Relativ hohen widerstandes mit geringer Kapazität. Je näher ich im Betriebsbereich Messe wird der Widerstand sinken und die Kapazität steigen (So die HOffnung) und ich bekomme aussagekräftigere Signaturen. Soviel zu meinem abstrusen plan ;)
Du sprichst am Anfang von 3-10 MHz ! Da liegen aber Welten zwischen Deinen Piezos und dem PFL. Wenn Du Piezos testen willst, dann sind die zunächst entscheidenden Fragen: Welche Sendefrequenzen benutzt Ihr, mit welchen Spannungen steuert Ihr an und welche Leistungen strahlt der Piezo ab ? Was nutzt es Dir, wenn Du einen Piezo bei schwacher Aussteuerung für gut befindest und er bei hoher Ansteuerleistung versagt ?
als Leistungsendstufe hat Reichelt noch den LT1210 im Programm LT 1210 CT7 11,90 € Bandbreite: 55MHz Spannungsanstieg: 900 V/µs Versorgungsspannung: ± 5 V bis ± 15 V (leider auch nicht mehr) Bauform: TO-220 (7 pins)
So nach langer Bastelei kann ich mich endlich zurückmelden ;) Ich habe die Schaltung mit den Gates aufgebaut und mit unterschiedlichen Spulen getestet. M1_gut zeigt die Spannung am Piezo ohne Spule . Bild M3_gut mit der größten (1000µH). Aufgrund des Ultraschallbildes weiß ich ja bereits welche Piezos "schlechter" sind als andere. Mit der großen Spule Messe ich zwischen guten und schlechten Piezos realtive große Prozentuale unterschiede in Spannung und Frequenz. Das sind schoneinmal eine gute Grundlage für eine Unterscheidung und Bewertung. Ich werde weiter damit experimentieren :) eric schrieb: > Welche Sendefrequenzen benutzt Ihr, > mit welchen Spannungen steuert Ihr an > und welche Leistungen strahlt der Piezo ab ? Sendefrequenz des USGs ist bei der Sonde die ich momentan teste 8.3 Mhz. Mit der selbsteregung ohne Spule M1_gut schwingt der Piezo aber nur mit ca. 3 Mhz. Die Spannung des USG konnte ich leider bisher nicht Messen da dieses mit sehr hoher wahrscheinlichkeit Dirac Impulse sendet und mein Oszilloskop da nicht mitspielt. Ich wüsste auch nicht wie ich die Leistung ermitteln kann. Christoph K. schrieb: > als Leistungsendstufe hat Reichelt noch den LT1210 im Programm Vielen Dank aber der Lt1227 hat eine höhere slewrate Schöne Grüße Alex
Nachtrag: Am Oszi ist auf AC gestellt. Es handelt sich in Wahrheit eher um pulsierende Gleichspannung.
Ich sagte ja Endstufe, der kann richtig Leistung abgeben, 1,1A bis 35 MHz. Zur Not könnte man das ja noch mit einem Trafo hochtransformieren wie im Datenblatt angedeutet: http://www.linear.com/product/LT1210
@ Christoph Kessler: da der dds noch immer nicht da bin habe ich den zweig noch nicht weiterfolgt und nichts neues auf dem gebiet zu vermelden :) Die Schaltung mit den Gates scheint tatsächlich sehr geeignet zu sein um die Piezos untereinander zu vergleichen. Jetz würde ich gerne für den Anfang die Freuquenz mit einem Arduino erfassen. Sobald ich aber irgendetwas anderes als ein oszi an den Piezo+ Pin meiner Schaltung hänge funktioniert gar nichtsmehr. Spannungsteiler-> Diode (damit nur eine halbwelle kommt) -> Arduino haut nicht hin. Deshalb wollte ich jetz einen Spannungsfolger davorsetzen um die eigentliche Schaltung nicht zu beeinflussen. Aber leider bricht die Spannung am Piezo auch bei meiner aktuellen Schaltung ein. Könnte mir jemand helfen wie ich diese Spannung auf einen Arduino Pin bekomme ? Viele Grüße, Alex
Alex N. schrieb: > Ich habe die Schaltung mit den Gates aufgebaut und mit unterschiedlichen > Spulen getestet. Ich setze voraus, dass der Tastkopf korrekt abgeglichen ist. Die Schwingung im Bild M3 60 kHz hat mit den Schwingeigenschaften des Piezo nichts zu tun, sondern ist die Serienresonanz von L und der Belagkapazität des Piezos. Mit L = 1 mH errechnet sich diese zu C = 7 nF. Der Sinus lässt darauf schliessen, dass Du nicht am Ausgang der Schaltung sondern am Piezo gemessen hast, also mitten im Schwingkreis. Sonst müsste ein Rechteck zu sehen sein. Das unsaubere Bild M1 ist mit ca. 3.3 MHz schon realistischer, allerdings weiss ich nicht, warum das Gate nicht richtig schaltet. Ist die Frequenz vielleicht schon zu hoch ? In der Grundfrequenz ist noch eine Oberwelle von ca. 25 MHz zu sehen. Vielleicht spielt die Induktivität des Kabels zum Piezo hier mit. Ich habe früher immer unter 100 kHz gearbeitet, da kam ein sauberer Rechteck raus. Eventuell baust Du die Schaltung mal diskret auf, mit Transistoren. Hast Du mal mit einem kleineren Rückkopplungswiderstand probiert, z.B. 47 Ohm. Die Idee mit den Dirac-Impulsen ist gut. Wenn der Piezo einen kurzen, kräftigen Stoß erhält, kürzer als seine Eigenperiode, dann schwingt er in seiner mechanischen Eigenfrequenz aus und man müsste einen abklingenden Sinus sehen können. Anfangsamplitude, Frequenz und Abklingzeit lassen die Qualität des Schwingers beurteilen.
Alex N. schrieb: > Sobald ich aber irgendetwas anderes als ein oszi an den Piezo+ Pin > meiner Schaltung hänge funktioniert gar nichtsmehr. Dass am Ausgang der Schaltung kein Rechteck steht, bedeutet dass die Schaltung schon am Verhungern ist und keine weitere Belastung verträgt. Aber mit Tastkopf 10:1 müsste es eigentlich gehen. Für korrekte Messung eignet sich notfalls die Schaltung einer guten elektrischen Aktivantenne (Eingang wenige pF und MOhms, Frequenz bis weit in den MHz-Bereich, Ausgang niederohmig, Betrieb 12V, ca. 100 mA, Verstärkung ca. 1)
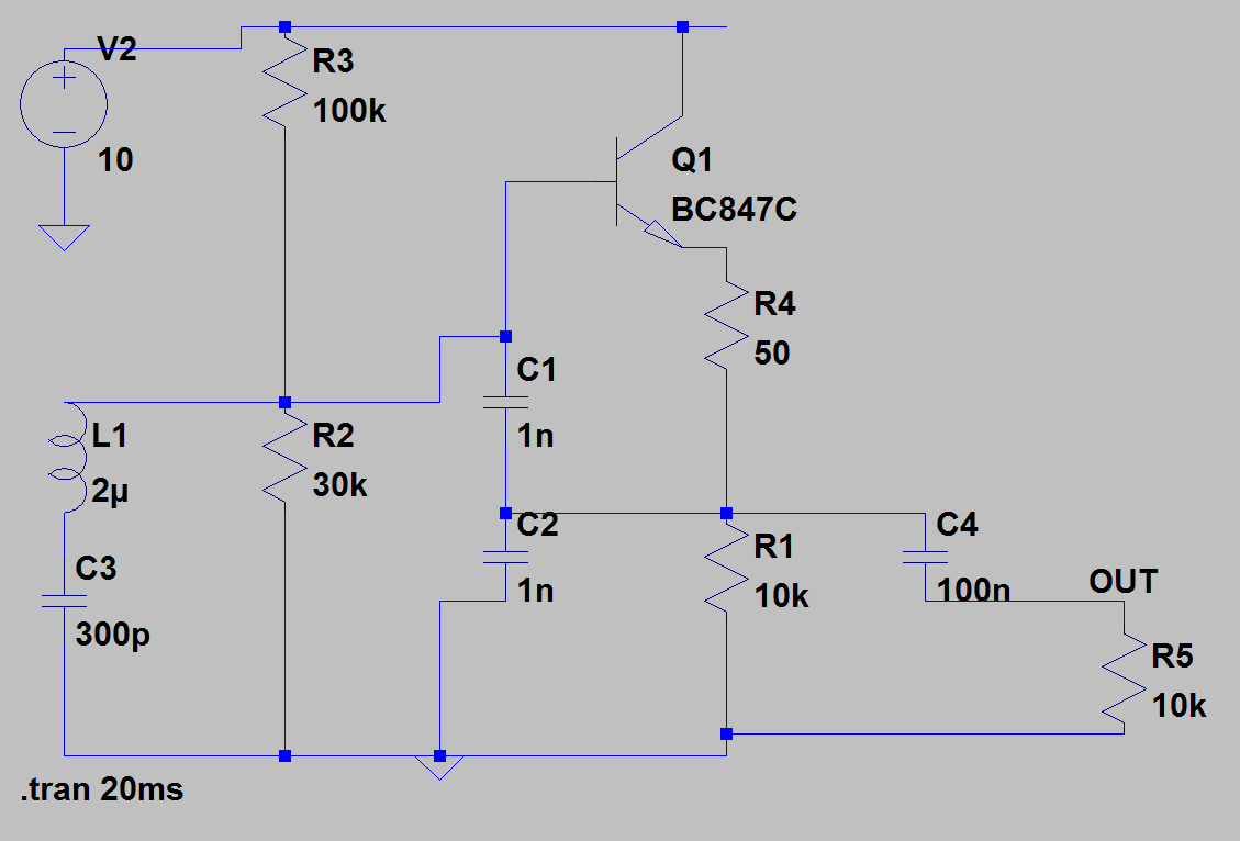
Gemessen habe ich von Masse - zwischen Spule/Piezo. MIttlerweile habe ich die schaltung noch einmal sauberer Aufgebaut und der hohe Gleichspannungsanteil ist verschwunden ? eric schrieb: > Die Schwingung im Bild M3 60 kHz hat mit den Schwingeigenschaften des > Piezo nichts zu tun, sondern ist die Serienresonanz von L und der > Belagkapazität des Piezos. Das bedeutet aber ja das ich auf die Kapazität des Piezos und somit auf seinen Zustand schließen kann ? Ich habe die Schaltungen mit mehreren Spulen getestet. Ich habe jeweils einen guten einen schlechten und einen mittleren Piezo drangehängt. Bei der großen Spule waren die prozentualen unterschiede in der Amplitude und der Frequenz am größten. Durch einen hohen Wiederstand zwischen dem Piezo+ und dem SignalIn meiner oben dargestellten Schaltung bekomme ich mittlerweile ein auswertbares Signal und mein Arudino kann die Frequenz auslesen. Das ist für meine Anwendung schon sehr gut weil ich so einen automatisierten Tester realisieren könnte. Die Messung ist reproduzierbar und aufgrund von Referenzwerten von guten Sonden wäre diese Lösung aussagekräftig. Ich möchte trotzdem weiter probieren. Ich habe mal versucht mit meinem sehr begrentzen Verständnis für Schaltungsentwicklung eine Schaltung mit Transistor aufzubauen. An die beiden Pads kommt der Piezo dran. Ist das schon ungefähr Richtig so? Bei der Dirac Lösung sehe ich das Problem zum einen in der Erzeugung eines vernünftigen Impulses und auch in der Detektion und Auswertung der Antwort. Das wäre wesentlich komplizierter.
Alex N. schrieb: > An die beiden Pads kommt der Piezo dran. Ist das > schon ungefähr Richtig so? Nein, das klappt gar nicht. Es werden 2 Stufen gebraucht. > Wäre das eine geeingete Antennenschaltung? Was ? Aktive Antennen gibt es im Netz en masse. > Detektion und Auswertung der > Antwort. Das wäre wesentlich komplizierter. Nein, zum Beurteilen tut es prima ein Oszi. Ich denk nochmal drüber nach.
Alex N. schrieb: > Die Messung ist reproduzierbar und aufgrund von Referenzwerten > von guten Sonden wäre diese Lösung aussagekräftig. Kann schon sein, dass sich bei kaputten Schwingern der Metallbelag gelöst und damit die Kapazität verändert hat. Du hast sicher recht, man muss einfach experimentieren.
Schönes Projekt,mit modernen Schnösel ICs wird es schwer, da gibt es aber Abhilfe. Verwende so ein Signalerzeuger und treibe damit eine senderöhre wie die GU50 oder GU81m da machen ein paar KV kein Problem:)
DerFlo schrieb: > senderöhre wie die GU50 oder GU81m da machen ein paar KV kein Problem:) eric schrieb: > Senderschaltungen für 3-10 MHz gibt's im Netz zuhauf, > mit Leistungen bis 2 kW. Da fliegt Euch der Piezo um die Ohren.
So nochmal vielen dank an alle die mir geholfen haben :) Ich habe jetzt die Schaltung von Eric im Einsatz. Mit einer Versorgungsspannung von 5 volt erhalte ich eine sehr saubere Rechteckspannung am Ausgang des ersten Gatters. Die lässt sich problemlos vom Arduino auslesen :)
Alex N. schrieb: > Ich habe jetzt die Schaltung von Eric im Einsatz Ist ja schön, aber tatsächlich misst Du jetzt nur die Kapazität und damit die Kontaktierung des Piezos. Wenn es reicht, dann ist's gut, denn die vorstehend angedeutete Stossanregung des Piezos dürfte sich ein wenig aufwendiger gestalten.
Es scheint wohl so, dass die Belagskapazität ausschlagebend ist. Bisher verliefen alle Tests positiv :)
Alex N. schrieb: > Es scheint wohl so, dass die Belagskapazität ausschlagebend ist. Soweit ich mich erinnere, sind Piezobeläge relativ feuchtigkeitsempfindlich. Vielleicht ist das auch bei Euch eine Fehlerursache.
Bitte melde dich an um einen Beitrag zu schreiben. Anmeldung ist kostenlos und dauert nur eine Minute.
Bestehender Account
Schon ein Account bei Google/GoogleMail? Keine Anmeldung erforderlich!
Mit Google-Account einloggen
Mit Google-Account einloggen
Noch kein Account? Hier anmelden.











