Ich habe einen LM317 als Stromquelle verwendet. Das Problem ist, dass der Regler von Leerlauf auf z.B. 1A ca. 3µs benötigt. Ich schalte den Verbraucher allerdings nur < 100ns ein. Da kann ich mir den Regler sparen. Der LM317 ist ja ein linear Regler. Gibt es was vergleichbares als fertigen PID-Regler? Ziel ist es, bis zu 3A im Nanosekundenbereich zu regeln. Die Alternative wäre wohl ein Transistor + OPV.
Du must den Strom nicht abschalten sondern ueber einen Transistor von der Last auf einen Dummywiderstand umschalten. So ist der Regler immer im Betrieb, lediglich der Strom wird von der Last umgeschaltet. Der Regler sieht daher quasi einen Gleichstrom.
R. Egler schrieb: > Ziel ist es, bis zu 3A im Nanosekundenbereich zu regeln. Die Alternative > wäre wohl ein Transistor + OPV. Nö. Die Frage wäre, wie genau es denn sein muss. Eine einfache Transistorschaltung ist schon schnell: LED + --|>|--+ | Soll --R--+--|< BD240 | |S BC546 >|--+ | | | 0.22R | | Masse ----+---+ aber weit weg von Nanosekunden. Ein zusätzlicher OpAmp macht es noch langsamer. Wenn die Gigahertz wie bei Laser-Glasfaser-Datenübertragung vorschwebt, sollte man auch genau dort gucken, mit Bias-Strom und eine Regelschleife nicht pro Puls, sondern vorher wissen wie viel man für den Puls reinstecken muss (ermittelt aus den Wirkungen der vorherigen Impulse).
@ R. Egler (Gast) >Verbraucher allerdings nur < 100ns ein. Da kann ich mir den Regler >sparen. >Der LM317 ist ja ein linear Regler. Gibt es was vergleichbares als >fertigen PID-Regler? Eine Konstantstromquelle auf Basis eines ungesättigten NPN-Transistors. Beitrag "Re: Laser (VCSEL) Strommodulierung mit LM334" Beitrag "Re: Emitterschaltung als Laserdiodentreiber" >Ziel ist es, bis zu 3A im Nanosekundenbereich zu regeln. Bitte etwas genauer. Welche minimale Pulsbreite soll erreicht werden. 1ns? oder eher 100ns? > Die Alternative wäre wohl ein Transistor + OPV. Nö, das ist um Größenordnungen langsamer, selbst mit einem schnellen OPV.
Also für sehr kurze Zeiten ist eine Drossel eine hervorragende Stromquelle. Zusammen mit dem LM317 dürfte das funktionieren. Die Drossel bestromst du mit deinem LM317 mit dem gewünschten Strom, und dann schaltest du die Last in den Stromkreis. Das geht z.B. mit einem FET, der parallel zur Last hängt. Den schaltest du für 100ns aus. Das ist nicht ganz trivial, aber möglich. Wenn der FET aus ist, fließt der Strom durch die Last. Die Drossel sorgt dafür, dass sich der Strom kaum ändert, unabhängig davon, wie lahm deine Stromquelle ist. Bei z.B. einer 100µH-Drossel ändert sich bei 100ns/10V den Strom um nur 1%. Bei entsprechend weniger Spannung an der Last / mehr Induktivität halt weniger. Weil die Drossel ja Vs speichert.
Also erstmal Danke für die Antworten. Die Ansteuerlogik erzeugt Bestenfalls 10 ns-Impulse. Da sind u.a. OPVs drinnen, die schaffen das. Die Spule war auch mein erster Gedanke, aber (hab ich vergessen zu schreiben) das soll auch bei Dauerbetrieb funktionieren. @MaWin ist zwar nicht Laser aber die Idee ist mir vorhin auch gekommen und danke für die Antwort. Das klappt hoffentlich, dass ich den Effektivstrom messe und auf die Impulsform umrechne. Evtl. reicht auch einfach der duty cycle vom Rechteck-Impuls, um genau genug zu liegen. Bei langsamen Impulsen sollte der Mikrocontroller/externer ADC mitkommen und den Impuls vermessen. Möglicherweise kann ich die Daten zusätzlich nutzen. Werde wohl erstmal einiges Messen und versuchen. Nochmal Danke an alle Antworten und wegen dem OPV, ich nutze einen Impedanzwandler und einen Verstärker (beide Strom-Feedback), die schaffen es sogar den 5 ns Impuls vom µC auf 12V zu bekommen.
@ R. Egler (Gast) >Die Ansteuerlogik erzeugt Bestenfalls 10 ns-Impulse. Ganz schön wenig. Da muss man ja in die Richtung 2ns Anstiegszeit arbeiten. >Die Spule war auch mein erster Gedanke, aber (hab ich vergessen zu >schreiben) Die ist auch gut für kurze Pulse. > das soll auch bei Dauerbetrieb funktionieren. Das macht der LM317. >schaffen es sogar den 5 ns Impuls vom µC auf 12V zu bekommen. Schön, aber ob das so sinnvoll ist? Bei solchen kleinen Anstiegszeiten geht man nicht sinnlos auf hohe Spannungen, da bleibt man so niedrig wie möglich, heute im Bereich 3,3V.
Falk B. schrieb: > @ R. Egler (Gast) > >>Die Ansteuerlogik erzeugt Bestenfalls 10 ns-Impulse. > > Ganz schön wenig. Da muss man ja in die Richtung 2ns Anstiegszeit > arbeiten. Genau damit habe ich auch alles Ausgelegt. 2ns Flanken, 10ns Impuls.Und mittlerweile läuft das nicht nur in der Simulation, sondern auch in echt. >>Die Spule war auch mein erster Gedanke, aber (hab ich vergessen zu >>schreiben) > > Die ist auch gut für kurze Pulse. > >> das soll auch bei Dauerbetrieb funktionieren. > > Das macht der LM317. Ja aber es sollte problemlos einstellbar sein und wenn es eine Lösung gibt, bei der ich den Impuls von 10ns-10s stufenlos (bzw. in 5ns Schritte) einstellen kann, dann spare ich mir viele Unterscheidungen. >>schaffen es sogar den 5 ns Impuls vom µC auf 12V zu bekommen. > > Schön, aber ob das so sinnvoll ist? Bei solchen kleinen Anstiegszeiten > geht man nicht sinnlos auf hohe Spannungen, da bleibt man so niedrig wie > möglich, heute im Bereich 3,3V. Ist nicht für Datenübertragung, die 12V brauche ich. Kann leider nicht konkrete Details zur Anwendung schreiben, da Projekt mit einem Industriepartner. Werde aber daraus ein nettes Bastlerprojekt machen und ins wiki stellen, können bestimmt einige auch gebrauchen.
>.. da Projekt mit einem Industriepartner.
... etwas bescheiden, das Wissen, das du dazu an den Tag legst ... ich
wuerd sagen, vergiss es. das wird so nichts. nichts mal schnell.
Sondern sich was muehsam hinziehendes, bis die Grundlagen klar sind,
falls sie das denn je werden.
Erst sollten wir wissen, was das Ganze soll, und nicht einfach eine
Loesung vorwegnehmen, die gar nicht zum Problem passt.
:
Bearbeitet durch User
Lustig wie in dem Forum immer jede Frage endet, dass der Ersteller von nichts eine Ahnung hat und es eh nicht hin bekommt. Das Forum war vor langer Zeit mal gut. Und schön, dass es noch Leute gibt, die sinnvolle Beiträge schreiben. "...was das Ganze soll,..." ist völlig egal, da ich meine Fragen ausschließlich zu einem Teilproblem, das komplett eigenständig ist, gestellt habe.
Niemand regelt eine Spannung so schnell mit einem Spannungsregler. Da muessen andere Konzepte her. Mit einem Opamp sowieso nicht.
Ich habe nie nach einem Spannungsregler gefragt. Nach einem analogen PID-Regler (ist mir eben nicht bekannt, ob es sowas überhaupt gibt) oder eben nach anderen Möglichkeiten das Ziel zu erreichen. Und MaWin hat mir zwei Konzepte gesagt, die mir weiter helfen. Aber für mich ist die Diskussion beendet. Simulation sieht schon mal brauchbar aus, werde es in Echt testen.
Hi R.! Falls Du doch nochmal vorbeischauen solltest bzw. weitere Unterstützung brauchst, dann wäre es schön, wenn Du Deine Aufgabe ausreichend beschreiben würdest. Ob geheim oder nicht, ohne die Lastimpedanz oder deren Ersatzschaltbild zu kennen, kann man die benötigte Stellleistung nicht berechnen. Damit sind auch keine Lösungsvorschläge möglich. Auch der Stromverlauf muss vorgegeben werden. Da Du schon am simulieren bist, könntest Du zumindest die Simulation hier einstellen. Grüße, marcus
In der Simulation kann er ja schon mal die 3A in 100ns bringen. Ob das dann auf Lochraster, resp Streifenleiter, auch noch geht wird sich zeigen.
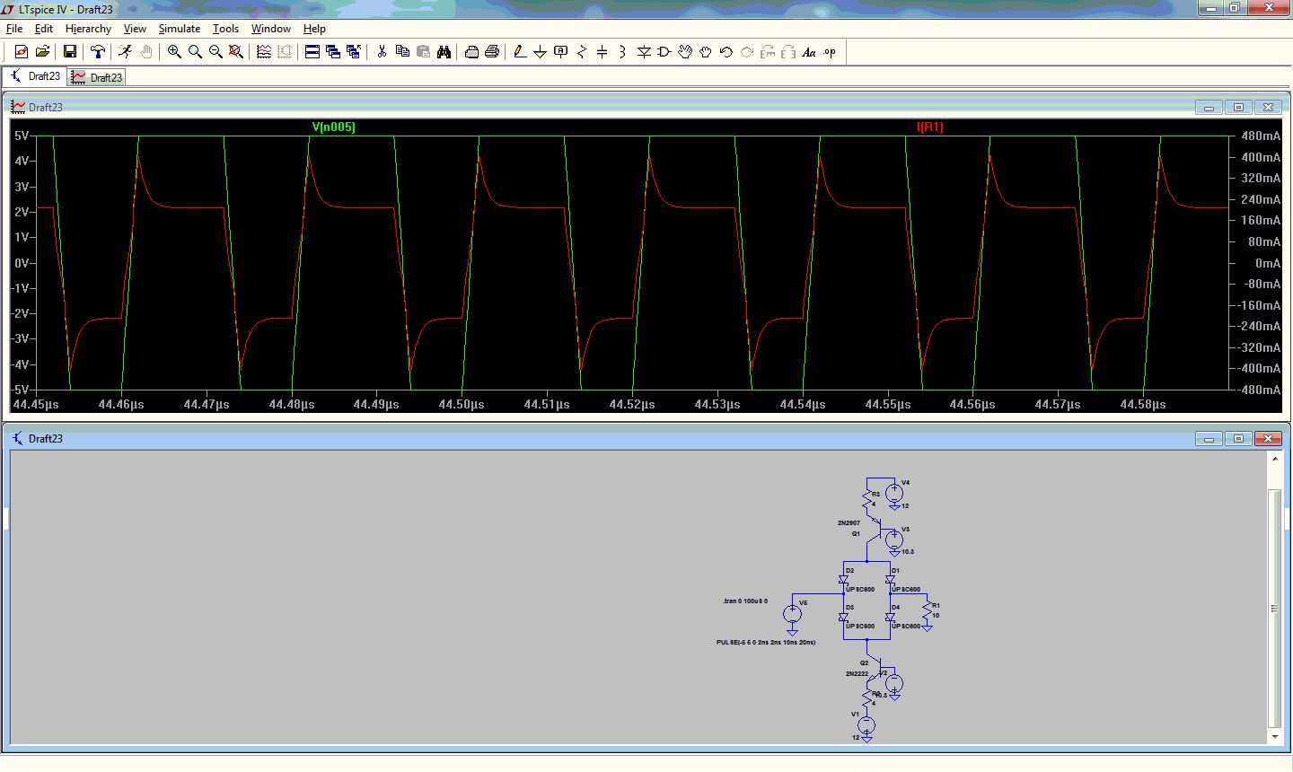
Mal auf die schnelle eine Stromquelle simuliert. Die beiden Stromquellentransistoren arbeiten immer bei einem konstanten Strom. Von der ganzen Schalterei bekommen die nix mit, da brauch sich auch nix einzureglen. Der Diodenring besorgt die ganze Umschalterei zwischen der Last und dem Rechteckgenerator.Das heist die Dioden muessen schnell sein. Der Rechteckgenerator muss lediglich ein Ausgangsignal liefern das groesser ist als der Konstantstrom (hier ca. 250mA) mal dem Lastwiderstand R1 damit die Dioden sauber umschalten koennen. Als Rechteckgenerator koennte mal einen schnellen MOSFET Treiber nehmen der den Strom kann.
@ Helmut Lenzen (helmi1) > stromquelle.bmp > 1,18 MB, 9 Downloads DU Brutus, ähhh Helmut? >Mal auf die schnelle eine Stromquelle simuliert. Die beiden >Stromquellentransistoren arbeiten immer bei einem konstanten Strom. Von >Rechteckgenerator muss lediglich ein Ausgangsignal liefern das groesser >ist als der Konstantstrom (hier ca. 250mA) Beim OP aber 3A. > mal dem Lastwiderstand R1 >damit die Dioden sauber umschalten koennen. Als Rechteckgenerator >koennte mal einen schnellen MOSFET Treiber nehmen der den Strom kann. 3A kann keiner dauerhaft. Das rote Signal ist wahrscheinlich der Strom durch die Last. Das sind aber häßliche Überschwinger. Die Frage ist, in wie weit der Ausgangsstrom veränderlich sein soll? Reicht es, einmal per Poti diesen einzustellen und nur dieser wird dann digitla geschaltet? Oder will man die Luxusversion einer schnellen, leistungsstarken, spannungsgesteuerten Stromquelle, welche dann linear arbeitet, so wie meine Prinzipskizze? Beitrag "Re: Laser (VCSEL) Strommodulierung mit LM334" Ich hab hier ein Buch "Analog Circuits - World Class Designs", da gibt es ein Kapitel über einen Lasertreiber mit 2,5A und 10 MHz mit 20ns Anstiegszeit. Kern der Lösung sind 12 emittergekoppelte Paare aus 2N2222, welche jeweils über 200mA schalten, ECL lässt grüßen. Denn bei 3A und 2ns Anstiegszeit kan man sich nicht mal ein paar hundert nH parasitäre Induktivität leisten! Das Layout ist hier mehr als kritisch.
Also wie gesagt ein VCSEL will ich nicht ansteuern, das darf (wird auch) schwingen. Der Diodenring von Helmut sieht interessant aus. Ich habe etwas ähnliches versucht um zwischen der eigentlichen Last auf eine Ersatzlast zu schalten, da war dann die Last das Problem. Zur Simulation, ich habe gerade nur LTSpice hier, darum ist die Last auch ideal. Werde das nächste Woche in PSpice zu den anderen Blöcken einbauen. Bei a1 ist es einfach ideal dargestellt. Der Faktor Trapez/Rechteck ist 0.24 und bei einem Ampere kommt das ziemlich gut hin. Bei a2 habe ich mal 10mV ribble aus der DC/DC Simulation hinzugefügt, da sieht es noch nicht so gut aus. Wobei für L1 werde ich noch einen besseren Filter verwenden etc. Aber das Prinzip scheint zu funktionieren. Bei langsamen Impulsen kann ich auf den zweiten Shunt zurückgreifen. @Oder Doch ich weiß nicht, wie Du darauf kommst, dass ich Lochraster oder ähnliches nutze? Der andere Teil hat 6 Lagen und auch für den Test werde ich eine 4-Lagige Platine brauchen. Letztendlich was ich dann effektiv baue, ist eine einstellbare Spannungsquelle (DCDC + DAC) und eine Effektivstrommessung. Für letzteres muss ich mich noch einlesen, wie es besser ausgelegt wird. Und bevor Oder wieder einen abfälligen Kommentar loslässt, ja der Shunt ist 16mOhm, ich habe in einem anderen Projekt auch 2,2mOhm verwendet. Und ja sämtliche parasitäre Elemente fehlen, ist ja nur ne Abschätzung.
Falk B. schrieb: > DU Brutus, ähhh Helmut? Sorry Falk, hatte ich nicht drauf geartet. Falk B. schrieb: > Das rote Signal ist wahrscheinlich der Strom durch die Last. Das sind > aber häßliche Überschwinger. Ist halt eine Simulation Falk, ich schaetze mal das kommt von den parasitaeren Kapazitaeten der Dioden. Das ganze sollte auch nur als Beispiel dienen und nicht als Nachbausichere Schaltung.
Bitte melde dich an um einen Beitrag zu schreiben. Anmeldung ist kostenlos und dauert nur eine Minute.
Bestehender Account
Schon ein Account bei Google/GoogleMail? Keine Anmeldung erforderlich!
Mit Google-Account einloggen
Mit Google-Account einloggen
Noch kein Account? Hier anmelden.


