Hallo zusammen, ich habe mir eine kleine el. Last (auf Lochrasterplatine) gebastelt. Den grün umrandeten Teil habe ich doppelt aufgebaut. Funktioniert alles soweit so gut. Ich geben zum Testen 35 Volt und 5 Ampere auf die Schaltung, Strom lässt sich stabil Einstellen. Jedoch raucht immer der gleiche TIP121 nach ca. 20-30Minuten ab. Ich habe den TIP121 schon 3x gewechselt. Immer das selbe Verhalten. Vergleichsmessungen zwischen den beiden Schaltungsteilen habe ich auch durchgeführt, konnte jedoch nicht einen großen Unterschied feststellen. An den 0,1Ohm Widerständen ist die Spannung bis auch 3-4% gleich. Die TIP121 haben 65-70°C direkt an den Metallteil des TO220 Gehäuses. Sitzen zusammen mit den BD317 auf einen ausreichend großen Kühlkörper. Ideen zur Fehlersuche?
Meinst du jetzt, die eine Schaltung funktioniwert und in der zweiten raucht bei gleichen Betriebsbedingungen der Tip121 immer wieder ab. Die 70°C sind gemessen auf dem Kühlkörper? Dann ist er innen aber schon ordentlich an der Grenze. Es könnte sein dass der BD 317 einen Schlag hat und nur eine sehr niedrige Stromverstärkung, dann müsste der TIP zuviel Strom liefern und würde überlastet.
Nachtrag: Das kann man herausfinden indem man bei beiden Schaltungen den Emitterstrom des TIPs misst.
Mika schrieb: > Ich geben zum Testen 35 Volt und 5 Ampere auf die > Schaltung, Strom lässt sich stabil Einstellen. Jedoch raucht immer der > gleiche TIP121 nach ca. 20-30Minuten ab. Ich habe den TIP121 schon 3x > gewechselt. Immer das selbe Verhalten. Perfekt, dann macht der Transistor ja genau das was er laut Hersteller soll: Er verstirbt den Hitzetod. Schön das du das Datenblatt verlinkst, und 35V x 5 A macht deutlich mehr, als im SOA Bereich für diesen Transistor zulässig ist. Wie gedenkst du dies zu verhindern?
Naja die Lösung ist offensichtlich, da fließt zu viel Strom durch und daher wird der zu warm. Widerstand am Kollektor einbauen der den Strom begrenzt. Vorzugsweise berechnest du die Widerstände auch tatsächlich mal. 1k für eine Darlingtonstufe ist schon echt wenig. Da hast du doch nen Stromverstärkungsfaktor von 10000. Selbst wenn der Op-Amp richtig scheisse ist und nur 1mA liefert, ergibt das immer noch 10A. Der TIP IST übrigens selbst schon ein Darlingtontransistor. Wenn du eine Darlingtonstufe selbst bauen will, nimmst du für den vorderen Transistor sowas wie einen 2n3904. Und den beschaltest du mit Widerständen so, dass der seinen erlaubten Betriebsbereich nie verlassen kann (Safe Operation Area, siehe Datenblatt). Alternativ kannst du auch einfach direkt einen Darlingtontransistor nehmen der genug Strom für deine Anwendung verkraftet. Der TIP allein kommt ja schon mit 5A klar. Als Treibertransistor für einen zweiten NPN ist der krass überdimensioniert.
Andrew T. schrieb: > Mika schrieb: >> Ich geben zum Testen 35 Volt und 5 Ampere auf die >> Schaltung, Strom lässt sich stabil Einstellen. Jedoch raucht immer der >> gleiche TIP121 nach ca. 20-30Minuten ab. Ich habe den TIP121 schon 3x >> gewechselt. Immer das selbe Verhalten. > > Perfekt, dann macht der Transistor ja genau das was er laut Hersteller > soll: Er verstirbt den Hitzetod. > > Schön das du das Datenblatt verlinkst, und 35V x 5 A macht deutlich > mehr, als im SOA Bereich für diesen Transistor zulässig ist. > > Wie gedenkst du dies zu verhindern? Schaltung angeguckt? Gesehen welcher Transistor durchbrennt? :) Ich würd auch sagen: Messe Basis-Spannung und -Strom beider Transistoren, in beiden Aufbauten und vergleiche.
Dirk D. schrieb: > Schaltung angeguckt? > Gesehen welcher Transistor durchbrennt? :) Ja, und daher: SOA anschauen .-)
Mika schrieb: > Ideen zur Fehlersuche? Versuche erst mal, einen Schaltplan richtig abzuzeichnen. Denn bei dir fehlt ein Bauteil.
1 | +-------------------+--o Last |
2 | | | |
3 | R1 | |
4 | | | |
5 | Poti----|+\ | |
6 | | | >--+--R6--|I PowerMOSFET |
7 | | +--|-/ | |S auf KK |
8 | | | Cx | |
9 | | | | | |
10 | | +--------+--Rx---+ |
11 | | | |
12 | | Shunt |
13 | | | |
14 | +-------------------+--o |
Erkenne dann, daß der TL072 ein ziemlich blödes Teil ist, denn wenn beim Einschalten der Stromversorgung die +12V schon da sind aber die -5V noch nicht, dann reisst der OpAmp den Ausgang auf +12V, steuert also voll durch. Mika schrieb: > Die TIP121 haben 65-70°C direkt an den Metallteil des TO220 Gehäuses. Schon mal auf die SAO Kurve des Transistors geachtet ? Bei 35V darf er 1A leiten. Zum BD315 bekomme ich kein Datenblatt, da wird wohl drinstecken, was in Indien vom Arbeitstisch fällt.
Andrew T. schrieb: > Perfekt, dann macht der Transistor ja genau das was er laut Hersteller > soll: Er verstirbt den Hitzetod. > > Schön das du das Datenblatt verlinkst, und 35V x 5 A macht deutlich > mehr, als im SOA Bereich für diesen Transistor zulässig ist. > > Wie gedenkst du dies zu verhindern? Ich denke der TO hat den TIP als Treiber für den BD 317 und fälschlicherweise im Schaltplan als Einzeltransistor gezeichnet. Allerdings fehlt mir in seinem Schaltplan der Widerstand in der Rückkopplung und der Kondensator ist ziemlich groß. Siehe: https://www.mikrocontroller.net/articles/Konstantstromquelle#Konstantstromquelle_mit_Operationsverst.C3.A4rker_und_Transistor Vieleicht schwingt der eine Regler auch.
Der Andere schrieb: > Es könnte sein dass der BD 317 einen Schlag hat und nur eine sehr > niedrige Stromverstärkung, dann müsste der TIP zuviel Strom liefern und > würde überlastet. Das ist ein guter Ansatz. Da werde ich als erstes ansetzten. Da immer der selber TIP122 abraucht. Der Andere schrieb: > Die 70°C sind gemessen auf dem Kühlkörper? Ja, festgeschraubt auf dem Kühlkörper. Gemessen aber direkt am TO220 Gehäuse (Metall) (Lade noch ein Bild vom Aufbau hoch) Andrew T. schrieb: > Perfekt, dann macht der Transistor ja genau das was er laut Hersteller > soll: Er verstirbt den Hitzetod. > > Schön das du das Datenblatt verlinkst, und 35V x 5 A macht deutlich > mehr, als im SOA Bereich für diesen Transistor zulässig ist. > > Wie gedenkst du dies zu verhindern? Das sollte so verhindert werden das 2x BD317 die Ströme abbekommen und die TIP121 die BD317 treiben. Michael B. schrieb: > Mika schrieb: >> Ideen zur Fehlersuche? > > Versuche erst mal, einen Schaltplan richtig abzuzeichnen. > Denn bei dir fehlt ein Bauteil. > +-------------------+--o Last > | | > R1 | > | | > Poti----|+\ | > | | >--+--R6--|I PowerMOSFET > | +--|-/ | |S auf KK > | | Cx | > | | | | > | +--------+--Rx---+ > | | > | Shunt > | | > +-------------------+--o > > Erkenne dann, daß der TL072 ein ziemlich blödes Teil ist, > denn wenn beim Einschalten der Stromversorgung die +12V schon > da sind aber die -5V noch nicht, dann reisst der OpAmp den > Ausgang auf +12V, steuert also voll durch. Rx hatte ich vergessen - stimmt - hab ich auch noch in der Schaltung (1K). Der TL072 wie vieles andere auch war eben schon da. Grundsätzlich funktioniert die Schaltung. Auch ein volles Durchsteuern ist nicht da. Sascha schrieb: > Der TIP IST übrigens selbst schon ein Darlingtontransistor. > > Wenn du eine Darlingtonstufe selbst bauen will, nimmst du für den > vorderen Transistor sowas wie einen 2n3904. Und den beschaltest du mit > Widerständen so, dass der seinen erlaubten Betriebsbereich nie verlassen > kann (Safe Operation Area, siehe Datenblatt). > > Alternativ kannst du auch einfach direkt einen Darlingtontransistor > nehmen der genug Strom für deine Anwendung verkraftet. Der TIP allein > kommt ja schon mit 5A klar. Als Treibertransistor für einen zweiten NPN > ist der krass überdimensioniert. Das der TIP ein Darlington ist mir bekannt. Warum sollte ich den nicht nehmen können? Dachte nicht das man zu krass überdimensionieren kann? Michael B. schrieb: > Mika schrieb: >> Die TIP121 haben 65-70°C direkt an den Metallteil des TO220 Gehäuses. > > Schon mal auf die SAO Kurve des Transistors geachtet ? > Bei 35V darf er 1A leiten. Zum BD315 bekomme ich kein Datenblatt, > da wird wohl drinstecken, was in Indien vom Arbeitstisch fällt. Ja hatte ich gemacht. BD317 Hfe lt. Datenblatt 15-25 (bei 5-10A) - Bei 5Ampere teilt sich der Strom durch die zwei BD317 auf 2,5Ampere (BD317 bei 30Volt lt. Datenblatt 5A möglich) macht doch ~ 0,33 Ampere auf der Basis die der TIP121 liefern muss. Der TIP121 kann 1Ampere bei 30Volt. Wenn man noch das Derating mit einbezieht, bei 75°C kann er noch 50% ab, sollte es klappen. Auf jeden Fall schon mal gute Ansätze dabei.
Wenn die beiden regler parallel liegen kan es sein dass sie sich gegenseitig aufschaukeln. Hilfe kann bringen wenn man den C des einen Reglers etwa Faktor 3 gegenübder dem anderen vergrößert, beide Regler also unterschiedlich schnell macht. Hast du mit dem Oszi gemessen, dass da nichts schwingt?
Der Andere schrieb: > Andrew T. schrieb: >> Perfekt, dann macht der Transistor ja genau das was er laut Hersteller >> soll: Er verstirbt den Hitzetod. >> >> Schön das du das Datenblatt verlinkst, und 35V x 5 A macht deutlich >> mehr, als im SOA Bereich für diesen Transistor zulässig ist. >> >> Wie gedenkst du dies zu verhindern? > > Ich denke der TO hat den TIP als Treiber für den BD 317 und > fälschlicherweise im Schaltplan als Einzeltransistor gezeichnet. > > Allerdings fehlt mir in seinem Schaltplan der Widerstand in der > Rückkopplung und der Kondensator ist ziemlich groß. > > Siehe: > > https://www.mikrocontroller.net/articles/Konstantstromquelle#Konstantstromquelle_mit_Operationsverst.C3.A4rker_und_Transistor > > Vieleicht schwingt der eine Regler auch. Den Widerstand habe ich drinnen, nur vergessen aufzuzeichnen (hatte den Plan vorhin aus dem Kopf nachgezeichnet) Mit 10nF zu groß? Sollte ich den Kondensator kleiner Wählen?
Der Andere schrieb: > Wenn die beiden regler parallel liegen kan es sein dass sie sich > gegenseitig aufschaukeln. > Hilfe kann bringen wenn man den C des einen Reglers etwa Faktor 3 > gegenübder dem anderen vergrößert, beide Regler also unterschiedlich > schnell macht. > > Hast du mit dem Oszi gemessen, dass da nichts schwingt? Nein hatte ich noch nicht. Da der Rest der Schaltung (mit reduzierten Gesamtstrom) Problemlos weiter funktioniert. Weiter oben kam schon die Rückmeldung das der Kondensator ggf. zu groß wäre. Dann würde ich einen der Kondensator auf 3,3 bzw. 2,7nF verkleinern.
Mika schrieb: > Mit 10nF zu groß? Sollte ich den Kondensator kleiner Wählen? Man kann für solche Kondensatoren keine Werte angeben. Man muss deren Wert optimieren, in dem man die Reaktion der elektronischen Last mit einem Oszilloskop beobachtet, und auf minimale Überschwinger bei gleichzeitig noch schnelle Regelung achtet unter unterschiedlichen Lasten (bis hin zur Spule als Last). Deine Darlingtons sprechen allerdings für ein langsame Schaltung.
Krass überdimensioniert ist, wenn der Treibertransistor mehr Strom liefern kann als der Leistungstransistor überhaupt an seiner Basis vertragen kann. Diese BD317 sind ja schon enorme Trümmer, aber 5A Basisstrom ist dann doch ein bischen viel für einen Linearregler. Da bist du doch schon tief im Sättigungsbereich wenn du das ausnutzt. Die BD317 haben bei 5A was für eine Stromverstärkung, 70 oder sowas? Brauchst du einen Basisstrom von 5/70=71mA. DAS ist die Größenordnung die dein Treibertransistor liefern können muss. Deine Ansteuerung per Poti geht bis 5V, ergo können am 0,1Ohm Rsense maximal 5V anliegen (Op-Amp Regler macht das, dass das so ist). Sind nach Ohmschen Gesetz 50A. Wenn das deine Spannungsquelle liefern kann, sind immerhin 50*35V=1750W. So, jetzt ist also die maximale Spannung über Rsense bekannt. VceTIP ist also dann maximal 35-5 = 30V. 30V und 71mA ist also das, was dein Treiber-Transistor können muss. Sind etwa 2,2W. Etwas zuviel für einen To92 Transistor aber ein kleiner billiger TO220 reicht da völlig. Muss kein 5A Darlington TIP sein. Jetzt musst du nur noch mit einem Widerstand dafür sorgen, dass der auch im worst-case nicht mehr als 100mA in die Basis vom BD reintreiben kann. Wiedermal das ohmsche Gesetz. Wenn 35V und 5A deine Eckdaten sind, dann fallen am BD übrigens 172,5W Verlustleistung an. Das ist auch mit Kühlkörper dann doch etwas happig.
Sascha schrieb: > Die BD317 haben bei 5A was für eine Stromverstärkung, 70 oder sowas? > > Brauchst du einen Basisstrom von 5/70=71mA. DAS ist die Größenordnung > die dein Treibertransistor liefern können muss. Nein, die haben etwa 25. Dh. bei 2,5A Pro Transsistor dürfte ca. 100 mA Basisstrom fliessen, der Treiber sollte also zumindest auf 200 mA ausgelegt sein.
Ist ja eine Ausgeburt an Effizienz das Ganze. Aber 200mA rechtfertigen immer noch keinen 5A Darlington als Treiber. Zumal das die Regelung auch noch schlechter macht.
Sascha schrieb: > Deine Ansteuerung per Poti geht bis 5V, ergo können am 0,1Ohm Rsense > maximal 5V anliegen (Op-Amp Regler macht das, dass das so ist). Nein, 0,5Volt ist die max. Spannung vom Poti (s. Skizze im ersten Beitrag). = 5Ampere Pro TIP121/BD317/0,1Ohm im Zweig >> x2 = 10Ampere max. Strom insgesamt. Sascha schrieb: > 30V und 71mA ist also das, was dein Treiber-Transistor können muss. Sind > etwa 2,2W. Etwas zuviel für einen To92 Transistor aber ein kleiner > billiger TO220 reicht da völlig. Muss kein 5A Darlington TIP sein. Wie gesagt, TIP121 hab ich eine Handvoll in der Kiste.
Sascha schrieb: > immer noch keinen 5A Darlington als Treiber. Du solltest mal zwischen absolut max. Ratings und der realen Welt unterscheiden. Bei 60° C auf dem Kühlkörper kann er gerade mal noch 40W max. ab, also besser nicht über 30W. Dann darf er beim Einsatz in einer Stromquelle an der vieleicht 30V abfallen gerade mal noch 1A. Also schon ist er nicht mehr so dick überdimensioniert. Sascha schrieb: > Ist ja eine Ausgeburt an Effizienz das Ganze. Nein ist ein bopolarer Leistungstransistor. Die alten 2N 3055 oder 3771 3772 waren eher noch schlechter.
Achso, ich hatte das als Intervall 0..5V gelesen. Der BD317 hat doch mehr so ein hfe von 50. Damit kann man ja jetzt rechnen, nicht? Und wenn du den TIP hast: Gut dann nimm den halt und schalte einen Widerstand davor um den Strom auf unter 500mA zu bekommen.
Der Andere schrieb: > Sascha schrieb: >> immer noch keinen 5A Darlington als Treiber. > > Du solltest mal zwischen absolut max. Ratings und der realen Welt > unterscheiden. > Bei 60° C auf dem Kühlkörper kann er gerade mal noch 40W max. ab, also > besser nicht über 30W. Dann darf er beim Einsatz in einer Stromquelle an > der vieleicht 30V abfallen gerade mal noch 1A. > Also schon ist er nicht mehr so dick überdimensioniert. Da der Basisstrom deutlich niedriger als 1A ist: Doch, ist ein ziemlich fetter Treibertransistor. > > Sascha schrieb: >> Ist ja eine Ausgeburt an Effizienz das Ganze. > > Nein ist ein bopolarer Leistungstransistor. Die alten 2N 3055 oder 3771 > 3772 waren eher noch schlechter. Mag sein, aber ich spielte eher drauf an dass in der Schaltung alles komplett verheizt wird obwohl man ja noch einen Schaltregler hätte davorsetzen können der erstmal ein bischen Spannung wegnimmt. Dann würde man von 172W Verlustleistung am BD etwas runterkommen. Dann werden die Kühlkörper kleiner, die Spannungsversorgung kann kleiner und billiger werden, man verbrennt sich an keinem Bauteil die Hände mehr...
Nur mal ein OT-Hinweis am Rande: Waere der BTS141 nicht ein nutzbarer Transistor - bzw. eher IC - bei den vielen Schutzschaltungen: http://www.infineon.com/dgdl/Infineon-BTS141-DS-v01_04-en.pdf?fileId=db3a30433a747525013ac0050af054df Hier wird er wohl genutzt: http://www.arachnidlabs.com/blog/2013/02/05/introducing-re-load/
Natürlich. Aber der TE will ja den Kram benutzen den er in der Bastelkiste rumfliegen hat. Und für eine lineare Stromregelung kannste eigentlich jeden Kappes nehmen der einigermaßen Strom und Spannung abkann. Und sehr heiss werden darf.
Sascha schrieb: > Mag sein, aber ich spielte eher drauf an dass in der Schaltung alles > komplett verheizt wird obwohl man ja noch einen Schaltregler hätte > davorsetzen können der erstmal ein bischen Spannung wegnimmt. Das ist eine elektronische Last, da SOLL die Energie verbraten werden.
Mh ja, hatte jetzt die ganze Zeit an eine Stromquelle gedacht und nicht an die elektronische Last. Ja, in dem Fall stimmt das. Nur hoffentlich schaut sich das hier keiner an der von Google kommt und nur eine Stromregelung braucht.
Sascha schrieb: > Mh ja, hatte jetzt die ganze Zeit an eine Stromquelle gedacht und nicht > an die elektronische Last. Ja, in dem Fall stimmt das. > Nur hoffentlich schaut sich das hier keiner an der von Google kommt und > nur eine Stromregelung braucht. -> Na deswegen auch die Überschrift StromSENKE / el. Last :)
Der Andere schrieb: > Wenn die beiden regler parallel liegen kan es sein dass sie sich > gegenseitig aufschaukeln. > Hilfe kann bringen wenn man den C des einen Reglers etwa Faktor 3 > gegenübder dem anderen vergrößert, beide Regler also unterschiedlich > schnell macht. Wie macht man so was bei mehreren Zweigen? Nehmen wir mal 5 parallel geschalteten?
Allgemein in der Regelungstechnik: Die Regelungsverstärkung reduzieren was dann die Phasenreserve erhöht. Dadurch wird deine Regelung langsamer.
Sascha schrieb: > Allgemein in der Regelungstechnik: Die Regelungsverstärkung reduzieren > was dann die Phasenreserve erhöht. > Dadurch wird deine Regelung langsamer. Also z.B. weg vom TIP121 in meinem Fall.
Thomas J. schrieb: > Waere der BTS141 nicht ein nutzbarer Transistor - bzw. eher IC - bei den > vielen Schutzschaltungen: Nein, der schaltet, der ist nicht für Linearbetrieb. LM395 wäre passender.
Michael B. schrieb: > Thomas J. schrieb: > >> Waere der BTS141 nicht ein nutzbarer Transistor - bzw. eher IC - bei den >> vielen Schutzschaltungen: > > Nein, der schaltet, der ist nicht für Linearbetrieb. > > LM395 wäre passender. Bei 1 Ampere max. Output und (3,40€ @ Reichelt) nicht wirklich sinnvoll als Ersatz für BD317 (zumindest in der Anwendung hier)
Mika schrieb: > Bei 1 Ampere max. Output und (3,40€ @ Reichelt) nicht wirklich sinnvoll > als Ersatz für BD317 (zumindest in der Anwendung hier) Das muss auch mit den benutzten Transistoren funktionieren. Hast du jetzt mal den Emitterstrom gemessen? Hast du ein Oszi um das Lastverhalten und Schwingungen zu sehen? Beachte was Michael gesagt hat: Michael B. schrieb: > Mika schrieb: >> Mit 10nF zu groß? Sollte ich den Kondensator kleiner Wählen? > > Man kann für solche Kondensatoren keine Werte angeben. > > Man muss deren Wert optimieren, in dem man die Reaktion der > elektronischen Last mit einem Oszilloskop beobachtet, und auf minimale > Überschwinger bei gleichzeitig noch schnelle Regelung achtet unter > unterschiedlichen Lasten (bis hin zur Spule als Last). Ansonsten steht eigentlich das Wichtige in https://www.mikrocontroller.net/articles/Konstantstromquelle#Konstantstromquelle_mit_Operationsverst.C3.A4rker_und_Transistor
Der Andere schrieb: > Mika schrieb: >> Bei 1 Ampere max. Output und (3,40€ @ Reichelt) nicht wirklich sinnvoll >> als Ersatz für BD317 (zumindest in der Anwendung hier) > > Das muss auch mit den benutzten Transistoren funktionieren. > Hast du jetzt mal den Emitterstrom gemessen? > Hast du ein Oszi um das Lastverhalten und Schwingungen zu sehen? > > Beachte was Michael gesagt hat: > > Michael B. schrieb: >> Mika schrieb: >>> Mit 10nF zu groß? Sollte ich den Kondensator kleiner Wählen? >> >> Man kann für solche Kondensatoren keine Werte angeben. >> >> Man muss deren Wert optimieren, in dem man die Reaktion der >> elektronischen Last mit einem Oszilloskop beobachtet, und auf minimale >> Überschwinger bei gleichzeitig noch schnelle Regelung achtet unter >> unterschiedlichen Lasten (bis hin zur Spule als Last). > > Ansonsten steht eigentlich das Wichtige in > https://www.mikrocontroller.net/articles/Konstantstromquelle#Konstantstromquelle_mit_Operationsverst.C3.A4rker_und_Transistor Verdiene im Moment noch meine Brötchen ... werde gegen später noch Oszi anwerfen + den Emitterstrom messen. Werden rückmeldung auf jeden Fall posten. Danke hier auf jeden Fall an alle für alle Tipps!
Michael B. schrieb: > Thomas J. schrieb: > >> Waere der BTS141 nicht ein nutzbarer Transistor - bzw. eher IC - bei den >> vielen Schutzschaltungen: > > Nein, der schaltet, der ist nicht für Linearbetrieb. Ahja - dann sind die Typen von http://www.arachnidlabs.com/blog/2013/02/05/introducing-re-load/ wohl schon seit geraumer Zeit auf dem Holzweg, wenn die el. Lasten mit dem BTS141 oder dessen kleinem Bruder verkaufen. Im Datenblatt steht "Analog driving possible" und auch die Kennline (Typ. transfer characteristics) sieht m.E. danach aus. Verstehe ich da was falsch?
Thomas J. schrieb: > Verstehe ich da was falsch? Den Unterschied zwischen Bastelpfusch und Elektronikentwicklung. Der BTS141 hat im Datenblatt kein SOA Diagramm, und damit ist er ungeeignet für Linearbetrieb, denn man weiss nicht, wie weit man ihn belasten darf. Daß er bei Übertemperatur abregelt heisst ja nicht, daß er hot spots auf der Chipoberfläche erkennt. Man verwendet für funktionierende Linearschaltungen prinzipiell keine Transistoren ohne SOA Diagramm. Daß Bastelpfuscher sich rausreden mit "ich habe es ausprobiert, zumindest bei meinem Exemplar funktioniert es" wasauchimmer 'es' heisst, kann ja nur 20V 1A (guck dir mal den lächerlichen Kühlkörper an) gewesen sein, ist keine Entschuldigung.
Thomas J. schrieb: > Ahja - dann sind die Typen von > > http://www.arachnidlabs.com/blog/2013/02/05/introducing-re-load/ > > wohl schon seit geraumer Zeit auf dem Holzweg, wenn die el. Lasten mit > dem BTS141 oder dessen kleinem Bruder verkaufen. Ja. Das Chipdesign ist weder für Analogbetrieb ausgelegt noch schützen die internen Schutzmaßnahmen bei selbigem verlässlich.
Michael B. schrieb: > Der BTS141 hat im Datenblatt kein SOA Diagramm, und damit ist er > ungeeignet für Linearbetrieb, denn man weiss nicht, wie weit man ihn > belasten darf. Sehe ich auch so. Mich wundert es kein bisschen dass der schnell den Hitzetod stirbt. Am besten einen Transsitor nehmen der für so etwas ausgelegt ist. Ich habe mal so einen hier verwendet : IXTN90N25L2 von Ixys, SOA im Anhang
Danke euch fuer die Erlaeuterungrn! Das habe ich nun verstanden. Schoenen Abend noch!
Michael B. schrieb: > Mika schrieb: >> Ideen zur Fehlersuche? > > Versuche erst mal, einen Schaltplan richtig abzuzeichnen. > Denn bei dir fehlt ein Bauteil. > >
1 | > +-------------------+--o Last |
2 | > | | |
3 | > R1 | |
4 | > | | |
5 | > Poti----|+\ | |
6 | > | | >--+--R6--|I PowerMOSFET |
7 | > | +--|-/ | |S auf KK |
8 | > | | Cx | |
9 | > | | | | |
10 | > | +--------+--Rx---+ |
11 | > | | |
12 | > | Shunt |
13 | > | | |
14 | > +-------------------+--o |
15 | > |
> > Erkenne dann, daß der TL072 ein ziemlich blödes Teil ist, > denn wenn beim Einschalten der Stromversorgung die +12V schon > da sind aber die -5V noch nicht, dann reisst der OpAmp den > Ausgang auf +12V, steuert also voll durch. > > Mika schrieb: >> Die TIP121 haben 65-70°C direkt an den Metallteil des TO220 Gehäuses. > > Schon mal auf die SAO Kurve des Transistors geachtet ? > Bei 35V darf er 1A leiten. Zum BD315 bekomme ich kein Datenblatt, > da wird wohl drinstecken, was in Indien vom Arbeitstisch fällt. Michael, da fehlen mehr als nur ein paar Bauteile, da fehlt auch der Transistor, der am Shunt dafür sorgt daß wenn die zu belastende Spannung abgeklemmt und wieder angeklemmt wird das Ding nicht sofort in Rauch und Knall aufgeht weil der Regel-OPV natürlich den Transistor ganz aufmacht wenn kein Strom fließt... Grüße MiWi
MiWi schrieb: > weil der Regel-OPV natürlich den Transistor ganz aufmacht > wenn kein Strom fließt. ...weil es ein Problem ist wenn ein Transistor stromlos aufmacht? ;) Verstehe nicht so ganz das Problem. Kein Strom-> keine verbratene Leistung-> kein Problem..
Der Andere schrieb: > Es könnte sein dass der BD 317 einen Schlag hat und nur eine sehr > niedrige Stromverstärkung, dann müsste der TIP zuviel Strom liefern und > würde überlastet. Nicht nur niedrige Stromverstärkung, sondern gar keine. Der TIP121 hat im zweiten Zweig die Arbeit übernommen. Strom gesamt : 3 A Zweig 1: Strom Emitter TIP121 Basis DB317 - 0,004 Ampere Zweig 2: Strom Emitter TIP121 Basis DB317 - 1,545 Ampere Hab den BD317 getauscht, jetzt habe ich bei beiden ~ gleiche Werte! Hab seit 30 Minuten > 4 Ampere mit 35 Volt, läuft prima, die TIP121 Temperatur ist nur noch 50°C (vorher 70+) Stärkeres Netzteil für mehr Strom + Oszi (zwecks Schwingen) folgt die Tage. Werde mit dem Oszi bestimmt unterstüzung brauchen. Danke!
Mika schrieb: > Der TIP121 hat > im zweiten Zweig die Arbeit übernommen. Exakt das versuchte ich Dir in meinem Post oben nahezubringen: Der TIP121 wird überlastet , und das ist klar aus der SOA und dem Fehlerverhalten erkennbar gewesen. Schön, das es nun verstanden wurde und du das Problem gelöst hast..
Andrew T. schrieb: > Exakt das versuchte ich Dir in meinem Post oben nahezubringen: Der > TIP121 wird überlastet , und das ist klar aus der SOA und dem > Fehlerverhalten erkennbar gewesen. In welchem Post?
David P. schrieb: > MiWi schrieb: >> weil der Regel-OPV natürlich den Transistor ganz aufmacht >> wenn kein Strom fließt. > > ...weil es ein Problem ist wenn ein Transistor stromlos aufmacht? ;) > Verstehe nicht so ganz das Problem. Kein Strom-> keine verbratene > Leistung-> kein Problem.. Und dann klemmst Du die Batterie, die Du mit der elektronischen Last testen willst an.... Was passiert wohl? Der OPV hat den Lasttransistor vollständig aufgemacht. Nun beginnt, weil Batterie angeklemmt - Strom von der Batterie beginnt zu fließen. Viel Strom, richtig viel Strom. Und bevor der OPV nur ein bischen zurückregeln entweicht der magische Rauch aus dem Transistor. Denn damit die Regelung nicht schwingt ist sie mit einem kleinen C bedämpft, der in diesem Fall auch die Reaktionszeit begrenzt... Das fatale daran ist: das passiert auch wenn nur 100mA als Laststrom eingestellt sind und keine Quelle angeschlossen ist.... Daher der zusätzliche Transistor über dem Shunt, der die Basis oder das Gate für solche Fälle solange klemmt bis der OPV wieder die Regelung übernommen hat. Vor allem dann wichtig wenn mehr als 1 Last-Transistor im Spiel sind... hth MiWi
David P. schrieb: > MiWi schrieb: >> weil der Regel-OPV natürlich den Transistor ganz aufmacht >> wenn kein Strom fließt. > > ...weil es ein Problem ist wenn ein Transistor stromlos aufmacht? ;) > Verstehe nicht so ganz das Problem. Kein Strom-> keine verbratene > Leistung-> kein Problem.. Er spielt wohl darauf an, wenn man nix dran hat und dann was anklemmt ist der Transistor ja offen und die Regelschaltung muss erstmal runter regeln. Auf der anderen Seite: Einen Peak können die Transistoren eigentlich schon ab, ich sehe da erstmal auch keine Probleme.
Michael K. schrieb: > David P. schrieb: >> MiWi schrieb: >>> weil der Regel-OPV natürlich den Transistor ganz aufmacht >>> wenn kein Strom fließt. >> >> ...weil es ein Problem ist wenn ein Transistor stromlos aufmacht? ;) >> Verstehe nicht so ganz das Problem. Kein Strom-> keine verbratene >> Leistung-> kein Problem.. > > Er spielt wohl darauf an, wenn man nix dran hat und dann was anklemmt > ist der Transistor ja offen und die Regelschaltung muss erstmal runter > regeln. Auf der anderen Seite: Einen Peak können die Transistoren > eigentlich schon ab, ich sehe da erstmal auch keine Probleme. Dann mach mal mit voll geladenen 2$V-Batterien, die getestet werden sollen. BDST. Der Transistor, Vorwiderstand und ein bischen Nachdenken wie dimmensioniert man das ganze kostet nix und bringt genau dann viel wenn es mangels Aufmerksamkeit in der WErkstatt drunter und drüber geht... Grüße MiWi
MiWi schrieb: > Daher der zusätzliche Transistor über dem Shunt, der die Basis oder das > Gate für solche Fälle solange klemmt bis der OPV wieder die Regelung > übernommen hat. Kannst du mal als Schaltplan zeichnen wie genau du das meinst. Mika schrieb: > Hab seit 30 Minuten > 4 Ampere mit 35 Volt, läuft prima, die TIP121 > Temperatur ist nur noch 50°C (vorher 70+) Prima. Was mir noch einfällt. Der Aluwinkel ist zwar schon recht massiv. aber je nachdem wie viel Wärme weg soll könnte er noch zu schwach sein. Bevor du also mit 100W und mehr belastest messe mal wie groß die Temperaturdifferenz über den Winkel ist.
Der Andere schrieb: > MiWi schrieb: >> Daher der zusätzliche Transistor über dem Shunt, der die Basis oder das >> Gate für solche Fälle solange klemmt bis der OPV wieder die Regelung >> übernommen hat. > > Kannst du mal als Schaltplan zeichnen wie genau du das meinst. Rechnen mußt du selber. Grüße MiWi
Der Andere schrieb: > Danke MiWi Danke - werde versuchen das in das Projekt mit einfließen zu lassen.
Der Andere schrieb: > Was mir noch einfällt. Der Aluwinkel ist zwar schon recht massiv. aber > je nachdem wie viel Wärme weg soll könnte er noch zu schwach sein. > Bevor du also mit 100W und mehr belastest messe mal wie groß die > Temperaturdifferenz über den Winkel ist. Werde ich im Auge behalten und Temperatur messen.
MM schrieb: > Thomas J. schrieb: >> Ahja - dann sind die Typen von >> >> http://www.arachnidlabs.com/blog/2013/02/05/introducing-re-load/ >> >> wohl schon seit geraumer Zeit auf dem Holzweg, wenn die el. Lasten mit >> dem BTS141 oder dessen kleinem Bruder verkaufen. > > Ja. > > Das Chipdesign ist weder für Analogbetrieb ausgelegt noch schützen die > internen Schutzmaßnahmen bei selbigem verlässlich. Da magst Du richtig liegen, das Ding wird ja als "Switch" beworben. Ich wäre von daher beim Linearbetrieb sehr vorsichtig. Allerdings steht auf S.1 des Datenblatts "All kinds of ... loads in switching or linear applications". Da weiss wohl nur der Hersteller mehr.
Bernhard D. schrieb: > Allerdings steht auf S.1 des Datenblatts "All kinds of ... loads in > switching or linear applications". Da weiss wohl nur der Hersteller > mehr. Die 3 dort angesprochenen Arten der Last steuern oder selber gesteuerte Last sein würde ich nicht gleichsetzen. Nur durch eine Last kann die Spannung über dem FET variieren, damit alle Mitglieder seiner internen Parallelwelt vom Strom was abbekommen. Ansonsten sehe ich die Gefahr einer partiellen Überlastung, ohne das äußere Maximalwerte überschritten werden müssten.
David P. schrieb: > Michael B. schrieb: >> Der BTS141 hat im Datenblatt kein SOA Diagramm, und damit ist er >> ungeeignet für Linearbetrieb, denn man weiss nicht, wie weit man ihn >> belasten darf. > > Sehe ich auch so. Mich wundert es kein bisschen dass der schnell den > Hitzetod stirbt. Am besten einen Transsitor nehmen der für so etwas > ausgelegt ist. > > Ich habe mal so einen hier verwendet : IXTN90N25L2 von Ixys, SOA im > Anhang Lustiges Teil - aber für eine "Hobbystromsenke" ist es mit 35€ etwas oversized.
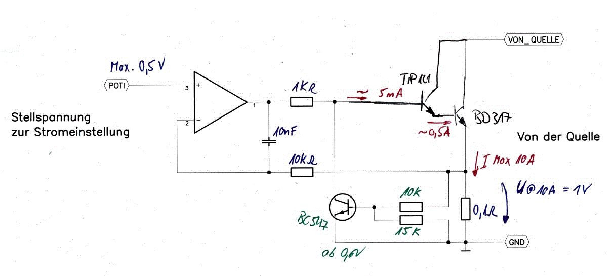
Mika schrieb: > Der Andere schrieb: >> Danke MiWi > > Danke - werde versuchen das in das Projekt mit einfließen zu lassen. So möglich? -> s. Anhang
Mika schrieb: > Mika schrieb: >> Der Andere schrieb: >>> Danke MiWi >> >> Danke - werde versuchen das in das Projekt mit einfließen zu lassen. > > > So möglich? -> s. Anhang ändere den 10k/15k an der Basis vom BC547 auf 1k/1k5. Der bc547 muß schnell sein und wenn Du die Widerstände zu hochohmig machst kann er ev. nicht den gesamten Basisstrom übernehmen. Ich mach das mit FETs, da hab ich ein paar Freiheiten für solche Spielereien, die Schwingneigung war noch nie ein Problem aber ich muß auch nicht in ns den Lastwiderstand ändern, mir reicht 1ms als Sprungzeit aus. den Rest kann ich nicht nachvollziehen (max. 10A über einem 0,1 Ohm Shunt aber 0-0,5V am Poti geht sich irgendwie mit meiner Rechenkunst nicht aus) Grüße MiWi
MiWi schrieb: > ändere den 10k/15k an der Basis vom BC547 auf 1k/1k5. Der bc547 muß > schnell sein und wenn Du die Widerstände zu hochohmig machst kann er ev. > nicht den gesamten Basisstrom übernehmen. Ok. Werde ich heute Abend dann so aufbauen. MiWi schrieb: > Ich mach das mit FETs, da hab ich ein paar Freiheiten für solche > Spielereien, die Schwingneigung war noch nie ein Problem aber ich muß > auch nicht in ns den Lastwiderstand ändern, mir reicht 1ms als > Sprungzeit aus. soweit bin ich noch nicht ;) MiWi schrieb: > den Rest kann ich nicht nachvollziehen (max. 10A über einem 0,1 Ohm > Shunt aber 0-0,5V am Poti geht sich irgendwie mit meiner Rechenkunst > nicht aus) Ich musste ja einen Wert annehmen wenn die Strombegrenzung einsetzen soll. Also hab ich 10Ampere genommen. Unabhängig davon - Dauerstrom hatte ich pro Zweig 5 Ampere vorgesehen gehabt. Deswegen max. 0,5volt vom Poti und 0,1Ohm Shunt @ 5 Ampere = 0,5 Volt. Danke + Gruß
@ MiWi (Gast) >ändere den 10k/15k an der Basis vom BC547 auf 1k/1k5. Der bc547 muß >schnell sein und wenn Du die Widerstände zu hochohmig machst kann er ev. >nicht den gesamten Basisstrom übernehmen. Ich würde das so oder so nicht so machen. Ich würde besser die Kollektorspannung per Spannungsteiler überwachen und wenn diese unter 2V sinkt, wird der Treiber abgeschaltet. Dann ist er nämlich inaktiv, wenn die Last abgeklemmt ist bzw. erst angeklemmt wird. Dann muss man auch nicht schnell abschalten und es gibt auch keinen Stromstoß beim Kontaktieren.
Falk B. schrieb: > @ MiWi (Gast) > >>ändere den 10k/15k an der Basis vom BC547 auf 1k/1k5. Der bc547 muß >>schnell sein und wenn Du die Widerstände zu hochohmig machst kann er ev. >>nicht den gesamten Basisstrom übernehmen. > > Ich würde das so oder so nicht so machen. Ich würde besser die > Kollektorspannung per Spannungsteiler überwachen und wenn diese unter 2V > sinkt, wird der Treiber abgeschaltet. Dann ist er nämlich inaktiv, wenn > die Last abgeklemmt ist bzw. erst angeklemmt wird. Dann muss man auch > nicht schnell abschalten und es gibt auch keinen Stromstoß beim > Kontaktieren. Deine Lösung gehört in die globale Regelschleife des gesamten Systems mit Regelzeiten von etlichen ms. Aber nicht an den Einzeltransistor. Meine arbeitet lokal am Transitor binnen ein paar us und retet dem sein Leben. "besser" ist daher gar nix weil sie in unterschiedlichen Schaltungsbereichen arbeiten und im Konzept "elektronische Last" zusammengehören. Grüße MiWi
Nachdem was ich über elektronische Lasten hier gelesen hab, ist der geteilte Aufbau wie Du ihn machst nur bei FETs als "Heizung" erforderlich. Warum schaltest Du die BD317 nicht parallel und vereinfachst damit Deine Schaltung? Hab ich da was übersehen? Viel Erfolg bei der Fehlersuche und Problembehebung :-)
Michael K. schrieb: > David P. schrieb: >> MiWi schrieb: >>> weil der Regel-OPV natürlich den Transistor ganz aufmacht >>> wenn kein Strom fließt. >> >> ...weil es ein Problem ist wenn ein Transistor stromlos aufmacht? ;) >> Verstehe nicht so ganz das Problem. Kein Strom-> keine verbratene >> Leistung-> kein Problem.. > > Er spielt wohl darauf an, wenn man nix dran hat und dann was anklemmt > ist der Transistor ja offen und die Regelschaltung muss erstmal runter > regeln. Auf der anderen Seite: Einen Peak können die Transistoren > eigentlich schon ab, ich sehe da erstmal auch keine Probleme. FETs ja, aber BJTs kommen in den zweiten Durchbruch und platzen dann.
Die BJTs haben einen 2. Durchbruch, aber die MOSFETs haben den Spirito Effekt, der sich praktisch gleich auswirkt: die SAO Kurve wird bei höheren Spannungen nach unten verschoben. Bei MOSFETs hat man dabei noch den kleinen Nachteil, dass die meisten Typen nicht für den Linearbetrieb spezifiziert sind und es gibt auch Datenblätter die mit der SOA kurve wohl etwas zu optimistisch waren: wenn da der zusätzliche Knick auf Grund des Sprito Effekts fehlt sollte man misstrauisch sein. Man muss also sowohl bei BJTs als auch MOSFETs auf die SOA Kurve achten. 5 A bei gut 30 V sind eher zu viel für einen Transistor. Schon 150 W von einem Teil weg zu bekommen ist eher schwer.
Lurchi schrieb: > Schon 150 W von > einem Teil weg zu bekommen ist eher schwer. Das würde mir viel mehr Sorgen machen. Ich würde einem Transistor eigentlich nicht mehr als 50 W auferlegen.
Interresante Diskussion hier :-) Was ich mich die ganze Zeit frage: warum hast du eigentlich 2 Regler aufgebaut? Wenn mir die Leistung eines Transistors nicht reichen würde wäre meine erste Idee, nur die Darlingtons und Shunts aufzudoppeln. Die Shunts wären dann gleichzeitig Symmetrierwiderstände, Summenbildung über die ohnehin notwendigen (dann halt 2) Widerstände in der Feedback-Schleife.
Tilo R. schrieb: > Was ich mich die ganze Zeit frage: warum hast du eigentlich 2 Regler > aufgebaut? Vor dem Basteln habe ich ein wenig gelesen zu dem Thema, viel hier im Forum. Da war öfters die Meinung zu lesen das man besser/stabiler fährt wenn man das OP+Transistor einzeln aufbaut. Ich habe in dem Bereich wenig Erfahrung, somit habe ich mich dafür (auch aus Unwissenheit) entschieden. Ich seh das hier als Lernprojekt. Somit ist es nicht wild wenn ich nicht gleich zum Ziel komme. Michael K. schrieb: > Das würde mir viel mehr Sorgen machen. Ich würde einem Transistor > eigentlich nicht mehr als 50 W auferlegen. Nach ein paar Testläufen kann ich für mich sagen, 75W pro Transistor geht gut. Wenn die Spannung unter 20Volt bleibt auch 100W. 20V - 10 A - ok (KK am BD317 aber mit 90°C am Ende / Aluwinkel Ecke 75°C / Kühltunnel hat dann 55-60°C) 20V - 8 A - ok (KK am BD317 aber mit <80°C / Aluwinkel Ecke 68°C / Kühltunnel hat dann <50°C) 30V - 8 A - schnell defekt 30V - 6 A - ok (KK am BD317 aber mit <80°C / Aluwinkel Ecke 68°C / Kühltunnel hat dann <50°C) 40V - 4A - schnell defekt 40V - 3A - ok (KK am BD317 aber mit <75°C / Aluwinkel Ecke 68°C / Kühltunnel hat dann <50°C) Ab 40V wird er recht empfindlich, lt. Datenblatt sollten da noch 2 A pro Transistor möglich sein, jedoch machen die nach 5 Minuten schon schlapp. Obwohl der Kühlkörper noch kühl ist. Lurchi schrieb: > Man muss also sowohl bei BJTs als auch MOSFETs auf die SOA Kurve achten. > 5 A bei gut 30 V sind eher zu viel für einen Transistor. Schon 150 W von > einem Teil weg zu bekommen ist eher schwer. Ich will 150-200W mit beiden wegbekommen.
Mika schrieb: > Da war öfters die Meinung zu lesen das man besser/stabiler fährt > wenn man das OP+Transistor einzeln aufbaut Das gilt allerdings für MOSFETs, weil bei denen Stromverteilungswiderstände einen hohe Spannungsabfall benötigen. Bei normalen NPN reichen deine Shunts zur Stromverteilung. Mika schrieb: > jedoch machen die nach 5 Minuten schon schlapp. Wie hast du denn das rausgefunden ? Schnellwechselfassung ?
Anbei noch ein Screenshot vom Oszi. Türkis am OP Ausgang. Gelb am Kollektro vom BD317 Strom war 3 A. (Ohne Strombegrenzung von MaWi)
Michael B. schrieb: > Mika schrieb: >> jedoch machen die nach 5 Minuten schon schlapp. > > Wie hast du denn das rausgefunden ? > > Schnellwechselfassung ? Laufen lassen und dann ging das 10 A Netzteil in die Strombegrenzung = Irgendwas defekt. Kurz geprüft, beide BD317 defekt. Ausbauen - Einbauen, nächste Messung. Nicht elegant, aber so kann ich mir die SOA erkämpfen.
Michael B. schrieb: > Das gilt allerdings für MOSFETs, weil bei denen > Stromverteilungswiderstände einen hohe Spannungsabfall benötigen. Bei > normalen NPN reichen deine Shunts zur Stromverteilung. Die MOSFETs haben mir nicht so gefallen - bei vielen MOSFETs die in DIY Stromsenken verbaut wurden (hier oder im Netz) waren oft keine DC Kennlinien im SOA Diagramm oder der DC Teil war sehr klein. Darum habe ich die NPN genommen.
Mika schrieb: > beide BD317 defekt. Ausbauen - Einbauen, > nächste Messung. Hast Du wenigstens einen schönen Friedhof für die armen Kerlchen angelegt?
Mika schrieb: > Anbei noch ein Screenshot vom Oszi. > > Türkis am OP Ausgang. > Gelb am Kollektro vom BD317 > > Strom war 3 A. > > (Ohne Strombegrenzung von MaWi) Gelb am Kollektor vom BD? Der hängt nach deinem Schaltbild doch an Vcc. Also bricht deine Versorgungsspannung ein.
Lachender Eskimo schrieb: > Hast Du wenigstens einen schönen Friedhof für die armen Kerlchen > angelegt? soll ich? Sascha schrieb: > Gelb am Kollektor vom BD? Der hängt nach deinem Schaltbild doch an Vcc. > > Also bricht deine Versorgungsspannung ein. Vermutlich, war nur ein 3A einfach Netzteil.
Mika schrieb: > Lachender Eskimo schrieb: >> Hast Du wenigstens einen schönen Friedhof für die armen Kerlchen >> angelegt? > > soll ich? Falls Du Platzprobleme in der Fläche bekommen solltest: Es sind auch 2 Ösen dran, zum Aufhängen... (andere Leute hängen sich Mercedes-Sterne an die Wand, die sie gefunden haben...)
Lachender Eskimo schrieb: > gefunden Es gibt Sammlungen, bei denen rein statistisch das "Auffinden" nicht mehr im wahrscheinlichen Bereich liegt... Lurchi schrieb: > Bei MOSFETs hat man dabei noch > den kleinen Nachteil, dass die meisten Typen nicht für den Linearbetrieb > spezifiziert sind und es gibt auch Datenblätter die mit der SOA kurve > wohl etwas zu optimistisch waren: wenn da der zusätzliche Knick auf > Grund des Sprito Effekts fehlt sollte man misstrauisch sein. Meinst Du so etwas? (Anhang)
Mika schrieb: > > Ab 40V wird er recht empfindlich, lt. Datenblatt sollten da noch 2 A pro > Transistor möglich sein, jedoch machen die nach 5 Minuten schon schlapp. > Obwohl der Kühlkörper noch kühl ist. > Nun, Fig. 2 aus http://pdf1.alldatasheet.com/datasheet-pdf/view/93470/MOTOROLA/BD317.html schreibt 4A @ (40V && 25 Grad Tcase). Da Du aber vermutlich eine deutlich höhere Temperatur hast, muußt Du die Kurve deutlich korrigieren (zu niedrigeren Werten). Immer vorausgestzt, Deien BD317 verhält sich wie ein Motorola spez. BJT, und ist kein fernost fake BJT. So, wie Du es beschreibst, fielen bei mir "billig" 2N3055 aus. Aufsäen und Obduktion ergab dann winzig kleine Sliziumflächen -- fake halt. Kannst ja mal wenn Du es ganu wissne willst ein paar Deiner "Delinquenten" analysieren, Metallsäge hilft .-)
Andrew T. schrieb: > Da Du aber vermutlich eine deutlich höhere Temperatur hast, muußt Du die > Kurve deutlich korrigieren (zu niedrigeren Werten). > Immer vorausgestzt, Deien BD317 verhält sich wie ein Motorola spez. BJT, > und ist kein fernost fake BJT. > > So, wie Du es beschreibst, fielen bei mir "billig" 2N3055 aus. > Aufsäen und Obduktion ergab dann winzig kleine Sliziumflächen -- fake > halt. Der Kühlkörper war noch kalt, bei ~30°C - deswegen hat mich das schnelle Sterben gewundert. Für das max. habe ich immer noch das POWER DERATING Diagramm genommen und bin von 50% ausgegangenen ( ~100°C) Andrew T. schrieb: > So, wie Du es beschreibst, fielen bei mir "billig" 2N3055 aus. > Aufsäen und Obduktion ergab dann winzig kleine Sliziumflächen -- fake > halt. :)
Mika schrieb: > Der Kühlkörper war noch kalt, bei ~30°C - deswegen hat mich das schnelle > Sterben gewundert. Wie oben schon vermutet. Für die Leistung sollte der Alu Winkel eher 10mm stark sein, nicht (geschätzte) 4mm. Mika schrieb: > KK am BD317 aber mit 90°C am Ende / Aluwinkel Ecke 75°C Du verlierst 15° vom Transistor zur Ecke und noch mal 5-10° zum eigentlichen Kühlkörper. Der Transistor kocht bei 90° am Kühlwinkel am Chip schon mit > 150° vor sich hin. So wie es aussieht solltest du also auf den Winkel einen Thermosensor machen, der bei 65° spätestens dafür sorgt dass die Stromquelle abregelt.
Der Andere schrieb: > Wie oben schon vermutet. Für die Leistung sollte der Alu Winkel eher > 10mm stark sein, nicht (geschätzte) 4mm. Es sind 5mm - macht da aber den Kohl nicht Fett. Dabei dachte ich das sei schon gut dick. Da muss ich nochmal nachlegen. Versuch macht Klug :) Der Andere schrieb: > So wie es aussieht solltest du also auf den Winkel einen Thermosensor > machen, der bei 65° spätestens dafür sorgt dass die Stromquelle > abregelt. Thermosensor ist schon vorgesehen, sollte eigentlich nur zur Temp. Visualisierung sein. Muss aber aktiv eingreifen.
Mika schrieb: > Für das max. habe ich immer noch das POWER DERATING Diagramm genommen > und bin von 50% ausgegangenen ( ~100°C) Wenn dann dein KK aber bei 100 W schon 90°C heiß wird, wie du oben schriebst, wirds mit den 100 °C aber schnell eng. Der BD317 hat immerhin einen RthJC von 0.895 K/W ;)
Lurchi schrieb: > Bei MOSFETs hat man dabei noch > den kleinen Nachteil, dass die meisten Typen nicht für den Linearbetrieb > spezifiziert sind und es gibt auch Datenblätter die mit der SOA kurve Nachdem der Thread hier nun doch schon etwas länger dauert 2 Anhänge, die sich mit FETs in linearen Lasten beschäftigen. Es ist halt wie so oft: Datenblattlesen und lesen der eh reichlich vorhandenen Literatur im Netz hilft und es gibt ausreichend viele MosFets, die linear betrieben werden dürfen, schon alleine wegen der nach wie vor vorhandnen linearen Audioendstufen. Die sind halt nicht billig, aber was solls. IXYS hat eine ganze Reihe davon, "Niederspannung" bis zu 200V und dann auch welche, die linear bis 1kV betrieben werden können und dabei entspannt 300W verheizen, andere Hersteller sind vermutlich Sanken oder IRF... > wohl etwas zu optimistisch waren: wenn da der zusätzliche Knick auf > Grund des Sprito Effekts fehlt sollte man misstrauisch sein. > Stimmt. Grüße MiWi
MiWi schrieb: > Es ist halt wie so oft: Datenblattlesen und lesen der eh reichlich > vorhandenen Literatur im Netz hilft und es gibt ausreichend viele > MosFets, die linear betrieben werden dürfen, schon alleine wegen der > nach wie vor vorhandnen linearen Audioendstufen. > > Die sind halt nicht billig, aber was solls. > > IXYS hat eine ganze Reihe davon, "Niederspannung" bis zu 200V und dann > auch welche, die linear bis 1kV betrieben werden können und dabei > entspannt 300W verheizen, andere Hersteller sind vermutlich Sanken oder > IRF... Super, danke für den Input.
Michael B. schrieb: > Bei > normalen NPN reichen deine Shunts zur Stromverteilung. Wie viel Spannung soll/muss bei den Shunts abfallen das die Stromverteilung zuverlässig funktioniert?
MiWi schrieb: > Es ist halt wie so oft: Datenblattlesen und lesen der eh reichlich > vorhandenen Literatur im Netz hilft und es gibt ausreichend viele > MosFets, die linear betrieben werden dürfen, schon alleine wegen der > nach wie vor vorhandnen linearen Audioendstufen. Da hast Du völlig recht. Der FCA46N60F, von dem mein SOA-Diagramm stammt, ist allgemein NICHT gut geeignet. Aber nach diversen Studien denke ich, zwei von diesen bei relativ niedrigen Betriebsspannungen (<100V) als Endstufe für einen quasikomplementären AB-Amp (<400W) benutzen zu können. Was denkst Du? (Sorry für OT, aber brauche da ne Zweitmeinung)
Alfred B. schrieb: > MiWi schrieb: >> Es ist halt wie so oft: Datenblattlesen und lesen der eh reichlich >> vorhandenen Literatur im Netz hilft und es gibt ausreichend viele >> MosFets, die linear betrieben werden dürfen, schon alleine wegen der >> nach wie vor vorhandnen linearen Audioendstufen. > > Da hast Du völlig recht. Der FCA46N60F, von dem mein SOA-Diagramm > stammt, ist allgemein NICHT gut geeignet. Aber nach diversen Studien > denke ich, > zwei von diesen bei relativ niedrigen Betriebsspannungen (<100V) als > Endstufe für einen quasikomplementären AB-Amp (<400W) benutzen zu > können. > > Was denkst Du? (Sorry für OT, aber brauche da ne Zweitmeinung) mach einen neuen Thread auf, so scshwer ist das nicht. Es ist unhöflich und vollkommen unpassend einen Thread, der sich mit was anderem beschäftigt zu kapern keine Grüße MiWi
Mika schrieb: > Michael B. schrieb: >> Bei >> normalen NPN reichen deine Shunts zur Stromverteilung. > > Wie viel Spannung soll/muss bei den Shunts abfallen das die > Stromverteilung zuverlässig funktioniert? Gefühlt: ein paar zehntel Volt reichen. Da wo mehr Strom fließt ist die Spannung über dem Shunt größer und dementsprechend Ube kleiner. Weil I exponentiell mit Ube geht ist das sehr gutmütig. (Vergleich: Stromquelle mit Transistor) Um sicher zu gehen kannst du ja mit den min/max-Angaben zur Stromverstärkung des Transistors ein paar Worst-Case-Abschätzungen machen.
Eine Faustregel ist wohl den Emitterstand so zu wählen, das bei maximalem Ic 0,2-0,3V darüber abfallen. Hatte damit noch nie Probleme.
MiWi schrieb: > mach einen neuen Thread auf, so scshwer ist das nicht. Es ist unhöflich > und vollkommen unpassend einen Thread, der sich mit was anderem > beschäftigt zu kapern > > keine Grüße > > MiWi Hiermit bitte ich den TO um Entschuldigung.
Alfred B. schrieb: > Hiermit bitte ich den TO um Entschuldigung. lol - jetzt erden wir doch nicht komisch werden ;) Hast Du den Thread zu deinem Thema schon gestartet? falls ja mach doch ein Link hier rein ... finde das Thema auch spannend.
Anonymous@Work schrieb: > Gefühlt: ein paar zehntel Volt reichen. > Da wo mehr Strom fließt ist die Spannung über dem Shunt größer und > dementsprechend Ube kleiner. Weil I exponentiell mit Ube geht ist das > sehr gutmütig. (Vergleich: Stromquelle mit Transistor) > > Um sicher zu gehen kannst du ja mit den min/max-Angaben zur > Stromverstärkung des Transistors ein paar Worst-Case-Abschätzungen > machen. Sven D. schrieb: > Eine Faustregel ist wohl den Emitterstand so zu wählen, das bei > maximalem Ic 0,2-0,3V darüber abfallen. Hatte damit noch nie Probleme. Danke euch.
Michael B. schrieb: > Erkenne dann, daß der TL072 ein ziemlich blödes Teil ist, > denn wenn beim Einschalten der Stromversorgung die +12V schon > da sind aber die -5V noch nicht, dann reisst der OpAmp den > Ausgang auf +12V, steuert also voll durch. Ich bestelle die Tage ein wenig Elektronikkrempel - Tipp für einen alternativen OP der an Stelle von dem TL072 Platz nehmen könnte? Dann würde ich mir eine Handvoll mitbestellen.
Für deine Schaltung wäre schon ein LM358 besser als der TL072, denn der LM358 braucht wie alle folgenden keine negative Versorgungsspannung. Genauer als der LM358 ist ein LT1013. Kräftiger als ein LT1013 wäre ein MC34072, der treibt MOSFETs direkt. und dann gäbe es noch leistungsfähigere, mit Rail-To-Rail an Eingang und Ausgang, mit niedrigsten Rauschen und niedrigsten Verzerrungen aber das brauchst du hier nicht, trotzdem kannst du dir natürlich TS912 oder LMC6482 mitbestellen, die liegen etwas näher am idealen OpAmp (nicht aber nicht besonders genau, falls du das willst gibt es auch noch Präzisions-R2R wie AD822 oder AD8622).
MiWi schrieb: > ändere den 10k/15k an der Basis vom BC547 auf 1k/1k5. Der bc547 muß > schnell sein und wenn Du die Widerstände zu hochohmig machst kann er ev. > nicht den gesamten Basisstrom übernehmen. > > Ich mach das mit FETs, da hab ich ein paar Freiheiten für solche > Spielereien, die Schwingneigung war noch nie ein Problem aber ich muß > auch nicht in ns den Lastwiderstand ändern, mir reicht 1ms als > Sprungzeit aus. Meinst du jetzt du benutzt FETs als Pass-Elemente oder FETs in der Überstromabschaltung (anstatt des BC547)? Was für Spielereien sind denn das, die die FETs statt BJTs ermöglichen? Inwiefern wäre eine Überstromabsicherung für FETs anders? Shunt+BJT ist ja schon ziemlich schnell. Ein Komparator hat vermutlich keine Vorteile in der Geschwindigkeit, man kann aber leicht eine Hysterese hinzufügen (Wozu auch immer). Wie macht man das, wenn man einen kleinen Shunt hat, sodass der Überstrom keine 0.6V Spannungsabfall über dem Shunt bringen. Dann muss man ja schnell Verstärken. Gibt es da Tricks, wie man das geschickt löst (also Alternativen zum schnellen OpAmp)? Viele Grüße
Michael B. schrieb: > Für deine Schaltung wäre schon ein LM358 besser als der TL072, > denn der > LM358 braucht wie alle folgenden keine negative Versorgungsspannung. > Genauer als der LM358 ist ein LT1013. > Kräftiger als ein LT1013 wäre ein MC34072, der treibt MOSFETs direkt. > > und dann gäbe es noch leistungsfähigere, mit Rail-To-Rail an Eingang und > Ausgang, mit niedrigsten Rauschen und niedrigsten Verzerrungen aber das > brauchst du hier nicht, trotzdem kannst du dir natürlich TS912 oder > LMC6482 mitbestellen, die liegen etwas näher am idealen OpAmp (nicht > aber nicht besonders genau, falls du das willst gibt es auch noch > Präzisions-R2R wie AD822 oder AD8622). SUPER! Vielen Dank. Dann werde ich mal ein wenig was ordern.
Mika schrieb: > Hast Du den Thread zu deinem Thema schon gestartet? Sorry, hatte diesen Thread kurz aus den Augen verloren. Nein, habe ich nicht. Ich wollte ja eben nicht allein deshalb einen Thread starten. Nicht wegen mir - ich habe schon viel dazu gelesen, und hatte mich praktisch schon dafür entschieden. Ich werd´s also letztendlich auch ohne Bestätigung machen. Mir blieb da ein Pärchen bei einem Schaltnetzteil-Projekt übrig, und die rufen nach "Verwendung". (Ich hatte nur kürzlich ein paar Threads mit Antworten von MiWi gelesen, und den Eindruck, daß er/sie sich speziell damit sehr gut auskennt, deshalb wollte ich eine letzte Entscheidungshilfe. Und wäre das möglich gewesen, hätte ich eine Mail an ihn/sie persönlich gesendet. Ist schon ironisch - ich wollte exakt eine Antwort, aber man unterstellt mir Threadjacking... und ich wollte diese exakt von MiWi, doch werde auf das Eröffnen eines neuen Threads verwiesen [wo keiner sagen kann, ob, und wenn, dann wann und von wem dann Antworten kommen]. So leicht wird man mißverstanden. Was soll´s...) Viel Glück bei Deiner E-Last, mfG Alfred
Alfred B. schrieb: > Mika schrieb: >> Hast Du den Thread zu deinem Thema schon gestartet? > > Sorry, hatte diesen Thread kurz aus den Augen verloren. Nein, habe ich > nicht. Ich wollte ja eben nicht allein deshalb einen Thread starten. > Nicht wegen mir - ich habe schon viel dazu gelesen, und hatte mich > praktisch schon dafür entschieden. > > Ich werd´s also letztendlich auch ohne Bestätigung machen. Mir blieb da > ein Pärchen bei einem Schaltnetzteil-Projekt übrig, und die rufen nach > "Verwendung". > > (Ich hatte nur kürzlich ein paar Threads mit Antworten von MiWi gelesen, > und den Eindruck, daß er/sie sich speziell damit sehr gut auskennt, > deshalb wollte ich eine letzte Entscheidungshilfe. Und wäre das möglich > gewesen, hätte ich eine Mail an ihn/sie persönlich gesendet. > > Ist schon ironisch - ich wollte exakt eine Antwort, aber man > unterstellt mir Threadjacking... und ich wollte diese exakt von MiWi, > doch werde auf das Eröffnen eines neuen Threads verwiesen [wo keiner > sagen kann, ob, und wenn, dann wann und von wem dann Antworten kommen]. > > So leicht wird man mißverstanden. Was soll´s...) > > Viel Glück bei Deiner E-Last, mfG > > > Alfred Hallo Alfred ich weiß nicht ob ich mich auskenne, ich weiß nur das das was ich mache meistens funktioniert. Und ich würde Dir sehr wohl gerne eine Antwort geben aber eben nicht in einem Thread, der ein vollkommen anderes Thema behandelt. Also nur Mut... Grüße MiWi
sdf schrieb: > MiWi schrieb: >> ändere den 10k/15k an der Basis vom BC547 auf 1k/1k5. Der bc547 muß >> schnell sein und wenn Du die Widerstände zu hochohmig machst kann er ev. >> nicht den gesamten Basisstrom übernehmen. >> >> Ich mach das mit FETs, da hab ich ein paar Freiheiten für solche >> Spielereien, die Schwingneigung war noch nie ein Problem aber ich muß >> auch nicht in ns den Lastwiderstand ändern, mir reicht 1ms als >> Sprungzeit aus. > > Meinst du jetzt du benutzt FETs als Pass-Elemente oder FETs in der > Überstromabschaltung (anstatt des BC547)? > Was für Spielereien sind denn das, die die FETs statt BJTs ermöglichen? die Abschaltung wird von einem BJT erledigt, das Pass-Element ist ein linearer FET. > Inwiefern wäre eine Überstromabsicherung für FETs anders? > Shunt+BJT ist ja schon ziemlich schnell. Ein Komparator hat vermutlich > keine Vorteile in der Geschwindigkeit, man kann aber leicht eine > Hysterese hinzufügen (Wozu auch immer). > > Wie macht man das, wenn man einen kleinen Shunt hat, sodass der > Überstrom keine 0.6V Spannungsabfall über dem Shunt bringen. Dann muss > man ja schnell Verstärken. Gibt es da Tricks, wie man das geschickt löst > (also Alternativen zum schnellen OpAmp)? ich weiß es nicht wie "man" es macht, ich mache es nicht so, diese 600mV stehen im Notfall zur Verfügung. Punkt. > > Viele Grüße Also... ich finde es deutlich einfacher das Gate eines FETs ziemlich zackig in ein paar 10ns auszuräumen als einen BJT zu stoppen. Vielleicht gibts da andere Kniffe die das bei einem BJT auch erlauben, aber ich habs nie probiert und beim FET weiß ich es halt daß der Strom nach 100+ ns abgedreht ist und diese Zeit keine Hotspots im Chip entstehen lassen. die von mir propagierte Schutzschaltung sollte eigentlich nie aktiv werden müssen. Doch wie gesagt, wenn ein Wackler an der Quelle, die die Last versorgt drauf ist (und das kommt vor) gibt es eine Zeitspanne (die vom Stromregler und der übergeordneten Regelung abhängig ist) in der die Last voll aufgesteuert werden kann. Das ist vielleicht kein Problem bei Lastspannungen von 40V, längeren Leitungen etc. Die von mir als pdf angehängten Dateien können durchaus so gelesen werden das da, wo ich mit elektronischen Lasten arbeite andere Größenordungen im Spiel sind. Und da wird eine auch nur ein paar us lang dauernde Fehlfunktion sehr schnell sehr laut, heiß und vor allem sehr(!) teuer. Ich dimensioniere die Shunts an den FETS daher so daß die ca. 600mV am Shunt die Grenzen dessen sind was zulässig ist. Lieber 2 oder 4 FETs mehr und dafür keine Reperaturen dann wenn man die Last eigentlich dringend braucht... eine einfache Kosten - Nutzenrechung und Faulheit. ggfs kannst Du ja - je nach Eingangsspannung - diese als Vorspannung für den BJT hinzuaddieren, das verschiebt je nach Eingangsspannung dann auch den Abschaltstrom und verlangsamt das ganze auch nicht sonderlich. Der einzige Knackpunkt ist: der einimale Laststrom ist nicht 0, denn für die Vosrpannung des BJT wird auch ein bischen benötigt... Und nicht vergessen - ich rede immer nur von den Shunts an den einzelnen FETs, der Summenshunt ist davon nicht betroffen. An dem müssen keine 600mV abfallen. Die FET-Shunts können deswegen so hoch sein weil da nicht sehr viel Leistung pro Shunt verheizt wird wenn eine Last aus... 12, 16 oder noch mehr FETs besteht. Der Summenshunt sieht dann zB 10A und muß demensprechend gering sein damit der nicht heiß wird, derweil die einzelnen FETs nur 0,4A sehen... Aber - ich wiederhole mich... Grüße MiWi
Ich will jetzt den Thread nicht kapern erlaube mir aber dennoch eine Frage. Ist das eben beschriebene in etwa bei der verlinkten Senke von ACDC umgesetzt? (S47 bzw S51) Dass da die Leistungstransistoren bipolare Typen sind habe ich realisiert. http://abtronics.ru/components/ACDCEL750BDynamicLoad55V150A750W_good_1794944428/ ichbin
Ähhh... Mist das ist ja gar kein Link zum Schematic. Das hab ich da grad aufm Handy nachgeschaut und schnell nach einem geichlautenden Link gesucht... Ich schaue, dass ich des Schematic nachher noch verlinke oder hochlade. ichbin
Bitte melde dich an um einen Beitrag zu schreiben. Anmeldung ist kostenlos und dauert nur eine Minute.
Bestehender Account
Schon ein Account bei Google/GoogleMail? Keine Anmeldung erforderlich!
Mit Google-Account einloggen
Mit Google-Account einloggen
Noch kein Account? Hier anmelden.





