Hallo, suche einen erfahrenen Elektroniker, der mir helfen kann bei der Entwicklung einer Diagnoseschaltung zur Lokalisierung von defekten Bauteilen auf einer Platine. Ich wohne in der Nähe Ulm und habe einige defekte als auch eine gute Platine vorrätig sowie die Schaltpläne dazu, aber das Ganze übersteigt mein Wissen doch um einiges. Muss auch nicht umsonst sein, aber ich komme hier nicht weiter und dreh langsam durch. Ich habe mal im Anhang eine defekte und eine gute Platine eingefügt sowie die Schaltpläne dazu und möchte hier eine kleine, aber funktionierende Diagnoseschaltung zur Ermittlung, ob Bausteine SM-712 (DA42 und DA43 und evtl. IC43) defekt oder durchgängig sind. Dieses betrifft die Tx und Rx Leitungen und im eingebauten Zustand der Platine ist kein Rankommen möglich und da sich diese in einem staubdichten sterilen Gehäuse befindet, gibt's auch keine Öffnungsmöglickeit, ohne das Gerät zu beschädigen. Deshalb ist dieser extern 11polige Hauptstecker dran, über den ich die Dagnose machen möchte. Die Signale liegen auf Pin 2 und 10 und 5 und 7 - ich hoffe, jemand kann sich mit dieser Herausforderung anfreunden - vielen Dank schon mal im Voraus - Für weitere Fragen bin ich jederzeit offen
Finde keinen mehr -), nein, der Fehler wird ausgelöst durch eine fehlerhafte bzw. strombehafteten Erdung, dabei geht irgendwas hops und dann fliessen durch die Bausteine volle 24 Volt, was tödlich für diese ist. Diese schalten zwar erst bei min. 7V, aber mit 15V ist max erreicht. - anbei noch eine detaillierte Ansicht und genaue Pläne
Hi Karlheinz, ich hab mal kurz in die Datenblätter von SM712 und LTC2855 geschaut. Die Diode SM712 leitet laut Datenblatt bei +15V bzw. -8V. Absolute Maximum Input Voltage des LTC2855 sind VCC-15V..VCC+15V. Das gibt uns Raum zum Arbeiten. Wenn Du jetzt über einen, sagen wir 10k Vorwiderstand an der eingeschalteten Baugruppe am Eingang eine Testspannung anschließt, dann wird bei +15V bzw. -8V so langsam ein Strom auftreten (Spannungsabfall am Messwiderstand). Passiert das nicht in beide Richtungen wie oben beschrieben, so ist die Diode defekt oder nicht vorhanden. Probier das doch bitte mal aus. Der Vorwiderstand ist die Lebensversicherung für den LTC2855, der Injektionsstrom sollte 10mA nicht überschreiten (10mA * 10k -> 100V, ich denke da passiert nix). Wenn Du das automatisiert haben möchtest, können wir über ein Prüfmittel nachdenken. Grüße, marcus
Hallo, Marcus - danke für deine Unterstützung. Ich weiss jetzt nicht so genau was oder wie du meinst, ich habe ja an Pin 3 normal die Eingangsspannung von 24V, hier würde ich also 9V nehmen, einen Widerstand in die Plus-Leitung in Höhe von 10kO,(Ausangsspannung unverändert) > damit auf Pin 3, Minus an Pin 8 des 11pol. Hauptsteckers und auf Pin 5 (TX) und 2 (RX) müsste dann was zu messen sein ? Hast du hier eine kleine Schaltung dazu ? Amliebsten wäre mir eine LED Anzeige, die bei grün ok signalisiert und bei einem defekten Baustein rot. Das Ganze sollte funktionsfähig automatisiert werden.
Karlheinz K. schrieb: > Ganze sollte funktionsfähig automatisiert werden. Fang erst mal ganz klein an und nimm einen Komponetentester und vergleiche die gesunde mit der krankem Baugruppe. Zu 90% haben die Schutzdioden den Strom nicht vertragen usw.? Beitrag "Komponententester für Digitaloszilloskop"
Hi Karlheinz, im Anhang eine Skizze, wie's gemeint ist. An ST7-3/ ST7-8 werden 24V Baugruppenversorgung angeschlossen. Dann wird ein einstellbares Labornetzteil (LNT) verwendet, um zwischen ST7-8 und dem zu prüfenden Eingang über einen Vorwiderstand eine Spannung einzuspeisen. Erster Test: LNT- an ST7-8 LNT+ über R1 nach ST7-5 Ab ca. 15V sollte, wenn die SM712 vorhanden ist, eine Spannung über R1 abfallen. Zweiter Test: LNT+ an ST7-8 LNT- über R1 nach ST7-5 Ab ca. 8V sollte, wenn die SM712 vorhanden ist, eine Spannung über R1 abfallen. Damit sind beide Richtungen der SM712 getestet. Für die Pins ST7_7/2/10 ebenfalls durchführen. Grüße, Marcus P.S.: interessehalber - wie groß ist die Stromaufnahme der Baugruppe an ST7-3?
Achso, ganz vergessen: Falls im Feldeinsatz nur eine 24V Versorgung zur Verfügung steht, kannst Du natürlich das LNT durch ein Poti ersetzen. Ein 4k7 Poti zwischen GND und 24V, und der Schleifer geht dann auf den Vorwiderstand. Damit kannst Du aber nur den positiven-Diodendurchbruch bei ca.15V messen. Das macht aber wahrscheinlich nichts, weil wir es im Fehlerfall ja mit verdampften Dioden zu tun haben.
Hallo, basierend auf der tollen Unterstützung von Marcus und hiermit nochmal herzlichen Dank für seine Mühe und Unterstützung hier nun meine Vorstellung der Umsetzung zur Auswertung der Signale. Zwischenstand ist folgender : An dem Stecker ST7 (11poliger Stecker zur Platine des auszuwertenden Bauteils) wird an Pin 2 und 5 eine Spannung in Höhe von 18V angelegt. Da die Diode erst bei 15,5V schaltet, konnte ich bei einer intakten Diode einen Spannungsabfall an den 10KO Widerständen R1 und R2 von ca. 2,9V an den Mess-Punkten vor und nach den Widerständen feststellen. Wenn eine Diode einen Kurzschluss hat, können hier zwischen 5 und 10V anliegen und wenn die Diode verdampft ist, kommt logischerweise nichts raus = 0V. Um diese Spannungen auszuwerten, habe ich mir den TCA965 Fensterdiskriminatorbaustein ausgesucht, da ich leider keine billigere Variante gefunden habe (Ideen?) und hierzu nun mal eine Schaltung entworfen. Bitte zu berücksichtigen, dass ich kein Profi bin und deshalb möchte ich euch bitten, hier mal einen Blick darauf zu werfen ob das so okay ist und dann funktioniert ? Andererseits, wenn ich eine stabile Eingangsspannung von 18V anlege an Pin 2 und 5, bräuchte ich doch eigentlich die 2 Potis gar nicht, oder ? Angestrebte Funktion : Wenn die 2,9V anliegen soll die grüne LED brennen, Habe ich mehr als 2,9V oder gar keinen Spannungsfluss, soll die rote LED brennen und habe ich mehr als 5V soll die gelbe LED brennen. Welche Widerstände brauche ich für R1-R4 (LED 3mm) Für eure Unterstützung bin ich ewig dankbar VG - Kh.
Nachtrag : Die Beschaltung von 24V an Pin3 und 8 (Hauptspannungsversorgung) ist nicht unbedingt erforderlich, es genügt, wenn Pin 5 und 2 mit 18V angefahren werden und dann kann der Spannungsabfall auch so gemessen werden, kein Unterschied ob mit oder ohne Hauptspannungsversorgung.
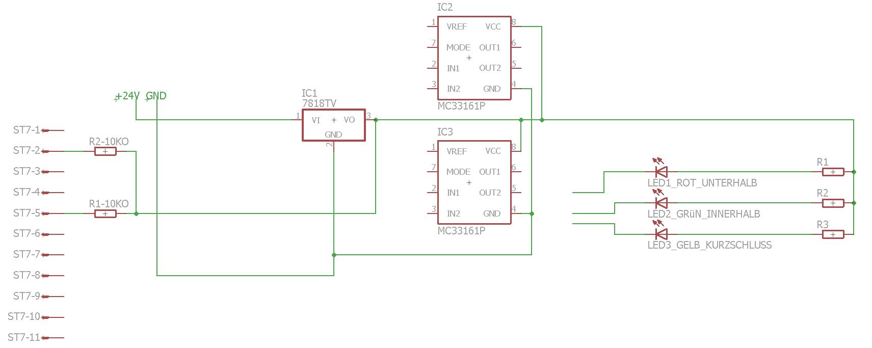
An dem Stecker ST7 (11poliger Stecker zur Platine des auszuwertenden Bauteils) wird an Pin 2 und 5 eine Spannung in Höhe von 18V über einen Vorwiderstand 10KO angelegt. Da die Diode erst bei 15,5V schaltet, konnte ich bei einer intakten Diode einen Spannungsabfall an den 10KO Widerständen R1 und R2 von ca. 2,9V an den Mess-Punkten vor und nach den Widerständen feststellen. Wenn eine Diode einen Kurzschluss hat, können hier zwischen 5 und 10V anliegen und wenn die Diode verdampft ist, kommt logischerweise nichts raus = 0V. Um diese Spannungen auszuwerten, habe ich mir den TCA965 Fensterdiskriminatorbaustein ausgesucht, da dieser aber recht teuer ist, habe ich mir hier eine Ersatzvariante MC34161P gesucht und nun mal eine Schaltung mit diesem grob entworfen. Bitte zu berücksichtigen, dass ich kein Profi bin und deshalb möchte ich euch bitten, hier mal einen Blick darauf zu werfen, da ich die Anschlusslogik noch nicht so ganz verstehe und hoffe Ihr könnt mir da weiterhelfen. Im Gegensatz zur obien Schaltung habe ich durch Verwendung des Festspannungsreglers 7818 die Potis herausgenommen und gehe nun mit konstanten 18V an Pin 2 und 5 über den Vorwiderstand. Sind die Dioden intakt, bekome ich hier an den Messpunkten vor und nach dem Vorwiderstand einen Spannungsabfall von 2,9 V gemessen. Angestrebte Funktion : Wenn die 2,xV anliegen soll die grüne LED brennen, Habe ich weniger als 2V oder gar keinen Spannungsfluss, soll die rote LED brennen und habe ich mehr als 4-5V soll die gelbe LED brennen. Welche Widerstände brauche ich für R1-R3 (LED 3mm) und wie muss ich den Rest verschalten - blicke da nicht richtig durch, war mir auch nicht ganz sicher, ob da ein IC MC34161 ausreicht oder ich 2 benötige, habe deshalb vorsichtshalber mal 2 eingezeichnet. Es geht hier um die Auswertung der Dioden DA42 und DA43 wie im ersten Beitrag unter Bild 5 und Bild 1 zu sehen. - Vielen vielen Dank für eure Hilfe VG - Kh.
Fällt euch hierzu nichts ein ? Das wäre schade, bin echt auf eure Unterstützung angewiesen
Karlheinz K. schrieb: > Fällt euch hierzu nichts ein ? Das wäre schade, bin echt auf eure > Unterstützung angewiesen Du schreibst sehr lange Texte, das macht es etwas mühsam zu verstehen, was das eigentliche Problem ist. Karlheinz K. schrieb: > Im > Gegensatz zur obien Schaltung habe ich durch Verwendung des > Festspannungsreglers 7818 die Potis herausgenommen und gehe nun mit > konstanten 18V an Pin 2 und 5 über den Vorwiderstand. Sind die Dioden > intakt, bekome ich hier an den Messpunkten vor und nach dem > Vorwiderstand einen Spannungsabfall von 2,9 V gemessen. Ein Spannungsabfall von nur 2,9V kommt mir seltsam vor. Bei 18V sollte die Diode eigentlich sehr gut leiten und der Spannungsabfall an den 10K Widerständen müsste dem entsprechend viel höher sein... Hat jemand eine Kennkurve zu dieser Diode zur Hand? Edit: Lt. Datenblatt müssten bei 15V bereits 1A fließen können, die Diode hätte also ca. 15 Ohm. Daher kann das mit 2,9V Spannungsabfall bei 1.5mA nicht sein.
Es gibt lt. s-manuals.com noch ein weiteres Bauteil mit einem "712" Marking Code: NDS7002A. Könnte es sein, dass der Bestücker hier das falsche Bauteil bestückt hat? NDS7002A ist ein Mosfet. Das könnte dann auch erklären, warum die Teile heftig abrauchen... Du könntest mal folgendes testen: Über einen 10K Widerstand legst du nur 5V an RX- (oder TX-) und misst den Spannungsabfall am Widerstand. GND der Spannungsquelle und des Prüflinges natürlich ebenfalls verbinden. Bei 5V dürfte eine SM712 noch nicht leiten. Die Bodydiode eines NDS7002A jedoch schon...
Bitte melde dich an um einen Beitrag zu schreiben. Anmeldung ist kostenlos und dauert nur eine Minute.
Bestehender Account
Schon ein Account bei Google/GoogleMail? Keine Anmeldung erforderlich!
Mit Google-Account einloggen
Mit Google-Account einloggen
Noch kein Account? Hier anmelden.











